Fórum témák

» Több friss téma
Fórum » Csöves erősítő készítése
 
Témaindító: seedz, idő: Márc 31, 2006
Témakörök:
Ne feledd betartani a fórum viselkedési szabályait, és a topik megmaradásának feltételeit. [link]
A téma átmenetileg fagyasztva lett, hozzászólni nem tudsz!
Lapozás: OK   814 / 2208
(#) CIROKL válasza ticseboy hozzászólására (») Dec 4, 2009
Szia !
Idézet:
„nem sok közöm van az elektronikához”
azért a képekről nem ez látszik ?
Idézet:
„feltéve ha meg is szólal”
miért ne szólalna meg ! Csak kérdés hogy milyen hangot ad majd ? Ez egyébként milyen kapcsolás alapján van építve , meg a nyákterv az saját tervezés ahogyan nézem ?
(#) ticseboy válasza fleta hozzászólására (») Dec 4, 2009
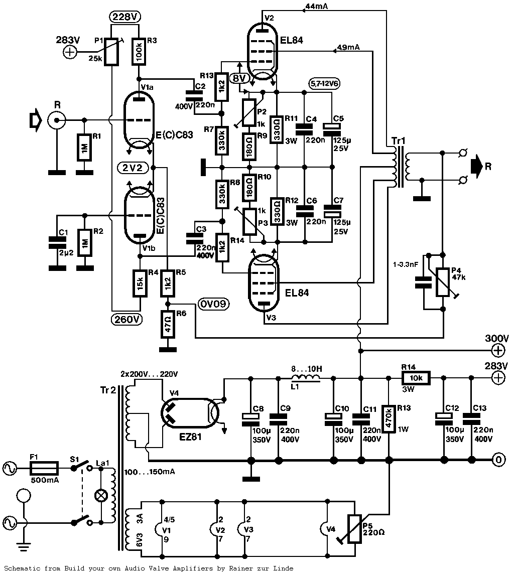
Köszi a biztatást, és remélem jól értelmezem a rajzot. Méregetem közben a dolgokat, és nem igazán jön ki pontosan az a fesz ami a rajzon van. (+- 15v) Remélem ez nem nagy probléma, vagy ezek is beállnak ha bekerülnek a végcsövek??
(#) ticseboy válasza CIROKL hozzászólására (») Dec 4, 2009
ez a rajz
(#) ticseboy válasza CIROKL hozzászólására (») Dec 4, 2009
Annyi közöm van a dolgokhoz hogy egy idöben hangfalakat épitettem (PA), és ezekbe kellett hangváltó is. Ja meg egy hifit magamnak.

DALEK.JPG
    
(#) CIROKL válasza ticseboy hozzászólására (») Dec 4, 2009
Az a nagyon szép LADA piros az iszonyat tetszik :taps: Azt szivesen meghallgatnám ?
(#) fleta válasza ticseboy hozzászólására (») Dec 4, 2009
gratulálok.
csiga felépítésű?
(#) ticseboy válasza fleta hozzászólására (») Dec 4, 2009
igen, tölcséres rendszerü. 3.5 méter a bele
(#) ticseboy válasza fleta hozzászólására (») Dec 4, 2009
Végre vkinek tetszik. Itthon az babám ki akart vágni vele együtt
(#) Ricsi89 hozzászólása Dec 4, 2009
Sziasztok!
GU50Se-vel küzdök. Attól adhat ki gerjedésre hasonlító hangot, ha túl sok az anódáram. Deszkán beállítva jó volt az anódáram 330Ohm-al, most összerakva, egy picivel magasabb táppal felugrott kb 150mA-re. :no: Ma szétszedtem a trafót, tekertem rá egy vékony huzalból egy előfesztekercset. A végén 45V váltót kaptam. Holnap megcsinálom hozzá az egyenirányítást meg a szűrést és beállítom az anódáramot normálisan. Elegem lett az ellenállásos előfesz előállításából. Remélem ezzel megszűnik a gond. Másra már nem tudok gondolni. Ahogy lekapcsolom a tápot egyből megszűnik a gerjedés/búgás. Szerintem a maxon dolgozó cső a baj, de valaki megerősíthetne, vagy megcáfolhatná a dolgot.
(#) CIROKL válasza Ricsi89 hozzászólására (») Dec 4, 2009
A GU50 - nek a 150 mA az sok 100mA bőven elég . Alakítsd át állíthatóra - előfesszel aztán egyből jólessz . Nálam 360Volt anód fesszel 100mA -ra beállítva kb -18 volt előfesz van .
(#) Ricsi89 válasza CIROKL hozzászólására (») Dec 4, 2009
Nekem meg -50V van a 330 Ohm-on, ami kb 150mA. És olyan alapzúgása van az erősítőnek, hogy még zene közben is hallatszik. Ha megfogom a telefont, akkor még erősödik is, meg ha közelítek a vezetékhez akkor is változik. Holnap kiderül milyen lesz az állítható előfesszel.
(#) sturbi válasza ticseboy hozzászólására (») Dec 4, 2009
Nincs miért aggódnod, szép munka, ha köze van a kapcsoláshoz nem lehet gond vele, ha nehézségbe ütközöl itt mindig lesz segítség.
(#) ticseboy válasza sturbi hozzászólására (») Dec 4, 2009
Szerintem lesz kérdésem elég sok még mire szólni fog (ahogy kell) és köszi a biztatásokat!
(#) kefe13 válasza ticseboy hozzászólására (») Dec 4, 2009
Szép !
(#) kocos válasza fleta hozzászólására (») Dec 4, 2009
Igazán nem akarok kötöszködni, meg sürgetni, meg ilyesmi, de nem felejtettél el valamit ?
(#) kocos válasza ticseboy hozzászólására (») Dec 4, 2009
Ügyes !
(#) kocos válasza ticseboy hozzászólására (») Dec 4, 2009
Még ügyesebb
(#) ticseboy hozzászólása Dec 5, 2009
Sziasztok. Már lenne is kérdésem! A két oldal közt az ecc83-asok 1es anódjain mérve 16v külömbség van. Ez mitöl lehet, és baj?
(#) kocos hozzászólása Dec 5, 2009
a cső, és/vagy anód-/katódellenállás szórása . nem egyezik meg az értékűk nem jelent komoly problémát
lehet még a két csatorna RC szűrője között az R tag kis mértékű eltérése is
(#) fleta válasza kocos hozzászólására (») Dec 5, 2009
bocsi pótolom !
(#) kocos válasza fleta hozzászólására (») Dec 5, 2009
Oké, köszi, már várja a chassis
(#) Longa György hozzászólása Dec 5, 2009
Hali.Az lenne a kérdésem, hogy PCL vagy ECL86-os csővel meg lehet-e hajtani kettő PL500-ast pp-ben.Csak ilyenek vannak otthon.Előre is köszi.
(#) s.sanyi hozzászólása Dec 5, 2009
Sziasztok.Szétszedtem az egyik rossz állapotban lévő melodija rádiómat.A bemenő,kimenő trafót és három cső foglalatot hagytam a vázon erre próbálok megépiteni kezdetnek eggy mono blokot.A táp 2x250 volt és eggy 7 volt kimenet van erről próbáltam fűteni 3 csövet(csak a fűtéseket kötöttem be remélem ezzel nem rontottam el a csöveket)szépen beizzottak a csövek.Lehet-e igy megoldani és kell e a fűtéseket egyenirányitani?Felteszem a rajzot amit kiszemeltem elég egyszerűnek tűnik sajnos még ecc83 nincs de gondolom nem lessz gond beszereznem.Mi a véleményetek a rajzról?

a rajz.png
    
(#) Imi65 válasza s.sanyi hozzászólására (») Dec 5, 2009
A bemeneti poti (hangerőszabályzó) ne úgy kösd be, hanem ahogy a többi - itt talált - rajzon van.
(#) mark.budai válasza s.sanyi hozzászólására (») Dec 5, 2009
Fleta1 nevű felhasználótól 350Ft-ért tudsz venni 6N2P-t, ami az ECC83 megfelelője!
(#) s.sanyi válasza mark.budai hozzászólására (») Dec 5, 2009
Sajnos határon túl vagyok igy lehet elég nehéz lessz megoldani.Megpróbálom előbb hazai páján beszerezni.
(#) mark.budai válasza s.sanyi hozzászólására (») Dec 5, 2009
Jó, csak mondtam egy lehetőséget, hátha máshol, ahol szeretnéd, nem jön össze. Ez a cső 350Ft-ért szinte ingyen van.
(#) s.sanyi válasza Imi65 hozzászólására (») Dec 5, 2009
Például mint ezen a rajzon?

pl igy.jpg
    
(#) mark.budai válasza s.sanyi hozzászólására (») Dec 5, 2009
Igen, így!
(#) s.sanyi válasza mark.budai hozzászólására (») Dec 5, 2009
Köszi szépen.
Következő: »»   814 / 2208
Bejelentkezés

Belépés

Hirdetés
XDT.hu
Az oldalon sütiket használunk a helyes működéshez. Bővebb információt az adatvédelmi szabályzatban olvashatsz. Megértettem