Fórum témák

» Több friss téma
Fórum » Autóelektronika
 
Témaindító: sufni-tunning, idő: Ápr 19, 2008
Témakörök:
Lapozás: OK   33 / 349
(#) aflmor válasza akos70 hozzászólására (») Dec 26, 2009 /
 

A relénél a pozitívot, a vezérlésére értettem. A "kapcsolt" pozitívot, természetesen, biztin keresztül pl. az az első kötési ponttól, (osztó) az akkuról. :law:
(#) aflmor válasza izsakig hozzászólására (») Dec 26, 2009 /
 
Jó. Ettől még tudok aludni :whistle:
(#) Dudus válasza aflmor hozzászólására (») Dec 26, 2009 /
 
Volvo S/V40 1999-ig biztosan...
(#) aflmor válasza Dudus hozzászólására (») Dec 26, 2009 /
 
Én úgy látom a S40 Volvonál sincs máshogy... Negatív, test a közös.(31)
És pozitivot kapcsol (30+) De:
(#) izsakig válasza aflmor hozzászólására (») Dec 26, 2009 /
 
Ha még mindig fényszóró....
Suzuki Swift (2001)
(#) Dudus válasza aflmor hozzászólására (») Dec 27, 2009 /
 
Ez a 2000 utáni rajza, abban már így van.
(#) sangp hozzászólása Dec 27, 2009 /
 
Sziasztok!

Érdekelne a véleményetek arról, hogy házilag megoldható-e az ún. "kulcs nélküli nyitás-indítás"?

Tudjátok, ez az a megoldás, amikor a zsebünkben van a "kulcs", az autó ajtaján pedig csak egy mikrokapcsolót nyomunk meg, amitől kinyílik a központi zár.

Az indításnál sem slusszkulcsot dugunk a gyújtáskapcsolóba, hanem az autó érzékeli azt, hogy az utastérben van a "kulcs", és enged gyújtást adni és indítani.

Előre is köszi az ötleteket!
S

(#) akos70 válasza sangp hozzászólására (») Dec 27, 2009 /
 
Minden megoldhato, kérdés, hogy megéri-e a fáradságot, meg hogy mennyit változtat ez az ujitás a megbizhatoságon.
(#) sangp válasza akos70 hozzászólására (») Dec 27, 2009 /
 
Igen, azzal magam is tisztában vagyok, hogy minden megoldható.

Az pedig, hogy valami megéri-e a fáradtságot, illetve mennyire lesz megbízható, csak a konkrét megoldási javaslat ismeretében lehet megmondani...

S
(#) zetyere hozzászólása Dec 27, 2009 /
 
Sziasztok!

Még a nyáron kicseréltem a peugeot 405-ben a műszerfalat a 2. szériásra. Mindent betudtam kötni úgy hogy tökéletesen működjön kivéve a hőmérőt! Mindig kevesebbet mutat! Gombát is cseréltem de ugyanaz az eredmény. Van valami ötletek? Kössek esetleg párhuzamosan egy ellenállást a gombára? üdv Ottó
(#) sufni-tunning válasza sangp hozzászólására (») Dec 27, 2009 /
 
Minek ilyennel küszködni.
Az új autókban már van ilyen. Úgy hívják közelítőkulcsos, vagy közelítőkártyás.
Az igaz az új autó nem olcsó, de nem is kell vele bajlódni.

Az ajtónyitász is meg lehet oldani, meg az indítást is.
Ha komolyabban érdekel a dolog írj PM-et, vagy hívj, ha Pécsre el tudsz jönni.
(#) potyo válasza sufni-tunning hozzászólására (») Dec 27, 2009 /
 
Idézet:
„Minek ilyennel küszködni.”


Ha így állunk hozzá, akkor minek ez az egész oldal, hiszen mindent meg lehet a boltban venni...
(#) richie22 hozzászólása Dec 27, 2009 /
 
én olyat szeretnék kérdezni hogy őő hogyan lehet meg csinálni F-es astra első lámpájába a stroboszkópot?és hogy mi kell hozá? köszönöm előre is a segítséget!
(#) Krisz03 válasza richie22 hozzászólására (») Dec 27, 2009 /
 
Sehogyan, mivel szabálytalan, és zavarod vele a többi szabályosan közlekedőt. Láttam már olyat, aki forgalomban is használta, mert attól milyen vagánynak látszik.
(#) richie22 hozzászólása Dec 27, 2009 /
 
hát ez teljesen igaz végül is elég zavaró mások számára, azért köszönöm
(#) izsakig válasza richie22 hozzászólására (») Dec 27, 2009 /
 
De ha mégis szeretnél úgymond zártpályás használatra, lehet kapni boltban. Én amit tennék fel, azt Vaterán láttam, 6 LED-es lámpa, nem stroboszkóp, de villogó elektronikával. 2 lámpa, tudnak egyszerre és felváltva villogni. Sötétben dizájnos, és ez nem is annyira zavaró. De ez csak egy ötlet volt.
(#) sangp válasza potyo hozzászólására (») Dec 27, 2009 /
 
A számból vetted ki a szót (a kezemből vetted ki a billentyűt...).

Bár még nem számoltam utána, de valószínűleg egy itthoni megoldás olcsóbban kijön, mint egy új autó és annyival nem feltétlenül bonyolultabb...

A másik pedig az építés öröme, a heroikus küzdelem az elektronokkal és alkatrészekkel, ami után olyan jó örülni az elkészült munkadarabnak.

Kedves Sufni-tuning!

Ha van megoldásod a kérdésemre, légy szíves tedd közzé, hadd tanulhassunk, okulhassunk. Köszi!

Üdv:
S

(#) Dani494 hozzászólása Dec 27, 2009 /
 
Sziasztok!
Meg tudnátok mondani hogy milyen motor van a hűtőventilátorban?3 vezeték jön ki belőle.
(#) potyo válasza Dani494 hozzászólására (») Dec 27, 2009 /
 
Szerintem két fokozata van, azért van három vezeték. Amúgy vagy soros vagy párhuzamos gerjesztésű, a feladathoz mindkettő megfelel.
(#) Atis57 válasza potyo hozzászólására (») Dec 27, 2009 /
 
Szia!
eddig csak sors gerjsztésűt --valamint állandómágneset láttam belőle.
ha 3 vezetékes akkor inkább a PM es lessz.....
de egy telos fénykép sokat segithetne NEKED is...
(#) akos70 válasza Dani494 hozzászólására (») Dec 27, 2009 /
 
A 3. vezeték vagy egy ellenálláson keresztül vezet a pozitiv keféhez, vagy egy harmadik keféhez megy, ami a lassabb fokozatot biztositja.
(#) sufni-tunning válasza sangp hozzászólására (») Dec 28, 2009 /
 
Megoldás van, ha az ajtónyitásos kérdésről van szó.

Láttam az egyik barátom kocsijában (hozzáteszem nekem volt túl meggyőző a megoldás) az ajtónyitó kilicshez egy kp zár motor, ez húzta a belső nyitó rudazatát. Valószínűleg egy elektronika is lehetett benne, vagy csak próbálkozás volt, mert azt nem találtuk, de valamilyen formában a motort vissza is kell huzatni, hogy az ajtó csukható legyen.

A másik variáció egyszerűbb.
Létezik egy úgynevezett csomagtér szenzor, ezt be lehet kötni a rudazatra, és központizár vezérléssel működtetni. (kiriasztáskor nyitja az ajtót, esetleg ha van külön funkciója a távkapcsolónak, akkor arra lehet kötni.

Szóba jöhet még a behúzótekercs is, az is úgy viselkedik, mint a csomagtérszenzor, ami nem más, mint egy elektromágnes, ha kap áramot, behúz, ha nem elenged és a benne lévő rugó visszaállítja alaphelyzetbe. Az elektronika itt is lehet kp záré lehet.
(#) sufni-tunning válasza potyo hozzászólására (») Dec 28, 2009 /
 
Tovább is olvastad?
Akkor észre vehetted volna, hogy nem komoly.

Ráadásul olyan egyszerű a megoldás (szerintem, bár biztos vannak olyanok akiknek ez nem biztos, hogy kézenfekvő).
És nem véletlen raktam utána a "sörözős" smile-kat sem.
(#) sufni-tunning válasza Dani494 hozzászólására (») Dec 28, 2009 /
 
A harmadik vezeték nem lehet egy fordulat jel, hogy mennyire forog, és ehhez viszonyítva állítja a gép a hőmérséklet függvényében a fordulatot?

Ez csak egy kósza kérdés, ha hülyeség írjátok meg, ne maradjak a rossz tudatban.
(#) potyo válasza sufni-tunning hozzászólására (») Dec 28, 2009 /
 
Elvileg lehetne ilyen, de nem szokott. Inkább van néhány (két) fix fordulat és azok közül kapcsol.
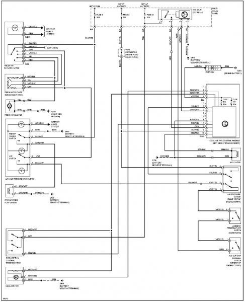
(#) aflmor válasza potyo hozzászólására (») Dec 28, 2009 /
 
Bal alsó sarok. Pl. Golf4, lehet fordszámvezérlés

Golf_IV.jpg
    
(#) akos70 válasza aflmor hozzászólására (») Dec 28, 2009 /
 
Egy beépitett ellenállásnak tünik a lassu fokozathoz. (lásd 588740)
De nevezhetjük fordulatszámvezérlésnek is.
(#) Csabi626 hozzászólása Dec 28, 2009 /
 
Sziasztok!
Még új vagyok itt, és lehet hogy valahol tárgyaltátok már az általam felvetett kérdést, de én nem találtam, ezért megkérdrzném.
Szóval arra lennék kíváncsi, hogy egy ismerősöm egy kamerás felvevőrendszert épített az autójába, ami folyamatosan rögzíti az autó körül történő dolgokat, illetve csak rögzítené, mert nem nagyon bírja az indításkor fellépő feszültségesést
Én hirtelen azt javasoltam neki, hogy kössön a nagy akksival párhuzamosan egy kissebbet, amiről a felvevőrendszere megy, és a két akkumulátor közé meg tegyen egy diódát olyan irányban, hogy az autó hálózata tölthesse a kis akksit, de indítózáskor ne tudja azt "megszívni" az autó hálózata.
Van e valakinek ezzel kapcsolatos tapasztalata, illetve tudtok e egyszerű, és bevált megoldást a fenti problémára?

Köszi : Csabi
(#) potyo válasza Csabi626 hozzászólására (») Dec 28, 2009 /
 
Itt van a neked való téma: Link
(#) gery12 hozzászólása Jan 11, 2010 /
 
Sziasztok!
Egy 1,5Voltos elemről működő kijelzőt szeretnék (stabil) 5V-ról működtetni (USB).
Egy ellenállás segítségével megoldható az átalakítás? Mekkora kellene?
Következő: »»   33 / 349
Bejelentkezés

Belépés

Hirdetés
XDT.hu
Az oldalon sütiket használunk a helyes működéshez. Bővebb információt az adatvédelmi szabályzatban olvashatsz. Megértettem