Fórum témák

» Több friss téma
Fórum » Csöves erősítő készítése
 
Témaindító: seedz, idő: Márc 31, 2006
Témakörök:
Ne feledd betartani a fórum viselkedési szabályait, és a topik megmaradásának feltételeit. [link]
A téma átmenetileg fagyasztva lett, hozzászólni nem tudsz!
Lapozás: OK   864 / 2208
(#) mark.budai hozzászólása Jan 10, 2010
Lenne egy kérdésem, a hozzáértőkhöz! Lerajzoltam, amire gondolok, a rajzban annyi hiba van, hogy a végén, a tetródák segédrácsát összekötöttem, ezt külön ellenállással kéne a tápra, vagy anódra húzni.. Az ellenállásértékeket, kapacitásokat nem figyeltem, csak pakoltam őket. 5 perc alatt rajzoltam, olyan is. A 12AT7 helyett PCL84 triódái, KT88 helyett a tetródái/pentódái lennének (két PCL84). Nem tudom, mekkora feszt lehetne leszedni a pentódák anódjáról, pentódába, és triódába kötve, torzítás nélkül, illetve milyen hangja lehet a PCL84-nek.
(#) hapro válasza Moszkvai hozzászólására (») Jan 10, 2010
Tán már megépítette Gubán Gábor koma a végfokát, és elhallgatta előlünk?
(#) djhans válasza hapro hozzászólására (») Jan 10, 2010
Jó kis erőmű. Azok higanyos egyenirányítók amik az áramfelvételnek megfelelően villognak?
(#) Moszkvai válasza hapro hozzászólására (») Jan 10, 2010
De lebukott! A kémhálózat még működik! :photo:
(#) DuMatyi válasza djhans hozzászólására (») Jan 10, 2010
Az egyenirányítók Hapro AV760C-jében villognak... az első bekapcsolásig!
(#) Doncso válasza Moszkvai hozzászólására (») Jan 11, 2010
Nekem nagyon tatszik, de miért kékek azok a csövek ha odacsavarja neki?
Üdv.
(#) llaci56 válasza Doncso hozzászólására (») Jan 11, 2010
Az, hogy kék, mlg haggyán... De milyen idegesítő lehet, hogy villognak!?
(#) rockersrac válasza Doncso hozzászólására (») Jan 11, 2010
Azért,mert higanyos egyenirányító csövikről van szó,amik a telljesítmény felvétel függvényében hol jobban,hol kevésbé ,, villognak "! Én ennyit tudok mondani,remélhetőleg nem túl nagy hülyeség amit írtam!
(#) rockersrac válasza rockersrac hozzászólására (») Jan 11, 2010
Bővebben: Higanygőz egyen irányítók itt egy kis informácsió,remélem segít valamelyest!
(#) klemo86 válasza Doncso hozzászólására (») Jan 11, 2010
A higany gőze kék színt produkál, ahogy a neonnal töltött nixicsövek narancssárgát, az argonnal töltött plazmacsövek és dekatronok pedig lilát Én is gondolkodtam higanyos egyenirányítón, de az olyan csővel néz ki jól, mint itt a belinkelt videón is van, ahol szinte fehéren világítanak a végek, ahogy itt is
(#) mark.budai válasza llaci56 hozzászólására (») Jan 11, 2010
Én raknék ilyet egy erősítőmbe, nem is kéne kivezjelző, ez tényleg bevilágítaná a szobát! Nincs belőlük olyan, ami már kisebb áramnál (200mA körül) is rendesen világítanak? Azt olvastam, jó hosszú az élettartamuk, mennyibe kerülhetnek?
(#) klemo86 válasza mark.budai hozzászólására (») Jan 11, 2010
Olcsóbbak, mint a "hagyományos", viszont kicsik nem nagyon vannak, mivel ipari célokat szolgáltak ezek a csövek… Próbálkozz a 866B-vel
(#) Doncso hozzászólása Jan 11, 2010
Oké, köszi mindenkinek az infót.
(#) mark.budai válasza klemo86 hozzászólására (») Jan 11, 2010
Köszi, hogy írod, azt hittem, igen drágák ezek a csövek. Amit linkeltél a 602152-es hozzászólásodban, az a kék fény igen tetszik. Főleg, ha villog is, látszik, hogy van élet a csövekben, a fűtésen kívül is. Ráadásul meg lehet saccolni az áramfelvételt is, ha korábban már mérted, hol, mennyire világít. SE-ben meg folyamatosan ugyan akkora fényereje van ugye..
(#) mark.budai hozzászólása Jan 11, 2010
Az előbbit nem tudom módosítani. Mit szóltok az előző oldalon felvetett kérdésemhez? Működne így egy meghajtófokozat, és mekkora jelet lehetne levenni róla, (pl. 775mV-tal a bemeneten.) Nekem nem fontos most, ne vegyétek türelmetlenkedésnek, de később lehet, hogy valakinek jól jön, és hátha átsiklotok felette. Nem sorolnám fel, kinek örülnék, ha vetne rá egy pillantást, még valakit kihagyok.
(#) Imi65 válasza mark.budai hozzászólására (») Jan 11, 2010
Márk, a fázisfordítónak így nem állíthatod be a munkapontját. Vagy R10 elmarad, és akkor egyenáramúlag csatolod az előző fokozathoz, vagy saját katódellenállást használsz (ami nem azonos a munkaellenállással).
(#) fleta hozzászólása Jan 11, 2010
Barna Úr melyik legyen?
(#) DuMatyi válasza klemo86 hozzászólására (») Jan 11, 2010
Ampikémmel azt beszéltük, hogy mi bizony nem használnánk ilyeneket, mert rendes százalékban sugározza az UV tartományt is, megvakulni pedig nem szeretnénk.
(#) Ricsi89 válasza DuMatyi hozzászólására (») Jan 11, 2010
Akkor ha UV is jön belőle, akkor zenehallgatás közben nyákot is tudsz vele levilágítani.
(#) rockersrac hozzászólása Jan 11, 2010
Ha már egyen csövek akkor tessé, itt van EZ!
(#) klemo86 válasza mark.budai hozzászólására (») Jan 11, 2010
Ja, remélem láttad a képet a teljes kóceráyról
Egy férfi szobája:
1. szekrény: öltönyök, kabátok, az aljában cipők
2. szekrény: a "többi" ruha
3. szekrény: enyhén industriál jellegű csöves erősítő, mint ez

DSC_0831.jpg
    
(#) _ampervadasz_ válasza mark.budai hozzászólására (») Jan 11, 2010
Üdv mindenkinek.

Amikor megláttam ezeket a villódzó csöveket, nekem is nagyon megtetszettek.

Gyorsan meg is kérdeztem Matyi fórumtárst, hogy milyen nemesgázzal töltik az ilyen csöveket.
Ekkor mondta nekem, hogy azok higanygőz egyenirányítók.
Ekkor jutott eszembe hogy ez igen veszélyes játék(persze azért rákérdeztem, megerősítésképp)!
Az a nagy helyzet sajnos, hogy a higanyőz atomokba csapódó elektronok hatására, fotont szabadít fel. Ezt érzékeled kék fényként, és most jön a lényeg, igen káros UV B főleg C spektrumban sugároz, ezért gyárilag kap egy "kupakot is" (mint pl a régi csöves tv dobváltó kapcsolóján lévő két kis cső, igaz az csak árnyékolást szolgál).
A dolog onnan jutott eszembe, hogy a fénycső működési alapját is a higany képezi. Ott a foton a foszforba beleverődik, és az fényt kezd emittálni, illetve, mivel a cső fala kvarcüveg, jelentősen megszűri az UV fény valamennyi spektrumát.

Csak annyit szerettem volna mondani, hogy óvatosan kell ezekkel a " alternatív varázsszemekkel" bánni.

Esetleg egy foto lakkal mindenképp ellenzőid a cső UV kibocsátását, de a legbiztosabb egy széttört Hlgi lámpa foszfora jelentheti, mert más-más szint kezd el emittálni az UV spektrumaira (ezt véletlenül simpi kollégától tudom. ).
(#) klemo86 válasza _ampervadasz_ hozzászólására (») Jan 11, 2010
Vagy egy üvegfal mögé tenni, amin spec. UV szűrő van (nem a hétköznapi UV szűrős üveg).
(#) _ampervadasz_ válasza klemo86 hozzászólására (») Jan 11, 2010
Kérdés, az mennyire képes megszűrni.
(#) s.sanyi hozzászólása Jan 11, 2010
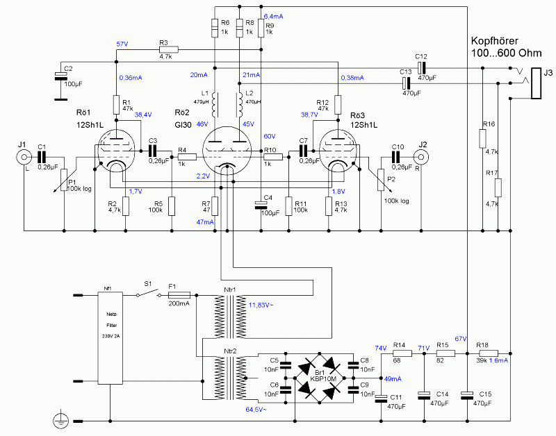
sziasztok.Hozzájutottam 4 db 12 ZS 1L csőhöz ezeket mire lehet használni? Katonai hulladéktelepen találtam őket.
(#) mark.budai válasza Imi65 hozzászólására (») Jan 11, 2010
Szóval az 5K alá kéne még egy ellenállás, ami beállítja a munkapontját a csőnek, és hidegítve van?
Ampi, kár, jó lett volna ilyennel egyenirányítani. De akkor az elektroncso.hu-n levő 300B-vel mi van? Az is sugároz, aztán nem is hallgatják, vagy nem érdeki az építőt?
Klemo, ez durva, nekem is kell egy ilyen szekrény! Akkor meg nem világítana kéken szerintem, ha megszűri az UV-t, amit kéknek látunk.
(#) klemo86 válasza s.sanyi hozzászólására (») Jan 11, 2010
Én füleserősítőt építettem belőlük, amit nemsokára olyan állapotba hozok, hogy fel is tudjam ide tenni Csak én újakat tettem bele…
(#) DuMatyi válasza mark.budai hozzászólására (») Jan 11, 2010
Az UV nem kék. Ultra Violet azaz ibolyán túli. A szem körülbelül a 390-780 nm-es hullámhosszakat érzékeli, az az alattit és az afelettit nem. <390 nm UV amit nem látsz, >780nm, ami infravörös, azaz vörösön inneni.
(#) DuMatyi válasza klemo86 hozzászólására (») Jan 11, 2010
A kapcsolás jópofa és pofonegyszerűnek tűnik.
(#) mark.budai válasza DuMatyi hozzászólására (») Jan 11, 2010
Oké, hogy nem kék, de akkor miért látod annak a fényt a csőben? Vagy a kék szín mellett bocsájt ki UV-t is?
Következő: »»   864 / 2208
Bejelentkezés

Belépés

Hirdetés
XDT.hu
Az oldalon sütiket használunk a helyes működéshez. Bővebb információt az adatvédelmi szabályzatban olvashatsz. Megértettem