Fórum témák
» Több friss téma |
Tehát akkor a 7294 is biztosan párhuzamosítható. Így első ránézésre az tűnik fel, hogy a 7294-en nincs külön Buffer Driver és gondolom emiatt kell minden IC bemenetére jelet kapcsolni, míg a 93-nál csak a master IC-be kell jelet bevezetni. A kimenet is csak a master IC-nél van visszacsatolva a 93-nál. Ez lehet, hogy butaság, de mintha a kimeneten lévő visszacsatolás határozná meg a nyílt hurkú erősítést, vagyis hogy a cuccnak hányszoros az erősítése. Elviekben az én párhuzamosított 7293-nál 33x-os. És ez egyetlen 330k - 10 k ellenállás kombinációja, itt meg minden IC-nél van egy visszacsatoló ellenállás. Az nem okoz gondot, ha valamelyik teszem fel 10x, a másik 9,5x az erősítése az ellenállások pontatlansága miatt? Vagy nagyon sötétben tapogatózok
?
Hello. Kezdő vagyok. Olyat lehetne hogy a "tda" nevű kép alapján hajtom meg a TDA7294-et és a .pdf szerint pedig párhuzamosítom a kimeneteket? Egyébként miért kell oda a 0,33 ohmos ellenállás? és hány W os kell oda?
Jól gondolkozol. Mindenféleképpen lesz a végfokozatok kimenetei között valamekkora különbség, még ha 0.1%-os ellenállásokkal van megépítve, akkor is. Nem lehet két TDA7294 ugyanolyan, itt jön képbe a gyártási szórás. Ennek kiküszöbölésére vannak az ellenállások a kimenetekkel sorban. Így ha van egy kis különbség két kimenet között, akkor az gyorsan hővé disszipálódik a teljesítményellenálláson, és marad a kimenő áram majdnem duplája! Üdv!
Hihetetlen de az én két végfok ic-m nek pedig fordítva adtam tápot és semmi baja se lett. De miért azt nem tudom.
Lehet ,hogy fejre állítva tartottad , és megkeveredett
Lehet
Nekem is csak arról esett le, hogy baj van mikor megmértem a puffereket és 2 másodperc alatt leesett a tápfesz 0-ra. 120ezer mikronak azért egy kicsit tovább kell bírnia. Persze akkor nem volt rajta hangszóró. Szerencsére
Igen, azt tudtam, hogy azok a teljesítmény ellenállások arra vannak kitalálva. Én nem terveztem rá a nyákomra, de így is szuper kis végfok lett, viszont 94-nél már nem merném anélkül.
Egy kicsit még belekotyognék, csak annyival, hogy a viszacsatolt végfokozatoknak a közepes frekvenciákon csak pár mili ohm a kimeneten mérhető belső ellenállásuk. Tehát ha akármi pici, pár milivoltos feszültség különbség van a kimenetükön, arra mindjárt 10A-rel válaszolnak - ha hagyjuk, de nem hagyjuk mert azokkal az ellenállásokkal felemeljük a kimenő impedanciát.
Nekem egy darab ellenállás sincs ott, a 2 IC kimenete egy az egyben közösítve van és semmi gond nincs vele. Szerintem nem hiába ajánlja a gyári adatlap a 7293-at párhuzamos üzemre, a 94-ről hallgat, azzal is megoldható, de ott nem biztos, hogy ellenállások nélkül ilyen szépen menne.
Nagy mázlid volt az bisztos.A puffereknek sem tesz jót a forditot polaritás(már láttam kondit szétlöni a tetejét
).Az izzó nem világitot?Vagy nem használsz izzót élesztéskor?
Ez úgy volt, hogy a pufferek után egy csokiba kötöttem be fordítva a tápfeszt. Tehát a pufferek azok még jó polaritást kaptak csak a panelok nem.
így utólag belegondolva szerencse ,hogy nem robbant fel pár kondi :no:
Előző oldalon egy rövidzárvédelem kifejlesztése lett volna a cél. Itt van egy példakapcsolás, elég hasonló a működése, mint ami kellene a TDA7293-hoz. Üdv!
Üdv!
Erre a nyákra lenne szükségem: Link valaki esetleg profimód el tuná készíteni nekem, priviben a többit megbeszélnénk. Köszi!
Látom, tehát a végfok kimenetén van egy 0,22 Ohm huzalellenállás, és az én elméletem: rövidzárlat esetén ennek az ellenállásnak a lábain megnő a feszültség, és ez működésbe hozza a tranzisztort, amiből megy tovább a jel valami - talán invertáló - kapcsolásba (ott alul), illetve mellette lehetőség van "manuális" némításra is. A lényeg az, hogy a megnövekedett feszültség működésbe hozza a némítást végző tranyókat. Ha ez tényleg így van, tehát az ellenálláson lévő fesztől függ a dolog, akkor:
Az értékeket úgy kell megválasztani, hogy a legnagyobb hangerő mellett se essen akkora feszültség, ami beindítja a némítást végző tranzisztort. Másrészt, mi az a minimális feszültség, aminek a 0,22 Ohm ellenállás lábain kell lennie ahhoz, hogy beinduljon a némítás. Vagyis a rövidzárlathoz tartozik egy minimális feszültség, ami kell ahhoz, hogy némítást okozzon. Ez legyen, teszem fel 1V. És mi történik, ha kimeneten a legerősebb jel 0,8V, és kap egy rövidzárlatot.... Most kíváncsi lennék, mi a valóság, mert ez csak az én belekotyogásom Üdv!
Ott van a nyálterv. Vagy arra gondolsz, hogy valaki marassa ki neked? Szerintem az pénzkidobás. Sima lyukraszteres nyákra összelapátolod az alaktrészeket, és ha elég igényesen dolgoztál, akkor pár évig működőképes lesz
Igazából ezen filóztam, de vannak benne hibák:
Minél nagyobb az erősítő kimenőteljesítménye, annál nagyobb feszültséget lehet mérni az ellenálláson. Ha ez 0.6V körül van, már simán ki tud nyitni egy tranzisztort. Ki kellene számolni (mérni), hogy maximális kimenő teljesítményen hány V jöhet ki a végfokból, utána egy feszültségosztást kell számolni. 0.22ohm és 4ohm az osztó tagjai: Terhelt feszültségosztó számítás . Ha jól sejtem. Másik lehetőség, hogy az átfolyó áram feszültséget ejt az ellenálláson, és ez arányos a nagyságával. Tehát nagy áram esetén nagy feszültséget ejt. Erre már nem tudok számolási módot mutatni... Ha megépül a kapcsolás, akkor lehetne a védelmi áramkörnek egy kapcsolója, amivel ki lehetne választani, hogy 4ohm, 8ohm-os hangszóró van a végfokon, és annak megfelelően kapcsolna le, mivel az átfolyó áram függ a terhelőimpedanciától. Engem is érdekel a téma, de ennél többet sajnos nem hiszem, hogy tudok segíteni... (lehet, hogy hü*séget írtam...) Esetleg a kapcsolás leszimulálása segítene a megértésben, de nekem Tinával gondjaim gyűltek...
Ebből kiindulva kicsit gondolkodtam, és arra jutottam, hogy nem biztos, hogy ez a 0,6V nyitófesz megengedhető. Mert végső soron zárlatkor elméletileg ekkora feszültségre is végtelen áram jönne ki.
Az ötletem a következő: 2 helyen kellene összehasonlítani a feszültségeket. - Az egyik egy 0,1 Ohm ellenállás a végfok kimenetén, és ezen ellenállás 2 lábán - A másik pedig maga a kimenet és a föld között A komparátor kimenetén magas szint jönne ki, akár már alacsony terhelőimpedancia, mondjuk 2 Ohm esetén is. (csak a megfelelő értéket kell kiszámolni). A feszültségek arányait vizsgálnánk, így akár 100mV melletti rövidzárlatra is reagálna. Így teljesen mindegy lenne, hány Ohm a hangszóró, lehet 4-8-16 stb... Másrészt a nagy hangerő sem tudna bezavarni. A komparátorból kijövő magas szint pedig átbillentene valamit (nem relét) ami folyamatos némításban tartaná az erőlködőt. (persze ez csak egy elmélet, fogalmam sincs, megoldható-e így) Szerintetek működhet ?
Sziasztok
(Jelezném amatör vagyok!) Tda7294 -es erősítő kapcsolást megépítettem. Tápegységet szeretnék hozzá Egyutas egyenirányításal Ha valaki tudna az erősítőnek megfelelő tápegység kapcsolást Egyutas egyenirányítás légyszíves segítsen. 12 / 24v-os 130w trafóm van , ez jó-e hozzá ? Köszönöm
Mit értesz egyutas alatt? Tápáganként 1-1 diódát? Milyen trafód van hozzá? Milyen a szekunder oldala? Az IC-nek mindenképpen +/- szimmetrikus táp kell. Csináld inkább 10A-es Graetz-el.
Na most megfogtál a kérdéseidel.
A trafón 3 száll kivezetés van 0,12,24 volt Sima trafó nem troid az erősítőhoz pedig kell GND (a trafón pedig nincs)
Ez pont jó.A középső a gnd a két szélső lesz a kb +-16volt egyenirányítva.De a tda7294-eshez nemelég.
Kedves zsa! Ez a trafó jó lenne, de!!!
Nagyon kicsi lesz a teljesítmény. A táphoz kell egy greatz hidas egyenirányítás ahol a sorba kötött két tekercs két végére kötöd a greatz azon pontjait ahol a két váltó jel van. A plusz pontra kötöd ez egyik 4700mikró táp szűrő kondi pozitívját a negatívat a másik kondi pozitívjára és a két tekercs közösére ez a pont lesz a általad keresett GND a második kondi negatívját a greatz mínusz jelére kötöd. Már meg is van +/- -s táp. Minimumm 40V-s 3-4A-s egyenirányítót és kondit kell használnod. Így meg lesz a tápod de mivel kicsi lesz az értéke, kicsit is fog szólni. Mivel még kezdő vagy, a beüzemeléshez mindenképpen kérd gyakorlottabb, hozzáértő segítségét!!! Az erősítő paneljét sem ártana ellenőrizni, mert gondolom nem akarsz naponta több végfokot vásárolni az elszállt helyett. Üdv.
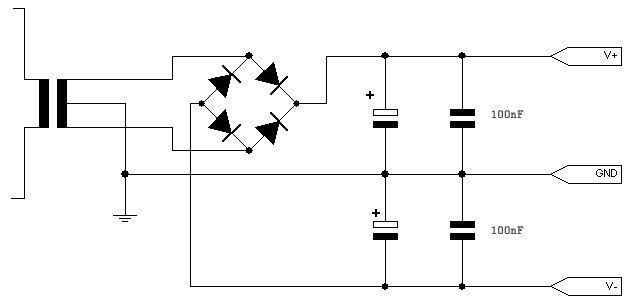
Kb így ahogy leírták.
De egy kép többet mond. Az elkók nagyobb feszültségűek legyenek mint a tápfesz lesz. A te esetedben : 12V*1.41 = 16.92 V Azaz 25 voltos kondik kellenek. 4700µF/25V , a kisebb kondik 100nF fólia.
Üdv mindenkinek!
Én szeretnék épiteni egy TDA7294-es fégfokot és tudok hozzá szerezni elég jó áron trafót ami 2x30V 150W ez a trafó megfelelne egy ilyen erősitőnek? A válaszokat előre is köszönöm! demcar
Sztereónak szerintem kevés a 150watt. Egy oldalnak elég, de a sztereónak inkább 250wattos kéne.
Kösz a gyors választ!
Nekem csak egy oldal lesz tehát mono mert csak egy subbládához lesz.
Akkor szerintem elég lesz hozzá. Ha szubhoz lesz akkor a pufferekkel ne spórolj.
Én a 200 Wattos monoblokkomba pakoltam 2 x 50.000 µF-ot,és én is 30 Volttal hajtom.
|
Bejelentkezés
Hirdetés |





? 
).Az izzó nem világitot?Vagy nem használsz izzót élesztéskor?





