Fórum témák
» Több friss téma |
Egy darab szimpla csatornához elegendő lesz a 150W-os rtafó. a 2x30V pufferelve kb +/-41V lesz, ami szintén jó hozzá. Tápáganként 10.000 µF lenne kb az optimális puffer.
Hello!
Szerintetek hangzásilag nagyon nagy különbség van a TDA7294 1 IC-s és a hidalt verzió között? És itt nem csak a hangerőre gondolok hanem hogy kis hangerőn is tisztább, és erőteljesebb a hidalt verzió?
Nekem van ilyen is-olyan is. Nincs túl jelentős különbség a kettő hangja között. Bár nálam más-más előfokkal vannak megépítve. Akkor érdemes hidat csinálni, ha hangosítási célra kell. Otthonra szerintem nem indokolt.
Kösz a segítséget, nekem itthoni hangrendszerre lesz (csatolt kép) megépítve egy sztereó illetve egy mono (subláda) példány, de akkor felesleges fejleszteni ha nincs hangzásbeli különbség, ezekre meg nem kell 3×200W.
Hali mindenkinek
Valami hasonlót akarok épiteni csak 2 x stereot mester szolga kapcsolatban és egy monot subnak. ugye ez igy 5.1 Ehez valami kiindulást tudnátok adni. Mindezt van egy kiszuperált házimozim CD DVD és USB meg kijelző is faint rajta. ezt kéne valahogy összehozni Ez lehetséges?? Kapcsolási rajzot tudnátok küldeni ? A táp ehhez mekkora legyen? Remélem nem hagytam ki semmit.Köszi előre a válaszokat. Üdv.: Tibi
Hello!
Először is annyit mondj nekünk hogy milyen teljesítményt szeretnél és hogy milyen teljesítményű hangszóróid vannak. Egy kép is jól jöhet róluk. És ehhez kell méretezni az erősítő teljesítményért, mert teljesen felesleges megcsinálnod 6×100W os erősítőt ha az 10%-on lenne maximum használva. Én az 5 magashoz ajánlok TDA2030-as erősítőt (értelem szerűen 5db), a sub-hoz pedig méretétől függően 1 IC-s vagy hidalt TDA7294 (1db)
Így van! Két sztereó meg egy szub az még nem 5.1
2030 helyett, esetleg 2050 is lehet, ez egy kicsit magasabb tápfeszt is elbír. A 7294 híd, talán egy kicsit túlzás egy otthoni cucchoz, de ha nem fontos hogy spóroljunk a tápon, akkor miért ne
A hidalt , ha betarod a játékszabályt _főleg csúcsáramra_ sokkal jobb.
Atomatice add egy megoldást a jelföld, kimenő föld elválasztására.
Viszont csak földfüggetlen hangszóróvédő áramkört tehetsz rá, ha arra egyáltalán szükség van.
Hello,
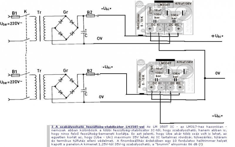
TDA7294 alapú erősítőt építettem és van egy kérdésem. A tápegységem egyenirányítás után +/- 58 voltot kapok. (Ha jól tudom akkor ez sok a TDA-nak). A kérdésem hogy a legegyszerűbben (a trafó tekercs megbontása nélkul) hogy tudom a feszultséget leszabályozni használható tartományba?
Sem a stabilizált feszültség nem jó , sem a 3A nem elég.
Ha nem akarsz trafót szétszedni , akkor el kell adni , és olyant venni amire szükség van. Van olyan akinek épp ilyen kell.
Bocs, de valami nem világos: a 3A neked honnan jött?
Tegyuk fel hogy akkor mégis megbontom a toroid trafót, de mivel toroid fogalmam sincs hogy mit hogyan mennyire tekerjek vissza, esetleg ötlet?
Ezzel tényleg müködik?Mert nekem is van 3 toroidom,amik 500 VA-ert tudnak,de +- 60 volt egyennel.A TDA7294 nek meg olyan 4o-45 Volt a felsö határa ha jol tudom.Szimmetrikus táppal is müködik?
Én biztosan nem használnám ezt a megoldást. Ugyan az van az adatlapban, hogy a ki és bemenet között maximum 35V különbség lehet, de szerintem az LM350-ben sincs túlságosan túlméretezve feszültségre a disszipáló tranzisztor. 60V már simán árthatna neki. Akkor inkább vegyél egy bika tranzisztort, annak a bázisába rakj 40V-nyi zenert, rakd egy nagy hűtőbordára, és kész. Csak így éppen annyit fog elfűteni az egész cucc, mint amennyi kimegy a hangszórókra kb
Miért nem építesz hozzá másfajta erősítőt? Nem csak TDA7294 létezik... 60V-os VF2, stb...
A hangfalba szoktam rakni védelmet. 1 ellenálás 1 kondi, 1SBS és egy 25Amperes Triac. 9-12V dc-re begyújt a Triac. Amig jön a delej addig úgy marad.
Ha már Dc jön az erősitő úgyis csicska, kimegy a biztositék, de magmarad a hanszoró. A koppanásra nem védd, még mielöt a szememre vetted
Tekerj rá a toroidra 10 menetet így, ahogyan most van. Utána tedd rá a 230-t és mérd meg mennyi jön a 10 meneteden. Ebből máris tudsz számolni.
3A a kivehető max áram abból a tápból. LM350T nézd meg az adatlapját.
Eddig szó sem volt arról ,hogy toroid. Nem csak toroid trafó van a világon! Toroidról nagyon egyszerű visszatekerni , pár menetet. Akár rögtön meg lehet mérni , mennyi lett a fesz. Egy EI magos trafónál ezt csak akkor ha teljesen össze van rakva.Én egy vetélőfát (olyan mint a szövőszék) szoktam használni. Arra van feltekerve a szekunder vezeték. ,és csak át kell bujtatni. A visszaszigeteléshez többféle anyagot lehet használni. Pl jó a köpper szalag , meg az eredetiből biztosan sikerül menteni valamennyit. A kivezetéseket az eredeti minta szerint készítsed. És ha már tekergetsz akkor minden tekercsvéget vezess ki, mert úgy sokkal jobb tápot tudsz építeni. Bővebben: Link Ha kell szívesen segítetek a trafó tekergetésben , akár e-mailben is vagy van egy toridos téma itt a HE-n.
Hali!
Ez a triakos védelem érdekelne. Olyasmi mint az eredeti Quad 405 védőáramköre? Tennél fel egy rajzot róla? Köszi.
Nemcsak a Quad használja Peavey CS 400, CS 800-ba is ez van. Ez útobikban kicsi a Triac, (8A) mert akciótól megdöglik.
Az is segiti a túlélést hogy van még a hangfalkábel Régebben gyártogattam, és akinek egyszer széné égett a hangszorója az vett Nem tudom, hogy lehet rajzolni a PC-vel, de a Quadba megnézheted.
Szia!
Sajnos az elektronikához nem értek annyira,Erröl az erösítöröl volt kapcsolási és NYÁK rajz,ezalapján már csak münyomó papír kellett,meg egy vasaló.Sajnos nem értek a NYÁK tervezéshez.Általában csak kapcsolási rajzot tesznek fel,amihez meg van NYÁK,ahhoz meg tul nagy a +- 60 Voltos tápfesz,illetve olyan erösítöt nem nagyon találok,ami ilyen egyszerü,és ilyen jol szól mint a "hidas" TDA7294 -es.Aki esetleg tud olyan kapcsolást,NYÁK rajzzal,ami min 200 max 4-450 Wattos,és +- 60-70 Volt tápfesz kell,kérem írjon. Köszönöm szépen elöre is,üdv.:Laci.
Üdv mindenkinek!
Megépitettem a TDA7294-es végfokot és nem megy! Azt csinálja hogyha bekapcsolom akkor semmi és amikor kikapcsolom akkor egy másodpercre bezúg a hangszóró. Mit ronthattam el?
A lehetőségek sora végtelen...
Kép? Stb?
teszek fel róla mindent de majd csak holnap délután mert már késő van
Mute?
Milyen nyákot csináltál hozzá? Milyen tápról próbáltad?Dobj egy linket, vagy képet!
Teszek fel képeket hogy hogy is néz ki.
A nyákot http://www.hobbielektronika.hu/forum/files/53/53a2c2e1818d46fb11d3f...bc.jpg e szerint csináltam. A táp pedig hát +-42v de csak először +-12V al próbáltam.
Az ic-t el kell szigetelni a bordától , mert könnyen kidurranhat így.
:gun:
Nekem sincs szigetelve, sőt, mondok jobbat, a két oldal bordái is össze vannak kötve, így működik gond nélkül immár 5 éve. Persze 14 éves fejjel nem gondoltam ilyesmire, most meg már úgy vagyok vele, eddig nem volt vele gond, most azért nem szedem szét. Érdekes hogy így csak ez az egy, de igen jelentős földhurok van benne, mégsem búg egyáltalán.
Ez a Pedró-féle nyák. Ha jól raktad össze, akkor működnie kell. A mute-kapcsoló helyén összezártad a forrpontokat? Az alkatrész oldalról nem látom hogy össze lenne zárva.
A +/- 42V jó lesz neki, de csak 8 Ohm-mal terheld, bár a szimpla jobban bírja a 4 Ohm-ot mint a hidalt. |
Bejelentkezés
Hirdetés |





Ehez valami kiindulást tudnátok adni. Mindezt van egy kiszuperált házimozim CD DVD és USB meg kijelző is faint rajta. ezt kéne valahogy összehozni

Kép? Stb? 







