Fórum témák

» Több friss téma
Fórum » Csöves erősítő készítése
 
Témaindító: seedz, idő: Márc 31, 2006
Témakörök:
Ne feledd betartani a fórum viselkedési szabályait, és a topik megmaradásának feltételeit. [link]
A téma átmenetileg fagyasztva lett, hozzászólni nem tudsz!
Lapozás: OK   894 / 2208
(#) kalmi79 hozzászólása Feb 1, 2010
2 V van a 3.as lábon a fűtéshez képest, és 105 V van a 8.as lábon a fűtéshez képest...de úgy sejtem először le kéne kötnöm a fűtést a földről az 50 a jelenlegi 2X50 Ohmtól elszakadva... Vagy nem?
(#) hgy válasza sturbi hozzászólására (») Feb 1, 2010
Egy AZ4 is jobban terhelhető.
Vagy elírás, vagy ködösítés.
Minden ei. cső elbír minimum 16µF-ot első körben, aztán jöhet további RC vagy LC szűrőtag.
Pont ez a böszme (bocsánat) nagydarab
lenne kivétel?
(#) Imi65 válasza djhans hozzászólására (») Feb 2, 2010
Ez a gondolatmenet a hallgatási szokásaimhoz igazodna. Este - mikor a csajok elvonulnak TV-zni - már nem kell az "eget rengető" teljesítmény. Olyankor ECO módra váltanám a készüléket (30 sec múlva már üzemkész a 6P14P, és töredékét fogyasztja, nem beszélve arról, hogy akkor "csak" kb 2000 HUF amortizálódik, nem pedig 6-8000).
Jut eszembe, kipróbáltad a 6P15P-t a 6P14P PP-be?
(#) llaci56 válasza Imi65 hozzászólására (») Feb 2, 2010
Imi! És a TV mennyi?
(#) sturbi válasza hgy hozzászólására (») Feb 2, 2010
Ilyen alapon az EZ80/81 jobban terhelhető lenne, mint az 5U4G, 5X4G, 5Z3, 5Ц3C, 5Ц4C, 5Z4 és persze 5Ц8C és kb. megegyezne az AZ4-el (60 uF).
Szó sincs sem elírásról, sem ködösítésről. Nem az első puffer értékén múlik a cső terhelhetősége.
Írhattak volna nagyobb kondit is, ha nagyobb forrásimpedanciához adják meg a kondi értékét, de a cső kicsi belső ellenállását akkor lehet kihasználni, ha a hálózati trafó belső ellenállása is kicsi. Akár 100 µF-os kondit is írhattak volna, ha kikötnek hozzá egy jó nagy belső ellenállású trafót (nagyobb induktivitású szekunder, amihez hozzájön pluszban az ohmos összetevő is), mégis kisebb lenne a terhelhetősége, mint 4 µF-al, de kis belső ellenállású trafóval (kisebb induktivitás és ohmos ellenállás). Az AZ 4-nek jóval nagyobb belső ellenállású trafó kell, ha a trafó oldalon kevésbé korlátoznának, ahhoz is kisebb puffer lenne megadva, nem 60 uF. Azon is múlik az első puffer értéke, hogy mennyi fűtési idő után tudja a cső leadni a csúcsáramát, amelyik lassabban fűt fel, ahhoz értelemszerűen nagyobb puffer is köthető, mert a felfűtés elején még nagy, később egyre kisebb lesz a belső ellenállása, míg eléri a végső belső ellnállást (jelen esetben ez 150-190 ohm körül van).
Összességében nem lehet a puffer értékéből megítélni, hogy mennyire "erős" a cső, az összes tényezőt figyelembe kell venni körülötte (a kondi értéke feltételek teljesüléséhez kötött, amiket az adatlapon megadnak, ettől szabadon el lehet térni olyan irányban, ami kevésbé terheli a csövet, pl. ha növelni akarjuk a cső várható élettertamát (az adatlapon nem ez van megadva, hanem a minimális garantált) nagyobb belső ellenállású trafót használunk (ekkor az első kondi is arányosan nagyobb lehet), vagy az elmenő oldalt kevésbé terheljük (ettől nem lehet nagyobb a kondi, mert a feléledés alatti áramkorláthoz van maximálva, tehát csak előtte korlátozhatunk, pl a trafónál, vagy áramkorlátozással töltöt, majd áramkorlát kiiktatása az üzemi viszonyokhoz). Ha mindig feltöltött kondit kapcsolunk a katódra, akkor nem kell törődni a 4 µF-al, ettől kezdve a belső ellenállás, terhelhetőség, anóddisszipáció számít csak.
(#) sturbi válasza kalmi79 hozzászólására (») Feb 2, 2010
Nem kell lekötni az ellenállásokat a méréshez, ha aggódsz a katód- fűtés feszültség nagysága miatt, emeld a fűtéseket 20 V-ra, de nem kell mert -120 V és +60 V van megadva fűtés-katód feszültségnek.
(#) Syn7h37ic válasza djhans hozzászólására (») Feb 2, 2010
2X30mA, tehát összesen 60mA áramot állítottam be.
Lett némi módosítás, kapott normálisabb szűrést, most eltűnt a brumm is.
Ez a végleges, jól működő állapot. Sajna még csak fülre van beállítva, a hanggenerátorom beadta a kulcsot.

DSCN0008.JPG
    
(#) mark.budai válasza Syn7h37ic hozzászólására (») Feb 2, 2010
[OFF]Szép lett a rajz! Tetszik! Remélem a kész erősítő is ennyire fog tetszeni.
(#) djhans válasza Imi65 hozzászólására (») Feb 2, 2010
Nem volt még rá időm. Meg a segédrács ellenállást (220ohm) is cserélni kell akkor pár kohm-ra.
(#) Imi65 válasza djhans hozzászólására (») Feb 2, 2010
Igen, azt ne felejtsd el. Ez nem örül annyira a nagy segédrács fesznek.
(#) Imi65 válasza llaci56 hozzászólására (») Feb 2, 2010
[OFF]2
(#) Imi65 hozzászólása Feb 2, 2010
Most azon (is) töröm a fejem, hogy érdemes lenne-e (csöves) stabilizátort építeni, egy komplett erősítő táplálására (akár csatornánként), vagy ez előfok elé. Kinek mi a véleménye?
(#) sturbi válasza Imi65 hozzászólására (») Feb 2, 2010
Szerintem érdemes, annakidején a 4*EL84 PP-t (sztereóban 8) először 6C33C stabilizátorról hajtottam 320 V ról (egy stabiról mindkét oldalt), lényegesen jobb hangja volt (főleg a mély tartománynak, olyan feszes volt, hogy csuhaj) mint később, amikor megszüntettem.
(#) sturbi válasza Syn7h37ic hozzászólására (») Feb 2, 2010
Tetszik a rajzod, ha összelövöd műszeresen a katódellenállást és a segédrácsellenállást, majd tedd be mégegyszer (mert valószínű mindkettő változik a szimmetriához, miközben a disszipációt is kézben kell tartani). Gratulálok.
Triódásan nem próbáltad ? Nem tart semeddig, érdemes úgy is meghallgatni.
(#) magyarka hozzászólása Feb 2, 2010
Egy erőgépet elég nehéz összerakni inkább fizesd be konditerembe de ha pálinkát főzöl neki azzal is erősíteni tudod a csövest!
(#) fleta válasza magyarka hozzászólására (») Feb 2, 2010
(#) sturbi válasza magyarka hozzászólására (») Feb 2, 2010
:gun: -Hát te, "kis tarka magyarka" mire reagáltál... ?
(#) Cavalier válasza sturbi hozzászólására (») Feb 2, 2010
Hajléktalan erősítésére. Amúgy egy 2 lityis kannásbor meg egy doboz cigi, és máris 100% töltöttségen van.
Régi is, viccnek is sz@r, hátmég komolynak.
(#) 6C4C válasza sturbi hozzászólására (») Feb 2, 2010
Tökéletes eszmefuttatás de... Ha hozzáfűzhetek esetleg valamit...

Idézet: "Ha mindig feltöltött kondit kapcsolunk a katódra, akkor nem kell törődni a 4 ľF-al, ettől kezdve a belső ellenállás, terhelhetőség, anóddisszipáció számít csak."

Egy valós tápegységben, sajnos nem pont ez a helyzet áll elő, hanem kondenzátor bemenetű szűrés esetén C osztályú egyenirányítás, aminek jellemzője az alacsony folyási szög. Ha növeljük a pufferkondi kapacitását, értelemszerűen a folyási szög tovább csökken, a csúcsáram pedig nő Ezt a nagy csúcsáramot nem igazán szeretik az alkatrészek, a csövek meg főleg Csak úgy szaggatja le a nagy áram az emittáló réteget a katódról... Persze ezt "szerencsére" csökkenti a trafó meg az Ei cső belső ellenállása...
(#) klemo86 válasza 6C4C hozzászólására (») Feb 2, 2010
A μ betűt a görög betűkészletből jelöld ki, ne a "mikro" jelet használd, azt nem teszi be.
(#) Gery78 válasza sturbi hozzászólására (») Feb 3, 2010
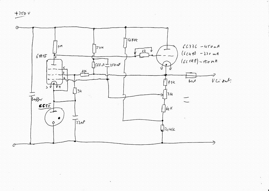
Ez érdekes amit írsz én is kíváncsi lennék egy ilyen erősítő hangjára, amiben csöves stabilizátor van. Tudnál esetleg feltenni néhány rajzot egy ilyen stabilizátorról? Kíváncsi volnék, hogy kell egy ilyet méretezni. Esetleg ezt is meg tudnád írni?
(#) Imi65 válasza 6C4C hozzászólására (») Feb 3, 2010
[OFF]De a kis u, és nagy F esetén beteszi, csak mindkét oldal legyen szabad (még kötőjel se legyen közvetlenül mellette. Ilyen lesz: µF .
(#) Imi65 válasza Gery78 hozzászólására (») Feb 3, 2010
Ugyan nem tőlem kérdezted, de "csemegének" (és a működés megértéséhez) feltettem egy rajzot. Magyarázatként csak annyit (hogy a megértés örömét ne vegyem el), hogy itt a triódát el lehet hagyni, akkor más jellegű megoldások is szóba jöhetnek, pl. a pentóda katódjába egy Z-dióda. A pentóda helyett lehet trióda is, de - mint tudjuk annak kisebb az erősítése - ezért nem lesz annyira "precíz" a kimenő feszültség. Gondolom azonnal felismerhető ennek a tranzisztoros változata.
(#) sturbi válasza 6C4C hozzászólására (») Feb 3, 2010
Jó amit mondasz, de ezesetben mégsincs igazad szerintem, mert pont azért van a nagyteljesítményű egyenirányító cső választva, hogy soha ne lépjük túl terhelés hatására, azt az áramot, amit szolgáltatni tud. A leírt eset csak alulméretezett egyenirányító csőnél forduhat elő vagy túlterhelt esetben. Ha nagyértékű kondit feltöltve rakunk a katódra, és a terhelő árammal nem lépjük túl a csőre megengedett csúcsértéket, akkor soha nem használunk fel több elektront az elektronfelhőből, mint amennyit az a fűtéséből eredően tud szolgáltatni. A nagyértékű kondi nem sül ki olyan mértékben, aminek a visszatöltése gondot okozna az egyenirányító csőnek. A cső utáni feltöltött kondiból kivett áram ugyanolyan sebességgel töltődik vissza, mint amilyen sebességgel kiment (a kis belső ellenállás pont azt jelenti, hogy terheléskor rendelkezésre áll a szükséges elektronmennyiség).
Szerintem a folyási szögnek ilyen értelemben, csak üres kondinál van jelentősége, amikor a kondenzátorba folyó áram (annak elektronbefogadó képessége miatt) sokkal nagyobb lesz, mint amekkorát a cső normálisan biztosítani tud, feltöltődés után ez már nem fordulhat elő, ha megfelelő csövet választottunk.
(#) sturbi válasza Gery78 hozzászólására (») Feb 3, 2010
Ez egy jó kis kapcsolás triódákhoz, természetesen a drótlábú pentóda és hidegkatódos stabcső helyett más is használható némi módosítással.

stabi.jpg
    
(#) ticseboy hozzászólása Feb 3, 2010
Sziasztok. Megfogadtam nemrég a tanácsotokat, (nem tudom ki emlékszik az a fekete) és egy bevált kapcsolásból épitettem meg az első hibátlanul működő erősitőmet, egy barátom távsegitségével. Nincs kész teljesen, de ez csak a külsőre vonatkozik. De ezek csak részletkérdések mostmár, ezért megosztom veletek is. Ime egypár kép.
(#) mark.budai válasza ticseboy hozzászólására (») Feb 3, 2010
Húú, gratula! Nagyon szép lett!
A végcsöveket ennyire túlfűtötted, vagy alá vannak világítva? Vagy csak a fénykép sikerült ilyenre?
(#) ticseboy válasza mark.budai hozzászólására (») Feb 3, 2010
Csak a fótó lett ilyen remélem
(#) CIROKL válasza mark.budai hozzászólására (») Feb 3, 2010
Márk nincs az túl fűtve csak a foto csalóka ezen a képen látni a csövek fűtését rendesen
(#) CIROKL válasza ticseboy hozzászólására (») Feb 3, 2010
Tibor gratulálok ez egy remekmű Egy kezdő csövestől nagyon nagy eredmény Bár én már láttam az erősítőd kivűl belül, ami még nem volt a szemem előtt az a poti tekerentyű ? Majd ha a lakk megszárad akkor megnézzük azt is ! Meg légyszives a nagyközönség számára a belvilágot is mutasd már meg. Ja és még valami , engedd meg hogy helyetted elmondjam hogy ez a CHZ tervei után épített EL84pp erősitő amit már többek közt megépítettem én is .EL84pp/6P14Ppp
Következő: »»   894 / 2208
Bejelentkezés

Belépés

Hirdetés
XDT.hu
Az oldalon sütiket használunk a helyes működéshez. Bővebb információt az adatvédelmi szabályzatban olvashatsz. Megértettem