Fórum témák
» Több friss téma |
Fórum » Csöves erősítő készítése
Ne feledd betartani a fórum viselkedési szabályait, és a topik megmaradásának feltételeit. [link]
A téma átmenetileg fagyasztva lett, hozzászólni nem tudsz!
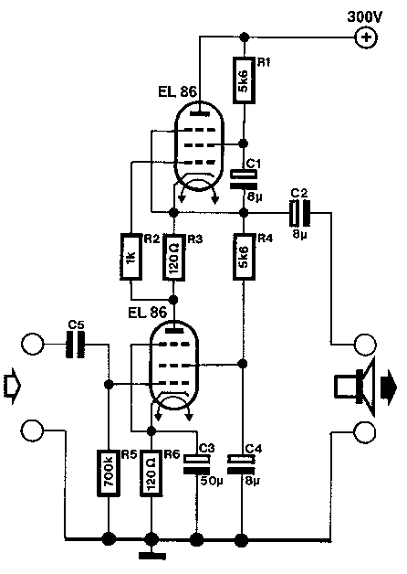
Csak SE-t készítettem ezzel a csővel , de szerintem jobb mint az EL84 .
Valahol talán igen , de az EL84 kapcsolásokba könnyen aplikálható .
Most keresgéltem , csak félig kész dobozáról talátam képeket . Egyszerűen DVD dobozát használtam csak .
6P6S
Az a gond, hogy a miniszkóp csak 100mV minimális érzékenységgel bír, ehhez kellene egy olyan előtét, ami 10mV érzékenységet tudna minimum, az 1mV lenne a legjobb.
Tehát egy tízszeres, vagy százszoros erősítés kellene, torzítás mentesen. Ha jól értelmezem, akkor a bemenete ennek pár mV a kimenet pedig maga a Deprez műszer két pontja. Az osztó sem kell bele csak a cső. A trióda kimeneténél vagyok kicsit gondban, ha tisztán a kondit használom, akkor csak váltakozó feszültségre lesz jó... CHZ: Thomson 6P6S-SE multi DVD player Hasonló doboz reszelődik itthon is.
Így van, erre akár valami félvezetős "mérő-erősítőt" is építhetnél. Ez DC erősítésre semmiképpen nem jó. Ahhoz a bemenetről is el kéne távolítani a csatolót. A kimenete sem azonos a trióda csatolókondijáról a diódahídra menő jellel.
Sajnos nem találtam , de ezt kipróbálhatod .
Érdekessége a + visszacsatolás , amit szintén érdemes kipróbálni .
Szép, még így "félkészen" is! Milyen kimenők vannak benn?
Üdv !
Érdeklődnék, hogy az ezüst tartalmú forraszanyagokat hol használják? Ha mondjuk otthon építget valaki valamilyen audió dolgot abba érdemes olyat használni ? Vagy fölösleges ? Kösz !
Csöves áramkörökben, ahol az impedanciák k Ohm -os nagyságrendűek, kétlem, hogy valamiféle változást okozna az evvel történő forrasztás. Szóval én feleslegesnek ítélem meg.
A képen még M65 légréses vas volt , de kevésnek bizonyult , így SM65 magokat kapott a cséve .
Szerintem a félvezetősnél sincs semmi jelentősége. Pláne hallható eredménye. Nagyfrekvenciás cuccokban, mega-giga Herczeknél lehet eredményes.
Mindenütt ilyent használok, de csak azért, mert a rádiótelefon-szervizes időkből ez maradt rám ...
![]() Ott ez volt használatban... Audiophile erősítőknél, kábeleknél is használják, ez is a "varázslat" része
És amúgy mérhető a különbség ? (műszerrel)
Ellenállásban vagy valami másban ?
Gondolom ilyen nagyságrendben nem mérhető, de magam sohasem jártam utánna...
Mint írtam ez van itthon, és mivel szép forrasztási felületet ad, ezt használom...
Sziasztok. Ez lehet nem ide való kérdés de mire jó egy keverőcső két ráccsal. Konkrétan a 6A7-re gondoltam.
Keverni!
Félre a tréfával, a rádiók többsége ún. transzponáló rendszerű, vagyis az adók eltérő frekvenciáit, egységes (közép) frekvenciává alakítja. Ehhez szükséges egy nem lineáris karakterisztikájú elem (amin torzítás jön létre, itt kifejezetten kívánatos az intermodulációs torzítás), akár egy dióda, de lehet többrácsos cső is, a bejövő rezgés (vett adó), és egy helyi rezgés (hangolható oszcillátor). Ezeket keveri össze a keverőcső, és ebből alakul ki a leszűrt középfrekvencia, amit a megfelelő fokozatok tovább erősítenek. Az egyik (1) rácsra vezetik az adó, a másik vezérlőrácsra a helyi jelet.
Ez rendkivül kielégitő válasz volt. Akkor számomra semmit se érnek. Ha valakit érdekel 4db és tud vele valamit kezdeni privátba keressen. Viszont találtam még itthon EL86-ot. Erre is lenne kérdésem hogy tényleg ennyiből is lehet erősitőt csinálni kimenő nélkül?
Bocs a sok kérdésér de egyre jobban érdekel a csöves téma (megfertőzött) és itt legalább kapok válaszokat.
Ezért azt ne gondold, hogy az EL86 kiváltható lenne 2 BD-vel, vagy viszont. Valóban létezett ilyen kapcsolás( bár a magyar gyártmányú készülékben én nem találkoztam vele), de ezek mind nagyimpedanciás (értsd: beszerezhetetlen) hangszórókat működtettek, ezért hangfalat (4-8 Ohm ) biztos nem tudsz velük kihajtani.
[OFF]Nézd csak a csatolókondi értékét: 8 µF . Egy gyengébb, 8 ohm -ra dolgozó félvezetősben is legalább 470-1000 µF -es kondi van, ez is utal rá, hogy nagy terhelő ellenállásra dolgozik.
Akkor marad a PP kapcsolás ha valamit kezdenék mégis velük. De legalább ezt is tudom. Köszi
Reszelgettem ma egy kicsit és elkezdtem bedobozolni a Hiraga RIAA-t a CIROKL álltal készített dobozokba.Van még vele munka de már nincs sok, hogy készen legyen.
Köcce! Muszáj voltam bebújtatni őket, mert a próbák során tudtam fogni vele az angol rádiót. Még tervezek valami kis rácsocskát is tenni elé ha sikerül.
Ez 1 Kohmos hangszóróra dolgozik, valószínűleg jó oda egy 1 Kohm/4-8 Ohmos légrés nélküli kimenő is. Ha nem idegenkedsz a kisérletezgetéstől érdemes lehet kipróbálni szerintem.
Klasszikus SRPP amúgy a kicsike.
Azért annyira ne szaladjunk elöre hogy kimenöket tekergetek (mármint ha igy gondoltad a kisérletezést). Viszont vannak tv meg rádiódol kibarkácsolt kimenőim ezekkel lehet hogy megpróbálhatnám, csak utána kell még néznem hogy lehet ezeket kimérni vagy ilyesmi. Remélem nem irtam baromságot
Azok lényegesen magasabb (5-7k Ohm) impedanciára illesztenek.
Mérésük a következő: Rákapcsolsz a 200-400 Ohm -os ellenállású vékony drótra pl.24V-ot. Megméred DVM-el, mennyi lesz a vastag szekunderen. Sajnos leginkább 1V se, mert ezek 30-45-ös áttétellel rendelkeznek. Az áttételből ki lehet számítani az impedancia transzformációt (így megvan, hogy adott impedanciát mennyire növel a cső számára).
Mivel légrés nélküli trafó kell, megpróbálhatod egy 230/18 V-os toroiddal is. :hide: .
És azt miből bányásszam ki?
és ez is csak teszt lenne? Ha tutira bejönne keritenék egyet. |
Bejelentkezés
Hirdetés |




Bocs a sok kérdésér de egyre jobban érdekel a csöves téma (megfertőzött) és itt legalább kapok válaszokat. 



