Fórum témák
» Több friss téma |
Fórum » Akkumulátor töltő
Szia
Max megmérni tudom mert nem láttam ráirva semmit. Még annyit hogy nekem 5K tolópoti van az előlapban a rajzon pedig 47k van írva, persze az enyém már volt javítva lehet ekkor nézték el.
Heló
Tudna valaki segíteni? Egy 14.4 V-os NICD akkumulátort mennyi amperral kell tölteni ? Egyszerű töltőt szeretnék építeni, ami a 14.4 V-os akkumulátorhoz is jó ?
10 Ohm-os ellenállásról 1-12 Ah közöttieket célszerű tölteni, +2,2 Ohm-mal 12-36 Ah-ig, +1 Ohm-mal 36-70 Ah között. Csak a töltési idő fog változni.
Képlet? Van az akku töltési feszültséged, ~14 V. Van bemenő váltakozófeszültséged, ami csúcsban X volt. X-14 = feszültségkülönbség. Ebből kell elfogadható áramot előállítani, esetedben ~0,25 A effektív. Ez töltésnél nagyon nehezen számítható, mérni is igazából lágyvasas, hődrótos vagy hagyományos Deprez műszerrel lehet. 5-10 V feszültségkülönbségnél a 10 Ohm elfogadható értéket produkál.
Üdvözletem mindenkinek nem rég kezdtem el ezekkel a dolgokkal foglalkozni és érdekelne hogy egy 24V-os töltőből hogyan lehet 12V-at csinálni.
Sajnos a mostani trafómból 1,8A-t is már úgy tudok kiszedni, hogy melegszik... Nem gáz, de melegszik. 1Afelé nem szeretnék menni, és ha jól tudom, akkor ez azt jelenti, hogy 10A-es aksit tudok vele max. tölteni... Lehet jobb lenne keríteni egy másik trafót, de a méret is számít. (tápházba csinálom)
Úgy szeretném csinálni, hogy ha csak 10Aig megyek, akkor A-ként lehessen állítani, de ez már akkor tesztelés... Este fogok még írni, de most sajnos nincs több időm.
Az UC3906-al gyári ajánlás szerint akár 15A-es töltő is építhető. Ajánlott kapcsolás a 3-86. oldal, 12. ábra. Természetesen hozzáillő trafó, egyenirányító és Rs. Nálam 4 db. 0,1 ohm 2W párhuzamosan kötve, 10 A-ra.Bővebben: Link
Épp a NYÁKot csinálgatom, és úgy csinálom, hogy van benne egy fix ellenállás, ami most 10W-os (10ohm) - ezen még lehet változtatni - és a két lábára van kötve egy-egy sorkapocs, és így tudok rá kötni olyan ellenállást amilyet akarok.... Egyenlőre úgy van tervbe véve, hogy egy külön panelon lesznek a kapcsolható ellenállások egy kapcsolóval. 7állású kapcsolóm van, azzal szeretném megoldani, hogy minden állásban mást tölt;
Pl. ez bejönne: 1. állás 3A 2. állás 4A 3. állás 5A 4. állás 6A 5. állás 7A 6. állás 8A 7. állás 10A Lehet, hogy ezt ennyire pontosan nem fogom tudni beállítani, tesztelés... Még annyit, hogy minden ellenállás amit így kapcsolgatok, -vagy fixre beteszek az 10W-os legyen? Mekkorát tegyek fixre, ha ezekre az értékekre szeretném állítgatni? (10W 10ohm?)
Szia!
Az nagyon jó lenne, ha meg tudnád mérni a szekunderét! Még egy kérés tudnál-e csinálni a kinézetéről képeket, mert mint említetem, én meg szeretném csinálni, csak az nem tiszta, hogy mekkora árammal képes tölteni. Ha megnézted a rajzot a rajzból nem derül ki pontosan, mert több Led van, rajta mint felirat a rajzon! Ha veszel még észre rajta valami olyat, ami nálad nem stimmel, az írd meg légyszi, a rajz egy akkumulátor könyvből lett kimásolva valamikor régen sajnos a könyv nem az enyém volt. Előre is, köszi!
Sziasztok.
Szeretnék csinálni egy egyszerű automata akksitöltőt. Két verzíót találtam alkalmasnak. Az első alkalmazható 100-150Ah-ás akkumulátorokhoz is?Milyen tirisztorok kellenek bele mert én nem tudtam kiolvasni? A 2. a proli007 féle figyelő áramkör. Ezzel kapcsolatban kérdezném,hogy S1 és S2 gondolom str=start ,stp=stop de ezek csak nyomógombok vagy mik? P1-el mit trimmeljek, azzal mit állítsak be?Ja és jó az is 100-150Ah-ás akksihoz?
Szia.
Nahát..,pedig végig nézegettem a topic-ot Jól elkeveredtem...köszi
Szia
Megmértem és 2X 19,4 voltot mérek rajta szerintem 2X18 voltos lehet.Max 6 Ampert tud a ledek alapján. Poti ügyben sikerült megnézni egy másik készüléket és 5K van benne.Bocsi a képek miatt de telefonnal készült. van benne festés és felújítás előtti előlap kép is.Én kicseréltem benne a kondikat mert nagyon rég évek óta nem volt használva.
többi kép
még több
Szia!
Köszi, a képeket, találtál még valami eltérést a rajz és a nyák között? A potin kívül!
Nem néztem át tüzetesen de szerintem nem lehet más,valószínüleg ez is csak nyomdahiba lehet
NYÁK-rajz a töltőhöz.
Van benne pár plusz cucc, ez ne zavarjon, ja és sajnos van benne pár átkötés is, de így is csak másodjára sikerült, Layout-tal csináltam. Még majd megpróbálom kivenni az átkötéseket, meg még átnézem többször, hogy minden rendben van-e. Baloldalt van 1olyan h ellanall+-, oda köthetem a plusz ellenállást, ami másik panelon lesz, h ne kelljen újat tervezni, ha cserélném, és azon lesz a kapcsoló is... (Ha fent leszel (erbe), akkor légyszi válaszolj, arra is amire ezzel válaszolok... Köszi)
Hello!
A helyzet az, hogy már mások is bele botlottak ebbe a problémába. Sajnos az UAA145 nem igazán beszerezhető már, tekintve, hogy TFK gyártmány volt. De a jó hír, hogy már korábban foglalkoztam a problémával és tulajdonképpen elkészítettem a kiváltását "mezei eszközökkel". (Csak valamilyen oknál fogva, nem adtam még közkézre, de ezt most a teljesség igénye nélkül megteszem!) Az alapötlet nem a saját kútfejemből pattant ugyan ki, ezért köszönet Mészáros Gyula RT1992/2/91old. és Diószegi Gyula RT2001/7/324old. cikkéért. A helyzet, hogy az egyik cikk fényerőszabályzót, míg a másik TCA780-785 kiváltására készült, de az UAA145 kiváltására itt megfelelő. Arra viszont felhívnám a figyelmet, hogy én azt áramkört fizikailag nem készítettem el, de a két PB20A panel elvileg egymással teljesen kompatibilis. Az áramköri terveket és a nyáktervet azért elkészítettem. Bízom benne, hogy kifogástalanul működni fog ez is. A működési magyarázattól most eltekintek, akit érdekel az alapáramkör működése utána olvashat a felsorolt cikkeknél. Természetesen az általam épített áramkör (és működése) kissé eltér az eredetileg publikált irodalomtól.. Sikeres próbálkozást kívánva! üdv! proli007
Sziasztok!
Lenne egy olyan problémám hogy szereztem egy aksi töltőt ami nagyszerűen működik de nem nem kapcsolja le a töltést 14.4V nál hanem tovább tölti nem csepp töltéssel. Kézzel kell lekapcsolni. Szeretnék építeni hozzá egy áramkört ami 14.4Vnál átvált csepp töltésre. Teszek fel pár képet. A segítséget előre is köszönöm!! üdv szaky27
Kicsit átalakítanám a kapcsolást.
A műveleti erősítőnek nem igazán szükséges stabil feszültség, mehetne közvetlen 12 Voltról. A tranzisztorok, jelfogó helyett pedig egy FET lényegesen olcsóbb, kisebb lenne. A FET-el párhuzamosan lehetne kötni egy olyan izzót, ami a szükséges csepptöltést megoldja. Művelei erősítőnek pedig pl. TL071 alkalmasabb lenne.
Ezzel a gyári töltővel egy baj van!
A trafó ami benne van az váltóban 12V. tEHÁT EZZEL NEM IGAZÁN FOGOD TUDNI NORMÁLISAN MEG CSINÁLNI AZ ELEKTRONIKÁT HOGY 13,8v-NÁL KAPCSOLJON BE ÉS 14,4 v-NÁL KAPCSOLJON KI.
Nem KELL átalakitani.
Csupán megjegyeztem, hogy én praktikusan átalakítanám. Mert egyszerűbb, olcsóbb, kisebb lenne. Az átalakítás miatt azonban a 741 nem megfelelő a FET esetlegesen alacsony nyitófeszültsége miatt. A 6,2 Voltos referencia feszültség természetesen szükséges. Ha visszaolvasol, az IC tápfeszültségére írtam, hogy szükségtelen stabilizálni. 12 Voltról ugyanúgy működik. Nincs hatása a pontosságra.
A referenciát a 6,2 Voltos zener adja.
A tápfeszültség változás legalább 60 dB-el kisebb mértékben jelenik meg a kimenten, így azt szükségtelen stabilizálni. Ráadásul ez egy hiszterézises komparátor, ahol tökmindegy hogy mekkora a tápod, ha a célnak megfelelő. A kapcsolással semmi gondom, a célnak megfelel.
Szia!
Köszönöm a gyors választ. Olvastam hogy már többször is megépítetted. Nincs esetleg nyák terv is? Mert félek hogy rosszul tervezném meg és nem akarom elrontani se az aksit se a töltőt. Hálás lennék.
Nagyon megköszönném
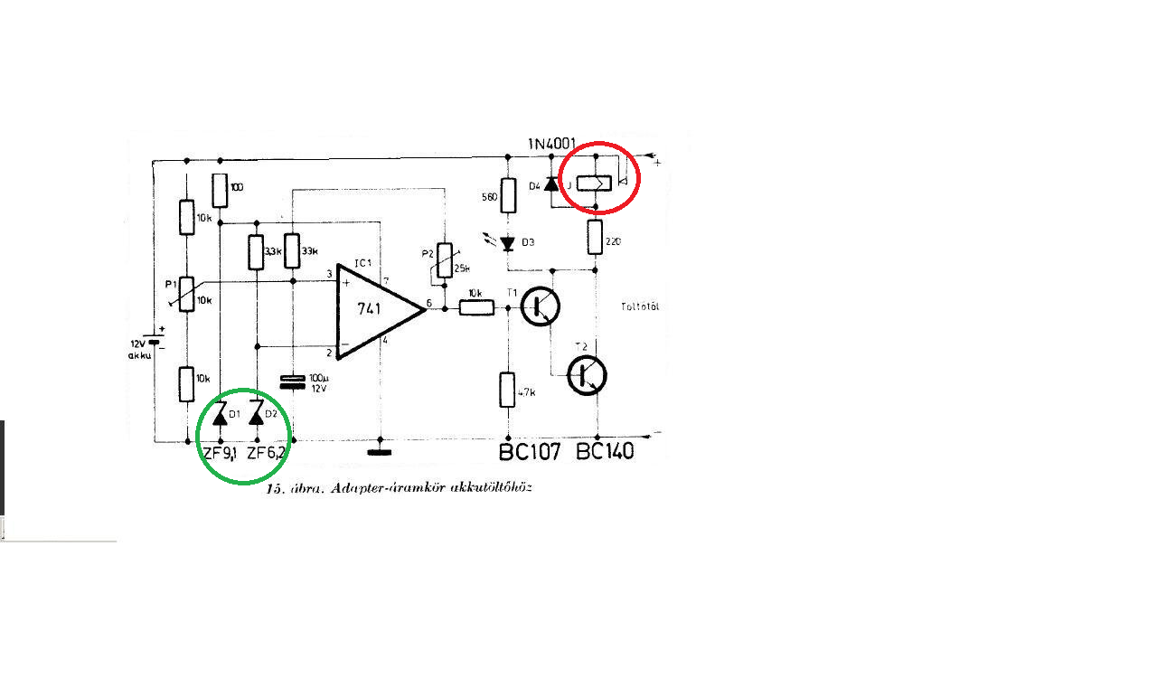
Kár, Na mindegy. A kapcsoláson bekarikáztam pár dolgot. A zölddel karikázott diódák milyenek mer ezt a jelölést még nem igen láttam. A pirossal karikázott alkatrész sajnos fogalmam nincs h milehet. Segítenél ebben?
lemaradt a kép
Szia!
A zöldel bekarikázott diódák 6.2v-os és 9.1v-os zener diódák. A pirossal bekeretezett pedig a relé ami lekapcsolja a töltőfeszt az aksiról.
Remci: köszönöm a segítséget neked is!!
Nézelődtem a HEstore-on és kétféle IC-t találtam UA741CN és LM741CN. Melyiket kell megvenni? A tranyók gondolom úgy vannak hogy T1=BC107, a T2=BC140, és az IC 4. lábából jön ki egy vonal ami a - ágra csatlakozik és abból van lefelé húzva egy vastag vízszintes vonal. Én eddig azt hittem (és úgy is csináltam azt a pár egyszerű kapcsolást) hogy az a negatív de ez így most fura nekem. Ez most védő föld akar lenni? Bocs a sok hülyeségért!
Jah hogy a két tranyó az a választék!? Értem
Tehát akkor a test vonallal nincs különösebb dolgom. A relét azt hogy kérjem azt a hosszú "kódszámát" kell mondani? Vidéki vagyok és a helyi boltban szándékozom beszerezni az alkatrészeket. A két potival azt lehet beállítani h mikor kapcsoljon le a töltő igaz? Még annyi hogy az ellenállatok azok hány W-osak legyenek? Köszönöm az eddigi segítségedet is!! |
Bejelentkezés
Hirdetés |
































