Fórum témák
» Több friss téma |
Fórum » Tranzisztorok helyettesítése
Ovatosan az ilyen olyan betüvel, illetve a hozzá tartozó feszültséggel, mert a SOAR nem lesz nagyobb !!!
A gondot az okozza, hogy a gyártó tud rendelni akármit . Nagy béta, jó SOAR stb.
A kisker tranyók meg a maradékok, még guberálni se lehet hasonló jókat Igazi jó tranyókat csak bontásból lehet szerezni A tapasztalat: Mentől régebbi annál jobb
Itt a maximális kollektor-emitter feszültségről van szó. A BD sorozatnál az A-B-C jelzés különbözteti meg az azonos számozású tranzisztorokat ebben a tekintetben.
Természetesen a SOA (RBSOA) mind a három altípusnál egyező, ezt senki nem is vonta kétségbe.
+ -45V-ra kivánatos az MJ 8 ohmra. 4 re már karcsú, mert több mint 10A-t kellene produkálnia. 4-5 A nél már ennek is esik a bétája
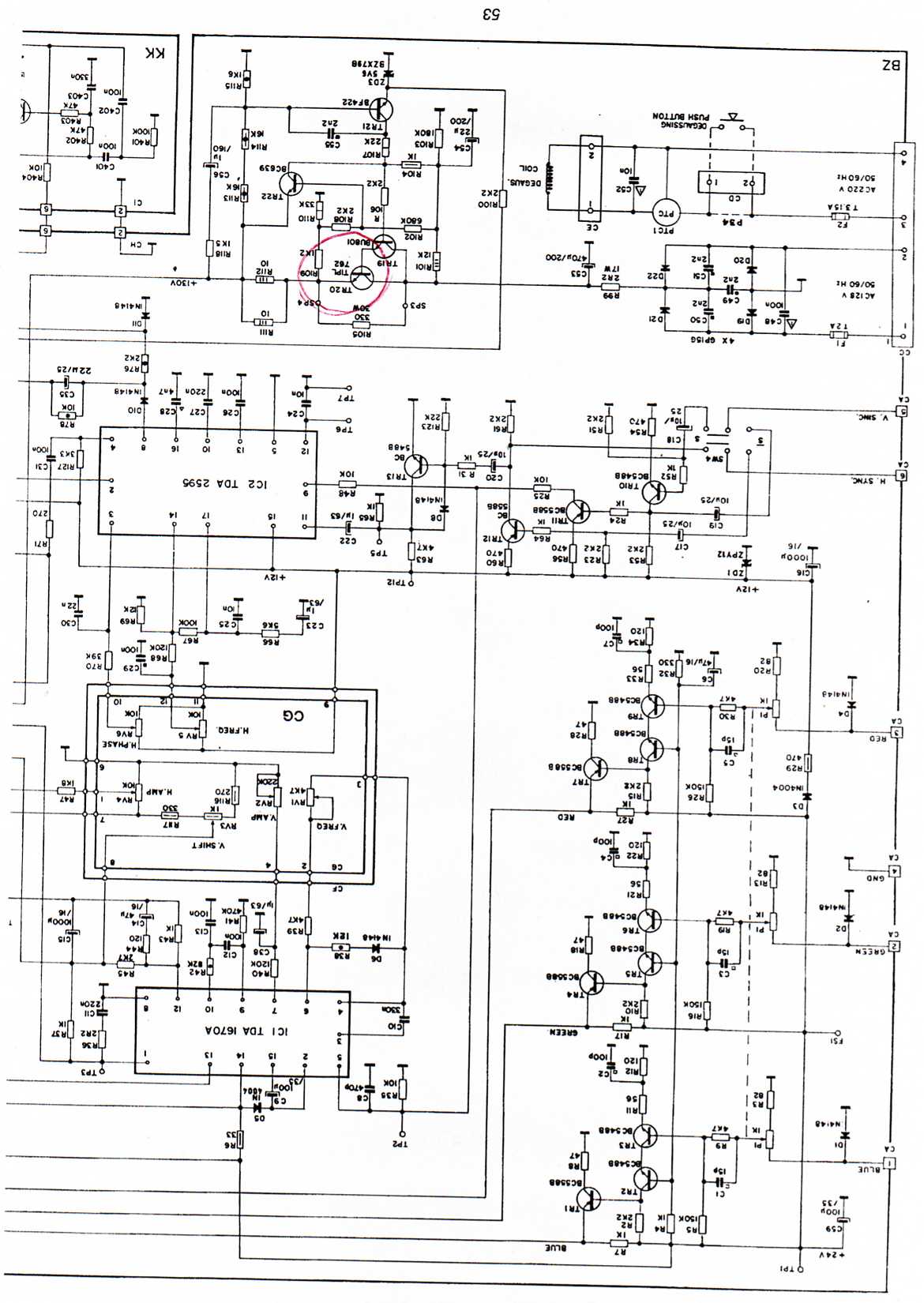
Sziasztok van egy TIPL-762 tranzisztor egy monitorban mivel tudnám helyetesíteni mert nem találok sehol
Szia!
Tessék: Part Cross Reference TIPL762 2SC3535 TIPL762 3DK308A TIPL762 BUV82 TIPL762 BUV83 TIPL762 BUW11 TIPL762 BUW11/A TIPL762 BUW132/A TIPL762A 2SC3535 TIPL762A 3DK308A TIPL762A BUV83 TIPL762A BUW11A TIPL762A BUW132A
Amúgy mi a szerepe ennek a tranzisztornak?
Nem láttam a kapcsolási rajzot, így nem tudom..
Ez egy kapcsoló tranzisztor, lehetett a tápegységben, vagy akár sorvégfokban is.
Itt a rajz bekarikáztam a tranzisztort
Elfelejtetted kikapcsolni az automata képátméretezést, így nem sokat láttam belőle, de szerintem ez a tápegység egy része. Ezen a tranzisztoron keresztül kaphat táplálást az elektronika.
A 130V-os tápfeszültségnek az áteresztő tranzisztora.
Üdv. Adott ez a TT3034 dupla tranzisztoros kapcsoló IC.
Sehol nem találok semmi infót, sem datasheet-et róla. Egy lábkiosztást találtam csak, amit mellékeltem. Szóval sehol nem lehet beszerezni Magyarországon, és nem is ismert cucc. De gondolom lehetne valamivel helyettesíteni, kérdés mivel? Lehet akár két különálló tranzisztorral is? De pontosan melyik típusával? Aki tud valami okosat mondani azt hallgatom...
Két tranzisztorral helyettesíted, a bekötési ábra szerint. A tranzisztor típusát meg ki lehet sakkozni a felhasználási területből, feszültségekből, áramerősségekből.
Szia. Én szerintem ez azért van egyetlen egy tokba, hogy minnél kevesebb helyet foglaljon. Megpróbálhatod a mellékelt rajz szerint összekötni két darab NPN-es tranzisztort. Sajnos adatokat nem látok rajta, mint például a fesz és áram és a bázisról tulajdonságairól. Én megpróbálnám két egyforma BD-s tranzisztorral, veszteni nem vesztenék vele semmit. Más megoldás nem hiszem, hogy van, mert a google nem találta tényleg az adatlapját.
Megelőztél kicsit.
De csak azért mert hozzászólás írás közben kerestem a google-n.
Sziasztok!
A 2N5060-at mivel lehet helyettesíteni?
Talán ezzel: Bővebben: Link
|
Bejelentkezés
Hirdetés |







De csak azért mert hozzászólás írás közben kerestem a google-n.




