Fórum témák
» Több friss téma |
Fórum » Csöves erősítő készítése
Ne feledd betartani a fórum viselkedési szabályait, és a topik megmaradásának feltételeit. [link]
A téma átmenetileg fagyasztva lett, hozzászólni nem tudsz!
Ez a KT88 PP majdnem olyan mint Kócos 6550-es ötlete. Az igazság az, hogy a PP-k engem még nem ihlettek meg, pláne nem ekkora teljesítménnyel, de kiváncsian várom mire jutsz vele...
Szívesen "megfülelném" a hangjukat, ha elküldenéd a linket megköszönném.
Sziasztok!
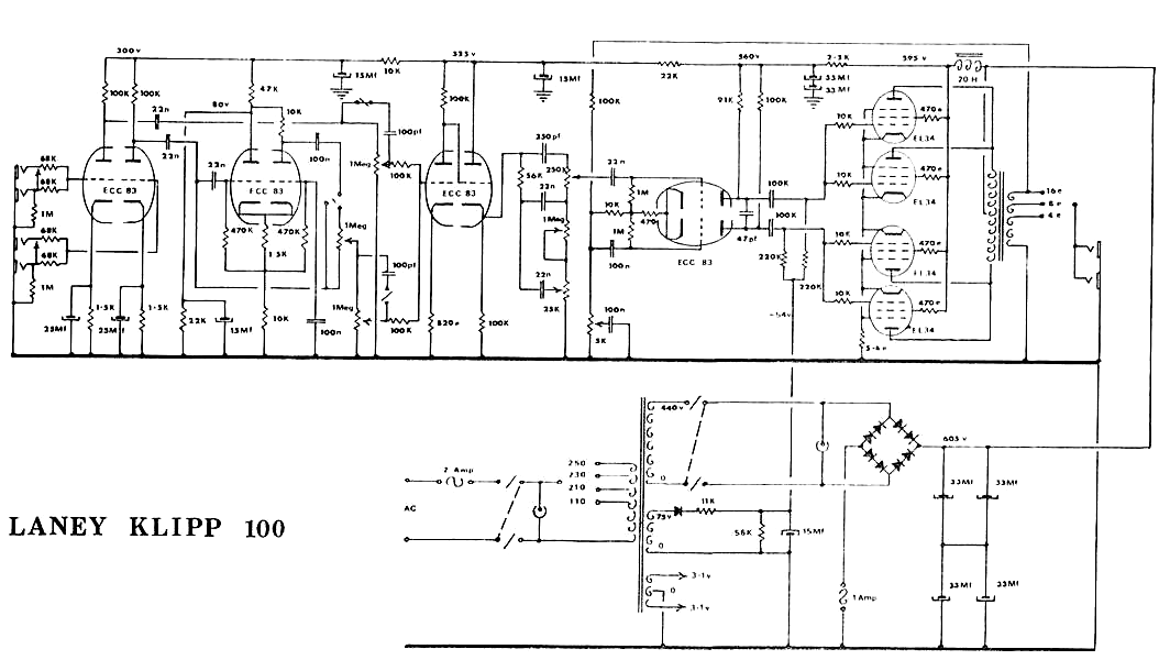
Még mindig problémával szeretnék hozzátok fordulni. Laney 100W-os erősítő. Volt egy 100Hz-es alapzajom. Tanácsoltátok cseréljek diódákat kicseréltem semmit sem változott. Aztán kicseréltem az összes kondenzátor szintén semmi eredmény. Aztán 100nF-os szűrőket raktam a diódákra semmi eredméy, raktam a pufferekre is szintén semmi az alap zúgás meg van. A töténet úgy kezdődött, hogy az erősítőnek nem volt meg a hálózati trafója legyártattam és elkezdtem felújtani. A táp feszültégek stimmelnek. Pufferolás után a kapcsolási rajzon 600V-nak kell lennie nállam 599V-van munkapontnál -54V-nak kell lenni nállam kereken -54V-van. A következő jelenséget csinálja, bekapcsoláskor mikor felfűt hírtelen a zaj megugrik majd visszaesik egy állandó szintre, eközben a csövek rácsai kékes fénnyel felizzanak majd eltünik a fény csak a rács alján látszik egy picit. Ugyan ez a jelenség ha a standby kapcsolót lekapcsolom majd fel. Hítelen nagy zaj rácsok kéklenek majd zaj minimális szintre csökken és csak picit fénylenek a rácsok. Azt hittem túl nagy feszültséget kap de nem ikább a gyári értékek alatt van 2-3v-al. Az össze alkatrész megnéztem minden érték megfelel a kapcsolási rajzon szereplővel semmi változtatás nincs. Mi csinálhatja ezt a galibát? A benne lévő csövek nem biztos hogy válogatozottak ez csinálhat ilyen jelenséget? most vettem 4 új EL34-es csövet de nem merem belerakni, mert nem kis olcsóság nem akarom, hogy tönkremenjenek. Légyszi segítsetek mit csináljak vele. Belinkelem a táp és a végfok rajzát.
Nem vagyok még profi szinten a csöveknél, de én hiányolom a katód-ellenállatkákat… Ilyen feszültségeknél szerintem elbírna egy 330Ω-ot.
Szia!
Ebben pedig gyárilag nincs, a laney Klipp 100 is ugyan ez abban sincs.
Mindenek előtt le kéne mosnom róluk a port, de ez ekkora tételnél nem is olyan egyszerű. Arra gondoltam hogy egyszer teleengedem a gyermekem kis műanyag fürdőkádját vizzel és óvatosan beleöntöm a csöveket...
Nem csak a hírek hallatán ilyedtem meg hanem mikor az asszony a porszívó tápkábelével meghajlította 45 fok-ba az egyik PCL-t (később az egyik EBL21-el is ezt tette, de az inkább kiugrott a loctal foglalatból, majd megpróbálta visszatenni de azt is csak egy irányba lehet a nút miatt hála istennek ezért csak mutatóba odabiggyesztette és nem szólt mert már volt priusza, én meg vakartam a fejem hogy mi is van :mad kivettem a készletből azt amelyik a kezem ügyébe akadt és az első kettő kapásból gázos volt és beparáztam
Érdekes hiba! Szkóp kellene hozzá.
Ne rakd bele az új csöveket, nem fogsz tudni állítani munkapontot, mert ebbe az erősítőbe csak a gyártó által forgalmazott csövet tudod beletenni , amit ők összeválogattak a megfelelő értékre. Át kellene alakítani állíthatóvá a neg-előfeszt állíthatóvá, de a csöveknek akkor is párban kell lenniük. Vagy quadban, és 1 potival tudnál nyugalmi áramot állítani
Ez valami gerjedés lesz, legalábbis a kékes fény a csövön belül erre utal.Szkóp nélkül-mint előttem irták-
nem sok esélyed van megoldani. De erről már régebben ejtettem szót, olvass vissza pár oldalt. Egyszerűen meg kell értened hogy a műszeres méréseket nem lehet megúszni.
Ezt a vizes mosást nem ajánlom.
Ha a csőlábak,és az üveg test közé bemegy a viz, később elég durva oxidációk forrása lehet. Próbáld meg szárazon, vagy minimális folyadékkal a tisztitást.
Miért kellene katódellenállás? Ez fix-, nem pedig automatius-biasos erősítő ! Érdekes is lenne 100 W -nál akatódbiast alkalmazni
És az új hálózati trafó fűtőtekercse is 2x3,15 V-os? Azaz a fűtéstekercs középleágazása földön van ?
Igen, a rajzon szereplő trafó lett egy az egyben legyártva.
Van két fölösleges El84 PP kimenőm, UL leágazással, 8 Ohmos szekunderrel . Szovjet gyártmányok, elég jó minőség, ugyan nem nagy méretű, de kellő "méllyel" rendelkezik. Kicsit nagyobb, mint a Budapesté, de ez ne rettentsen el senkit, az az EAG TK-110-nél (5,6 cm) így is nagyobb ! És ugye mint tudjuk az is egy elég szép hangú kimenő !
Ha valakit érdekel a dolog, "ostromozzon" privátban, a hét közepe felé képet is tudok küldeni .. Terveim voltak vele, de sajnos közbe jött valami
En ketté választanám az elő és végfokot. Az elöfok csöveit kivenném és csak a végfokot tesztelném pl. egy cd lejátszóval, ha a végfoknak nincs zúgása és rendessen szól, akkor az elöfokban keresendö a hiba.
Szia!
Következőket tudom Neked javasolni: A kapcsolási rajzot megnéztem, de én egy kicsit kevésnek találom a táp szűrését. Azt láttam, hogy benne van egy 20H-s fojtó, csak azt nem értem, hogy a kimenő közös pontja miért a fojtó ELÉ van kötve. Ott még viszonylag szűretlen a tápfesz, én a helyedben áttenném a kimenő közös pontját a fojtó UTÁN. Természetesen még egy szűrőtag beiktatásával. Tehát Dióda->Kondi->Fojtó->Kondi-> (Ide jön a kimenő közös pontja) -> kis értékű ellenállás pl. 470 Ohm ->Kondi-> táp többi része. Ha van egy digit multimétered, akkor azzal meg tudod mérni a búgófesz nagyságát. A jelenlegi felállásban, (úgy hogy még nem alakítasz át semmit az erősítőn) mérd meg a kimenő közös pontján a váltófesz-tartalmat. Szerintem ettől búghat az erősítőd, hogy a táp 600V-jára ráül egy 5-10V nagyságú 100Hz-es váltófesz. De ha ezt a váltófeszt megszűröd a fojtóval, akkor az szerintem meg fog szűnni a búgás. (Nekem is volt nem egy ilyen esetem, hogy búgott az erősítő, és a fojtó után tettem a tápellátást, és a búgás megszűnt) Az az atomvillanás-szerű kék fény meg abból fakadhat, hogy a végcsövek nincsenek felfűtve, és a kevéssé felfűtött katódnak kell biztosítani a teljes nyugalmi áramot. (Bár ebben nem vagyok biztos, hogy emiatt villan) Javaslom, hogy használd a Stand by kapcsolót az erősítő bekapcsolásakor is, várd meg amíg felfűtenek a csövek, és csak aztán add rá az anódfeszt. Hamar tönkremegy a katód, ha hidegen kell emittálnia. OK? Én is betennék egy bias állító potit minden végcsőhöz, hogy külön be tudd állítani minden egyes végcső nyugalmi áramát egyformára. Mindegyik végcső katódja és a föld közé javaslok még egy 1 Ohmos mérőellenállást, így azon meg tudod mérni a csövön átfolyó nyugalmi áramot, ezt mV-ban fogod megkapni, ha rámérsz az ellenállásra. Ezeket tudom javasolni így első körben, próbáld ki ezeket légyszi, aztán írj, hogy mi lett az eredmény. Remélem megoldódik ez a problémád.
Tévedtem :
Pont ugyanakkora, mint a Budapest : EI59 vason bruttó 6cm2 vaskeresztmetszet !
Én meg nem tenném át, mert nem bírná el azt az áramot a fojtó !
Ez bevett szokás, az anódon igen nagy hangfrekvenciás feszültség van, ezért ott a max néhány volt búgófeszültség jelentéktelen, a fojtó a G2, a fázisfordító, az előfok tápját szűri, amik kis jelekkel dolgoznak, és az arra szuperponálódó búgófeszültség felerősítve már hallható brummot okoz a hangszóróban ! A fojtó másik szerepe még, hogy a cégcsövek nagy árama miatt "megrángatott" tápra kerülő hangfrekvenciás komponenseket "kiszűri", így az azt megelőző fokozatokra ( és a segédrácsra) már egy "sima, brummtól, és hangrekfenciás jeltől - viszonlag - mentes tápfeszültség kerül
Mondjuk ebben igazad van, ezt nem tudom, hogy mekkora áramra van méretezve a fojtó, de nekem mindenképpen segített, hogy a teljes tápot megszűrtem a fojtóval. Akkor azt kellene csinálni, hogy betenni egy nagyobb áramra méretezett fojtót emellé. Mi a véleményed erről?
A BEAG erősítők felújításakor próbáltam ki ezt a módszert, és amit építettem EL84SE erősítőt abban is így van, hogy a teljes tápot megszűröm a fojtókkal, és ez nálam teljesen megszüntette a búgást. Egyébként nálam az a 5-10V-os váltófesz okozta a búgást, ami a tápon volt.
Szia!
A kék fény felfűtött állapoban is felvillan ha bekapcsolom standby kapcsolót. 1 másodpercre a teljes rács kék fényű lesz majd eltűnik de a rács alja azáért picit fénylik. A búgás egynesen arányos a fényléssel, ha fénylik az egész a búgás is hangos ha a fény alig észrevehető a búgás is kicsi ergo ha nem fénylene gondolom nem is búgna. Megpróbálom a leírtakat. Köszi!
A folytó nagyon nagy első ránézésre azt hittem külön trafó a fűtésnek.
A kék fény szerintem minden végcsőben jelen van, nekem is kéken világítanak a rácsok az EL84-ben, persze halványan. Lehet hogy nálam azért nincs villanás, mert csöves tápról megy a cucc, és lassan kapja meg a tápfeszt. Lehet hogy érdemes volna kipróbálni, hogy egy ellenállást teszel sorba a táppal, hogy csak lassan kapja meg a nagyfeszt, és akkor lehet megszűnik a villanás is. Aztán egy relével rövidrezárni. Egyébként a kék fény felvillanását már más is írta, azt hiszem a hirtelen bekapcsolás miatt keletkezhet. Aztán ha beáll a munkapont, akkor ez elhalványul.
A fojtóval vigyázz, nehogy leégjen, azt nem vettem számításba, hogy mekkora áram folyik át rajta. Kócinak ebben igaza van. Ha nem bírja akkor tegyél be egy nagyobb áramra méretezett fojtót.
Ó, értem
Előbb-utóbb csak kitanulom a dolgokat, de inkább utóbb
Hát igen, disznó nagy ellenállat kéne hozzá...
Milyen értékű bias állító trimmereket kellene berakni?
Hát ez jó kérdés, én az EAG EA-080-as kapcsolásból tudnék kiindulni, abban 15 kOhmos poti van a biasnak. Szerintem nagyjából ebbe is jó lehet ez az érték. Tán egy picit lehet nagyobb érték is, mondjuk 22k-s.
Most jut eszembe. Bias! Annak is DC tápja van ha az nincs megszűrve rendesen, attól is búghat a cucc! A fent nevezett EAG kapcsolásban kéttagú szűrő van, a te rajzodban csak egytagú! Kispórolták belőle a szűrést. Az elektroncső.hu oldalon én írtam az EAG EA-080-asról a cikket, ott megtalálod a kapcsolási rajzot is. Esetleg a bias szűrését is meg lehetne csinálni aszerint a rajz szerint.
Eljött a tavaszi nagytakarítás: kell valakinek hulladék cső, vagy szórhatom a kukába őket? (kivéve azt a néhányat, amiből 6N2P->6N3P átalakító lesz
) Gyűjteménybe, vagy akárhova…
DMM-mel 20 H -is méréshatárban egy Laney supergroupp fojtót sem tudtak még megmérni
Segédrácsellenállások jók ? bár akkor nem szólna ... én szerintem agy lehet a ny.á. ... Mindeképp be kelene építeni egy bias állító trimmert ...
Nekem is van egy Laney Sound 60 -om (Supergroupp) , és nem hinném, hogy emmiatt brummos ! Az enyém tök csendes volt, amíg meg nem halt a hálózatija .. Majdnem gyári állapotú !
...
Köszi, akkor viszaveszek a lendületből :yes:
|
Bejelentkezés
Hirdetés |



kivettem a készletből azt amelyik a kezem ügyébe akadt és az első kettő kapásból gázos volt és beparáztam





