Fórum témák

» Több friss téma
Fórum » Labortápegység készítése
Egyéb népszerű labortáp témák:
- SMPS labortáp
- Labortáp javítása
Lapozás: OK   244 / 852
(#) emmzolee válasza (Felhasználó 13571) hozzászólására (») Ápr 3, 2010 /
 
köszi
(#) emmzolee válasza Alkotó hozzászólására (») Ápr 3, 2010 /
 


Viszont nem volt kedvem letekerni az egész szekundert, hogy a 26V-os tekercset módosítsam 24-re.

Abból remélem nem lesz gáz a 0-30V-os táp résznél.
A többi tekercs módosítva lett, mert 5-8V eltérés volt a rajzotokon megadotthoz képest. Meg akkor már rátekertem a 6db 8V-os tekercset is. megcsináltam e trafóra a feliratot is. itt a kép:

P1250108.JPG
    
(#) c27 válasza Alkotó hozzászólására (») Ápr 3, 2010 /
 
Végül is a trafó tud 2 X 17V-ot így 34V-ot is és 5A ha jobb úgy, akkor 34V-ra keresek kapcsolási rajzot, de mindenesetre 2 X 20V-os táp jobb lett volna, így meg nem tudom mire jó 0-40V-os tápot kiad e vagy eleve csak 0-30V-os tápok készítsek nem tudom a 34V(Ac) kevés egy 40V táphoz?
(#) dB_Thunder válasza c27 hozzászólására (») Ápr 3, 2010 /
 
Számoljunk:
A 17 volt AC az egyenirányítva és szűrve kb 24 voltot ad. Itt még figyelembe kell venni a terhelésnél romlik a szűrés, növekszik a hullámosság, ennek nagysága a kondi nagyságától függ, de olyan 2-4 volt között alakul.
Tehát a használható feszültség olyan 20 volt körül lesz. De a tranzisztoros áteresztő fokozatnak is valamennyi maradékfeszültsége, mely függ az alkatrészektől és a kialakítástól is. Ezért a kimenő stabilizált feszültség 18 legjobb esetben 21 volt lehet.
Az utóbbit csak nagyon jó maradékfeszültségű táppal lehet megcsinálni, és kell még legalább 2200 mikoF / 1 A (tehát 5 A kimeneti áramhoz 10'000 mikrós kondi)
A 18 volt elég soványka...

Kicsit jobb a helyzet, ha 2x17 nézzük :
-egyenirányítva 48 volt (a puffer kondinak min 50 voltosnak kell lennie)
- hullámosság szintén 4 volt
- kimeneti feszültség simán lehet 40 volt, jobb esetben 45 is.
Ez már jobban használható, de 5 A kimeneti áramnál és pár voltos kimenő feszültségnél szép kis kazán lesz belőle, ezért én használnám a 17 voltos leágazást is, és 18 volt alatti kimeneti feszültségnél onnan táplálnám az szabályzó részt...
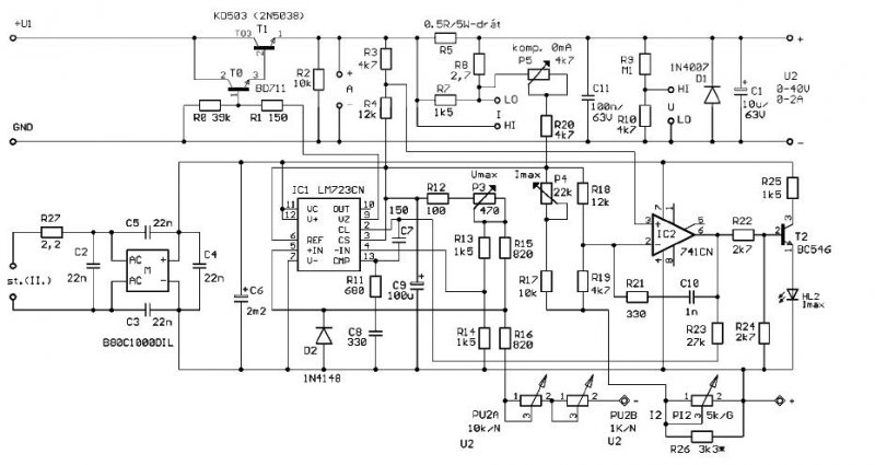
(#) elektromania92 hozzászólása Ápr 3, 2010 /
 
Sziasztok.
Mint évfolyammunkát csinálok egy stabilizált tápforrást, 0-40V/2A a főbb paraméterek.
Csatoltam a tápforrás logikai bloksémájat, valamint a 2db bekötési rajzot.Mivel idő hiányában vagyok részletes leírást nem csatolok.Ez csak ké t bekötési rajz. Még ehez jönne 2 féle, a panelmérő ill. a feszültségeket előállitó gate modul.
Az én szempontomból csak a 2 csatolt a fontos.
A problémám az, hogy a szabályozás nem reagál a potik csavarására.A kimeneten a maximum van állandóan, az kb 55-56V.Nem tudom miért.
Valaki tudna segíteni?
Köszönöm
(#) Krisz03 válasza elektromania92 hozzászólására (») Ápr 3, 2010 /
 
Talán zárlat lehet az áteresztőtranzisztornál.
(#) elektromania92 válasza Krisz03 hozzászólására (») Ápr 3, 2010 /
 
Én a BD711-esre gondoltam, hogy azzal lehet valami.De csak ugy ránézésre, mert ez egy TO220-as tokozású és hát a felső fém része, egy kicsikét barnás fényű volt.
Lehet, hogy a forrasztásnál egy kicsikét odapörköltem neki.Rendeltem is másikat, de még nem jött le a csomag.
Mondjuk amelyiket kiforrasztottam, méregettem multival, de semmi furcsát nem tapasztaltam. No majd meglátjuk.

Egy kérdés.Ha a Tr tönkremegy, akkor az mindig nyitott állapotban van?Gondolom akkor már tényleg egy csomópontnak tekinthető.
(#) c27 válasza dB_Thunder hozzászólására (») Ápr 3, 2010 /
 
Nekem végül is szerintem 40V fölé sose kell mennem (lehet még 35 fölé se), akkor azt is meg lehet csinálni, hogy 2x18V így ha 18V fölé kell menni sorba menne a kivezetés (36V még szerintem jó). 10miliF kondit én is alapnak gondoltam, de ha tudok akkor fölé mennék csak 2db kellene a 2x17V-nál. Ha ki lehetne valahogy hozni 2x20V-ot akkor az lenne a jó, de ha egybe megy a 2x17V akkor nagy fűtés lesz, ha úgy csinálom ahogy te mondtad, akkor csak azt érem el, hogy nem 36-40V lesz a max fesz, hanem 40-45. Ha tegyük fel 20000µF kondit tennék rá akkor el lehet érni 20V-ot?
(#) Alkotó válasza c27 hozzászólására (») Ápr 3, 2010 /
 
AC17V-ból tudsz AC20V-ot stabilizálni.
Legrosszabb esetben (ami a max terhelés környékén van), nem lesz "annyira" stabil az a feszültség, mert már a "bemeti tartalék" elfogyhat.
A nagyobb puffer segíthet, de elsősorban csak impulzusszerű terhelésnél van hozadéka, tartós terhelésnél nem tudja pótolni a feszültséghiányt.
Ennél is fontosabb lenen tudni milyen a trafó. Egész pontosan azt, hogy ha simán a váltó 17V-ot megterheled 5A-el, akkor ugyan mennyire esik vissza a feszültség. Attól tartok, az üresjárási 17V, már csak 15V körül lesz, és akkor bizony már nagyon is inog a stab. DC20V lehetősége.
(#) c27 válasza Alkotó hozzászólására (») Ápr 3, 2010 /
 
Ok, akkor holnap megnézem mit tud a trafó, esetleg talán megoldható lehet még az is, hogy megtekerem, de ez elég bizonytalan, hipersil vasmagú, de nem akar szétjönni vagy a festék fogja vagy ragasztó és ha ragasztó akkor nem fogom tudni szétszedni.
(#) proli007 válasza elektromania92 hozzászólására (») Ápr 3, 2010 /
 
Hello!
Remélhetőleg csatlakoztattad a PU2B 2-es lábát, a tápegység negatív kimenetéhez és a PI2 2-es lábát a tápegység pozitív kimenetéhez..
De mérd meg az IC-k lábain a feszültséget a táp plusz kimenetéhez képest. (polaritást is jelöld) Akkor talán okosabbak leszünk.
üdv! proli007
(#) elektromania92 válasza proli007 hozzászólására (») Ápr 3, 2010 /
 
OK.Majd a jövőhéten jön meg a BD711 es, meg mégy egy pár cucc.Akkor talán majd okosabb leszek, mert most tranzisztor híjján nemtudok semmit mondani.
(#) Hetope válasza elektromania92 hozzászólására (») Ápr 4, 2010 /
 
Az első hiba hogy a 10 -es labrol kell ameghajtást kivezetni. Nézd meg a rajzomat ! Az enyém is ilyen lebegős táp.
(#) lajos1969 válasza Alkotó hozzászólására (») Ápr 4, 2010 /
 
Már csak a műszerek vannak hátra.
Csak egy 7107-et kell vennem és kész!
(#) Alkotó válasza lajos1969 hozzászólására (») Ápr 4, 2010 /
 
És a másik meglévővel már kipróbáltad a mérést? Működik jól?
(#) lajos1969 válasza Alkotó hozzászólására (») Ápr 4, 2010 /
 
A legutóbbi rajzoddal még nem de remélem, hogy fog működni rendesen. Ha kipróbáltam feltétlenül jelzem.
A műszerhez szereztem egy 2*6V-os 3.5W kis puskás trafót szerinted jó lesz hozzá?
(#) lajos1969 válasza Alkotó hozzászólására (») Ápr 4, 2010 /
 
Kipróbáltam és jól működik csak mindkét timmert teljesen végkitérésbe kell állítani.
A puskás trafó nem jó mert ugrál vele a műszer.
(#) Alkotó válasza lajos1969 hozzászólására (») Ápr 4, 2010 /
 
Az én számításom szerint, valahol a közepéhez nagyon közel kéne lennie a trimmernek, mikor éppen hitelesen mér. De ezt befolyásolják az osztó elemeinek tényelges értékei, és az áramsönt valós értéke is.
A váltó 6 volt nem elég. Itt "egyutas" egyenirányítás van. A nélkül, hogy ebbe most nagyon belemerülnék, itt nagyobb tartalék kell, és nagyobb kondi, mint kétutas esetben. Viszont így elég egyetlen tekercs, és ide bőven nem is kell ettől "szakosabb" mert sem az IC, sem a kijelző nem igényel szépen szűrt feszültséget. Viszont igényli az IC a stabilitást, ezért mindenképpen 8-9V váltó körül keresgéld a megoldást, mert ebből tud a 7805 "gazdálkodni".
(#) lajos1969 válasza Alkotó hozzászólására (») Ápr 4, 2010 /
 
Akkor a trimmerek értékeit változtassam, vagy az ellenállásét és kb mennyivel?
(#) Alkotó válasza lajos1969 hozzászólására (») Ápr 5, 2010 / 1
 
Mellékeltem egy számítás. Ha végig nézed jól látszik, hogy a trimmerek középállásban vannak "jó helyen". Ha nálad nem ez a helyzet, akkor ott valami nem "ideális".
Ha az előtéteket használod, akkor a panelon lévő Rx1-et ki kell hagyni. Ha az bent van (100R), akkor az erősen megzavarja az osztótagot, mert egyáltalán nem mindegy, hogy a műszer 100R-al terheli az osztót, vagy 1MR fölötti értékkel.
(#) lajos1969 válasza Alkotó hozzászólására (») Ápr 5, 2010 /
 
Köszi a választ igazad van a 100R ellenállást kivettem a mérőpanelból és tökéletesen lehet állítani kb középállásban vannak a 100R-ak.
(#) ferencz istván hozzászólása Ápr 6, 2010 /
 
Szia Alkotó.
A#475940-es cikkedben bemutatott kijelzőt szerezném elkészíteni. A problémám, hogy csak dupla kijelzőm van,az ehhez való nyákrajzot szeretném megkapni. Ha tudsz légyszíves segíts.
István
(#) lui144 válasza lajos1969 hozzászólására (») Ápr 6, 2010 /
 
ICL7107-est?? Abból nekem van itthon 20 darab. Ha kell tudok küldeni vagy akár személyesen is tudnék vinni.
(#) Electricboy hozzászólása Ápr 6, 2010 /
 
Üdv!
Régi tervem volt hogy készítek egy egyszerűbb tápot, szereztem is egy KIT-et összeraktam tökéletesen működik. És most ott tartok hogy el kéne kezdeni a prototípus fázisból áttérni a kész megoldáshoz (dobozolás, potik, mérő műszerek...STB). PC dobozba szeretném bele rakni, a kép kedvéért bele pakoltam az összetevőket...(1.kép).Nem vagyok rutinos dobozolás terén ezért is fordulok hozzátok -->
1.Kérdés: Hogy lenne érdemes elrendezni figyelembe véve még két panel műszert.?
2. kérdés: AZ érintés védelmet hogyan lehetne kialakítani?
3.Kérdés: Milyen panel műszert és hogyan hova lehetne bele kötni.(mármint az áramkörbe ).
4. Egyéb ötlet!
Válaszokat javaslatokat előre is köszönöm!
(#) Alkotó válasza ferencz istván hozzászólására (») Ápr 6, 2010 /
 
Érdekes, hogy az "alap"-hozzászólást megtaláltad, a neked kellő részt meg nem. Szerintem ebben éppen megvan minden, ami kellhet.

Moderátorok!
A kérdéshez próbáltam megkeresni az adott számú hozzászólást (melléklet szerinti szintaktikával). Született is pár találat, de azok közt nem volt az adott számú hozzászólás. Én hibáztam, vagy a rendszer?
(#) ferencz istván válasza Alkotó hozzászólására (») Ápr 6, 2010 /
 
Köszönöm a gyors választ.A válaszod egy másik topikban volt.Én ott nem kerestem.
A moderátoroktól elnézést kérek elírtam, #475942-es számú a jó.
Üdv István
(#) Alkotó válasza Alkotó hozzászólására (») Ápr 6, 2010 /
 
Lassan lépeget az én tápom is egy "készebb" állapot felé. Az alappanel (kép-1), megkapta azt a bordát, amit neki szántam, illetve vettem hozzá egy trafót (kép-2). Ugyan ez nem a trafós téma, de mégis részben ide tartozik.
Gyors számítással ellenőrizhető, hogy a felírt értékek, illetve a vasteljesítmény nincs szinkronban. Ennek egészen egyszerű oka van: ilyet kértem. A kisebb vasmag olcsóbb, és energiatakarékosabb (nekünk kell a természetet minden eszközzel óvni, mert a gyermekeinknek nem marad belőle). Tehát a rendelést úgy adtam le, hogy adott vasmagra ugyan, de az általam kért áramokat elviselő huzalátmérőkkel történjen meg a gyártás. Abszolút készségesen, minden értetlenkedés nélkül megcsinálták.
És itt jön az érdekesség. Más témákban már sok szó esett arról, hogy a vasmag végül is befolyásolja a teljesítményt vagy csak az "elférés" miatt éppen akkora mint általában. Ezt a polémiát most én se fogom feloldani. De a saját trafómat megméregettem, és tényként szögezhetem le, hogy minden ésszerű határt betartva, tökéletesen tűri a "túlterhelést". 2 db 24V/100W-os izzót kötöttem sorba, és azzal terheltem a 42V-os tekercset. Ez ugye alapos terhelés, ami jóval túlmutat még a kért "túlméretezéshez" képest is. 2 óra folyamatos üzem után is éppen csak kézmeleg az egész trafó (ami 120VA hivatalosan). A feszültségesés 2,1V, amit én több mint normálisnak gondolok.
Ezekhez csak adalék, hogy kértem hosszabb kivezetéseket a műszerekhez -> megcsinálták; utólag telefonon kértem egy leágazást 30V-nál ->megcsinálták; kértem, hogy lehetőleg keddre legyen kész -> természetesen kész lett (1 munkanap). Tehát az Elektrisz 2000 még mindig nagyon jó kis cég. Volt itt néhány egyéb árfekvést ígérő javaslat, amiknek most alaposan utánanéztem, és mind vagy éppen annyi, vagy jóval drágább feltételekkel tudták volna vállalni a trafómat.
Tehát az egyedileg gyártott 120VA-es toroidom, közel 180VA-el terhelve, 2 órai folyamatos üzem mellett, remekül helytállt.
(#) Ballage hozzászólása Ápr 6, 2010 /
 
Halihó!

A hosszú hétvégén volt egy kis szabadidőm, úgyhogy tudtam foglalkozni egy kicsit a Pioneer-féle labortápommal. Ennek eredményeképpen előállt a saját tervezésű hővédelem és a méréshatárváltó panelje. Nincsenek teljesen készen, egy-két apróság még hiányzik, de a lényeg már látszik.

A nyákok vasalással készültek, ezzel kapcsolatban új felfedezésem (legalábbis számomra új), hogy akkor tapad fel tökéletesen a toner, ha közvetlenül a műnyomópapírba csomagolás előtt tiszta alkoholos papírzsepivel áttörölgetem a rezet. Ez nem csak a zsírtalanítás miatt fontos (amúgy is eléggé zsírtalan már), hanem a felületre tapadó porrészecskék miatt(!), amik a festék alá kerülve lepattogzást eredményeznek. Ezzel a módszerrel a korábbi próbálkozásokhoz képest hibátlan tapadást sikerült elérni.
(#) Alkotó válasza Ballage hozzászólására (») Ápr 6, 2010 /
 
Idézet:
„... a méréshatárváltó panelje ...”

Ez mire való? Milyen funkciót valósít meg?
(#) Ballage válasza (Felhasználó 13571) hozzászólására (») Ápr 6, 2010 /
 
Köszönöm. Melyikből kellene?
Következő: »»   244 / 852
Bejelentkezés

Belépés

Hirdetés
XDT.hu
Az oldalon sütiket használunk a helyes működéshez. Bővebb információt az adatvédelmi szabályzatban olvashatsz. Megértettem