Fórum témák
» Több friss téma |
Fórum » Autóelektronika
Témaindító: sufni-tunning, idő: Ápr 19, 2008
Témakörök:
Valoszinüleg lehet, de még az sem kizárt, hogy létezik ilyen gyári opcio, amit szoftveresen lehet aktiválni.
De erröl többet csak alapos tipusismerettel rendelkezö tudna mondani.
Szinte biztosan létezik, és komfortelektronikának szokás nevezni, bár épp Hondánál nemtudom, hogy így nevezik-e. Csak persze márkaszervízben kemény összegért billentik át az engedélyező bitet, nem márkaszervizes embereknek meg nem szokott lenni cuccuk hozzá. De biztosan van megoldás rá, és nemis itt vetődik fel a kérdés, Hondás fórumokon kellene utánajárni a lehetőségeknek.
Én még annyit tennék hozzá, hogy ha más lehetőség nincs, akkor lehet venni erre a célra külön elektronikát, amit a központi zárra rákötve elvégzi a feladatot. De először én is a gyári lehetőségek után érdeklődnék.
Ráadásul a II golf szőnyegét kibontani nem igen több öt percnél.
Az nem biztos, hogy alkalmas a feladatra.
Nagyon köszönöm a kontaktspray-s tippet, bevált
Most működik korrektül.karika200
Sziasztok!
Nemreg szereltem be a kocsiba a kozponti zarat, azt szeretnem megoldani, hogy amikor bezarom a kocsit, akkor a veszjelzo 2x gyuljon fel, amikor kinyitom akkor pedig 1x, csomagtarto nyitasakor ugyancsak 1x. Ehhez kellene vmi idozito, vagy keslelteto, gondolom. Tudna valaki valami kapcsolasi rajzot adni, ami ide megfelelo lenne? Elore is koszonom! DHAndras
Szia!
Vannak olyan központi zárak, amik tudják kezelni a villogtatást. A Tied milyen fajta? Sőt van olyan is ahol a riasztó vezérli a központot és a riasztó villogtat. A riasztón be lehet állítani a villogást. Minden áron ragaszkodsz a 2-t villan, 1-et viilanhoz? Ha nem elég csak az egy villanás, akkor azt meg lehet oldani 2 reléből és néhány csúszósaruból. (szerintem). Üdv. Sufni-tunning
Szia!
Mellekelem a kozponti zaram rajzat, sajnos ez egy elegge kezdetleges kis mutyur:| Hat, ha megoldhato szeretnek inkabb kulonbozo villogasokat (1 illetve 2). Esetleg ha vmi otlet igy. Meg gondoltam, h az ablaktorlo idozito... na de nem tudom vagy vmi 555-os ic-s aramkor?!?!...DHAndras
Kedves Sufni-tunning!
Keresgeltem a neten es kaptam egy u.n. idozito relet. Es, ha jo az elgondolasom akkor igy nem is annyira nehez megoldani a problemat. Ha megkerlek kifejtened, megjobb esetleg, ha le tudnad rajzolni, akar vazlatosan a te 2 reles otletedet? Udv. DHAndras
Szia!
Nem egy bonyolult dolog. A motorok nyitását, zárását használjuk ki. A relé tekercskivezetéseire kötjük a motor felé menő vezetékhez forrasztott vezetékeket. Majd adunk egy pzitívot a relé nyelvének és a relé kapcsolásakor a kimenő szálat kötjük az index + szálára. Természetesen biztosítékolva és mindkét indexhez egy-egy relét. Kép ment mellékelve, remélhetőleg érthető. Ez csak egy relé, a két indexre kettő kell (jobb, bal oldal).
Jó kis rajz.
![]() 2 relé helyett nem lenne egyszerűbb 1 relé meg 2 dióda?
A két diódán még el kell gondolkoznom.
Egyik nap hirtelen kellett "valami" csinálni, mármint, hogy legyen villogás, és ez volt a leggyorsabban kivitelezhető dolog (relé, saru, vezeték van polcon, egyenirányító dióda még nincs, de mostantól az is lesz).
A rajz szerint 12V 10W-os az izzó, azaz 0,12*10=1,2A
Neked mekkora áramerősséget produkál a világításod? El fogja bírni az elektronika vagy átalakítod az áramkört nagyobbra? Nem kekeckedés, csak nehogy elszálljon az elektronika, nem vesszen kárba pénz vagy munka.
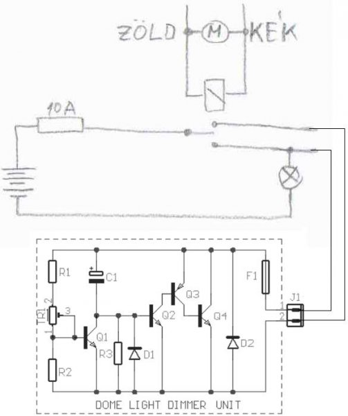
Szia.Ha a Q4-est kicserélem 2N3055-re Úgy már jó lenne?Vagy még másikat is izmosabbra kell cserélni.Köszi.Erröl a rajzrolBővebben: Link
Sajnos ennyire nem értek az elektronikához.
Ahogy néztem az adatlapot a Q4 most 7A-res. Ki kéne számolni mennyi az összes terhelés amire szeretnéd kötni, meg az sem baj, ha van passzív védelemnek egy biztosíték is.
Köszi.Meg se néztem Q4 adatlapját,de nekem a 7 A bőven elég.
Ne gondolkozz sokat, minden riasztoban igy van megoldva.
Van, amiben dobozon belül, és van, amiben dobozon kivül.
Néha nem árt, mert sajnos láttam már feketén füstölő motorházetőt?
Hozzáértő ember kötött be valamit, de mire eloltottuk, addigra nem tudtuk meg mi is volt a hiba okozója.
Most voltam egy áramkört megnézni, állítólag be volt dobozolva, én azt már nem láttam, de egy MAX232 illesztő volt autós gáz cucc laptopos macerálásához. Panel nélkül, a kondenzátorok kb. egycentis lábakkal ráforrasztva a MAX232-re, egy 5-re végződő talán 7805 lehetett, aminek a bal és a középső lába össze volt forrasztva és GND-re kötve, meg valami soros dióda is volt a bejövő tápon. Na hogy ez mi akart lenni, nem tudtuk kinézni, de még csak valami ragasztóval se volt megkenve, hogy fixálva lettek volna a lábak, és most lett valami zárlat, dióda és 7805 szétrobbant, diódáról az 1N látszik, 7805-ről meg az 5, szóval mindkettő csak tipp, hogy mi volt. Bónuszként állandóan vette fel az áramot, nem csak ráadott gyújtásnál. Szóval ügyes gyerek volt aki csinálta, meg az is, aki berakta...
Sziasztok!
Az a kis kapcsr.jpg az csakilyen gyors 2 masodperc alatt osszerakott rajz nagyjabol eleg elmeleti semmit sem szamoltam utana. En csak arra voltam k,ivancsi h a hozzaertobbek mit szolnak ehhez a megoldashoz, es ha pozitiv visszajelzest kapok, akkor kidolgozom. DuuD
Azt gondoltam csak én fogom ki az összes gányt, de látom Nektek is hoznak érdekes dolgokat.
A max232 adatlapján létezik valamilyen kondenzátornak láb 1 és 5 ös, csak lehet elnézték az irányt és fordítva kötöttékbe. Ezért jobb előtte letesztelni gépen, majd próbanyák, és ha működik csak akkor megépíteni. Még az a jó, hogy nem volt az elektronika a gáz közelében vagy hogy nem indította be. Nem véletlen nem szerelheti be akárki akárhogyan a gázszettet. A rossz szerelésből volt már néhány puff. Idézet: „Most voltam egy áramkört megnézni, állítólag be volt dobozolva, én azt már nem láttam, de egy MAX232 illesztő volt autós gáz cucc laptopos macerálásához. Panel nélkül, a kondenzátorok kb. egycentis lábakkal ráforrasztva a MAX232-re, egy 5-re végződő talán 7805 lehetett, aminek a bal és a középső lába össze volt forrasztva és GND-re kötve, meg valami soros dióda is volt a bejövő tápon. Na hogy ez mi akart lenni, nem tudtuk kinézni, de még csak valami ragasztóval se volt megkenve, hogy fixálva lettek volna a lábak, és most lett valami zárlat, dióda és 7805 szétrobbant, diódáról az 1N látszik, 7805-ről meg az 5, szóval mindkettő csak tipp, hogy mi volt. Bónuszként állandóan vette fel az áramot, nem csak ráadott gyújtásnál. Szóval ügyes gyerek volt aki csinálta, meg az is, aki berakta...” Mondjuk ha egy 7805-nek a szelso es a kozepso laba ossze van kotve, akkor az egy rovidzarlat-szimulator es nem csodalkozom, hogy allandoan vett fel aramot A soros dioda nyilvanvaloan polaritasvedelem, a tobbi meg csak izles kerdese. Ha be volt dobozolva, akkor a usert ugysem erdekli, mi van benne
És azt miért kellett gázcucchoz rakni?
Vagy elértettem az egész beszélgetést. Ha igen akkor meg az a kérdés merül fel bennem, egyáltalán miért raknak egy autóba rövidzárlazttesztert? Van azokban úgy is elég rövidzárlat, fokozzuk még egy zárlattal, hogy biztosabb legyen a kigyulladás? Ha ez volt az eredeti szándék akkor ez elég kezdetleges trükk, és feltételezhető valamilyen haszonszerzés lehetett volna a céja, de erre hamar rá jöhetett volna szinte bárki, és akkor bukik a dolog. Ha nem haszonszerzés akkor egy nagyon kezdő kezdése, de az ilyen jobb ha a továbbiakban ilyennel nem foglalkozik. Beépítés előtt saját készítésű terméket csak alapos tesztelés után építjük be, és ahogy már írtam ellátjuk legalább egy passzív védelemmel (én így hívom a sima biztosítékkal védett rendszert).
Ez nem teljesen mezei gázszett, soros porton keresztül lehet a paramétereit állítgatni.
Amúgy sima TTL-RS232 szintillesztő volt (hogy miért eleve nem RS232 szintű kimenet van a gáz vezérlőjén, azt nem tudom). Biztosíték kiégett az akciónál, onnan vette észre a tulaj is, hogy valami gond van, hogy nem ment az autó gázzal, csak benzinnel. Aztán rádugta a laptopot és nem jött válasz... 78L05 így bekötve inkább áramgenerátor volt mint rövidzár, 200mA környéki áramot vehetett fel. Hogy a zárlatkor mi ért össze, nemtudom, annyira nem vizsgáltam.
Sziasztok!
Segítségre lenne szükségem, elég nagy a gond... Egy 1992-es Honda Concerto-ról lenne szó (1,6i - 130LE) Egyik rokonommal kuplungot cseréltünk benne, és szerintem kiugrott a kmh spirál, mert nem mutatja, hogy mennyivel megyel és hogy hány km-ert tettem meg. Ez a kisebbik gond, ezt még lehet én is megoldom, de ha más nem akkor egy szerelő... A nagyobb gond ott van, hogy valószínű ennek következtében pár km megtétele után kigyullad sárgán a motor ellenőrző lámpa. Ezzel kellene valamit kezdeni. Elvittem szerelőhöz, de azt mondta, hogy nem tud vele mit csinálni, mert nincs ilyen műszere és nem tudja kiütni a hibakódot. Azt mondta, hogy régi az autó, de "okos" már sok elektronika van benne. Olyan valakit keresek akinek van ilyen kocsival kompatibilis műszere és kitudja venni a hibakódot vagy valamilyen más megoldás is jó lenne, amivel megoldható lenne a probléma. MÉg azt akarom megpróbálni, hogy megcsinálom vagy megcsináltatom a kmh spirált és hátha akor kialszik. Csak az a baj, hogy valószínű, hogy nem fog, annak ellenére sem ha megszűníik a hibaforrás, mert általában ezek a lámpák akkor aludnak el, ha azt a megfelelő eszközzel és programmal kiütik.
Azért először rakd rendbe a spirált, hátha mégis eltűnik a hibakód.
Igen, a jövőhéten megpróbálom megcsinálni, vagy megcsináltatni.
Azért világít a check engine, mert a WEG jeladó a műszeregységben van, és nincs a motorirányításnak sebességjel a WEG-ről . ( WEG = Wegstreckenfrequenzgeber -> útszakasz- frekvencia jeladó ) Ha kicseréled a spirált, vagy megjavítod, eltűnik a hibajeled.
|
Bejelentkezés
Hirdetés |




Most működik korrektül.
vagy vmi 555-os ic-s aramkor?!?!...

).





