Fórum témák
» Több friss téma |
Fórum » Kapunyitás gombnyomásra olcsón! - avagy automata kapu házilag
Témaindító: szabi83, idő: Feb 2, 2006
Engem érdekel! Sok képet légyszi!!!
És ha lehet mond meg hogy hogy csináltad meg a távirányítást.
Sziasztok
A következő kérdésem lenne szeretnék egy kapunyitó vezérlőt épiteni és ehhez keresek kapcsolásokat ha lehet piccel de érdekel más megoldás is. Szóval adva van egy tolókapu amit motor fog mozgatni ezt két relével akarom vezérelteni ugye a forgás irányok maitt a két végállásnak be épitenék két végálláskapcsolót és lenne egy infra sorompó ami az áthaladást figyelné szóval ehhez keresnék valamiféle rajzot. Távszabályzóm már van amin van két gomb és a vevőben van két relé ami egy egy gombhoz van rendelve azért keresek valamiféle vezérlőt mert nem akarom hagyományos relés vezérléssel megoldani meg időrelés megoldásokkal bajlódni amikor ezt szerintem egyszerübben is meglehetne oldani piccel de sajna anyira azért nem vagyok profi hogy egy ilyen vezérlő progit megirjak szóval ha valaki tud segitsen . Előre is köszönöm a segitségeteket.
A relés megoldás a legegyszerűbb! Minek bonyolitani?
Vagy akasz valami extrát?
hacsi66
CAME-ra tudok mondani, mert azt szereljük (HÖRMANN-t is, de az nem tetszik). Tolókapu mozgatók csak nagyon ritka esetben mennek időre, főként csak a villogólámpa miatt van működés időzítés. A vevők általában a nyomógomb (impulzus) két csatijára vannak kötve, mivel a vevő általában kap egy tápot (+ és - egyenáram, vagy váltóáram) és van két kontaktus a reléhez (pl. came vevő). Némely esetben a nyomógombnak csak a 0-át kell a vezérlésen az impulzus bemenetre lökni (pl. HÖRMANN). Tehát tudni kéne, hogy milyen távvezérlő vevő van. Egy vezérlésnek annyit kell tudnia, hogy impulzusra elinduljon/megálljon/ellenkező irányba induljon el. A te esetedben egyszerűsíteni lehet a dolgot, mert a vevő és távirányító két csatornás, ezért az egyik lehet a csukás, a másik a nyitás. Bár majd nálam okosabb műszerész beállítottságú emberkék megmondják, hogyan lehet így vezérlés csinálni. Biztonsági funkcióként fotocella mindenképp ajánlott, mivel a tolókapu mozgatók elég izmosak és csak ritkán láttam, hogy lett volna erőhatárolás. Nomeg az sem olyan precíz, mert elég szépen be tudja tolni a kocsi oldalát, mire észrevenné, hogy valami az útjába került. De addigra már lehet is szólni a fényezőnek, hogy készítse a szórópisztolyát.
Nagyon köszönöm az észervételeteket de én konkrét rajzot keresek ha valaki tud ilyet kérem jelezze .
Nem tudom bedobta-e már valaki, de én ezt fogom használni a kapumhoz.
3 db ilyen infravevőt szedtem ki 3db rosz asztali dvd-ből, eddig 2-vel próbáltam ki, mindkettővel tökéletes.
Nagyon tetszik a kapcsolás. Annyi bajom van vele, mivel csak összedobtam, a nyákja nem lett valami jó és az alkatrészk is mind használtak(gondoltam úgyis csak próba), ezért néha kicsit hülye. van hogy elveszti a jelet. De szerintem az egyik kondi a bűnös, majd meg is nézem. De ha megy nagyon stabil, nem zavarja meg semmi, mint a gyári infrakapuk. ( megjegyzem, én még le is "butitottam egy cseppet, mert sokkal nagyobb ellenállást raktam az infraledre, majd a tízszeresét, de még így is viszi a 3-4 métert-) Most tervezem majd meg hozzá a végleges panelt.
Sziasztok!
Én is foglalkozom már egy ideje a témával. Akinek sikerült már megépíteni kérem küldjön fényképet, elsősorban az elektronikai megoldások érdekelnek!!!
Sziasztok!
Szeretnék építeni egy távvezérelt kapunyitót. A távvezérléshez kaptam sok információt egy másik forum-topicban, ezzel nincs is semmi gond. Inkább maga a mechanika és a vezérlés megvalósításában kérnék egy kis segítséget ha valaki már foglalkozott ilyennel. Előre is köszönöm a segítséget.
? Garázs-,v kertkaput szeretnél nyittatni ?
Toló-, nyíló-, esetleg bukó rendszerű ? Mindenesetben szükséged lesz: - oda-vissza forgatható motorra, hajtóműre - végállás érzékelőkre, kapcsolókra - egyéb biztonsági érzékelőkre
Nem tudom h használtad-e a keresőt és megnézted-e ezt a topicot de itt rengeteg minden van, képekkel videóval és elektronika megvalósításra is sok pl ötlet. Ja és llegfontosabb itt készült is el az ötletekből nem 1
http://www.hobbielektronika.hu/forum/topic_663.html Tisztelettel Csaba
Használtam a keresőt, de ezt a topic-ot nem találtam meg.
Szoval Ezt köszönöm. Az előző hozzászóláshoz pedig: Kétszárnyú kertkapu, és ehhez szeretném a legegyszerűbb nyitómechanikát megépíteni. A vezérlő elektronikával nincsen gond.
Idézet: téma ide áthelyezve. „Távvezérelt kapunyitó”
Kicsit leült a topic...
Nálam azóta is áll minden, őszre szeretném megcsinálni. Amivel előrébb vagyok, teljesen autódidakta módon nekikezdtem hegeszteni. Sokkal rosszabbra számítottam. Rutilos 2,5-s pálca, olcsó trafó, már egész jól ment a 10. pálca körül. A 8-adik pálcánál leoldott a hővédelem, de legalább fújtam egy kicsit. Most még bejött egy kerti nyitott "konyha", tudjátok, tárcsa és bográcshely, konyhapult, mosogatós...elkészítése, legalább azon élesben is gyakorolhatom a hegesztést. További fejlemény, hogy 3-4eFt körül már 4 csatornás ugrókódos távirányítós egységet lehet kapni, ezzel lesz építve. Ti hogy álltok srácok? Üdv Inhouse
nálam is áll, de nem lesz kész sztem.. oka, a toroidot sajnálomrá (végfoknak jobb lesz
), pctáp kevés/nem bízok benne.hegesztés nekem is megy már Üdv
Pár hónapja, amikor rátaláltam a HE fórumra, végigolvastam a topicot, de terminált nem győztem. Gondoltam majd én is nekiállok, de ez azért nem olyan egyszerű, hegesztés meg motor neki... De majd ha lesz saját házam...
(álmodozni csak szabad, nem?! )
Hogyne lenne szabad!
Amúgy én is autodidakta módon tanultam meg hegeszteni. Nem egy olyan nagy ördöngösség! Arra figyeljetek mindig hegesztéskor, hogy a felület, amit hegeszteni kel, legyen tiszta (rozsda- és festékmentes), és a keletkező salakot mindig le kell előbb verni, mielőtt újabb varratt készítenétek! A többi jön magától!
Na, majd ősszel, ha a meleg egy kicsit alábbhagy lehet folytatni....
Üdv Inhouse
császtok!
jópár éve foglalkozok kapuelektronikákkal (is) ha van kérdés, kérdezzetek nyugodtan
Hello mindenkinek Nekem azt kellene megoldani hogy egy 220V váltóáramu motror forgásirányát kellene változtatni (azt tudom,hogy a kondensator átkötésével tom változtatni az irányt) de nekem az a problémám, hogy ezt hogyan tudom megoldani relével ez a dolog nekem egy kapunyitóhoz kellene amit ugy szeretnék megoldani hogy egy gombot megnyomok nyilik a kapu megint megnyomom becsukódik ilyen egygombos kapcsolóra már találtam kapcsolást csak nem tudom a forgásirányt relével vagy mivel oldjam meg?
hi
ha aszinkron motorrol beszélsz akkor itt egy ábra 2. a közös 1. egyik irány 3. a másik irány szerintem ne kezdj kapunyitó elektronikának az építésébe, ne érts félre ha érdekel elmondom miért
érdekelne hogy mért ne kezdjek ijen elektronika építésének de ezt amit leírtál én is tudom nekem az lenne a lényeg hogy ezt relével hogyan tudom megycsinálni már egy rajzot elkezdtem csinálni ha kész lesz felteszem de azért kösz
Hello
Sajnos nem jó! Az 1-es végálláskapcsoló csak a segédfázist kapcsolja le a főfázist nem! Így leég a motor.
Idézet: téma ide áthelyezve! „220-as motor irányváltása”
Tényleg igazad van (észrevehettem volna előbb is) elég kezdő vok a témában de akkor jól gondolom hogy egy kétpólusú végálláskapcsoló kell Vagy azt a fázist is meg kell szakítani amire csak a kondi megy?
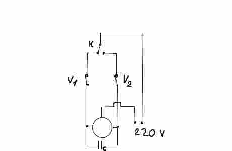
szerintem ennél egyszerűbben nem lehet megoldani:
V1 és V2 végálláskapcsolók alapból zárt pozícióba vannak K1 egy síma 2 áramkörös kapcsoló, amit egy megfelelő relével is lehet helyettesíteni, ezzel lehet az irányt váltani
Ez enyire egyszerű? EZ tul egyszerűnek tűnik ahhoz h jó legyen kösz a segítséget
|
Bejelentkezés
Hirdetés |




Vagy akasz valami extrát? 
Szoval Ezt köszönöm.
(álmodozni csak szabad, nem?!
)








