Fórum témák
» Több friss téma |
Szia ODU ez engem nagyon érdekel hogy igy ösze lehet kötni az icket? és mégis menyit lehet ösze kötni igy ?
Válassz olyan IC-t ami direkt arra a célra lett kifejlesztve. De sajnos rengetegszer kell elismételnem ,hogy előbb keressünk bele a fórumba mert már le van írva minden.
szia van neked ehez a képhez kaocs rajzod is ? Mert ez engem is érdekelne
Abból semmi jó nem fog kisülni ha 7294-et próbálsz szimpla 12V-ról járatni :no:
Totál nem arra találták ki. Kocsiba inkább egy ilyennel volna érdemesebb próbálkoznod, mivel ez pont arra való. Jobban járnál vele.
Ennyi van róla csak, én is most gyűjtöm hozzá az információkat, véleményem szerint bármeddig lehet fokozni a párhuzamosítást ami azt jelenti hogy 2db 8 Ohmra, 4db 4 Ohm-ra, 6db pedig 2 Ohmra tudja leadni a kívánt teljesítményt amik rendre: 140W, 280W, 420W
Ez az én véleményem!
Hali srácok!
Nem tudom emlékszik-e még valaki, de pár hete bajlódtam egy tda7294-es mono végfokkal. Cseréltem benne ic-t, de nem újat tettem bele, hanem egy kb. 10 éveset, ami a padláson pihent mivel le volt törve egy lába, ezt kiküszöböltem, beletettem és azóta hibátlanul működik, semmilyen más módosítást nem végeztem rajta. Talán egy kicsit halknak tűnik, olyan mintha az stk-s technics erősítő fölözné... Szóval nem akarok semmi és senki ellen beszélni, de eszerint az ic volt a hibás, kettő vatta új. Szegeden vettem, kettőt tippelhettek hogy hol... Most hangerő poti nélkül hajtom, a hangerőt telefonon/discmanen állítom, ez lehet káros az erősítőre nézve? Hogy a bemenő jel ne őlje meg tegyek elé egy ellenállást?
Én egy fél éve úgy hajtom, szóval azt tudom mondani hogy nem, az autós erősítők is így mennek, annyi hogy nagyobb maxon az alap gerjedés/búgás.
hasonlót már épitetem de az 4x40 w lett 12v-ra
de az csak a kocsi hangszóróira elég de én subra akarnák épiteni egyet de ha nem megy szimpla 12-re ak semi
ja és ezt is lehetne többet egymásba kötni ?és hogy ?
Hát figyelj, az én elképzelésem ez, de nem garantálom hogy jó
Erre gondoltam én is . De tik joban értetek hozzá majd ki probálom
12V-ra nem fogsz tudni komoly teljesítményű szubvégfokot csinálni. Ha mindenképpen TDA 7294 véget akarsz, akkor csinálnod kell egy kapcsolóüzemű tápegységet, ami 12V-ból +/-30V (max+/-40V)-ot csinál.
Máshogy nem lesz jó.
ha már így szóba jött akkor tudtok olyan kapcsolást ami 12V-ból olyan +-40-et csinál? vagy bármilyen DC-DC konvertert?
előre is kösz
Köszönöm!
Bassmaster, válaszolsz nekünk az alábbi kérdéseimre? Több embernek is fontos lenne és a te hozzászólásodat biztosan elhisszük, mint hozzáértő. Köszönjük
Hali!
Én még nem próbáltam ezt a kapcsolást és szerintem más sem nagyon volt még eléggé bátor ahoz hogy megvalósítson akár csak valami hasonlót is. Ez csak egy elmélet, hogy akár ilyet is lehet csinálni. A rajz koránt sem teljes, megépítését senkinek sem ajánlom, mert ez ebben a formában nem működne. TDA 7293-ból lehet kettőt-kettőt párhuzamosítani és azokat hidalni az elején egy invertáló fokozattal, ha valakinek ilyen ambíciói lennének. Ez esetben a gyárilag ajánlott kapcsolás lehet a kiindulópont.
Hello!
Engem is foglalkoztatott a kérdés, hogy mire jók azok az ellenállások a kimeneteken. Én a 7293 IC-ket mindenféle ellenállás nélkül összekötöttem, vagyis nálam 0,47 helyett 0 Ohm van. Ugyanis az adatlapban ez ál: "The outputs can be connected together without the need of any ballast resistance." Vagyis röviden: mindenféle ellenállás nélkül összeköthetők a kimenetek. A 7294 is párhuzamosítható, de több külső alkatrész szükséges, ugyanis nincs külön buffer driver, minden IC-re külön rá kell kapcsolni a bemenőjelet. Sokkal nagyobb a hibalehetőség, jobban eltérhetnek a kimenetek. Itt van a kapcsolás Itt mindenképpen kell huzalellenállás a kimenetekre. Véleményem szerint ha 0,47 helyett 1-2 Ohm-ot tennél, az felesleges teljesítményveszteséggel járna. Gondoljunk csak bele, annak idején amikor rövidre zártam az első prototípusát a 7293 párhuzamos erősítőnek, ha a kimeneteken lett volna egy néhány Ohm-os ellenállás, semmi baj nem történt volna, és vajon miért nem tesz mindenki egy 2-3 Ohm-os ellenállást az erősítője kimenetére: mert feltételezem, nem fűtésre akarja elsődlegesen használni. Azt ne kérdezd, hogy konkrétan miért ekkora kell, ezt biztos valami okos emberek kiszámolták, ez amolyan optimális kompromisszum De ez csak az én véleményem zoka
Értem mit mondasz. A napokban utána olvasgattam kicsit ennek és azt találtam hogy tulajdonképpen ellenállás nélkül is össze lehetne kötni, csak akkor jobban melegedne az IC, ugyanis ez a gyártási szórás kiküszöbölésére van (ha sikerül 2 ugyanolyan IC-t berakni akkor semmi gond nem lenne). Viszont ezt a 7293-nál megoldottál a driver bufferrel ezért nincs szükség ellenállásokra. És valóban az ellenállás értéke egy optimális kompromisszum lehet (Nem túl nagy ellenállás ergo nagyobb teljesítmény, viszont a szórás kiküszöbölésére már megfelel).
Szerinted a párhuzamosított kapcsolást amit belinkeltél, azt lehetne hidalni vhogy? Én arra gondoltam hogy csinálni 2 olyan modult amit belinkeltél és az egyik modul kimenete menne a hangszóró + pontjára a másik pedig a -ra. Viszont akkor nem tudom a jelet hogy kell rákötni, invertáló illetve nem invertálóra.
És akor 8db az 560W 1ohm vagy 10db 700W 0,5ohm de ha 10 hez kötök egy 4 ohmos hangszórót akor menyi Watt???
Ebe Bassmester a profi, viszont van egy olyan érzésem hogy azt fogja mondani hogy: eszeveszettség
![]() Bőven elég hidalni 2 TDA7294-et az olyan 140W megfelelő táppal, szerintem ilyen teljesítmény hangszórónként elég jó Viszont a 4 IC-s teljes bekötéssel engem is érdekelne
Hali!
A ki- és bekapcsoláskor keletkező koppanások csökkentésére elég, ha a mellékelt kapcsoláson, a 9-es és 10-es lábakon lévő 10µF-os elektrolit kondikat nagyobbra cserélem? Mert elméletileg van az ic-ben koppanásgátló, de számomra egy kicsit zavaró koppanás így is jelen van, főleg kikapcsolásnál. Előre is köszönöm!
Valószínű, hogy kikapcsoláskor azért koppan, mert az elkókban van még fesz és tovább marad bekapcsolva az IC, mint kellene. A dióda csak akkor fogja hirtelen az elkókból kiszívni a töltést, ha a kikapcsolás után a Mute jumper egyből földet kap.
Ha nagyobbra cseréled, nem hiszem hogy jobb lesz a helyzet. Egy olyan megoldást kellene keresni, hogy a hálózati fesz lekapcsolásakor már a GND legyen a mute lábon.
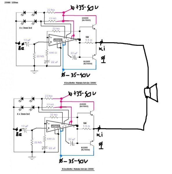
Engem most az a 7294 + 2tranzistor 250w buzerál csak az a kár hogy 2 ohm-ra van és nekem csak 4 ohm-os hangszóróim vannak
És egyúttal rontottál a hangján egy hangyányit.
Ahogy a Hifi magazin irta 1-2 ortot Matatok egy JBL TX 1500 tuningjával. Képes voltam a csatlakozojába azt az ócska pléhlemezt, ami ráadásul idétlen kislukú, macera beletolni a drótot, el is vágja, nagyobb lukú rézre. Nem ez a tuning lényege, de nem birtam elnézni ezt az ócskaságot se
Pontosan az a tervem, hogy az általam alkotott párhuzamos sztereó erősítőt át lehessen kapcsolni híd üzemmódba, így a 4 IC együtt dolgozna. Ennek semmi akadálya nincs, csak egy kis invertáló kapcsolás kell az egyik bemenetére.
Én foglalkoztam is ezzel korábban: itt az első hozzászólás Mindenképpen megvalósítom a tervemet, csak most kb. még egy hónapig nem tudok vele foglalkozni a suli miatt. Mindenképpen beszámolok róla, akkor is, ha valaki addigra már megépíti
Ha 400-500W -os végfokot akarsz csinálni, akkor nem érdemes 7294-ekből összelegózni a kapcsolást. A tápfeszültséged ugyebár eléggé behatárolt (+/-40V)
Ebből elméletileg ugyan ki lehet húzni több száz wattot, de a kisebb terhelőimpedanciának és a nagyobb kimenőáram igénynek köszönhetően jócskán megugrik az áramfelvétel, nagyobb veszeteségekre lehet számítani és egy ilyen végfokhoz szinte lehetetlen normális tápot készíteni, olyat ami a tápágankénti 10A-es áramfelvétel mellett is 40V közelében tartaná a tápfeszt. Az egész áramkör, így önmaga teljesítményét határolná be, a kivezérléssel arányosan csökkenő hatásfok miatt. Hogyha 400W körüli, hangosításra való végfokot szeretnél, akkor csinálj egy fetes véget, +/-70-80V -os táppal. Az talán sikeres lehet, ha elég ügyes vagy. Mindenképpen értelmesebb és költségkímélőbb project volna
Ez így igaz, aminek még értelmét látom, az a párhuzamos-hídkapcsolás 4 IC-vel. De ezt is 4-8 Ohm-on érdemes hajtani. Ennél több, mondjuk 6 vagy 8 IC-nek már nincs értelme. Nem érdemes úgy gondolkodni, hogy majd összekötünk egy csomó IC-t és 1-2 Ohm-al terheljük, hogy elég fesz legyen többszáz Watthoz. Tényleg oda már milyen táp kellene
. A sima néhány száz wattos trafót a nagy áramok úgy megrángatnák, hogy "csak annyit mondana:" :peace: ![]() A kW körüli trafók meg irdatlanul drágák. |
Bejelentkezés
Hirdetés |









. A sima néhány száz wattos trafót a nagy áramok úgy megrángatnák, hogy "csak annyit mondana:" :peace: 





