Fórum témák

» Több friss téma
Fórum » Csöves erősítő készítése
 
Témaindító: seedz, idő: Márc 31, 2006
Témakörök:
Ne feledd betartani a fórum viselkedési szabályait, és a topik megmaradásának feltételeit. [link]
A téma átmenetileg fagyasztva lett, hozzászólni nem tudsz!
Lapozás: OK   971 / 2208
(#) ferencferenc hozzászólása Máj 6, 2010
Sziasztok...tudom nem egészen csöves, de fogyóban a forrasztóónom.....Ti hol veszitek? /jó áron
(#) fleta válasza ferencferenc hozzászólására (») Máj 6, 2010
1500 ft fél kiló jófajta az apróban. [OFF]
De már levettem a hirdetést. Van még.
(#) Gettobike hozzászólása Máj 6, 2010
Sziasztok!
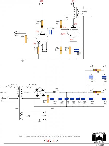
Megépítettem a Müszi-féle PCL86-os csöves erősítőt (link) sztereó változatban. Gyakorlatilag minden volt hozzá itthon főleg azért, mert kb. 10éve már megépítettem egyszer légszerelve tesztelés képpen (akkor tökéletesen működött, igaz nem teljesen ez a rajz volt). Első bekapcsolásnál megjelent a brumm. Mielőtt teletömtem volna a tápot felesleges kondikkal előtte azért megpróbáltam pár dolgot. A megoldás végül az lett, hogy a nagyfeszültségü táp negatív pontját rákötöttem az erősítő házára. Ezzel teljesen megszünt minden zaj az erősítőben. Azonban van egy másik gond, amit nem tudok megoldani. Valamiért nagyon furcsa hangja van az erősítőnek. Egyáltalán nem nevezhető jónak, csöves hangzásnak pedig végképp nem. Még egy STK "csoda" hibrid is szebben szól nála. Az átvitele nagyon rossz, szinte teljesen vágja a magas és a csövesre jellemző mély hangokat is. Mindkét oldal egyformán produkálja ezt a hibát. A kimenő trafók tv-ből bontottak. A fűtőfeszültség 14,5V, anódfeszültség 220V 220µF-56R-220µF C-R-C taggal szűrve (később kap egy soros PY88-at, mert nem szeretném a csöveket a túlvilágra küldeni). Találkozott már valaki ezzel a furcsa "vágási" jelenséggel? Minden segítséget előre is köszönök!
(#) bakos13gab válasza Gettobike hozzászólására (») Máj 6, 2010
Nekem a hangja hasonlóan nem tetszett. Én rögtön átépítettem Djhans kapcsolására és az már másképpen (szerintem jobban) szólt.
(#) (Felhasználó 1947) válasza Gettobike hozzászólására (») Máj 6, 2010
Próbáld meg ezt a kapcsolást.(mellékelve)
Amit épitettél Müszi leirásából az egy régi TV végerősitőjének rajza, valószinűleg egy régi Kádár könyvből.
Az alkatrészértékek nem épp ideálisak.
(#) CHZ hozzászólása Máj 6, 2010
Ezek a jelalakok 0,1mm permalloy vassal lemezelt trafó mérései . Nem rossz vas , igaz kis méretű , ötös osztásban A=8 tekercsekkel . Frekimenete nagyon jó , 200KHz még 3dB belül van.
(#) szoftveres válasza Gettobike hozzászólására (») Máj 6, 2010
Az általad megépített kapcsolásban található alkatrészekre hivatkozok: R206-t (trióda katódján) cseréld kb 4,7 kohmosra, R219-et cseréld 220 kohmosra. Ez a triódának kb a megfelelő munkapontbeállítás. A C222 kondi igen csak alulméretezett, 470 kohmos rácselvezetővel 33Hz-en már csak fele erősségű jel jut át rajta. A megoldás: cseréld legalább 47 nF-ra, vigyázz hogy a kondi min. 250 V-ot elviseljen. (Ugye a C223 kondi is bírja a nagyfeszt?! min. 200V!) R222 ellenállást cseréld ki min. 330 ohm-ra, így a pentóda munkapontja is helyre jön (PCL86 adatlap!). Nagyon sok kapcsolásban a pentóda munkapont beállító ellenállása 150 ohm körüli, ez HELYTELEN. És hogy még több mély hang legyen: R222-vel köss párhuzamosan egy min. 100 µF-os (16 V) elkót, negatív fele a föld felé nézzen. Ha ezeket a változtatásokat megcsinálod, akkor tudod kihozni kb. a maximumot a PCL86-ból. A magasakat nagyon nem fogod tudni kihajtani, mivel a TV hangkimenő trafókat koránt sem arra tervezték hogy HI-FI hangzást nyújtsanak. Az erősítő tápfeszültsége kb. 230-260 V legyen.
(#) mark.budai válasza szoftveres hozzászólására (») Máj 6, 2010
Nem rosszak azok a kis TV kimenők, nekem is az vag a PCL86 SE-mben, és a magasátvitelére nem panaszkodhatok (nincs NFB!). Én azt a rajzot építettem meg, amit Luki rakott fel pár hozzászólással ezelőtt, és nincs olyan nagy különbség ez, és Djhans kapcsolása közt. Annyi különbözik a két erősítőben, hogy a Jani rajza szerintiben 5cm2-s kimenők vannak.
(#) CIROKL válasza mark.budai hozzászólására (») Máj 6, 2010
Idézet:
„Nem rosszak azok a kis TV kimenők”
Hát ez attól függ mit szeretnél , egy TV-ben nagy valószinűséggel szépen hozta azt amit kellett , de már a minőségibb zenehallgatáshoz ez édes kevés !
Idézet:
„Jani rajza szerintiben 5cm2-s kimenők vannak.”
A Jani rajzán nincs is sehol 5 cm2 -es vas föltüntetve ,ezt hol olvastad ?
PCL86se
(#) mark.budai válasza CIROKL hozzászólására (») Máj 6, 2010
Nem olvastam, hanem az erősítőben van 5cm2-s kimenő, ami Jani rajza szerint van. Nekem tetszik a kicsikék hangja, szinte minden nap hallgatom, a félvezetőset már be sem kapcsolom.
(#) CIROKL válasza mark.budai hozzászólására (») Máj 6, 2010
Idézet:
„az erősítőben van 5cm2-s kimenő, ami Jani rajza szerint”
A rajzon hol látható hogy 5cm2 -es vas van !
Márk mi va ha én 10 cm2 es vasat teszek bele ?
Idézet:
„Nekem tetszik a kicsikék hangja”
Ez is egy vélemény a sok közül természetesen ha tetszik akkor hallgasd , nekem azok a kimenők labdába sem rúgtak !
(#) Gettobike válasza szoftveres hozzászólására (») Máj 6, 2010
Köszönöm mindenkinek a tanácsokat! Első körben Luki által javasolt kapcsolást fogom megépíteni (a djhans féle kapcsolásban is 150ohm a trióda katód ellenállása). Tesztelés után megírom a fejleményeket.
(#) Gery78 válasza CHZ hozzászólására (») Máj 6, 2010
Ez igen! Gratulálok! Nagyon szép jelalakok. Apropó hol sikerült szerezned permalloyt?
(#) mark.budai válasza CIROKL hozzászólására (») Máj 6, 2010
Látom, nem érted, mit mondok. Adott egy darab erősítő, a nem tudom hány közül, ami Jani rajza szerint épült, és abban az erősítőben vannak 5cm2-s vasak! És sz volta másik PCL, amit halloattam szólni az enyémhez képest, és szerintem a rajz jelen esetben nem oszt, nem szoroz, az enyém annyival maradt el, amit a kimenő hibádzik.
(#) szoftveres válasza Gettobike hozzászólására (») Máj 6, 2010
Idézet:
„a djhans féle kapcsolásban is 150ohm a trióda katód ellenállása”

A végpentóda 150 ohmos katódellenállásával kapcsolatban javaslom, hogy olvasd el a 683615 és a 684355 hozzászólásokat, ott kifejtem bővebben hogy az miért nem jó.
(#) sturbi válasza szoftveres hozzászólására (») Máj 6, 2010
Kár hogy az említett hozzászólásokban butaságokat írsz.
Levezetnéd a kapcsolási rajz alapján miért van túldisszipálva a pentóda. Az én szerény tudásommal 5,5 W disszipációt számolok a pentódára, kiváncsi lennék, hol tévedek (az kevesebb, mint 9 W).
A trióda rácsa elő van feszítve katódellenállás nélkül is, javasolnám az "indulóáramos rácselőfesz" kifejezést megemlíteni a "gugli"-ban (10 Mohm nem teszi testre a rácsot).
Az, hogy a cső, egy bizonyos elhasználódási szint után már nem tud az eredeti beállításban megfelelően működni, nem tervezési hiba.
(#) sturbi válasza CHZ hozzászólására (») Máj 6, 2010
Nagyon szépek, de gondolom nem erősítőben van műterheléssel, félhangerőn... vagy igen ?
(#) szoftveres válasza sturbi hozzászólására (») Máj 6, 2010
Idézet:
„Kár hogy az említett hozzászólásokban butaságokat írsz.”

Pedig megjavult.
Idézet:
„Az én szerény tudásommal 5,5 W disszipációt számolok a pentódára, kiváncsi lennék, hol tévedek (az kevesebb, mint 9 W).”

A 150 ohmos katódellenálláson 4 V- ot mértem, a mellékelt datasheetben 210 V-os anódfeszt feltételezve nézzük meg, hogy hol dolgozik a pentóda.
Idézet:
„A trióda rácsa elő van feszítve katódellenállás nélkül is, javasolnám az "indulóáramos rácselőfesz" kifejezést megemlíteni a "gugli"-ban (10 Mohm nem teszi testre a rácsot).”

Az említett hozzászólásban arról számolok be, hogy az átalakítás után az erősítő brummja és gerjedékenysége megszűnt. Ízlés kérdése. Kösz az "anyagot".
Idézet:
„Az, hogy a cső, egy bizonyos elhasználódási szint után már nem tud az eredeti beállításban megfelelően működni, nem tervezési hiba.”

Sajnos ezeket a csöveket nem lehet már újonnan megkapni. Érdemes az erősítőket úgy tervezni, hogy egy-egy drága cső sokáig szóljon benne, ha ezért kisebb teljesítménnyel kell fizetni (ez saját vélemény)


ecl86-2.pdf
    
(#) kocos válasza CHZ hozzászólására (») Máj 6, 2010
Elég szép jelalakok ! Ez vágott szalagmag, vagy lemezelt ?
(#) sturbi válasza szoftveres hozzászólására (») Máj 6, 2010
Idézet:
„Régóta szúrja a szememet, hogy ezekben a videoton rádiókban az előerősítő trióda rácsa nincs előfeszítve, hanem egy nagy ellenálláson keresztül a katód potenciáljára van kötve. Nem értettem hogy ez így hogyan működhet, mert így a trióda tulajdonképpen csak egy egyenirányító.”

Nekem ez szúrja a szememet.
Idézet:
„A 150 Ωos katódellenálláson 4 V- ot mértem, a mellékelt datasheetben 210 V-os anódfeszt feltételezve nézzük meg, hogy hol dolgozik a pentóda.
26,6 mA a katódáram, saját magadat cáfolod ?
Idézet:
„Sajnos ezeket a csöveket nem lehet már újonnan megkapni. Érdemes az erősítőket úgy tervezni, hogy egy-egy drága cső sokáig szóljon benne, ha ezért kisebb teljesítménnyel kell fizetni (ez saját vélemény)

Amikor tervezték azt a rádiót, nem gondolhatták hogy nem lesz hozzá majd cső (bármelyik keravillban fillérekért kapható volt).
(#) hgy válasza szoftveres hozzászólására (») Máj 6, 2010
Rengeteg NOS ECL86 beszerezhető, de annyi pénzét jó CSÖVET is vehetsz. Nem értem ezt misztifikációt, sok oldal sírást egy gyönge TV hangvégfokért..A TV kimenőkért.. Esik a színvonal.
(#) fater0827 válasza Gettobike hozzászólására (») Máj 7, 2010
Üdv Gettobike
Küldök lehetséges ( igaz ECL82 ) csöves erősítő rajzot , amin van negatív visszacsatolás brummszűrés a kimenőtrafóban a trióda anódjában egy zavarszűrő.Hangszínszabályzó ,pentóda g1 rácsában .
FIGYELEM a hálózati autótrafós megoldást bezzeg nem ajánlom áramütés veszély miatt , ott (//" szekunder"//) kb 230V van.Persze a konnektorban is .Ezt a rádiót akkoriban .... Rajz az eredeti a rádióhoz ilyen is járt . Most ???.
Üdv
(#) Gettobike válasza fater0827 hozzászólására (») Máj 7, 2010
Köszönöm, lementettem a rajzot. Az erősítő részét most nem építem meg (bár ilyen csövem is van), mert már megterveztem és felvasaltam az új PCL86-os kapcsolás panelját. Viszont a hangszín szabályzó része később még jól jöhet.A táplálásra ügyelek, soha nem hajtanám direktbe a hálózatról. Sajnos rázott már meg 1.5KV DC, ráadásul szíven át a figyelmetlenségem miatt. Az is egy csöves (GI7b) erősítő volt, csak épp nagyfrekvenciás jelet erősített. Azóta nagyon figyelek mindenre, ami törpefeszültség felett üzemel .
(#) Longa György válasza kocos hozzászólására (») Máj 7, 2010
Hali.Az apx-be csak próbára voltak 6p45sz-ek külön trafóval.Most az eredeti PL509-ek vannak benne.Egy másik erősítő készül ami hasonló lesz.Hálo trafó kész akimenőt most fogom szerellni.Az összes lemez nem fért a csévébe kimaradt 6db meg szétszedésnél tönkre ment 2db.Keresnem kell valami nagyon erős masszív anyagot doboznak,mert a két trafónak súlya van.
(#) mark.budai válasza hgy hozzászólására (») Máj 7, 2010
Na nem kötekedni akarok, de ne szóld le ennyire azt a PCL86 csövet! Azért, meg szegényt egy TV végfokozatba tervezték, sokan megszólják. Hallgatni kell, rá kell jönni, hogy ez bizony egy nagyon jó hangú cső. Bár ez csak egy viszonyítás, de az Audiofil talit megnyerte a vele készült PP! A kimenőt meg tényleg nem kell sajnálni. Egyrészt azért, mert pl. egy SM65-tel biztos szebben szól, ami jól van megtekerve, másrészt meg ha vigyázol rájuk, ezek örökké mennek. És nem annyira gyönge a PCL86. Lehet, hogy 2-3W-ot ad ki magából SE-ben, de az igen is nagyot tud szólni (még a boschmann hangszórós Thomson dobozaimon is!).
(#) Doncso válasza mark.budai hozzászólására (») Máj 7, 2010
SM74-el, PP-be 12W gyönyör, kell ettől több szobába?
(#) CIROKL válasza mark.budai hozzászólására (») Máj 7, 2010
Hát igen sajnos ez lenne , sokan csak valóban ezt a csövet szemétnek titulálják /e-pcl82-86/ Miért is mert még mindig sok van belőle szerte a világban, és az egykori TV hang végfokkal hozzák öszzefüggésbe . Pedig épithető ezekkel a csövekkel nagyszerű és kiválló hangzású csöves erősítő se-ben és pp -ben is , csak nem kell sajnálni belőle a beépitett anyagot, főleg a kimenő trafót ami jár neki !
(#) CIROKL válasza Doncso hozzászólására (») Máj 7, 2010
Idézet:
„SM74-el, PP-be 12W gyönyör, kell ettől több szobába”
Kész van már midkét csatornád?
(#) Doncso válasza CIROKL hozzászólására (») Máj 7, 2010
Na jó, töredelmesen színt vallok, még mindig csak az egyik csati, de már az is villogtatta a fogait, illetve hallottam Jani SE-jét sztereóba is, szóval nem egy leírandó cső szerintem sem.
(#) CHZ válasza Gery78 hozzászólására (») Máj 7, 2010
Nem új , bontóban találtam (csak 1cm ^ ).
Következő: »»   971 / 2208
Bejelentkezés

Belépés

Hirdetés
XDT.hu
Az oldalon sütiket használunk a helyes működéshez. Bővebb információt az adatvédelmi szabályzatban olvashatsz. Megértettem