Fórum témák
» Több friss téma |
Fórum » Oszcilloszkóp vétel, mit gondoltok?
Sziasztok, két kérdésem lenne.
Az első, a Conrad-on kívűl hol lehetne még szkópot venni, mert én nem igazán találtam ilyen céget ezen kívűl, de nyílván lennie kell. Nem ártana országos házhozszállítás. Második kérdés, a Conradnal néztem ezt a 10 Mhz-es szkópot Katt Végülis a 10Mhz az elég szerintetek ha csak TV és monitor bütyköléshez lesz használva? Maga a készülék gondolom megbízható lehet mert ha jól tudom a márkája az jó...
Szija!
Nem vok vmi nagy elektronikai guru de én ha szkópot vennék akkor tennék hozzá még egy tizest és akkor jobbat vehetnél és hordozható lenne itt a link hozzá: választott szkópom Idézet: „jobbat vehetnél és hordozható lenne” Sávszélessége = 2 MHz...szerintem az már gázosan kevés... Woid: nézz körül az Urbán elektronikánál...meg a Rádiótechnika újság honlapján is, a HAM-bazárban...
Videojelhez kevés. Oda kell a 10Mhz-es. Ha digitális szkópban gondolkodsz majd esetleg akkor 100Msps. Ezek a tárolós szkópok már elég drágák, viszont nemcsak periodikus jelet tudsz velük vizsgálni. Gondolom ha csak TV javításhoz kell akkor megfelel az is amit kinéztél.
I T T is lehet venni szkópokat igaz használtan
Helló !
a profitech.hu-n is vannak műszerek ,szkóp is
micilackó.hu-n két kis PHILIPS 10megása is volt, egyet én is vettem tőle, korrekt és elküldi jól becsomagolva. 24V-ról is megy!.
Én is onnan vettem a 20 Megás szkópomat, azóta is kiválóan műxik.
Commedtrade.
Új és használt műszerek árusítása. www.commed.hu
Hát akkor egyenlőre maradt a Conrad. Használtba nem szeretnék belemenni, a legtöbb cég pedig számomra iszonyat magas áron van, igaz szinte sehol nem találtam egysugaras 10-30Mhz szkópot,
csak a kétsugaras "hűdemodern" kategóriák mennek. Nekem ez felesleges is lenne, és drága Köszönöm mindenkinek a segítséget, még a héten esetleg jöhetnek tippek ha valaki tud.
Ehhez mit szólsz?
![]() [link=http://www.vatera.hu/item/view/index.php?cod=15752851]http://www.vatera.hu/item/view/index.php?cod=15752851[/link]
PC-s szkóp szóba jön?
- Two channels, 150 MHz Bandwidth - 50 MS/s real time and 5 GS/s repetitive - 10 mV/div to 5V/div in nine vertical voltage range - 150 MHz spectrum analyzer with FFT using - ETC Scope software for Windows 95, 98, ME, 2000 and XP included ETC M621http://www.etcsk.com/products/m621/index.php?lang=eng Magyarországon a SOS Electronic forgalmazza http://www.soselectronic.hu/www/app/index.php
A 150MHz peródusideje ~6,67ns
50MS/s az 50 millió pont másodpercenként, tehát 20ns -onként vesz 1 mintát. Ergó nem ismétlődő jeleknél max 50MHz-et tudsz megfigyelni, de ezt is max 2 pontból fogja felrajzolni. Ismétlődő, periódikus jeleknél meg 150MHz, csak itt több periódusig állandónak kell lennie a jelnek. Sajnos van, amihez nem tökéletes, de nekem is pont erre fáj a fogam az FFT miatt, nameg a pici hordozható kivitel miatt, csak tudni kell mire jó és mire nem....
Nem egyszerű ez a szkóp vásárlás.....
Kb. fél éve érdeklődtem ez ügyben. - az újak 250-300e-nél kezdődnek, de ez az alja, - a használt kapni 35-40e-ért(Bp. Keleti körül van egy használt műszereket forgalmazó bolt ) + kb ugyanennyi egy generál, hogy mérni is úgy mérjen ahogy illik. - az ETC ~100e, de ugye ennek is vannak korlátai. Mérlegelni kell.
Sziasztok.
Nekem az lenne a kérdésem hogy valaki tud e valmi infót mondani nekem az EMG TR-4651-os szkópról. Elvileg elég olcsón hozzá tudok jutni. De nem tudok sok mindent róla csak annyit hogy 1 sugaras. Hány MHz-es ez a szkóp? Amolyan kezdő máricskélős szkópnak szeretném venni. Amivel mondjuk még erősítőt is lehet mérni. Köszi a válaszokat.
Én a chipcad-nél vettem a Parallax PC-s szkópot kb 27 ropiért. USB-s jószág és nem egy nagy darab, meg nincs 30 deka az egész. 2 csatorna+external trigger. 1Mhz mintavétele van, úgyhogy hallható hangtartományt bőven lehet vele vizsgálni, mert 50Khz-es jelre is még 20 minta jut periódusonként.
hát igen. De én ehhez kb 10eFt-ért tudnék hozzájutni....
Annyit már sikerült megtudnom hogy ez 10MHz-es.
Arra készülj fel, hogy játszani kell a triggerrel. Nem olyan "megnyomok egy gombot és bejön az álló kép" típus. Nekem ilyesmi van, csak 2 csatornás, onnan tudom.
Mérni lehet vele. Mindenképpen próbáld ki, ha teheted. És úgy, hogy pontos, ismert frekit teszel rá (pl. hálózati 50Hz kéznél van, persze leválasztva!), hogy lásd az időalap hibáját.
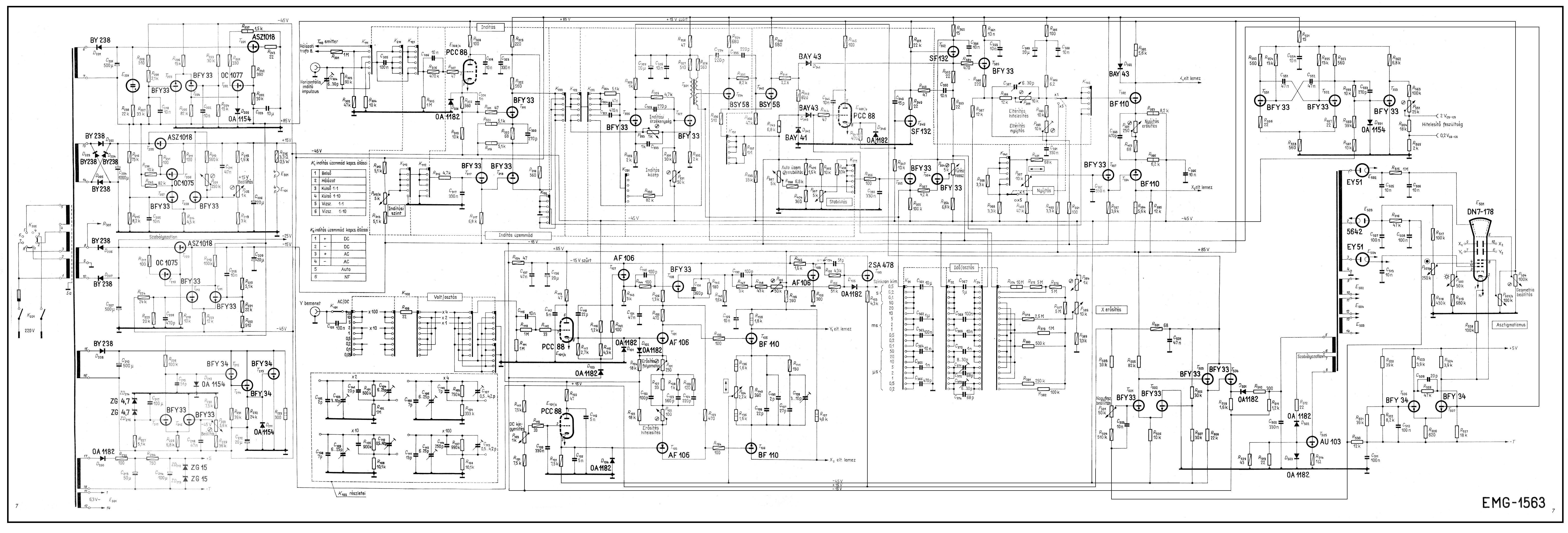
TR 4651 EMG gyártmány Tranzicsope-M fantázianévre hallgat.
Y erősítő DC-10 MHz Időalap indított, hitelesíthető. Gyenge pontja a tápegysége Ge Trazisztoros, (ASZ1018) javításnál problémás lehet a végfok tranzisztorok (BF110) a bemenőfokozatok csövei ( 2dbPCC88 ha jól emlékszem) és a nagyfesz egyenirányító csövek, ez könnyebben helyettesíthető. Egyébként könnyen javítható semmi egyéb különleges alkatrészt nem tartalmaz. Impulzus ák is vizsgálhatók vele. Véleményem szerint jó választás (25 000 Ft-ig), megbízható stabil gép a kora (kb. 35 év) ellenére
Köszönöm szépen. Neked is Pbalazs!
Amit irtatok az alapján eldöntöttem, ha nicsen hibája, akkor megveszem. Kösz a felvilágosítást!
Szivesen! Ha kell tudok tanáccsal segíteni a javításában és/vagy hitelesítésében.
Köszönöm szépen.
Estleg majd a hitelesítésben kérek egy kis segítséget, elvileg most egy müszerésznél van, aki szépen átnézi. Már csak azt nem tudom hogy ennek a csatlakozója az milyen tipúsu? Mert az ujjaknak mindeggyiknek BNC-s a csatija. és azt is kéne vennem hozzá... Esetleg azt is tudjátok?
Amphenol csatlakozókat használtak azokban az időkben.
(4mm-es banándugó is belemegy, de ez azért nem egészen korrekt csatlakozás)
DC-10Mhz-es, én a szinkronnal nem voltam kibékülve.
Köszönöm a rajzot. Pontosan még nem tudom mi a szinkron. Valami időalapi dolog lenne?
Itt a 10Mhz-es ST16B most akcioban csak 24 ezer Ft!
http://www.permanent.hu/akcio.php Nekem van egy ilyen szkopom is evek ota, es elegedett vagyok vele. A merofeje nem birja sokaig, de 5 ezerert vettem helyette egy 100 megas nemet fejet. Kicsi es konnyu ez a szkop, ezek nagy elonyok a nagy es nehez EMG-kkel szemben. Meg konnyen is kezelhetoek... Ezenkivul uj is ugyebar... ennyiert hasznaltan sem kapni... Egyebkent ez a Conradban is kaphato Voltrcraft tipussal teljesen megegyezik... A Voltcraft csak rairja a kinai szkopra a markanavet. Szoval ez egy igazan alkalmi vetel! (Ha egyatalan van meg neki es nem kapkodtak el az osszeset.) En anno 40 ezerert vettem, de meg ugy is megerte igy visszagondolva...
Ez az akciós ár valóban nagyon jó! Sajnos a műszaki adatok kissé hiányosak és dokumentációt sem találtam róla.
Egyébként a szóbanforgó EMG szkóp sem nagy 17x22x37 cm. Sajnos a mai cuccokal nincs jó tapasztalatom, a cégnél vettek néhányat a jobbakból, (>> 300 000 Ft) két év után a javításuk nem bizonyut gazdaságosnak. Gazdasági totálkár! A régi EMG Tektronix, Philips, Brüel R&S müszerk a mai napig kifogástalanul működnek. és elvétve kell (a hitelesítésen kívül) hozzájuk nyúlni.
Nem pontosan... az időalap azt határozza meg, hogy a mérendő jel hány periódusát látod az ernyőn.
A szinkron - a mérendő jelből leválasztva - biztosítja, hogy ez a jel állni látszik.
Jah értem, ezt említette Pbalazs is hogy játszani kell a trigerrel hogy ne futtkosson a jel a képernyőn.
A suliba a szkópokat állandóan igazítani kellet, remélem meg tudok vele birkózni..
Sziasztok
Megint én. Nem vettem meg a TR-4651-et, mert elhúzódott... De a barátom most hozott nekem egy jó állapotban lévő szkópot, eredei doksijával, és az lenne a kérdésem hogy menyit ér meg. Mert réggebben hozta haza a Faterja és csak porosodott nekik a garázsban én meg csak most tudttam meg milyen kincset tartogattak otthon EMG 1564, TR-4660 2 csatornás, 30MHz-es Az egyik VOLTS/div trimmerje kicsit kehes, de a többi rendben van. A belső 1kHz-es jel pedig nem igazán kijönni, bár csak egy darab dróttal tudtam kipróbálni. Viszont a számítógépép hangkariról az 1kHz-es jelel beállítva (a TIME trimmert szinte csontra eltekerve) és azzal mérve jónak tünt. Persze a belső 1kHz-es négyszögjelnél látni hogy túl nagy a kapacitása a kábelnek, ami nem is csoda. Lehet ez a pontatlanság abból eredne hogy 220V-os ra van tervezve és egy normális mérőkábellel megoldódna a probléma?? Én 15eFt ot mondtam érte. Úgy gondoltam az nekem jó ár, de vajon nem túl kevés a barátom szempontjából?? Köszi szépen a segítséget!és egy pár kicsi gyors kép: |
Bejelentkezés
Hirdetés |












