Fórum témák
» Több friss téma |
Fórum » Nagyfeszültség sorkimenő trafóval
Témaindító: (Felhasználó 1306), idő: Márc 1, 2006
Megvan az 200kHz alatt is,csak kevésbé effektív.
Valahogy így képzelem el a korona jelenséget. Tehát minél kerekebb az elektróda, annál stabilabb a térető, valint a korona?
A mellékleten én csak az elsővel találkoztam eddig. De majd a többit is kipróbálom.
A korona azért keletkezik, mert azon a ponton sűrűbbek a térerővonalak, a térerő átlépi a levegő átütéséhez szükséges kritikus térerőt (kb.21kV/cm). Aztán már a korona saját maga lesz az elektróda, tekintve, hogy vezető, így egyre mélyebben benyúlik a levegőbe. Ezért válik nemlineárissá az átütés látszólag nagyobb feszültségeknél (40kV+).
Van egy jó kis BME-s könyvem, az a neve, hogy "Nagyfeszültségű technika". Ezt érdemes átolvasni. Valamint itt van egy jó adag izgalmas java alkalmazás, nemcsak térerőhöz, hanem antennához, hangokhoz, meg sok egyébhez:Bővebben: Link
Sziasztok.
MOSFET-el meg lehet e csinálni a visszacsatolós kapcsolást? Ha meglehet kérem valaki rajzolja már le a kapcsolást.
Bocs hogy nem irtam konkrétat de nekem csak egy FET-em van, azt is nemrégen termeltem ki egy PC tápegységből.
Működhet,de mivel a MOSFET-ek térvezérlésű tranzisztorok ezért többnyire sokkal maceránsabb őket „visszacsatolós” üzemmódba elhelyezni mivel itt nagy tekintettel kell lenni a gate áramra,elsődleges szempont valami áramkorlát kialakítása lenne,ezért is egyszerűbb ha inkább egy stabil vezérlő áramkörrel irányítod(pl.555-ös IC,esetleg más oszcillátorok is szóbajöhetnek),többekközt ezért is mindenhol így oldják meg.
Egyébként meg némi segítség Néhány bekötésmód FET-re,Bővebben: Link,Bővebben: Link
Szia.
Olvasnivalót nem tudnál e magyarul adni? Az alábbi kapcsolás müködőképes? Ha az elv jó akkor kérlek a hiányosságokat javisd ki. Eddig FET-tel nem foglalkoztam igy nem is értem annyira a müködését. Idézet: „Olvasnivalót nem tudnál e magyarul adni?” Nem hiszem el,hogy a neten nem találsz semmit ![]() Rengeteg információt találsz mindenről,csak körül kell nézni kicsit. Idézet: „Az alábbi kapcsolás müködőképes?” Nem,az úgy egyáltalán nem fog működni.:no: Idézet: „Eddig FET-tel nem foglalkoztam igy nem is értem annyira a müködését.” A FET is egy tranzisztor épp az a működési elve mint egy sima bipoláris tranzisztorénak,nyit és zár,csak némi eltéréssel persze.Például a FET-ek mint már említettem térvezérlésűek ami azt jelenti,hogy a„Drain”-„Source”csatorna áramát a vezérlőelektródán ható elektromos térerősség irányítja,tehát ilyenkor a „Gate” elektródán áthaladó áram értéke gyakorlatilag nulla,ellenben a bipoláriséval ahol a „Bázis” árama összefüggésben áll a tranzisztor áramával.Két féle FET létezik „záróréteges” (avagy JFET),és „növekményes” vagy „önzáró”,a különbség az,hogy az utóbbi akkor nyit ki,ha a "Gate"-re feszültséget adunk,a „záróréteges”pedig ennek pont az ellenkezője,tehát a "Gate"-re adott feszültség zárja be a csatornát.
Köszönöm hogy segitettél.
Olvasgatok még egy kicsit és akkor megint megpróbálok egy kapcsolást összehozni hátha az már jó lessz.
Szia.
Olvasgattam és most újra megpróbáltam egy kapcsolást csinálni és az alábbi képen látható, hogy mire jutottam. Ez igy már müködhet? Ha érdemes belekezdeni a kijavitásába akkor kérlek csináld már meg.
Igy? És igy müködhet?
És még azt kérdezném meg hogy a felső tekercs alsó szálát miért nem a testre kell kötni?
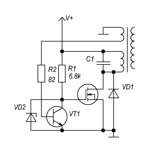
Bocs hogy beleszólok,de a másik rajzod sem lesz jó,ugyanis túl nagy áram éri majd a "gate"-"source" csatornát,áramkorlátra mindenképp szügség van.Inkább valahogy így indulj ki: (csatolt kép),de lehet még többféleképpen is variálni.Bár igaz feetback kapcsolást még én sem nagyon próbáltam FET-ekkel,de elvileg működnie kell.Egyébként az ellenállások adatait csak sacra adtam meg,ki kell számolni.
Ok,de a zenner és a 100ohm os ellenállás akor sem jó helyen van,a D2 és D3-ra meg sz.ntem végképp nincs ott szügség.
Kérném az elvtársakat, ha van egy kis idejük, lektorálják ezt a kapcsolást.
A frekvencia kb 930 khz, az impulzusok elvileg 0.88 ns-osak(0.88 ns-ig van áram, 0,19 ns-ig nincs). Ez ugye már nem ráz? Az IC bírja ezt a frekit? És még egy: A frekvencia függ a tápfesztől?
Hát elvtárs....
A "papír" sokmindent elbír, nemúgy az ic. Javaslom nézd meg az adatlapján a felső határfrekvenciát. Az a kettő darab 100 ohm minek van? Feleslegesen sokat fogyaszt, értelem nélkül. A 4-es lábat elég 1-10k közti értékkel a pozitív tápfeszre kötni. A trafód nemtudom milyen kivitelű, de ekkora frekin, ha egyáltalán működne az ic, akkor sem kapnál jóformán semmi kimeneti feszültséget a tekercsek induktivitása miatt. Komoly inverterekkel sem mennek 200kHz fölé.
Hát 900kHz környékén már semilyen áram nem ráz(csak éget),de ekkora frekin már tesla tekercseket szokás járatni nem tranzformátort.
Én úgy látom ,hogy a tranzisztornál a kollektor és az emitter is fel van cserélve.Ezek csak elvi gondolatok de ha megépítenéd akkor több gond lenne vele mint a rajzban .
Végülis ki kell kísérletezni,mert ha szétnézünk a neten nem nagyon találni feedback-es invertert FET-ekkel,amint lesz egy kis időm,ki is próbálom,már csak kíváncsiságból is.
Köszi a válaszokat, az impulzusidőt elnéztem, 0.88 us az.
(Jó is jenne 1 GHz 40 Ft-ért )A kapcsolási időt (ha jól értelmezem) 100 ns-nak írja. Vagyis bírja.
Valamiért nem nyitja meg,csak nálam van a baj?
A royer oszcillátort sima bipoláris tranzisztorok alkotják, mondjuk van ellenütemű FET-es megfelelője is,az pedig a ZVS,de egyébként is ide két db tranyóra lenne szügség,B.I. barátunknak meg csak egy FET-je van(korábban írta)
,pont ez a lényeg az egészben. Idézet: „A kapcsolási időt (ha jól értelmezem) 100 ns-nak írja. Vagyis bírja.” Ja...
A linkelést nem engedik a 4hv-ról, csak annál jelenik meg a kép, aki linkeli.
A nagyfeszültség előállításánál két jelentős gond áll fenn:
A tekercselési kapacitások nagyok. Ha egyenirányítani kell, a nagyfeszültségű diódák lassúak. Ezért mindenképp rezonáns, vagy kvázi-rezonáns tápegység kell, a nagy meredekségű élek kerülendők. Ha sorkimenőből kívántok jó hatásfokkal megbízhatóan nagyfeszültséget nyerni, használjatok kvázi rezonáns záróüzemű felépítést. Ennek vezérlésére például a TDA4605 alkalmas, ha a kapcsolóelem FET, és a TDA4601 ha bipoláris tranzisztor. A kapcsolóelemmel párhuzamos kondenzátor feltétlen polipropilén impulzusüzemű legyen. (C248, FKP1, MKP10, stb...) jó a TV-k sorfokozat kondija. (2n7... 10n 1500...2000V) A frekvenciával nem érdemes túl magasra menni. (15-40kHz) A rezonáns visszatérést biztosítani kell, hogy a FET akkor kapcsoljon be, ha a párhuzamos kondenzátor épp kisült, és a test dióda vezet. Aki ismeri az eredeti sorfokozat működését, annak ez sem lesz bonyolult, bár a dokumentáció nem a legjobb. Bővebben: Link
Szia!
Ez így igaz! Még annyit, hogy 50Hz-es tévé trafójánál a frekvenciával sem szabad elszaladni. 20kHz fölé nem érdemes menni.
Ez így van, de azért az újabbak bírják a 30-40 kHz-et, mert nem lassabb félvezetőkkel, és nem rosszabb vasmaggal készülnek mint a monitor sorkimenők.
A fluxust csökkenteni kell ilyenkor. Az újabb CRT monitorok gyakran járnak 15625 Hz többszörösén is, 31...62 kHz között. Persze kérdés, hogy mire kell, van e értelme.
A monitor az más tészta, de főleg a régebbi tévék vasai nem bírják a ngyobb frekvenciás gerjesztést.
|
Bejelentkezés
Hirdetés |











)
,pont ez a lényeg az egészben.



