Fórum témák
» Több friss téma |
Fórum » DCF77 óra Nixie-csövekkel
Helló!
Én itt találtam egy hirdetést az aprók között, pár hete innen vettem 450Ft-ért, de újak voltak, amúgy már nemlátom azt a hirdetést.
na,11-es kvarccal nem műk a dolog,nem lehet eléggé "lefogni" kondival,mert leáll.ez a szoftveres tunning, nálam csak lassulást tudott előidézni.délután még kipróbálom:11es kvarc+10pf kondi+szoftverbuher.jó lenne ,ár beállna,kezdem unni.elkezdtem megépíteni egy másikat.az nem dcf-es(mondjuk ez sem az
),viszont remélem pontos.
Szia!
Az altalad epitett ora anod driver reszeben ,a kepen lathato ellenallas ertekek valosak?(10k,1M,4,7k). Ha nem,akkor legyszives ird le hogy melyiknek milyen erteke van. Koszonom. Udv.
Én ez alapján ültettem be, csak a kvarc 10.24 MHz-es, és mellette a kondik 22pF-osak, meg 100k-s potit raktam be, mert nem találtam 50K-st.
A bauteile.txt-ben benne van pontosan, hogy mkik kellenek hozzá, nekem teljesen az van beültetve, mint ami ott fel van sorolva, azok biztos jók! Az anódoknál 10k és 1M van, a katódoknál csak 10k-sak.
Koszonom a segitseget!
Engem csak az anod resz erdekelt, mert csak ezt masolom le,a tobbi egesz mas lesz.
Helló!
Te már betudtad pontosra állítani az órát? Én betudom állítani azt, hogy siessen, meg azt, hogy késsen, de pontosra nem
nem engem kérdeztél,de nekem már pontos. 10,24-es kvarc +248-at állítottam a menüben.de kár vele küzdeni,ugyanis hangos. kb15 khz a multija elég ezért tisztességesen hallatszik. EZ viszont turka nélkül pontos,és csendben van(74141-et a mikrovillben még kapni.)
Helló!
Köszi az infót, de eltudnád részletesebben mondani, hogy melyik menüben állítottad.Én azt tudom, hogy belépek a T7 és T1 közös nyomásával egy menübe, majd T6 megnyomásával átlépek egy másikba és ott az órák helyén 0-2-ig, a percek helyén 0-99-ig és a másodpercek helyén is 0-99-ig tudom állítani, akkor hogyan állítsam be a +248-at?Amúgy nekem szinte alig lehet hallani a hangját.
akkor lehet,csak a csövek sz*rok,amiket vettem,bár a másikban ugyanolyanok vannak,tökcsendben.
a beállítás nálam: bekapcsolásnál t7 nyomvatart,utána t6 1x megnyom,és itt léptesd addig amíg 248-at ír ki. utána t7-el kilép,óra beállít. a kvarc melletti kondik nálam 22pf-ok.
fűtött katódos nixihez keresek rajzot,tippet a fűtéshez.impulzusos kellene,nem dc,van valakinek?
Hi!
Most jutott eszembe, hogy a te órádat csak 4csövesre csináltad, akkor az enyémen valószínűleg ezt kell beállítani: 024800, mert az enyém 6 csöves.Amúgy ezt valahogy kimérted, hogy így pontos, vagy csak szemre?A tiédben az anód részhez is tettél 74141-et, vagy csak a katódhoz és az anódot úgy hagytad?
Szerintem nincs olyan Nixie, ami fűtött katódos.
A Nixie csövek glimmkisüléssel mennek Idézet: „...az anód részhez is tettél 74141-et...”
Most jöttem rá, hogy oda nem lehet a 74141-et használni, még korán volt!Most tettem a katódrészre, de így halványan "átlátszik" egyik csőből a másikba a szám.
igen,az enyém 4 csöves,bár a meghajtó panelt 6 csőre terveztem(nekem "szendvics",úgyhogy a csövek a felette levő panelre jönnek).mellétettem egy másodperckijelzős kvarcórát,így egy nap alatt be lehetett igazítani ahhoz(addig összekötöttem egy hat csöves kijelzőpanellel). alul ott a meghajtópanelem,kiexportáltam eagle-ből.
2. rendben,nem nixie,hanem vfd. így már ok ?-de amúgy ugyanolyan csőben van,csak 7szegmenses,szép zölden világít.
Elarulod hogy milyen tipusu SMD- tranyokat hasznaltal?
Nem szeretnem tul nagyra kesziteni a panelt.Igy gondoltam hogy SMD tranyokat raknek az anod reszhez...
én 74141-et raktam az anódhoz,(a dcf-es verzióban is)nem tranyókat. ha tranyót akarsz ,mmbta 42 és mmbta92 -ben gondolkozz ,ez az eredetiek smd verziója. annak az órának egyetlen előnye(lenne) a dcf
nekem az a verzió már kukában van . a dfc azzal még senkinek se műk. a másik verzió nem ébreszt,nem ír ki dátumot (hiányozna?-nekem nem!), viszont csesztetés nélkül pontos, és nem zenélnek a csövek- még halkan sem. ja és a panel is jóval kisebb,egyszerűbb. feljebb már berakatam a panel képét. most itt a kész óra:
Sziasztok !
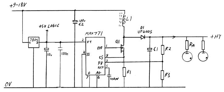
Ti milyen DC-DC konvertert hasznaltok az orahoz? En a mellekleten lathatot hasznalom,de fogyasztas alatt a 180V visszaesik kb. 155V-ra.Igy nappal nincs eleg fenye a csoveknek. Igaz hogy IRF822 tipusu MOSFETet hasznaltam; ennek nyitott allapotban a DS ellenallasa 4ohm,igy kettot parhuzamosan kottem,igy 2 ohm.A tekercs toroid magon van.0.5 nel vastagabb huzalbol.A kondi 1µF/400V (DC) DC_DC
én pl:2 db 12v -os trafót(1,8w-osak).a második trafóról így 160-165v jön le(egyenfeszben értendő),ez az én csöveimhez elég.majd ha lessz kis időm megépítem ezt a max 771-es verziót,a cuccok már megvannak.
Kosz a kapcsolasi rajzot.
Amugy nagyon klassz az orad
kössz
itt a leírás a táphoz ki kell bogarászd az alkatészlistát...
Sziasztok, bár nem DCF77, de Nixie, ezért talán nem off.
Többször többféle Ricoh gyártmányú real-time chipet (RS5C372A, RS5C313) használtam órákban: a pár másodperces napi késés-sietés a time trimming regiszter megfelelő beállításával kompenzálható volt, pontos lett az óra. A nixie-s órámban most van egy RS5C372A, 32768-as kvarccal. Öszzevissza jár, pár óra alatt összeszed több perces késést, de ez a hiba sem stabil. Valakinek ötlete? Chip hiba, kvarc?
Kivancsi vagyok milyen teljesitmenyt tudsz kivenni belole.En lassan az 555-el epitett DC-DC -bol doktoralhatok,annyit szenvedtem vele
Mindenkeppen irj rola ha elkeszul,akar privibe is.Ha erdekel en is irhatok az 555-os -rol,kapcsolas is van ha erdekel.
az ic adatlapja szerint párszáz milliampert lehet kivenni belőle. az több mint elég,de majd meglátjuk...
Sziasztok, hol tudnek hozzajutni egy jo kis KIT-hez, szeretnek epiteni egy ilyen orat valahol meg csoveim is lennenek hozza, de ha van egyben akkor annak nagyonn orulnek, koszi elore is.
meg az e-bay-en horror áron...utánépíteni pedig a töredéke. :wink:
Sziasztok! Most szereztem Z573M nixieket és szeretnék velük egy órát építeni. A kapcsolással nincs baj, viszont az lenne a kérdésem, nem tudja-e valaki, a 4-es láb mire való, szerintem semmi funkciója nincs, de mégis van ilyen láb, és az elektroncso.hu oldalon lévő kapcsolásban be is van kötve. Az adatlap itt van
Előre is köszi a segítséget.. Üdv, Tom
Csak nem sikerült az adatlap link, és már nem tudom szerkeszteni a hsz-t: http://www.elektroncso.hu/kepek/z573m.pdf, vagy Bővebben: Link
Üdv, Tom |
Bejelentkezés
Hirdetés |




),viszont remélem pontos. 
?-de amúgy ugyanolyan csőben van,csak 7szegmenses,szép zölden világít.

nekem az a verzió már kukában van . a dfc azzal még senkinek se műk. a másik verzió nem ébreszt,nem ír ki dátumot (hiányozna?-nekem nem!), viszont csesztetés nélkül pontos, és nem zenélnek a csövek- még halkan sem. ja és a panel is jóval kisebb,egyszerűbb. feljebb már berakatam a panel képét. most itt a kész óra: 







