Fórum témák
» Több friss téma |
Fórum » Motorgyújtás
hát mondjuk van a led-ek előtt ellenállás mert ugy akarnám bekütni hogy a hátsólámpa (led) állandóan világitson és az elsőlámpát pedig csak amikor kell hozzákapcsolnám. De félek igy használni az elsőlámpát mert ha leég a tekercs akkor mit csinálok na de hát kipróbálom és lesz ami lesz.
Vagy mondjuk az nem volna jobb megoldás hogy elsőlámpába tennék egy pl25W-os halogénégőt az már jobb nem?
Sziasztok!
Kb. 1,5 hónappal ezelőtt vásároltam egy Aprilia Scarabeo 100 4T robogót aminek sajnos meghibásodott a gyújtás rendszere. Kb. 170 km-ről hoztam el a mopedet akkor még a saját kerekein, de akkor is leállt útközben 4x. Sajnos az akkumlátora rossz volt, de szerencsére a feleségem jött mögöttem autóval, amelynek az akksijáról bikázó kábellel mindig sikerült egyből önindítóról beindítani (legalább nem gémberedtek el a végtagjaim a hosszú út során .Ezután másnap vásároltam bele egy új akkumlátort és a motor tökéletesen indult, viszont berúgóval vagy csak nagy nehezen és ritkán, vagy egyáltalán nem lehetett elindítani. A múlt héten munkából hazafelé jövet a motorja elkezdett rángatni és gázadásra fulladt; az utolsó 1-2 km szakaszt kb. 10-20km/h sebességgel tudtam csak megtenni, de szerencsére még hazaértem vele. Itthon még beindult, de csak alapjáraton működött, gázadásra azonnal lefulladt. Másnap már be sem tudtam indtani, ekkor a fentiekből következtetve gondoltam szétkapom a karburátorát kitisztítás céljából, amit meg is tettem, de igazából nem nagyon volt rá szükség. Ezután megnéztem a gyertyát, hogy ad e szikrát, de érdekes módon mindig CSAK egyetlen egyet ad, azaz minden önindítózáskor 1-et, utána semmi. Gyárilag egy Ducati Energia trafóval egybeépített CDI gyújtással van szerelve, amihez 4 vezeték csatlakozik: testre, jeladó tekercsre, gyújtótekercsre (generátor) és egy feszültség szabályozóhoz. A jeladó tekercsnek kimértem az ellenállását, amely 165-67 Ohm értékű, a gyújtótekercs ellenállása 1-2 Ohm (ez jó???), azaz szakadás nincs, de zárlatos attól még persze lehetne, Önindítózáskor a gyújtófeszültségről 7-8 V váltakozó feszültség értéket mérek, de fúrógéppel kb. 1200-1500 fordulaton forgatva a főtengelyt már 75-80 V-ot, ami megfelelő. Az első szikra teljesítménye megfelelő, azaz akár 1 cm-ről is létrejön a szikraív, utána sajnos semmi. A motorszerelő ismerősömtől sikerült egy ugyanolyan állórészt szereznem, hátha esetleg a gyújtótekercs zárlatos, de azzal is az előbb leírt feszültségértékeket produkálja. Lehetséges, hogy a CDI elektronikája meghibásodott, esetleg más okozhatja a hibát? A CDI-t hogyan lehetne kimérni egy multiméter segítségével (sajnos attól tartok házilag oszcilloszkóp nélkül nem sok esélyem van, de cáfoljatok meg )?!Sajnos a komplett gyári CDI elektronika kb. 37-41eFt-ba kerül, amit biztosan nem fogok megvásárolni, akkor inkább építek egyet hozzá. Ebben az esetben nyemi által közzétett Malossi-hoz készült gyújtáselektronika megfelelő lenne-e hozzá, tekintettek arra, hogy az kétütemű, míg az enyém 4 ütemű smk. (bár lehet, hogy a gyári elektronikája is minden fordulatnál is gyújtott?!) Telefonnal készítettem pár képet a gyújtótekercsről, a jeladó tekercsről és a CDI unit-ról. Ha mondjuk valamelyik kapcsolási rajz szerint készíteném el a gyújtás elektronikát, abban az esetben milyen paraméterekkel rendelkező gyújtótrafót kellene vásárolnom. Vagy bontókban "guberáljak" először? A gyújtás elektronikán a következő jelölés látható: JMY-CDI-PIAGGIO100 Kép: Hivatkozás Kép: Hivatkozás Kép: Hivatkozás Minden használható ötletet szívesen veszek! Köszönettel és üdvözlettel gfox
Szevasz.
A képeket látván, (már amelyiket sikerült megjeleníteni), az elektronikád nem gyújtótekercses, hanem akkumulátorról működik. Ugyan CDI rendszerű, de a kondi töltéséhez szükséges feszültséget nem külön gyújtótekercs, állítja elő, hanem az elektronika a 12V akksifeszültségből. A tekercsek egy háromfázisú generátort alkotnak, ez szabályzás után tölti az akkut, tehát a gyújtáshoz első körben nincs köze. Ha egyébként a töltés az új akkuval rendben volt amíg működött a motor, akkor az elektronikában kell lennie a hibának. Ez az egy szikrás dolog érdekes, talán nem is elektronika hiba, csak valami tilt. A helyedben átnézném a csatlakozókat, kerítenék egy elektromos rajzot, és az alapján végigvizslatnám a kábelezést, megnézném a gyújtáskapcsolót, a sztender kapcsolót,stb. Ha a dolog nem vezet eredményre , akkor kell egy egyszerűbb inverteres kapcsolást keresni, megépíteni.
Szia mex!
Sajnos már tüzetesen átnéztem az elektronikát a workshop manual-ban található kapcsolás rajz alapján, de sajnos semmi eltérést nem találtam (amit lehetett azt digitális multiméterrel kimértem). A generátor/gyújtó-tekercs ellenállás értékének az 1-2 Ohm érték nem túl kevés? Egyébként a motornak berúgásra akkumlátor nélkül is be kellene indulnia, de szerencsére találtam a nete-en egy ugyanilyen típust, ahol sikerült lebeszélnem az eladójával, hogy kipróbálhassam a CDI egységemet. Le fogom tesztelni, hogy akksi nélkül az berúgásra elindul-e, illetve így ki lehet majd zárni a CDI egységet, mint esetleges hiba tényezőt. Addig is köszi a választ, holnap jelentkezem. Üdv.: gfox
A kapcsolási rajz szerint az elektronikára csatlakozik még a jeladón kívül másik tekercs is?
Nem!
Összesen két tekercs van az egyik a generátor/gyújtótekercs, illetve a mágneses jeladó, azon kívül semmi. Küldöm a Workshop manual link-jét, hogy egyértelműbb legyen számodra is. A zip file-ban több pdf állomány található, az utolsónak a 96. oldalán van a 100-as kapcsolási rajza. Köszi gfox . Workshop manual- Aprilia Scarabeo 100 4 T
Köszönöm, le is mentem, és majd átnézem. A generátortekercsek ellenállása rendben van, egyébként sem lehet messzemenő következtetéseket levonni a generátortekercsek ellenállásméréséből. Ha zárlatos lenne az látszana is, inkább a szabályzó utáni feszültséget kellene ellenőrizni, csakhát most nem lehet.
Megnéztem a rajzot. Az előző írásommal ellentétben a generátor egyfázisú, és a fesszabályzó bemenetével közösen használja a gyújtáselektronika. Valóban menni kellene akku nélkül is elvileg, de inkább ne próbáld ki, mert a szabályzó nembiztos, hogy elviseli a túldisszipációt. Az elektronika fehér-piros vezetékét ellenőrizted? ON állású kapcsolónál a vezeték és a test között szakadást kell mutatni az ohmmérőnek. A barna szín a test, ez állandóan rajta van. A sárga-fehér szintén állandóan kapcsolódik, lévén ezen keresztül kapja a generátorból a tápfeszt.A kék a jeladóé, szintén állandó a kapcsolata. Ha ez így van, akkor képbe jöhet a fesszabályzó zárlata, igy nem jut tápfeszültséghez a gyújtásrész. Tulajdonképp kétesélyes a dolog, vagy szabályzó, vagy elektronika. Legegyszerűbb, ahogy írtad is a próba egy másik motoron.
Igen ezeket már leellenőriztem, ahogyan korábban írtam is. Annyit pontosítanék, hogy a kék a test,a barna pedig a jeladótól jövő vezeték, a többi stimmel.
Holnap valószínűleg meg fogom tudni a hiba okát, ami nagyon valószínű, hogy a CDI egység lesz. Ha az lenne, abban az esetben van fent ezen a fórumon valamilyen kapcsolási rajz, ami nekem megfelelő lenne? Elvileg az előgyújtás szöge fix, azt a mágneses jeladó pozíciója behatárolja, 7500 rpm-nél 17 fok. Köszi és Üdv.: gfox
Kuncsorogtam a modiknál én is a színek javítása ügyében, de látom felfedezted! Szóval így helyes, ahogy írtad. Nézz szét a képek közt, nem vagyok biztos benne, hogy találsz akkuról működőt, de ilyen irányban kell gondolkodni, mert a generátorfeszültségből macerásabb előállítanod a kondi töltését. De a legbiztosabb, ha szétvered az eredetit, és annak alapján készítesz egyet, persze külön trafóval, mert az eredetit nemigen tudod már használni.
Szia gfox próbáld ki ezt
asztalon már megy ez is
Szia gfox. Örülök hogy megtaláltad ezt a fórumot . Néztem én is a kapcsolási rajzott és köztünk legyen szólva, egy jót csavart rajta megint az olasz hogy még véletlenül se lehessen könnyen építeni hozzá egy CDI-t.
Ráadásul szerintem, ha sönt szabályzós a regulátor (és mért ne lenne az) elszáll még magával viheti a CDI-t is. Mondjuk ez fordítva nem igaz. Ezért nyugodtan lehet másik motoron próbálni a CDI-t. Amúgy nagyon kíváncsi vagyok hogy oldotta meg olasz ebből a váltó feszültségből 400Volt előállítását. Ezért ha szétszedésre kerülne a sor (remélem nem), tegyél már fel képeket róla. Üdv nyemi.
Sziasztok. Kellene egy kis segítség. Belinkeltem a kapcsolási rajzot is. MZ-250-es motorkerékpárhoz szeretnék gyújtást építeni. Kérdésem az lenne, hogy ez a kapcsolási rajz jó lenne-e ha 12v-ra átalakítom. És egy gazellám is van arra is jó lenne ez a kapcsolás? Ha valaki tudna nyák rajzot feltenni az nagy segítség lenne.
Remélem tud valaki segíteni. Előre is köszönöm.Bővebben: Link
Sziasztok!
Sikerült letesztelnem a CDI egységet és sajnos -ahogyan sejtettem - valóban az a hibás, ugyanis a másik motoron is ugyanazt a jelenséget produkálja; minden indítózáskoregyetlen szikrát ad. A srác ráadásul robogók importálásával foglalkozik és állítása szerint van jó pár bontós ismerőse, az egyikük szerint 10eFt-ért tudnak hozzá szerezni, de jelenleg éppen nem kapható. Kedden megnézem én is pár bontósnál, de ha a fenti összegnél többe fog kerülni, akkor szétkapom és megpróbálom abban az állapotában elkészíteni a kapcsolási rajzot. Apropó, ti hogyan szednétek szét hőlégfúvóval, fűrésszel, vagy kalapáccsal ?Köszi és Üdv.: gfox
Óvatosan fűrészeld meg a burkolatot. Ahol nem tudsz belvágni, ott, ha van kézi maród (dremel stb), azzal bontsd tovább. Ezután keresd meg a forrasztási oldalt, tisztísd le, így már következtetni lehet a másik oldalon a nagyobb méretű alkatrészek elhelyezkedésére. A többi művelet a kiöntő anyag milyenségének függvénye, talán hőléggel is eredményes lesz. Ha nem akkor marad a türelmes morzsánkénti visszabontás.
Sok sikert!
Köszi a tanácsot megpróbálom a szerint elvégezni a visszabontási procedúrát.
Köszi. gfox
Sziasztok! Még mindig a CX gyújtással szenvedek,de jött egy újabb ötlet.Az előgyújtás 2 pont szabályzású innen az ötlet a 2-3 Hall IC-t mechanikai felerősítését már megcsináltam csak a sorrendi vezérlését kelleni megoldani. Unipoláris hall-ok vannak egy körmágnes a vezérlő.Itt kellene egy kis segítség.Olyanra gondoltam ami az IC-ket sorba kapcsolgatja a fordulat ill. a freki szerint pl rákapcsolja a következőt ill. leveszi. A kimenet meg a hall-oknak megfelelő szintü legyen az elektronike már kész.
Ha valaki tudna segíteni megköszönöm (idén még nem motoroztam) Köszi
2 jelaó, vagy 3 van?
2-vel lényegesen egyszerűbb (csak azt kell eldönteni hogy xRPM alatt, vagy felett van -e, ezt egy időzítő+D tárolóval meg lehet csinálni és eszerint kikapuzni a jeladót) 3 jeladóval már bonyolódnak a dolgok (hacsak nem mikrovezérléssel oldod meg).
Helló gulyi88
Köszi hogy ilyen gyors vagy,2 jeladó elég,hogy előtte vagy utána egy jó kérdés de gondolom előtte.Küldöm az adatlapot. Köszi
Időzítővel allítható lenne az a bizonyos xRPM, ahol az előgyújtásszög vátás megtötrénik, tehát tapasztalati úton beállítható a legjobb helyre.
Sziasztok!
Nekem van egy problémám elkészültem a CDI gyújtásommal, megyen is csak azt csinálta hogy mikor már meleg a motor akkor nem tud menni magas fordulatba. Hidegen még tökéletesen megy! (gondoltam hogy a gyertya a baj, és bele akartam tenni egy másikat és akkor már nem adta a szikrát csak olyan kicsit) Megálitottam és ezután a mocit nemtudom begyújtani szikrát adja de csak olyan alig látható pici szikrákat ad és nem lehet begyújtani. Mi lehet a baja rossz volna a tirisztor, vagy a nagyfeszültségű tekercs? A segitséget előre is köszönöm!
A beállítást a gyári jelek után belehet állítani,csak ezzel az időzítővel van gondom.Tudom nagyjából hogy miről van szó de az elmult 20év kihagyás most bosszulja meg magát.Ha egy rajzal segítenél könnyebb lenne az életem
Meglesz a rajz csak nem ma.
Holnap összerajzolom. A hallok nyitott kollektoros kivitelek ?
Szia
Igen TLE 4905 Köszi
Itt van
P1 el állítható 1700 RPM től 8000 RPM ig a gyújtásszögváltás. működés: 37° os jeladó (mert az van időben elöbb) a D tárolóba beírja a monostabil kimeneti értékét, és kis késleltetés után újraindítja a monostabilt, tehát a D tárolóba mindig az előző gyújtásból származó monostabil kimeneti értéke kerül. Ha 1 akkor az előző indítás T időn belül volt tehát a fordulatszám >= 60/T [1/min] , ha 0 a beírt érték az azt jelenti, hogy az előző gyújtás T időn kívül esik, azaz RPM <= 60/T [1/min] T állításával a határfordulatszám is változik. D tároló kimenetén pedig össze van kapuzva a vezérlés és a D ben tárolt érték, van 2 extra led ami indikálja, hogy melyik jeladóval megy a gyújtás. Kimeneten TTL szintű 5V os négyszög lesz, amit test felé lehet terhelni néhány mA-el (tranyóval illeszthető a következő fokozathoz). Nyákon azokat a kapukat tárolókat használod amelyik jólesik (a nyák szempontjából). sosem próbáltam ki, hogy a schmittriggerek eleget késleltetnek-e. tehát nem 100% hogy elsőre menni fog. RPM korlátozás is ugyanígy oldható meg.
Szia gulyi88.
Már a 83-84 oldalon is próbáltam segítséget kérni de eddig választ nem kaptam. Kérdésem a következő lenne: Kellene egy kis segítség. Belinkeltem a kapcsolási rajzot is. MZ-250-es motorkerékpárhoz szeretnék gyújtást építeni. Kérdésem az lenne, hogy ez a kapcsolási rajz jó lenne-e ha 12v-ra átalakítom. És egy gazellám is van arra is jó lenne ez a kapcsolás? Ha valaki tudna nyák rajzot feltenni az nagy segítség lenne. Remélem nem haragszol, hogy éppen téged szemeltelek ki. Bár ki segítségét elfogadom csak olyan régen várok már de eddig még senki sem vette észre kérésem vagy nem is akarnak foglalkozni kérésemmel. Bővebben: Link Előre is köszönöm. hzsiga
Biztosan menne vele a motor, de nekem nem szimpatikus.
Ha megtalálod, hogy melyik Rédiótechnikában van közölve, akkor lesz nyák is hozzá.
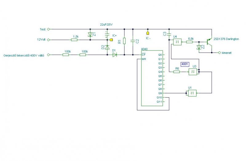
Szia gulyi88. Lenne egy kapcsolásom (igaz egy kicsit hiányos) Yamaha cute CDI-ébe található az elektronika mellet . Megnéznéd nekem mit csinálhat ez mert látom elég jártas vagy a logikai áramkörök terén. Előre is köszönöm. Üdvözlettel nyemi.
|
Bejelentkezés
Hirdetés |




.














