Fórum témák
» Több friss téma |
Fórum » Sziréna
Kösz a segítséget. Electronic Workbench-ben próbáltam szimulálni, de nem sikerült. De mióta megépítettem, tökéletesen működik!
Hello Mindenkinek!
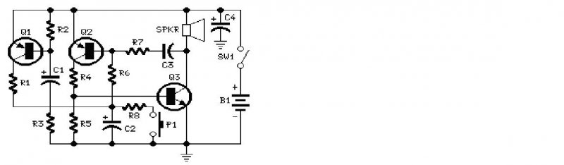
A mellékelt képen az első 555-ös IC 6-os lába melyikkel van összekötve? 2-es vagy 3-as?A nyáktervbőm már csak az az 1 vonal hiányzik ![]() És van aki már megépítette? Milyen a hangja? Mire hasonlít? Üdv!
A kettessel. A 3. sz. láb mindig a kimenete.
Köszönöm szépen!
Már az az 1 vonal is behúzva a terven Üdv!
Szívesen. Kíváncsian várom az eredményt!
Sziasztok! Készítettem egy egyszerű sziréna kapcsolást aminek a rajzát erről az oldalról szedtem le! Csatolom a kapcsolási rajzot meg az adatokat! Az igazság az hogy tök jól működik minden aránylag jól szól bár elég hülye hangot ad de riasztónak megfelel úgy is ritkán hallja az ember! Szóval az vele a problémám hogy nagyon halk vagyis zárt térben nem lehet megmaradni mellette annyira de kb 5 méterre tőle már eléggé lecsökken a hangereje és kb 20-25 m-nél tovább nem is lehet hallani csak nagyon minimálisan!! A kérdés az volna hogy nem lehetne egy picit hangosítani valahogy? vagy esetleg valami egyszerű erősítőt mögé kötni nem tudom csak egy kérdés bár lehet hogy hülyeség de ilyenekre gondoltam pl: valamelyik ellenálláson növelni vagy csökkenteni, vagy a kondikból nagyobbat ill. kisebbet berakni! Vagy esetleg ha nem érdemes vele kínlódni azt is mondjátok meg és veszek egyet csak egy próba volt! köszönöm a segítséget!
Senki többet harmadszor ?
A gagyi sziréna is áll egy hanggenerátor és egy erősítő részből.
A mentős sziréna is áll egy hanggenerátor és egy erősítő részből. A feladat a gagyi sziréna hanggenerátor részét összehozni a mentős sziréna erősítő részével. Ehhez mindkét vezérlőben meg kell találni,hogy hol különül el a két fokozat. Ha szerencséd van,akkor a gagyi sziréna IC-jének hangereje elég lesz a mentős vezérlő végének kihajtásához. Ha tennél fel képet,vagy leírnád a típust, az segítene a továbbiakban.
Oksa!
Majd töltök fel róluk képet! Köszi
Amúgy egy Elektris szirénáról van szó ( 12 ohmos, 50 VA )
Sziasztok!
Van egy ilyen szirénám, mint amit a képeken láttok! Csak nincs meg a kezelő része, és nem tudom, hogy kéne bekötni! Ha jól láttam erobi82-nek volt ilyen(3.oldalon #13812 - nem tudom, hogyan kell rá linkelni) A kezelő részhez 3 vezeték megy, próbálgattam őket egymáshoz érinteni meg ilyenek, de csak akkor adott ki valami hangot amikor a 3 közül a fehéret a +12-höz érintettem. Tudtok valamit ajánlani? Köszi előre is!
Sajna ez nem az a típus. Az enyémnek a kezelőjébe 4 ér megy, ebbe meg csak 3.
Aha értem, de amúgy a te kezelőd mit csinál, van benne valami elektronika? vagy csak nyomógomb?
Az a fajta kezelő, az egyik vezetéken felmenő testet kapcsolja rá a másik 3 vezetékre,az adott gomb megnyomásának megfelelően.
Ezért megy a kezelőbe 4 szál a 3 hanghoz. Elektronika nincs benne.
Sziasztok.
Vettem a motoromba egy kis szirénát,az van rajta hogy 6 szólamú,ehhez szeretnék egy vezérlő áramkört hogy minden hang szóljon.Kérem segitsetek.Köszi
Sziasztok!
Megépítettem a HE cikkes PIC-es szirénavezérlőt, Tökéletes lett. De sajnos nekem 32 Ohmos kürtöm van, és ezzel a hangereje nem az igazi. Kipróbáltam kölcsön kürttel, ami hozzá való, lefújja a fejem ![]() Nem teljesen látom át a trafós fokozat működését, így nem tiszta, hogy a menetszámokat mi módon kell módosítanom ahhoz, hogy jó legyen az én kürtömhöz is. Illetve megoldható lenne, hogy egy átkapcsolóval jó legyen 4, 8, 12, 32 Ohmos kürtökhöz? vagy 8/32 is már bőven boldoggá tenne Tudtok ebben segíteni?Köszönöm!
A hangszóróra menő tekercs menetszámát kell megnövelni amíg a feszültség elegendő a 100W-hoz 32ohm-on. Ezt kísérletezéssel lehet meghatározni. A vezeték keresztmetszete(mm2) is arányosan csökkenthető. Viszont az nem garantálható, hogy a 32ohm-os kivitelű sziréna ugyanakkorát fog szólni mint a nagytesó és az sem, hogy kibírja a megnövekedett feszültséget.
Szia!
Maga a hangszóró az 150W, és valami angolszász csoda, vékony kivitel, hűtőrács mögé való. Kibírni ki kell neki, erre tervezték ![]() Ez a trafós megoldás a kapcsolásodban ez hogy működik? 9 menet a kimeneti oldal, helyesebben 2*9 menet. A "primer" fele meg 74*2, Akárhogy logikázok, ennek pont, hogy lefele kellene transzformálni nem felfele. Jól gondolom, hogy amikor a FET-ek nyitnak( fent/lent), gyakorlatilag az "aktuális" primer, és a szekunder tekercs sorba kapcsolódik, és a kürtre a betáp+ a 9menetnyi feszültség jut?
Jól gondolod, de tedd még hozzá, hogy a lenz törvénye szerint magasabb feszültség indukálódik(hasonló mint a gyújtás trafók), ezért sem tudok pontos menetszámokkal előrukkolni.
Terhelve(hangszóró, vagy 32oh-os ellenállás) kell kísérletezni a 2x9 menet növelésével a megfelelő teljesítményig. Az áramkör 150W-ot is elvisel simán...
Szia!
Köszönöm, akkor tekercselek ![]() Szia!
Picit megkésve, de itt vannak a képek róla :
Azt hiszem félreértettem amit írtál.
Azt írtad,hogy szereztél egy mentőautóról leselejtezett szirénát. Ez itt viszont csak egy hangszóró. Ha most jól értem,van egy gagyi szirénád,meg ez a tölcsér. Ahhoz,hogy a kínai sziréna ki bírja hajtani ezt a hangszórót,egy erősítőt kell hozzá építeni trafóval stb. Amellett 1 db ilyen H50-es tölcsértől nem kell nagy hangerőt várni,ha sikerül is összehozni.
Szerintem én írtam rosszul ( hangszórót akartam írni ). Amúgy ezt egy Eriston 150- es hajtotta és elég erős hangja volt ( legalább is nekem bőven megfelelt
). Valamilyen úton- módon szeretnék megoldást találni arra, hogy milyen megoldással tudnám életre kelteni ( sajna sehol nem találtam még eddig eriston vagy hasonló kapcsolást, vagy esetleg erősítőt hozzá)
Eristont olcsóbb venni, mint házilag megépíteni. A toroid trafó drága dolog, ha nem magad tekercseled meg.
ezt szomorúan olvasom! De estleg lehet hogy rászánnám magam a tekercselésre vagy erősítő építésre ha lenne hozzá rajzom. amúgy nem tudod véletlenül, hogy milyen toroid trafó kell hozzá? mert azt lehet, hogy tudnék szerezni és akkor már csak egy hozzávaló erősítőt kellene barkácsolni ( mondjuk arról sincs semmi rajzom ).
Sziasztok!
Szeretném megépíteni a Watt fórumtárs által publikált szirénát. Egyedüli problémám ezzel kapcsolatban a trafó. Ilyen toroid gyűrűt tudnék szerezni ( külső átm.:42mm belső lyuk átm.:22mm magasság:21mm ) Kérdésem a következő lenne. Megoldható erre? Ha kisebb a kimenő teljesítmény az sem baj. Milyen módosítások kellenek hozzá, értem ez alatt a tekercs adatokat. Köszönöm a segítséget!
Szia!
Elég kicsi az a trafó. Pontos adatokat akkor lehetne mondani, ha tudnánk a voltonkénti menetszámát. Saccolva kb. kétszeres menetszám kéne minden tekercsnél, de lehet, hogy az is kevés. Viszont sokkal vékonyabb vezetékkel lehetne csak megtekerni, ezért nem lenne valami nagy teljesítményű, és akár le is éghetne, bár ha rövid időtartamokig lenne bekapcsolva, akkor talán működhet. Én azért egy 100W-os trafónál kisebbet nem tennék oda.
Igazad van. Én is ilyesmitől tartottam. Éppen nem lenne hosszú üzemben, maximium fél perces időtartamban. Sajnos csak ilyet tudok szerezni mert ez van helyben. Esetleg valami forrást ahonnan be lehetne szerezni olyat? Bárhol néztem méretben egy sem stimmelt.
|
Bejelentkezés
Hirdetés |













