Fórum témák

» Több friss téma
Fórum » Inverteres hegesztőtrafó
 
Témaindító: Gabi, idő: Aug 12, 2005
Lapozás: OK   156 / 565
(#) (Felhasználó 46585) válasza mpisti hozzászólására (») Nov 23, 2010 /
 
Hm... ezek tudnak valamit...vagy nem szeretnek kínlódni...
(#) Ge Lee válasza Isti hozzászólására (») Nov 23, 2010 /
 
Az enyém sem véletlenül lett trafós, előtte alaposan körbejártam a kérdést. Az IR-el ilyen helyen csak a gond van, bármikor elpusztulhat az IGBT-vel együtt. Nekem a trafó bevált. Azt a soronkénti néhány menetet pedig nem nagy dolog rátekerni. Nézd meg a rajzomat, itt van a topikban (88.oldal).
(#) Zerocross hozzászólása Nov 24, 2010 /
 
Van egy rajz, amit a meghajtás miatt tettem el.
Én csak úgy hívom, hogy mesebeli: trafós is, meg nem is:
Ha építek, én ilyet építek. A driver-IC-ket meghagyom fénycső-ballasztnak.
(#) (Felhasználó 46585) válasza Zerocross hozzászólására (») Nov 24, 2010 /
 
Érdekes, de kiváncsi lennék, hogy mit csinál egészen kis kitöltési tényezőknél, meg mit csinál addíg, míg fel nem töltődött a két kondi, ami tulajdonképpen a tápfeszt adja. Alkalmasint megnézem szimulátorban, aztán referálok. Az biztos, hogy nagyon jó lehet ez az elrendezés olyan helyen, ahol mindig 50%-os a kitöltési tényező. ( fázistolós híd )
(#) Zerocross hozzászólása Nov 24, 2010 /
 
Van még a HCPL3120 IGBT driver opto. Van egy rajzom evvel, de gagyi a felbontása.
(#) jimmi12 hozzászólása Nov 24, 2010 /
 
Ismét helo mindenkinek,

Bár nem szorosan az elöttem levő hozzászólásokhoz tartozik, de feltennék egy kérdést, gyűjtögetem az anyagokat a Maci gépemhez és a kezembe akadt egy EF25-ös ferritmag, de a középső lábai között van 0,25mm légrés. Ettől még jó lehet gate meghajtónak, vagy inkább ne kísérletezzek vele?
Előre is köszi a válaszokat.
(#) (Felhasználó 46585) válasza Zerocross hozzászólására (») Nov 24, 2010 /
 
Ez sem túl gyors... ha kifogod a 0,5 us-os darabot, akkor a többi résszel együtt ott leszel az 1 us-nál. Viszont, nagyon jó a du/dt tűrőképessége.
(#) Zerocross válasza (Felhasználó 46585) hozzászólására (») Nov 24, 2010 /
 
Na? Mit szimuláltál?
Mármint az IGBT meghajtóval.
(#) Zerocross hozzászólása Nov 24, 2010 /
 
Egy pár gondolat erejéig megcsócsáltam a témát. Arra jutottam, hogy még körbenézek nagy sebességű adatátviteli opto után kutatva. A két rajz amit mutattam most legutoljára, na a kettőt összeházasítva: segédtápos (egy 2*12V puskás elég is lenne 5...10VA), de csatoló trafós (ami lehet egész kicsi), vagy adatátviteli opto-s , tranyókkal a kimeneten. Igaz több alkatrész kell bele, de tuti-nak tekinthető. -szerintem-

A shift vezérlés csábító, ha teljes hidat épít az ember, de drága bele az IC, viszont egyszerű trafós meghajtás...

NNa meg is van: 6N137 ( HCPL2601 ) esetleg? Persze megfelelően 'felöltöztetve' IGBT hajtásához.
(#) Zerocross válasza jimmi12 hozzászólására (») Nov 24, 2010 /
 
Szerintem egy próbát megér, persze először IGBT-k nélkül, kapacitív terheléses próba. Ha csak sima egytranyós vezérlés (nem ellenütemű), akkor még jól is jöhet a légrés, ha nem túl alacsony az AL-érték miatta. -szerintem- Mielőtt még vásárolni menne az ember, és nincs a fiókban jobb.
(#) Isti válasza Ge Lee hozzászólására (») Nov 24, 2010 /
 
Elég az a puffermennyiség a primerre? (hacsak nem direkt a feszültségesésre játszol, vagy csak a rajzban spóroltad le?) 1000 µF-es bank kituningolva műanyagkondikkal, bementi fojtóval az tapasztalataim szerint kezd elég lenni oda

Szorosan tekered a trafót, nagyon vastag vezetékkel?

Látom teljes hidas

Illetve ami még érdekel, hogy ez a UCC2808 vajon mennyi idő alatt húzza össze a kitöltést? Azonnal, vagy csak a következő négyszögnél? (200ns van az adatlapban, annak lehet-e hinni, hogy tartja a nagyságrendet? "CS to output delay")
Nemcsak ehhez a projekthez kérdezem ennek az IC-nek a tulajdonságait.

Egyébként tetszik a rajz, egyszerű, váltóáram van benne mégis...
(#) (Felhasználó 46585) válasza Zerocross hozzászólására (») Nov 24, 2010 /
 
Nem megy az olyan gyorsan... talán az este folyamán, vagy valamikor.
(#) (Felhasználó 46585) válasza Zerocross hozzászólására (») Nov 24, 2010 /
 
A 6N137-tel vigyázni kell. Csak a Faircild gyártmány bír ki 10 kV/us körüli du/dt, de ez sem teljesen egyértelmű. A Toshiba, meg az összes többi nem bírja. Inkább a HCPL2611-et kell használni, persze az már nem olyan olcsó... és akkor még nem beszéltem arról, hogy az csak 5 V-os kimenetű, tehát, valami szintillesztő kell, ami tovább lassítja, meg bonyolítja a dolgot.
(#) Ge Lee válasza Isti hozzászólására (») Nov 24, 2010 / 1
 
Látom mindenki a részletekkel van elfoglalva. Rajzolhattam volna bele egyet vagy akár négyet is nem ez a lényeg, de ezen valahogy mindenkinek megakad a szeme. A rajz még nem volt teljesen kész csak gyorsan feldobtam (mondhatni lespóroltam). Elvileg nem elég (inkább 4 kéne), gyakorlatilag meg igen.
Hogy miért maradt annyi:
- Sürgősen kellett már és volt egy darab nyákom amire a két kondi ráfért a harmadik már nem, nem akartam másikat vágni és a dobozhoz is igazodnom kellett.
- Végeztem méréseket a 3. kondival, nem javult annyit hogy értelme legyen bennehagyni, ekkora áramra nehezebb őket párhuzamosan kötni a nyákon, ezért mindig az utolsó visz több áramot (lesz melegebb). Pontosan már nem emlékszem de 2 kondival kb. 270V 3-al 275V volt a terhelt egyenfesz.
- A használat azt mutatta hogy 90-100A-nél nagyobb áram nekem semmihez sem kell (120-al már inkább vágott mint hegesztett), ezért 100A-ben limitáltam az áramot ami a végfokot is kíméli mert sokáig szeretném még használni.
Az UCC szerintem elég gyors, jó választás és nem csak hegesztőhöz.
(#) (Felhasználó 46585) válasza Zerocross hozzászólására (») Nov 24, 2010 /
 
Nem az igazi... eleve, amíg fel nem tölti a bemeneti jel a 2 db 220 nF-ot, addig nincs gatefesz, vagy csak nagyon kicsi és lassú. Ez idő alatt az IGBT-k analóg üzemben mennek... vagy kibírják a nagy disszipációt, vagy nem. A másik, hogy az igaz, hogy ez csinál negatív feszt is a gate-ekre, de ehhez a trafónak kell szolgáltatnia a feszültséget és ráadásul úgy, hogy az ne mágneseződjön el. Egy olyan trafómeghajtás, mint ami a Maci-ban van, ezt nem tudja, csak rövid ideig. ( nem is erre van kitalálva ) Nem is tudom, mivel lehet ezt úgy meghajtani, hogy a gate-en, ha ki van kapcsolva az IGBT, akkor a teljes kikapcsolás alatt negatív fesz legyen. Igaz, erre nem is nagyon van szükség, mint ahogy arra sem, hogy legyen egyáltalán negatív fesz. Ez talán egészen nagy teljesítményű eszközöknél, nagy feszültségen kellhet, már ha nem nagyon szereti az adott eszköz a nagyon gyors feszültségemelkedést a kollektor-emmitter között kikapcsolásnál.
A másik, hogy ha nagyon rövid a bekapcsolási idő, akkor a kondik nem fognak feltöltődni, aztán megint analógba megy át...

A szimuláció eredményében a lila a bemeneti jel ( vagyis a trafó szekunderfeszültsége ), a kék a pozitív "tápfesz", a zöld a negatív "tápfesz", a piros a gatefeszültség.
(#) mikulamotor hozzászólása Nov 24, 2010 /
 
Üdv mindenkinek! Egy olyan dologba kérném a segítségeteket,hogy van egy KND-350 es AWI gépem egyen és váltóáramú. Ami a hálózatból 380V 2x 60 A-t és egyszer 16 A-t vesz fel. Az lenne a kérdésem hogy átlehet e alakítani inverteresre és lentebb lehet e venni az áramfelvételét. Ha jól tudom akkor egyen áram hegesztésénél akkor 3x 16A működik, váltó áramnál pedig 2x 60 A-ről megy és ez lenne a lényeg ,hogy váltóba legyen kevesebb. Előre is köszönöm a segítségeteket. Laci
(#) Zerocross válasza (Felhasználó 46585) hozzászólására (») Nov 24, 2010 /
 
Tanulságos.
A negatív vezérlő feszültség (tapasztalataim szerint) ellenütemű (és híd) kapcsolásnál kell, hogy a lezárt félvezető visszaható kapacitása miatt, még véletlenül se kerüljön vezetési állapotba.
Ha az egyszerű és jó párosítást vesszük, akkor a már megszokott trafós csatolásnál fogunk kikötni, tranyós kisütés-gyorsítással.
Van egy gondolatom: Ha tápegységet készítek a vezérlésnek akkor már egy szekunder helyett legyen három, jól elszigetelve egymástól. A vezérlés pedig csak egy pici, jelátviteli trafót hajt, amit akár az IC közvetlenül is hajthat. A szekunder oldalán pedig tranyókkal spanolva küldi a GATE-et. Valahogy úgy ahogy a PDF-ben látható:
(#) mpisti válasza mikulamotor hozzászólására (») Nov 24, 2010 /
 
"Az lenne a kérdésem hogy átlehet e alakítani inverteresre és lentebb lehet e venni az áramfelvételét."
Röviden: nem. Az inverteres technológia teljesen másképpen működik, egy ilyen gépet ha eladsz,azon tudsz venni két kínai AC/DC invertert.
A géped egy 3 mázsás, mágneses erősítős szabályozású kiváló dinamikával rendelkező jószág. Mivel váltóáramú üzemmódban csak két fázisra van bekapcsolva a főtrafója,az üzemmódváltó kapcsoló kissé vissza is csapolja a trafót,hogy meglegyen a gyújtófeszültség.
Emiatt aztán az üresjárási árama is lényegesen nagyobb váltóáramú üzemmódban. Emiatt ez a gép erősen ipari kategória villamosenergia igény tekintetében.
(#) mpisti válasza Zerocross hozzászólására (») Nov 24, 2010 /
 
Ha nem zavar az,hogy egy rajz kézzel készült,akkor holnap tudok feltenni ehhez hasonló, 140A-es Miller Goldstar meghajtó fokozatáról készült rajzot. A múlt héten rajzoltam vissza. Ma megjött a fényképezőgépem is így hamarosan fotókkal is tudok szolgálni a gép belsejéről, illetve-ahogy korábban ígértem,az XMT400 ról is.
(#) (Felhasználó 46585) válasza Zerocross hozzászólására (») Nov 24, 2010 /
 
Felesleges ennyire elbonyolítani. Sima tápegységnél nem kell nagyon gyorsan bekapcsolni az IGBT-ket, tehát a meghajtótrafó is be tudja annyira gyorsan kapcsolni őket, amennyire szükséges. Ebből következik, hogy nem kell a gatemeghajtóknak segédtáp sem. Ebben az orosz megoldásban még meg is növelik rendesen a késleltetéseket azzal, hogy a gatemeghajtókban az emmitterkövetők előtt 3 !!! db CMOS ic-t használnak. Ez legalább 100 ns késleltetést okoz és feleslegesen. Egy miért nem elég? És kis FET-ek lennének úgy, hogy a drainek lógnak össze. Ha nem túl magas a freki ( mondjuk 100 kHz alatt ) akkor még az együttvezetésükből eredő veszteség is kicsi. De még ez is felesleges.
Én nem azt mondom, hogy a Macié tökéletes, mert az is elvi hibás, de a célnak megfelel. Ha te néhányszor 10 kW-ra terveznél, akkor lenne létjogosultsága egy ilyen külön tápról működő gatemeghajtónak, mert az igazán nagy IGBT-knek már nagyon nagy a gate totál töltése és azt már nehézkes lenne feltölteni trafóról. Egyébként, még azt is lehetne, ha mondjuk bifillárisan lenne tekerve a primer és a szekunder. Ekkor nagyon kicsi lenne a szórási induktivitás, tehát lehetne a bekapcsolási áram is viszonylag nagy. A baj ilyenkor ott kezdődik, hogy a trafónak nagy lenne a kapacitása és a főkörből komoly áramok folynának ezen a kapacitáson keresztül a vezérlés felé. Aztán vagy elviseli ezt, vagy hibákat csinál,ami esetleg hazavágja az IGBT-ket.

A visszaható kapacitás hatását valóban csökkenti a negatív feszültség a lezárt tranyón, de ez a hatás attól függ, hogy mennyi a kollektorfeszültség emelkedési sebessége. Ez a Maciban úgy van megoldva, hogy jó nagy snubber van ráaggatva a tranyókra, tehát túl gyorsan nem tud emelkedni a feszültség, így nem tud visszakapcsolni az IGBT. Más kérdés, hogy emiatt rendesen melegszenek a snubberellenállások. Erre találták ki a közel veszteségmentes snubbert, persze, azzal is vannak gondok.

Az a helyzet, hogy nagyon nem mindegy a főáramköri elrendezés. A gatemeghajtást, a veszteségeket, a keltett RF zavart, hatásfokot, a felhasznált trafó milyensége, darabszáma, stb, mind-mind nagyban befolyásol mindent. Minden összefügg mindennel és nagyon nehéz, - talán nem is lehet - univerzális egységeket kitalálni.
Pl: nem mindegy, hogy hova készül a táp. Ha erősítőt hajt meg, akkor nem kell stabilizált fesz. Ilyenkor a legjobb megoldás egy önrezgő kivitel. ( nem driver ic-kre gondolok, mert az már bonyolult ) Ha lehet, akkor legyen ZVS. Ha meg valahova stabilizált táp kell, akkor mérlegelendő, hogy mennyire kell jó hatásfokúnak lennie. Hova megy belőle a meleg. Van e ventillátor? ( nem mindenhol szeretik ) Erre mostanában talán a fázistolós ZVS lehet a legjobb. Ha kis feszültségű a kimenet, akkor szinkronegyenirányítóval. Ha meg hegesztőgép, akkor a Maci főköre, ha elég mondjuk 200 A. Ha több kell, akkor már inkább teljes híd, valami külön ívgyújtóval.
Szóval, ezeken lehet törpölni...
(#) mikulamotor válasza mpisti hozzászólására (») Nov 24, 2010 /
 
Köszsönöm szépen,akkor nem is gondolkodom az átalakításában.
(#) Zerocross válasza (Felhasználó 46585) hozzászólására (») Nov 25, 2010 /
 
Idézet:
„Én nem azt mondom, hogy a Macié tökéletes, mert az is elvi hibás, de a célnak megfelel.”

Anélkül, hogy elmondanám a véleményem erről, kíváncsi vagyok TE mire mondod, hogy elvi hiba. Ha lehetne ezt kifejtenéd bővebben?

Idézet:
„Ha te néhányszor 10 kW-ra terveznél, akkor lenne létjogosultsága egy ilyen külön tápról működő gatemeghajtónak, mert az igazán nagy IGBT-knek már nagyon nagy a gate totál töltése és azt már nehézkes lenne feltölteni trafóról.”

Szűkös látómezőmben eddig az a tapasztalatom, hogy a nagyobb teljesítmények területén nem igazán használnak nagy frekvenciát (50...100kHz) IGBT-vel. Sőt, amivel eddig dolgom volt, inkább csak a hallható tartományban volt a kapcsoló frekvencia. A segédtápot inkább kényelmi okokból használják, mintsem kényszerből. Egy izmosabb meghajtó trafó, izmosabb primer hajtással (ami elviseli a visszahatásokat) még olcsóbb is mint segédtápról üzemelni. A legérdekesebb amivel találkoztam: impulzus-csomag meghajtó trafós gyújtás.
(#) mpisti hozzászólása Nov 25, 2010 /
 
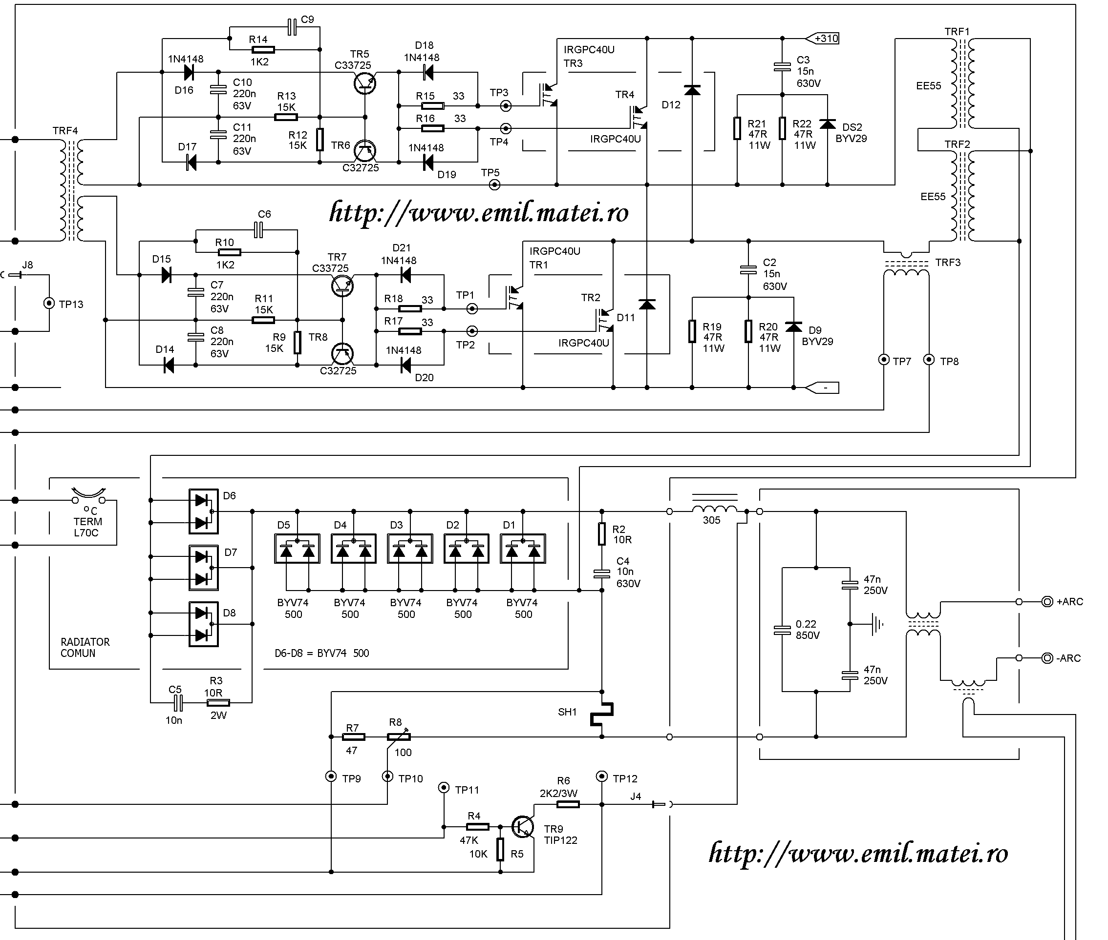
Az ígért Miller Goldstar 140 végfok és meghajtás kézi rajz.
(#) mpisti hozzászólása Nov 25, 2010 /
 
Egy kérdés: melyikőtök ismeri az UC3825 PWM vezérlőt, illetve kinek van tapasztalata ezzel a típussal?
A válaszokat előre köszönöm.
(#) (Felhasználó 46585) válasza mpisti hozzászólására (») Nov 25, 2010 /
 
Hm... hát, a spórolós mindenüket. A kimeneti fojtó lemezelt vas... egyszer én is kipróbáltam, mondván, ha elég kicsi a kimeneti áram hullámossága, akkor a vasmagban nem lesz túl nagy nagyfrekvenciás mágnesezés, akkor a veszteség sem lesz nagy. Nem igazán volt jó, eléggé melegedett.

A gatemeghajtáson érdemes elgondolkozni.
(#) (Felhasználó 46585) válasza Zerocross hozzászólására (») Nov 25, 2010 /
 
Miután trafós a gatemeghajtás, így annak van mágnesezőárama. Egyrészt, annak a tranyónak van a drain-source között egy kapaciátsa, amit a trafó tölt fel, illetve süt ki. Tehát, ha az impedancia, amit a kondi lát kicsi, akkor gyors lesz ennek a tranyónak a kikapcsolása, vagyis a drain-source feszültség gyorsan felmegy. Ha kisebb a terhelés a tranyón, akkor meg lassabb. Egyes gatemeghajtóknak változhat ez a terhelése, aminek az a következménye, hogy a változó élmeredekség miatt változik az egésznek a késleltetési ideje.
Másrészt, vannak kapcsolások, amik kihasználják azt, hogy a kikapcsoláskor a trafóban tárolt mágneses energiát használják ( vagy annak egy részét ) az IGBT-k kikapcsolására, vagy az IGBT-k gate-source-ét rövidrezáró tranyó vezérlésére. A baj ott van, ha ennek a trafónak változik a mágnesezőárama, mert akkor a szekunder oldalon hasznosítható energia is változik. És miután ez pwm, a trafó mágnesezőárama folyamatosan változik. Nincs is baj, ha mondjuk 20...50% kitöltésű jelet kell generálnia, a probléma ott van, amikor egész keskeny impulzust kell csak előállítania. Ekkor alig van valamennyi mágnesezőáram, tehát, a szekunder oldalon szinte semmit sem lehet ebből felhasználni. A következménye az, hogy jóval hosszabb lesz a gatemeghajtás késleltetése kikapcsolásnál, mint nagyobb kitöltésű jeleknél. És, pont akkor lesz nagyobb a késleltetés, amikor nagyon gyorsnak kellene lennie, vagyis, zárlatban. Emiatt (is) túllendül az áram a kimeneten, ahhoz képest, amit az áramszabályozó beállítana.

És ezen semmi sem segít, hiába növeljük meg a légrést, hogy mégis legyen mágnesezőáram, ha nagyon keskeny az impulzus, akkor semmit nem ér. Egyébként, az arányok akkor is maradnak, a nagyon keskeny és a széles impulzusok között lesz késleltetési időben legalább egy kettes szorzó. Hát, nem túl szép... ha meg a szekunder oldal nem használja a mágnesezőáram keltette energiát, akkor az áramkör lassú, illetve nem olyan egyszerű, mint az eddigiek.

Ennek ellenére, jól működnek ezek az áramkörök, csak nem árt tudni a korlátaika, hogy pl hiába gyors a pwm ic, ha az utánna következő fokozattal már probléma van.

Ezért jobbak azok a kapcsolások, ahol a tranyók mindig 50%-os kitöltéssel mennek. Ott egyfajta gatemeghajtás van, mindig ugyanazzal a késleltetéssel, szóval, az konstans. Nyílván, ez a megoldás csak teljes hídban megy, hiszen csak a fázistolós megoldással lehet változtatni a főtrafóra jutó feszültséget.
(#) mpisti válasza (Felhasználó 46585) hozzászólására (») Nov 25, 2010 /
 
Az XMT400-ban is lemezelt vas a kimeneti fojtó. Bár-mint korábban írtam-az nem PWM vezérlésű.
Holnap-ha lesz rá időm- készítek néhány képet a meghajtó jelalakokról.
(#) Ge Lee hozzászólása Nov 25, 2010 /
 
Idézet:
„Ha több kell, akkor már inkább teljes híd, valami külön ívgyújtóval.”

Ehhez kb. mekkora energiára lenne szükség? Gondoltam már én is arra hogy le lehetne menni a szekunderrel 40-50V-ig, és lenne külön egy kis önrezgő 100-200W-os táp ami töltene egy párszáz mikrós kondit 100-120V-ra. Ki is próbáltam, kb. 130V-al már nagyon jól lehetett ívet fogni, de nem tudom mekkora energia kéne ahhoz hogy határozottan segítse mondjuk egy 40V-os szekunderű híd ívfogását.
(#) mpisti válasza Ge Lee hozzászólására (») Nov 25, 2010 /
 
A 130V nagyon sok(a szabvány sem enged meg ennyit), 90V még a cellulóz bevonatú pálcához is elég. 1-1,5A áram elég,de a karakterisztika visszahajló legyen,vagy a segédtrafó szórja ki terhelés hatására a plusz erővonalakat. A főtrafónak viszont ebben az esetben nem kell többet leadni mint 30-35V.
(#) X Sügi X válasza mpisti hozzászólására (») Nov 25, 2010 /
 
Az Elektrosta 150-ben is lemezelt a fojtó. Tettem is fel róla régebben képeket. Lassan a kapcsolással is elkészülök, és felrakom.
Következő: »»   156 / 565
Bejelentkezés

Belépés

Hirdetés
XDT.hu
Az oldalon sütiket használunk a helyes működéshez. Bővebb információt az adatvédelmi szabályzatban olvashatsz. Megértettem