Fórum témák
» Több friss téma |
- Ez a felület kizárólag, az elektronikában kezdők kérdéseinek van fenntartva és nem elfelejtve, hogy hobbielektronika a fórumunk!
- Ami tehát azt jelenti, hogy a nagymama bevásárlását nem itt beszéljük meg, ill. ez nem üzenőfal! - Kerülendő az olyan kérdés, amit egy másik meglévő (több mint 17000 van), témában kellene kitárgyalni! - És végül büntetés terhe mellett kerülendő az MSN és egyéb szleng, a magyar helyesírás mellőzése, beleértve a mondateleji nagybetűket is!
ja a legfontosabb, adat az autó 1985 ös tehát semmi computer
Értem, úgy már más. Akkor nem szóltam.
Sziasztok.
Az járható út, hogy az 555 IC (Q) kimenetét nem egyből a vezérelendő alkatrészre kötöm (tranzisztor) hanem a kettő közé beteszek egy 4081 AND kaput? Elgondolás: A tranzisztor csak akkor kapná meg az 555 kimenetét, ha egy másik elem is H szintet ad az AND kapunak. Így elvileg csak akkor nyit a tranzisztor, ha 555 H szinten van és a másik vezérlő jel is H szinten van.
üdv,
elég primitív kérdés, remélem itt feltehetem. van vagy 4 eszhözöm ami rendelkezik stereo hang kimenettel, de csak 1 bemenete van az erősítőmnek és a TVmnek. Folyton át kell dugaszolnom, ha másik eszköz hangját akarom kihangosítani. Szeretném közösíteni a line out kimeneteket, de úgy, hogy egymás kimenő árama ne károsítsa a berendezéseket. (Olyan olcsó kapcsolóról pedig nem tudok ami tudna sok lábat kapcsolni párhuzamosan.) Elég-e ha egy-egy diódát bekötök minden hangkimenethez sorban? Az eszközök igen drágák, ezért semmi képpen nem szeretném ha egymást tönkretennék a közösített hangkimenet miatt. Tudom, a hang nem teljesen egyenáram, de a polaritása fix, ezért gondolom a diódák megvédhetnék a visszaáramtól a készülékeket.
Ilyen célra vannak a keverők. (A dióda egyennél megvédené, ha jó polaritással lenne bekötve, csakhogy itt nem egyen fesz. van, hanem váltakozó. Vagyis a dióda nem jöhet szóba.) Ha csak 2 eszközt akarsz összekötni, azt legkönnyebbe 2*2 műv. erősítős kütyüvel megteheted. Találsz itt megfelelő kapcsolásokat. (De mondok egy egyszerűbbet. Látezik ilyen kapcsoló is ill. relével is megoldható a feladat. Én a helyedben több áramkörös yaxley kapcsolót alkalmaznék.
Tökéletes! A logikai IC-ket pont ezért találták ki.
Hali!
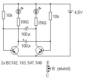
Van egy kétledes villogóm (astabil multivibrátor) Szeretném hogy több led villogjon azaz például 5-5 led villanyon felváltva eredetileg 4,5 V táp kell hozzá de ha a ledek számát növelem ugyanaz a fajta mind a két esetben akkor kérdés működik e 12v-os táprol
Sziasztok! Bocsánat, hogy ide írok de elég fontos lenne.
Tekertem egy ferrit magos kis trafót, neon invertert szeretnék csinálni belőle. Szerintem mindenem megvan hozzá. 555-es ic-vel szeretnék előállítani nagy frekit, azt egy tranzisztorral erősíteni, és voálá, működik. Ez így működhet? Ha valaki tud ehhez rajzot mellékelni ,megköszönném. Legyetek szívesek válaszolni! Köszönöm!
Igen, csak a kondik feszültségére figyelj. Ill. sorosan kösd a LED-eket. (A nyitófeszültségek összege kevesebb legyen, mint a táp.)
Köszi igen figyeltem a kondik tűréshatárára azaz 50V 100µF Akkor sorba kössem a ledeket köszi!!
Szia! Igen, persze jártam, de nem működik, pedig a trafó jó. Mi lehet a gond?
köszönöm válaszod.
Az elég rosz hír, ha szimpla diódák nem védik meg a line outokat ![]() Esetleg van valami erre a célre egyszerű késztermék? A keverő számomra úgy hangzik, mintha kicsit többet kellene tudjon, mint egy szimpla védelem, pl. hangerő szabályozás, mixelés stb.. Utána számoltam és legalább 5 stereo (azaz kb 5x3 ér) hangkimenet közösítésére lenne szükségem, hogy ne kelljen folyton dugaszolnom az erősítő bemenetébe a másik kábelt. (PC, laptop, PS3, XBOX360, TV) Rákerestem a "yaxley"-re de googléban nem találtam semmi kapcsoló áramkört
Hello Led soros kötésnél hogy kell forrasztani a ledek lábát ? anód-katód-katód-anód?? Vagy Anód-katód-anód katód?
Köszönöm a válaszokat!
LED = fénykibocsátó dióda.
Áram hatására világít. D, mint dióda. Na, a dióda hány irányba vezeti az áramot?
hali!
meghalt az mp4-em egyik nyomógombja. milyen gombok ezek? és hol lehet ilyet szerezni köszönöm!
Akkor továbbléphetünk.
Tulajdonképpen mindkét irányba vezetnek a diódák, csak... Csak általában olyan nagy a záróirányú feszültségtűrésük, hogy ha azt túlléped, tönkremegy. 1N4007-nél talán 1 kV. És sajnos a LED sem szereti a fordított feszültséget. Vannak aztán a direkt feszültségstabilizálásra tenyésztett diódák, a Z-k, ezeket 'fordítva' használjuk.
Az előző kérdésemet konkretizálva: hány 5mm-es LED-et tudok még kötni erre a 3 LED-es villogóra?
(#210176) Zenner Szia gyulank! Én tudok neked egy tényleg egyszerű kapcsolást mutatni, én megépítettem légszerelésben és műküdik. A kondik 10-47ľF/6V a tranyók bármilyen npn tranzisztorok lehetnek ez ellenállások kivételnélkül 22kOhm-osak a tápfesz 4,5- 5V legyen Jó tanács:ha nem indul el egyből, akkor valamelyik tranyó emiterét és bázisát érintsd össze egy pillanatra, akkor mennie kell ha mindent jól csináltál Szerintem sokkal egyszerűbb mint IC-vel megoldani, és olcsóbb is. Üdv!
Ezt én is alátámasztom mert én is megcsináltam légszerelésben és működött!
Nyitó irányban világít, fordítva, záró irányban tönkremegy.
És hogy sokféle dióda van.
Sziasztok. Szeretnék csinálni valamit a barátnőmnek karácsonyra, valami ledes villogós valamit. Nincs ötletetek, hogy mit is csináljak?
Szia!
Csinálj egy ilyet: Bővebben: Link.
Köszi a segitséget, pont valami ilyenre gondoltam
. Csak azt nem tudom, hogy honnan szerzek majd sziv alakú dobozt.
Üdv Mindenkinek!
Pár éve építettem egy 5oktávos polifónikus orgonát. Most szeretnék hozzáépíteni egy basszusgenerátort, aminek a kapcsolási rajzát a „amatőr kapcsolások digitális integrált áramkörökkel” c. könyvben találtam, csak az a gondom vele hogy a rajz nem egyértelmű számomra. Ha tudna valaki ebben segíteni, vagy egy másik hasonló kapcsolást ajánlani, nagyon megköszönném. Ha tudom be szkennelem és feltöltöm a meglévő kapcsolást is hogy könnyebb legyen a segítség. Előre is köszönöm a segítséget. Üdv: Balipapa
szia!
köszi a gyors választ. de nem a gomb volt a ludas, hanem a kábel volt eltörve a szélénél
bizony szeretjük az ilyen kábeleket javítani
![]() nekem már nem egy DVD lejátszónál volt olyan, hogy ahogy mozog a fej ilyen kábel-t huzigál magával és éles széle volt a sín/burkolat szélének, szépen elvágott pár vezetőt ![]() azóta szigszalagot ragasztok a sínek szélére...ha befér (csatoltam képet) |
Bejelentkezés
Hirdetés |

















