Fórum témák
» Több friss téma |
Értem. Bár ha besüllyeszted, attól ugyanúgy láthatod az imbusz-t. Az én erősítőmön is az lesz, csak ott nem tudom sajnos besüllyeszteni, mert fém lesz az előlap.
A tiéd jelenleg hogyan áll? Mikorra várható hogy elkészül? Valami fotót láthatnék róla?
Nagyon lassan haladok. Szerintem ha lenne minnden alkatrészem hozzá (jelenleg 2db relé és egy jacksly hiányzik) akkor szerintem ha reggeltől estig csinálnám még 2 nap lenne ha minden elsőre úgy működne ahogy kell. Szerintem lesz benne egy földhurok, majd kipróbálom, már az is megvan, hogy ha lesz benne, akkor melyik kábelt nem forrasztom be. Ha így sikerül kiküszöbölni, akkor tényleg nem lenne már sok hátra. Ami elromolhatott eddig nálam a quadban az minden el is romlott, még a mechanikus dolgok is mint pl az előző jacksly
Képeket még nem publikálok, majd a ki mit építettbe ha teljesen kész lesz az egész. Az a baj, hogy sokszor csak pár órám van, ha így vagyok, akkor meg nem állok neki építeni, ezért általában hétvégékre marad.Remélem, hogy 2-3 héten belül sikerül befejezni teljesen, igaz azt hittem, hogy ez a 2010-es év végére menni fog.
Kár!
Mi romlott el neked a quadodban? No meg hogyan?
Van / volt pár tervezési probléma, konstrukciós probléma, stb Meg olyan előrelátást kíván meg, hogy majd ha így vagy amúgy lesz kapcsolva, akkor ennek meg annak hogy kell, hogy fog működnie...
Pl mind a hérom trafót én tekertem meg hozzá, megtekertem mind a három primmer oldalát mire kiderül, hogy a dobon nem az a huzal van, mint ami rá volt írva.... Le az egész, trafó tekerések újrakezdése... Ez csak egy kis ízelítő az egészből.
A primmerre már nem is emlékszem, de a szekundert azt tudom, hogy 772 menettel lett megtekerve, ráadásul 1,5mm átmérőjű huzalból
Jó küzdelem volt
Szia jól néz ki a Quadod! De nem túl sok bele a hűtés? Kell annak akkora?
Üdv! Köszi! Sokan mondják hogy sok lesz(mikor még építettem) /sok a hűtés. Nekem így adta a méretet. De nem bántam meg hogy nem szabogattam belőle.. 1 óra alatt 4Ohm os terheléssel kb.: fél kivezérlésnél már 40C fok a borda.. A jövő hónapban egyik haverhoz el fogom vinni hogy mit tud max kivezérlésen
Az enyémben kb akkora borda van, mint neked egy panelhez, és én arra tettem mind a két végfokot, de az enyémet hűti egy PC vent. is ami 12VDC-ről megy, de szeretnék bele mégy egy ventit tenni. Én csináltam már bulit, igaz csak a fél oldlát használtam, de egész buli alatt egy 4ohmos 300wos pionner logott rajta, kicsit meleg volt, de nem lett semmi baja pedig max hangerőn volt végig.
Kész lett a egyik Quad javítása.
Végtranyók mentek ki és a koppanásgátlóban pár dióda. De most már szuperál, rendesen. Köszönöm a segítséget! üdv attila
Nagyszerű! Nekem még buliban nem volt, de egyszer kipróbálnám szívesen! :yes: Nekem teljesen passzív! Ha aktív hűtést szeretnék, semmiképp nem tennék rá ventilátort, hanem alá csinálnék egy csőrendszert, amiben áramolna a hűtési levegő. Amit egy 8X8-as ventilátor szolgáltat majd. Többen is azt mondták hogy buliban nem lehetett megfogni a bordát, de semmi baja nem lett az erősítőnek.
Írtam, hogy ami tönkremehet az tönkre is meg és ahol lehet csak megnehezíti a dolgom...
Átkötöttem a reléknél és a kapcsolóknál amit kellett, mondom letesztelem a mély részét, mert az van egyelőre még csak bekötve... Természetesen nem ment... Nézem a sub filter nem kapja meg a 12V-ot... 4 órámba telt mire rájöttem, mert több változtatást is csináltam az egész erősítőn azután miután működött és közben nem ellenőriztem le, hogy még jó-e és nem tudtam melyik módosítás miatt nem működik... Tehát 4 óra alatt jöttem rá hol a hiba, már mindent kimértem mindent mindennel... A hiba ott volt, hogy a 7912-n mértem, kijön a -12V mondom ok. Néztem szakadásvizsgálóval, hogy a táp sorkapcsától van-e szakadás a sub filterig, nem volt. Na mondom akkor már csak a táp maradhat, mikor leszűkítettem erre a kis területre a problémás területet viszonylag hamar megtaláltam... A hiba ott volt, hogy a 7912 out lába el volt törve... 1,5mm vastag a nyák, amin van a táp és abban az 1,5mm-eben volt "elszakadva" a lába... Tehát az alkatrész felőli oldalon még mértem a -12v-ot, de a beforrasztott lábán már nem volt rajta... Ettől eldugottabb hibát elég nehéz lenne még akarattal is csinálni ![]() Remélem, ha holnap kicserélem, akkor már működni fog...
Sziasztok!
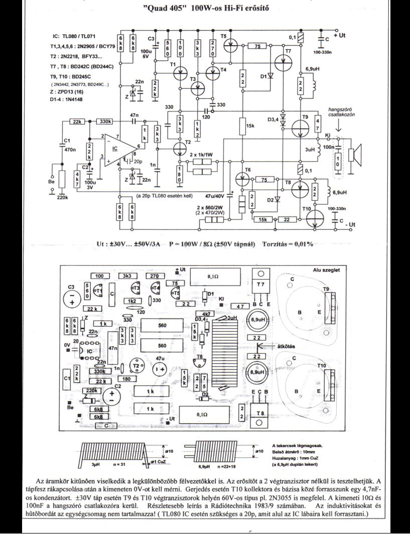
A múltkor feltett kérdésemre (#881718) nem igazán kaptam teljes mértékben választ ,remélem erre a kérdésemre nagyobb reakció lesz . A múltkor emlitett JBL ládámat úgy döntöttem,hogy egy quad 405 össel hajtom meg,kaptam is egyet,nem v.mi gyönyörűren sikerült darab,de gondoltam megfelel. Túl sok dolgot nem tudok róla elmondani,de amit tudok leirom: A tápja kb. + - 35v BD245c végeket és BD244c -ket tettem bele mert nem akart megszólalni,illetve nagyon halkan halható volt v.mi.Van hozzá egy aktiv szűrő a mélyhez. Kérdésem az lenne,hogy miért van az,hogy az erősitőn a két BD244c hűtőbordák közül csak az egyik melegszik de a másik semmit?Ami problémám pedig a nagyobbik az az,hogy csutkára tekerve is eléggé halkan szól ha rákötöm az erősitőm (h/k AVR-330) sw. kimenetére,ha pedig eléggé felhangositom az erősitőt néha olyan mintha lekoppanna a hangszóró,vagy reccsenne ,minden esetre nem odaillő hang az biztos.Valami ötlet esetleg,hogy mitől vannak ezek a dolgok és mi lenne a megoldás? ( erről épitették anno: )
Ez a Quad nál sajnos nagyon sokféle hiba lehet. Azért reménykedj hátha segít majd itt valaki olyan ,aki ért a Quad ok hoz eszméletesen...
Sziasztok!
Már az építés vége felé járok, bekötöttem mind a három 200W-os panelt, 2.1-eset csinálok, 3 trafóval. A mély rész az teljesen függetlenül kapcsolható a sztereótól. Tehát úgy is lehet, hogy csak a mélyet kapcsoljuk fel, úgy is, hogy csak a sztereó részt és úgy is, hogy a sztereót és a mélyet is. Olyan probléma merült fel, hogy a sztereónál, az egyik végfoknál a koppanásgátló reléje kattog kb másodpercenként 2-4-et minél feljebb tekerem a hangerőt, annál kevésbé csinálja, illetve ha bekapcsolom a mély végfokot, akkor abbahagyja, de ennek teljesen függetlenül kellene lennie. Néztem a sztereó végfokát, ami ugyanarra a koppanásgátlóra van kötve mint a sztereó másik része, viszont teljesen jól működik, függetlenül (ahogy kell) a mély résztől. Mi csinálhatja ezt? Hogy lehet orvosolni? Úgy iscsinálja, ha nincs rajta bemenet.
Mivel át lettem telepitve ebbe a topikba,igy muszáj vagyok pár dolgot ide másolnom
.Esetleg attól nem lehet,hogy halkan szól a quad 405 mert hibás a tl080 -as ?Rákötöttem tegnap a bemenetre egy előerősitőt és igy szól az erőlködőm sw kimenetén .Most találtam egy tl071 est (ennél gondolom a az 1 és a 8 lábat összekötő kondit le kell venni?) kicserélem,hátha jobb lesz,ha nem akkor esetleg az előfordulhat,hogy túl gyenge ennek az előerősitőnek ami kijön a h/k ból jel,ha esetleg igy van,van rá v.mi gyógyszer? (a hangszóró ami a ládában van és hajtanék vele, az egy JBL GT-152 38cm 4Ohm max 300w) A koppanó hang én úgy látom a gyenge táptól lehet, szerintetek megfelelne neki egy 2X42v 3,1 A es trafó 2db 10000uf os kondival? Szerintem nem lehet akkora gáz,legalább is remélem,Ma komplett leporoltam az egész panelt tisztára, aztán újra pakoltam az alkatrészeket és persze mindent átmértem benne,holnap kiokoskodom,hogy legyen neki v.mi normálisabb hűtése és újra tesztelem.Közben ha lenne v.ki jártasabb,az megoszthatná velem a véleményét . Bocs a kisregény miatt.
Még egy dolog...
Ez mindkét sztereó végfokra igaz: Ha nincs bedugva a bemenetre az RCA akkor a hangfalon "pattogás" hallatszik. A hangszóróvédelem reléje folymatosan be van húzva, viszont másodpercenként 3-4 "pattogás" hallatszik. Ez mitől van? Szerk.: A hangfal csak akkor pattog így mind a két végfoknál, ha a sub le van kapcsolva (ami elméletileg teljesen független a sztereó résztől) Ha a sub rész is fel van kapcsolva, akkor nincs pattogás, cask síri csend, ahogy annak lennie kell.
Már nagyon rég csináltam Quad ot...vagyis nem annyira rég mert 24 vagyok demost na.Olyan 6 éve kb.Szóval amit tudok összekaparok. Az ic szerintem tuti hogy jó.A kis kondik sem okozhatnak ilyet szerintem. A meghajtó részben lehetséges hiba. Valamelyik kicsi tranzisztor. Azokat kéne cserélgetned,de úgy hogy megveszed őket újban,nehogy tönkre tegyél valamit mégjobban. Gyanítom hogy ott van a hiba valahol,mert egyszer nekem is volt nagyon hasonló jelenség.Akkor egy szakember segített ,nagy nehezen sikerült neki elindítani. Ő is itt van az oldalon
Ha egy dobozban van,akkor mégsem független teljesen,mert a földelés egy dobozhoz van erősítve mind a 3 vagy mennyi végfoknál. Lehet hogy a huzalozással van valami...nézd át a GND ket.Többet nem tudok mondani mert elég fura jelenség.
A dobozon csak a védőföldelés van.
MInden más test csillagpontba van kötve az egyik pufferkondi sarujára, függetlenül a doboztól.
A dobozra is lekéne vezetni(ha fém) egy pontra,kb középre. Az RCA kat említetted,ebből kifojólag gyanús a GND a körben. A kimeneti,bemeneti, és kondi GND-t egybe ,majd le a vázhoz. Ahol bedugod az RCA-t (foglalatba)ott ne érjen össze az R/L teste.A táp teljesítménye és feszültsége rendben van?Ha viszont mindez jó,majd még gondolkozok,de szerintem hiába.Valaki okosabbat kérdezz majd.
Ha cserélek,akkor újat teszek bele,de ahogy mértem a tranyók elméletileg jók,de talán holnap kiderül.Ha nem lesz javulás hangerőben,akkor muszáj leszek szerintem másik elő erősitőt beletenni.A tápnak való véleményed szerint elég lehet?Bár már majdnem mindegy,mert jöv. héten elméletileg megérkezik és úgyis kiderül.
Amúgy mennyire jó ennek az erősitőnek a 4Ohm os hangszóró?
SziA !
1, ha erről a kapcsolásról építétték és mindent a kapcsolási rajz szerint tettek bele akkor máris egy alapvető gond keletkezik a 0,1 ohm az sajnos sok annak csak 0.01 ohm nak szabadna lenni . 2, A +- 35 Volttól ne is várj nagyon nagy kimenő teljesítményt MAX40-50WATT abban az esetben ha minden egyéb alkatrész is stimmel ! 3, A BD244 közül meg az alsó fog csak melegedni mert az az A-osztályú rész tranzisztora amin folyamatosan áram megy ezért melegedik és a hozzá tartozó munka ellenállások is . 4, Eléggé halkan szól ! mihez képest szól halkan ? Az előbb felsorolt dolgok ezt a kimenő teljesítmény korlátolják , és még nem is kérdeztem a hálózati trafód méretét , az alkalmazott pufferek kapacitását ? Tehetnél föl egy értékelhető képet amin lehet is látni valamit , akkor talán még többet is lehetne mondani róla.
Földhurok ám a javából , ez is az csak más formában jelentkezik . Még keresgess hátha találsz ott egy nem oda illő elkószált vezetéket .
Hajtsd meg az erősítődet és akkor is mérd meg a tápfeszt, mert ebből kiderül, hogy elég e neki a táp teljesítménye. És ahogy CIROKL is mondta tehetnél fel jó minőségű képet róla
A tápot én is keveslem, azért is irtam,hogy úton van egy másik hozzá (#893228) ,meghajtva leesett kb 30v ig.Nagyon halkan pedig csak a házimozi erősitő kimenetéről szól (mindegy hogy sub-ba dugom vagy máshová),viszont,ha a quad elé beteszek egy másik elő erősitőt,akkor már hajlandó rendesen muzsikálni,ebből gondoltam,hogy a tl080 adta meg magát amit most kicseréltem egy új tl079 re hátha.
Csináltam pár képet,de még nem raktam újra össze,majd délután v.mikor és akkor megnézem lesz e változás.
Az nem videoton trafó ?
A táp panelen mi az az ÍC? A0,1 ohm -ot cseréld a már említett értékre . Nem az ÍC a rosz ha ez rosz lenne akkor egyáltalán semmi hang jelenség nem jönne ki a végén , itt illesztetlenség van semmi egyéb , elképzelhető gyenge a kijövő jelszint , vagyis kell egy közben eső fokozatot tenni ami mondjuk erősít 1X 10X ...
Az imént azt még elfeledtem kérdezni hogy ugye nem így próbálgatod semmi hűtés nélkül ?
Esetleg az OPA erősítésével lehetne játszani egy kicsit. Az 1 ohm tényleg nem jó. Áramkorlát így.
|
Bejelentkezés
Hirdetés |




Képeket még nem publikálok, majd a ki mit építettbe ha teljesen kész lesz az egész. Az a baj, hogy sokszor csak pár órám van, ha így vagyok, akkor meg nem állok neki építeni, ezért általában hétvégékre marad.
Mi romlott el neked a quadodban? No meg hogyan?





.









