Fórum témák
» Több friss téma |
Fórum » Csöves erősítő készítése
Ne feledd betartani a fórum viselkedési szabályait, és a topik megmaradásának feltételeit. [link]
A téma átmenetileg fagyasztva lett, hozzászólni nem tudsz!
Idézet: „Fél kivezérlésnél a 25A-es megszakítót le le veri néha” Akkor ott valami más gond van.Bekapcsolásnál még hagyján lenne, de menet közben...
Ki kell próbálni, az elején 6N1P-vel nem tudom, hogy eleget erősít-e. Nem is tudom... lehet hogy elcsúsztam kicsit a valóságtól (vagy a 6E5P mint későbi lehetőség jön a képbe ?) , én még ott tartok, hogy SRPP hajtja a 6Sz19P-t, előtte egy fél 6N1P-vel. Magát a 6Sz19P-t hagyni kell kondenzátoros csatolással, de ha a meghajtásnál White féle katódkövetőt használsz, ahhoz az őt meghajtó csövet mindenképpen dc csatoltan érdemes kapcsolni (máskülönben rácselőfesz osztót kell csinálni a katódkövető felső tagjához, teljesen értelmetlenül (erősítésvesztést is okoz, fölöslegesen terheli a meghajtócsövet, nélküle nagyobb impedanciás (egyben nagyobb erősítésű is) lehet az első fokozat), az ilyen kapcsolások egyik nagy előnye pont a dc csatolás egyszerű megoldhatósága).
A "plazmás" tápot úgy tudod legkönnyebben felhasználni, ha keresel olyan égőket, amelyek világítanak vele, és ennél a fénynél esténként tekercseled a kapcsolási rajzon lévő hálózati trafókat.
A PCL86se elég szépen muzsikált vele amíg az EM4-ekhez csináltam a meghajtást. Csak ezekhez nem jó a "plazmás" táp a jelenlegi állapotában, és mivel nincs olyan schottky vagy gyors diódám ami bírná ezt a feszt, nem tudom átalakítani...... és nem tudom, hogy mondjuk a DY86-nak vagy a PY88-nak hogy tetszene a kb 15-20 KHz-es freki....
PY88-nak biztos tetszik, mert ott 15625hz van ahol ő dolgozik. De a plazmás tápot hanyagolnám ennek ellenére is.
Miért? Mi az oka annak, hogy a csöves témában mindenki "fél" a kapcsolóüzemü táptól?
Minek bonyolítsuk a dolgot?Jól bevált megoldások vannak a táplálásra a hagyományos módon, meg különben is örülünk hogy nincs benne annyi (vagy egyáltalán nincs) félvezető.Zavarokról nem is beszélve.Kapcsolóüzemű táp azt meg termel bőven.Máshol van a helye.
szerintem.
Mivel nem tudok beszerezni megfelelő trafót és sajnos tekercselgetni sem tudok mostanában ez maradt (munkanélküliből nehéz huzalt venni és gyereket is nevelni)... A 6p14p és a PCL86 nem szedett össze semmit. Pedig a "plazmás" tápról voltak fűtve és az anódfeszűltséget is arról kapták...
Úgy látszik itt félős emberek vannak
. De a puding próbája az evés, próbáld ki és oszd meg a tapasztalataidat. Akkor tanulunk belőle, és lehet, hogy alkalmazzuk. :yes:
No és akkor kinek van plazma kapcsoló tápja? Nem hinném hogy ez olcsóbb megoldás lenne bármiféle trafótól !
Bontani meg még egyenlőre nem minden napos a plazma TV . Maradunk mi a jól bevált és a kőkorszaki trafónál , a kísérletező kedvű emberkék meg csak hagy kísérletezzenek az ilyen tápokkal .
Kaptam egy pofára ejtett (samsung) plazma tv-t és mivel nem volt 80e ft-m új plazmapanelt venni bele, lebontottam. Jó lehet még valamire... és mivel ott van az a kb200v és a csövek is kb annyiról mennek, kipróbáltam. És működött.
Nem hiszem, hogy gond lenne, mert nem csak 1 trafóról megy a táplálás, hanem 2 ről
A 3000 es toroid mellett van még egy közel 1000W-os EI-magos is. A megszakító meg már amúgy is régi. bizonytalan darab. Nincs semmilyen gond, 2x500W szinuszba úgy kiszalad, mint a huzat.
Csak legyen hangfal amit rá tudsz akasztani úgy, hogy nem ég le lehetőleg!
Például egy ilyen hangfal talán kibírná!
ŐŐŐ...végül is mitől lettek meg a magasak? Mi volt a pontos kapcsolás? mit változtattál?
Sziasztok !
EL84 PP kapcsolása nincs valakinek ? Ami igen csak szép hangot produkál.
Félreérted a helyzetet. Nem az a gond, hogy kapcsitáp, és nem is dióda probléma van. A gond az, hogy a belinkelt kapcsolási rajzok PPP erősítők, és azokhoz - a működési elvükből kifolyólag - erősítőnként kettő független anódteketcs kell, nem oldható meg egy szekunderről a táplálás (olyan erősítőkhöz megfelel, amelyeknek nem kellenek független anódtekercsek). Elnézést kérek, ha az előző, viccesnek szánt hozzászólásom esetleg "karcosra" sikeredett. Javaslom, tanulmányozd kicsit az illető kapcsolástechnikát, és magad is látni fogod, miért nem jó, ha csak egy szekundered van.
-Bár...most, hogy az első kapcsolást nézegetem, ott nincsen két külön anódtekercs (nekem kell tanulmányoznom a kapcsolástechnikát), ha ez így jól működik, akkor megoldható egy szekunder tekercsről is a táplálás (a rajz szerinti anódfesz megoldással), jó lehet hozzá az illető kapcsitáp, ha eléggé terhelhető. Csöves egyenirányításnál nem okoz gondot a kapcsitáp frekvenciája.
Szia!
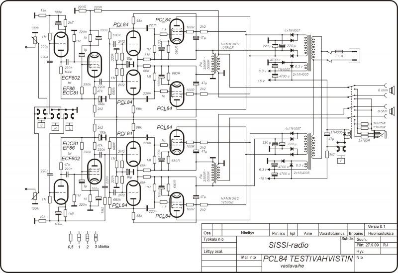
Találsz kapcsolást a Rádiótechnika 95 -ös évkönyvébe. (EF86, ECC83, 2*EL84, itt a meghajtás az ECC83 anódjairól.) Az elektroncso.hu-n is van két kapcsolás, (az egyik tőlem), én 6n2p katodinnal csináltam. Meglepően hangosan és szépen szól, házibulira is kiváló, bár nem arra építettem. Bármi kérdésed van, szívesen segítek.
SziA ! Tudom mindenkinek a sajátja a legjobb de ebből már készült sok példány és szerintem mindenki nagy meg elégedésére , ami a minőséget illeti azt meg kell hallgatni
Nálam már 3 példány is készült ebből ezért merem ajánlani , és még lesz aki fog erről mondani szépeket ! A kapcsolást nem én terveztem ez a CHZ /Zoli / remekműve és nála is úgy tudom már készült ebből több példány is !
A viccesnek szánt hozzászólásodat tényleg férreértettem. Tanulmányoztam a kapcsolásokat, és az egyik kapcsolásban csak egy anódtekercs van. Ezért gondoltam arra, hogy valahogy meg lehetne oldani, hogy a "plazmás" tápról üzemeltessem... A fűtésnek pont meglenne a 15V (3.5A), a 6.3V és a 30V is könnyen megoldható, anódnak jelen pillanatban 185-215V (1.5A) van. Arra gondoltam, hogy a trafóról "lehúzom" a nagyfrekis feszt és azt a mellékelt rajz tápjához hasonlóan egyenirányítom. Megfelelő diódák hiányában csak PY88-at tudnék felhasználni. Viccelődés nélkül! Járható ez az út?
Igen, erre gondoltam én is (az előbb már próbáltam korrigálni). Ha a kapcsolás jól működik ezzel a táppal, megoldhatónak látszik, érdemes lehet kipróbálni. Kapcsitáp trafójának jelalakja kényes pont lehet.
Szia.Mosta 6e5p hajtja a 6c19p-t őt pedig eggy fél 6n1p szintén kondival csatolva.Ijen felállitásban nagyon jó hangja van,de szeretném kipróbálni a white féle katódkövetőt is a belinkelt kapcs szerint.A dc csatolás nagyon egyszerűnek tűnik csak nem mertem még belevágni mert olvastam,hogy a dc csatolás beállitásához eggy kicsit nagyobb tapasztalat kell.
Amint lessz időm, összerakom először csak a táp részt, tesztelgetem egy SE-vel és ha jónk tünik megépítem az erősítőt is. Amint lessz valami, megírom. A jelalak szerintem négyszög lehet.
Elnezest a magyar nyelvtanom es az idezet nelkuli irasert. . . . . Nagy mosojjal olvastam a hozzaszolasokat a csoves erositokrol. 72 eves vagyok es a fiatalsagomat a csoves erositok korszakaban eltem, es termeszetessen epitettem, nem egyet, bele ertven a hangszorokat is. ( hagfal, mondtuk akkor) Input, vagyis bemenet kent az akkor talalhato lemezjatszok szolgaltak. Ma Torontoban elek es termeszetessen tovabra is nagy zene kedvelo vagyok, zomeben Jazz, szelektalt classikus (amit othon komolyzenenek neveznek) valamint szelectalt rock, es new-age es hasonlok. A lenyeg, nekem egy top NAC erositom van es egy top Denon lemezjatszo, SME karral es top Orton pic-up al, a CD jatszo is NAD. Hangszoro; Totem, top, egy igen jo marka, Mind ezek tranzisztoros vagy ICs szerkezetek, de tudom es halgattam mai csoves erositoket, melyhez nagyon messze jar egy draga tranzisztoros erosito. De ma egy csoves erosito 5-10 szerese arban egy jo tranzisztoros erositonek. Azt viszont tudom mondani, ha valaki veszi a faradsagot es van tudasa hozza, es epit egy csoves erositot, talan soha nemfog halgatni zenet mas erositovel. Mint paran koztetek emlitette, termeszetessen mind ehhes ful es zene kell, egy vad rock vagy hasonlohoz nemkell mind ez, ahhoz csupan hangero kell. Gratulalok mindazoknak, kik veszik a faradsagot es a penztarcajukat is es epitenek egy csoves erositot. Mint paran mar kiemeltek, valoban mind ehhez kell egy igen jo minosegu hangfal, es egy jo bemenet, CD vagy lemezjatszo. Az nem veletlen, hogy egy jo lemezjatszo 10 szer annyiba kerul mint egy CD jatszo. Ugyanigy egy jo hangfal(speacker ) szinten nagyon draga. Persze ezt is megtudod magad csinalni, ha van jo erzeked a fa munkahoz, de kulonos keppen ha az acustikai tudasod megvan hozza. Mint a csoves erositohoz is. Ha epitesz egy csoves erositot, az kerul x forintba ha ugyanazt megveszed az fog kerulni 10 szer X forintba. Es ugyanigy a keszen kaphato csoves erositokkel is. Egy csoves erosito astronomiai arakkal rendelkezi. Mind ez nem snobizmus, de ha igazan jo, majdnem elethu conzerv zenet akarsz halgatni, akkor a vinil (vinyl) vagy egy jol keszitett CD, es egy csoves eorsito kell. Persze nem kell az eletet komplikalni, kompromisszumokkal is lehet elni boldoga. Az igazi, menj el az elo concertekre. legyen az classzikus vagy Jazz vagy egyebb. Ezt soha nempotolja semmifele draga Hi-Fi sett.
Még sok boldog születésnapot kívánok, Apám is 70 éves múlt. A leírt hozzászólás nagyon jó, közel áll hozzám, csak egy apró észrevétel: Sajnos az élő zenét is sokszor elrontják a meterséges, felesleges hangosítással. És most nem a nem a hallgathatatlan mozi és színház (esetje válogatja) hangosításról beszélek.
Megfüleltem a 6sz19p-t 10-12k ra.
(hogyan sikerült? természetesen nagyobb imp hangszóróval, mivel a szélessávú ilyen volt) Dinamikátlan. Okozhat dinamikaromlást ha túlontúl nagy (ezesetben ajánlott5x-10x es) terhelésre dolgozik a cső? Vagy gubanc van a szélessávúval? Egy PP vel vetettük össze. Az én erősítőmben semmi NVCS. Szóval ég és föld már elméletileg is, de nem hallottam ilyen laposnak otthon, igaz nincs PP-m. Lehet egy PP projekt következik. 6p3s-e PP az teljesítményre is jó lenne és van 8db NOS 6p3s-e -m.
Én is 6P3S PP-t építek, most lett kifúrva a sasszi. A táp paneljét is tudom marni (végre lett vaskloridom), a fúrás még odébb van, mert most derült ki, hogy nincs ép 1mm-es fúróm. Se 0,8-as, se 1,2-es, se 0,6-os..
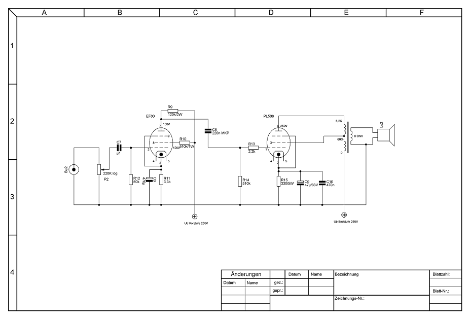
Üdv újra mindenkinek. Régen írtam már.. de csak most lett kész a kimenőm. Talán emlékeztek, a PL508 at csinálom, mellékelem a kapcsolást, hogy mindenki felidézhesse a dolgot. Szeretném a segítségeteket kérni, mert minden lehetséges hiba előjött ami csak lehet... 1.: búgó... jelentős a búgás, méghozzá nagyon. Körübelüli effektívre megmértem a kimenőn lévő feszültségeket alaphelyzetben(semmilyen hangforrás nem volt rákötve a jószágra): a jobb oldalsó kimenő primerén 33,2V effektív van, ez azt jelenti, hogy a hangszórón, megközelítőleg 800mV, a bal oldalon viszont csak 17,3V eff. a primer és kb 400mV, nagyon hangosan búg a cucc... a másik számomra érthetetlen dolog az volt, hogy a katódáramik sem egyeznek... jobboldalon 88,5 a bal oldalon 82,4mA... ( a kimenőket összehasonlítottam, a tekercsek egyenáramú ellenállásai között mindössze 1 Ohm eltérés van, az illesztésük megegyezik, kb +-0.1-el tér csak el. Viszont aggaszt a végcsövek minősége, az egyiken tungsram jelölés van, gyárinak tűnt mikor szereztem, de sosem lehet tudni... a másik pedig jelölés nélküli eléggé ramaty kinézetű... a gittert felülvizsgálva pedig ha jól létom mind a kettő bomlik... ami ugye nem jó jel... másrészt aggaszt a kapcsolás félrevezetése, mivel a táp kimenetén 260V ot írnak, de ha az ember belegondol akkor mitől is lenne anniy, mikor 260V váltó a bemenet? (a táp kimenete nálam 358V terheletlenül amikor rákapcsolom az erősítőt akkor 318V ra leesik... az 40V nemtudom, hogy ez normális-e... a tekercsnél mértem AC fogyasztást 210mA körül volt (nem változott)). Ezeken kívül előjön a torzítás is ami nagyon nem tetszik, viszont megint belegondolhatunk a csövek kondíciójába... viszont a végcsöveket lehet, hogy pont az hajtja szét hogy a bemenet nem 260 hanem 318V, próbáltam kisebb feszről is még jobban torzított... a harmadik pedig az, hogy halk az egész közel sem ad ki 4W-ot.. sőt még 1W-ot sem... viszont ez valószínűleg az én hibám lesz, telefonról próbálgattam, így a bemeneti jel kb 120-130mV, ugye szabványban 775mV a hangtechnikai bemenet, habár euz nemtudom menniyre igaz a valóságban, pl CD játszó kimenete mekkora effektívet ad maximum... Viszon az a lényeg, hogy szeretném, ha ez a cucc működne, úgyhogy kérném a segítségeteket, tudom kicsit sok most ez az infó így egyszerre, de remélem, hogy tudtok segíteni... másik esetleg fontos lehet, NYÁK os a panel, és a két oldal egy nyákon van, köuzös a test, és egy tápról meg a táp kimenete van párhuzamosítva. Előre is köszönöm.
12 W disszipációjú csőnek sok a 25-30 W disszipáció (akkora anódáramot kell beállítani, hogy ne legyen nagyobb a disszipáció a megengedettnél, ez 40 mA környékén lesz). Vagy nincs rácslevezetője a PL508-aknak, vagy átvezet a csatolókondi a rácsán, vagy nagyobb katódellnállás kell neki. Számos hiba lehet, a legkisebb valószínűségű, hogy rosszak a csövek, legnagyobb, hogy szerelési hibák vannak. A tápfesz jó, a kapcsolás jó, a nyugalmi áramokat be kell állítani (katódellenállással), még párbaválogatott csöveknél sem mindig egyforma.
Rendben, tehát akkor lehet hogy más lesz az ellenállás értéke is a csöveknél, mármint lehet, hogy az egyik csőnél 680 Ohm a másoknál meg 470?(csak mondtam két értéket gondolkodás nélkül) de mindkettőnek ugyanakkora áramot kb 40mA-t próbáljak meg belőni? Köszönöm.
|
Bejelentkezés
Hirdetés |


. De a puding próbája az evés, próbáld ki és oszd meg a tapasztalataidat. Akkor tanulunk belőle, és lehet, hogy alkalmazzuk. :yes:



