Fórum témák
» Több friss téma |
Sziasztok!
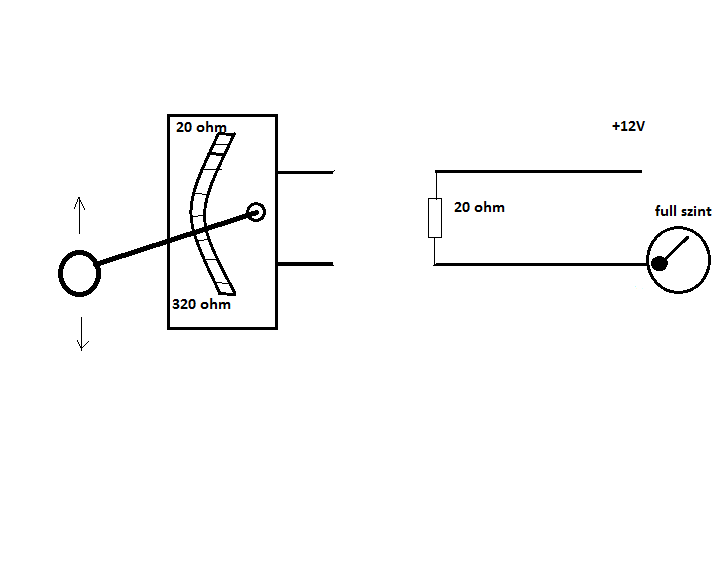
Most regisztráltam az oldalra, egyből egy kéréssel indítok. Egy komparátor rajzára lenne szükségem. Én nem értek az elektronikához, mindíg csodálom azokat, akik összeraknak bármit... Először is, mihez kell: Az autómon az üzemanyag szintjelző mozgása az ellenállás változáson alapul. Ha az úszónál 20 ohm az ellenállás, akkor teli a tankot mutat, ha 320 ohm, akkor üreset. Gázos autóm van, valami oknál fogva a szintjelzőm egy idő után lecsökken minimumra, hiába van benne benzin. Azt találtam ki, hogy nekem elég, ha csak akkor jelez a szintjelző, ha már csak kb 5 liter marad benne. Tehát: ha az úszónál az ellenállás kisebb mint 300 ohm, akkor a kimeneten 20 ohm-nak kellene lennie (igy a műszerfalon mindíg teli állás lenne), ha nagyobb mint 300 ohm (ennél kb. 5 liter marad benne), akkor 300 ohmnak (a mutató leesne a tartalék állásra). Nem tudom, hogy érthető voltam-e... Most egy 20 ohmos ellenállás van sorbakötve (a szintmérő úszója kikötve), így mindíg teli tankom van... Szóval ez kivitelezhető? Tehát bemenne a +12V a komparátorba, és ki is jönne, de csak az adott feltételekkel.(300 ohm És az sem lenne rossz, ha állítható lenne az ellenállás mértéke.Mert nem biztos, hogy pont 300 ohm lesz az 5 literes állás.Ki kell tapasztalnom. Légyszi segítsetek egy kapcsolási rajzzal. Köszönöm.Üdv Csaba
Miért nem csinálod meg az úszót? Ésszerűbb volna, csúnyán meg tud lepni.
Lehet, hogy egyszerűbb lenne tényleg az úszót megcsinálni.
Azért itt felteszek egy elvi kapcs. rajzot, én így gondoltam a megvalósítást. Ha az R5 és az R6 pontos értékű lesz, akkor egyik állásban 20,4 Ohm, a másikban 300 Ohm az ellenállás érték a kimeneten, GND felé mérve. Nem tudom, az úszó hogy van bekötve, itt a GND és a bemenet közé kell kötni, de feszültség nem mehet még pluszban rá, ha gyárilag rá van kötve a 12V, azt le kell kötni. A C1 -es kondenzátor a zavarok kiszűrésére van, értéke szükség esetén növelhető. A kapcsolási szintet a P1 -es trimmer potméterrel kell állítani. Lehet nagyobb ellenállású is, sőt, talán 4,4KOhm -os, vagy 5k -s jobb lenne, mert akkor nem a végállás közelében lenne a beállítandó érték, de már nem akartam módosítani a rajzon. Komparátor IC -nek mindenképpen olyat kell választani, ami -40 foknál is üzemképes. A rajzon jelzett típus ilyen.
Köszönöm a gyors választ!
Az úszóm működik, valamiért a gázos computer kavar be.. Csatoltam az úszó működését.Remélem érthető.. Ennek alapján légyszi mondd meg, hogy mit hová kössek... Szép a rajzod, sajnos nem értem.. Majd elviszem egy hozzáértőnek aki majd meg is építi. Szóval az én skiccem szerint a tiéd beépíthető? Ha egy másik autóba is szeretném beépíteni, amin az ellenállások nem 20 és 300, hanem pl 50 és 400, akkor az csak az R5 és R6 ellenállásokat kell cserélnem a megadott értékűre?
Hopp, rosszul rajzoltam...
A 12 V átfolyik rajta, felül be, alul ki...(vagy fordítva )Szóval érted..
Szerintem meg az ellenállás-pálya KH-s, vagy a csúszóérintkező. Huzalból tekert, vagy grafitréteg? Ez egy nagyon analóg berendezés, ennek egy ECU nem tud egyszerűen bekavarni az életébe (ha bele tudna, akkor a tojás megsülne a mászerfalon, meg a sofőr is
), a kimenete közvetlen eteti az analóg műszert a műszerfalban. Értelmetlennek gondolom ezt körbekerülni ilyen módon, ráadásul az eleve hibásnak tűnő úszót használva továbbra is.
Így van, ez egy totál egyszerű dolog, ezért is nem értem miért csökken a szintem...
Az úszó tutira jól működik, nem ez az első gázos autóm, az előző is ezt csinálta..Sőt, apu kocsija is most lett gázos, az is ejti a szintet... Most gondolkodom..., ha az úszó mozog pl. rossz úton, és 280 és 320 ohm között ingadozik, akkor a szintmutatóm is ugrálni fog tele tank és üres tank között?
Nos, ha mégis a plusz elektronika mellett döntesz, akkor tudni kellene, hogy pontosan hogy van bekötve az úszó. (Gondolom, feszültségosztónak, de jó lenne pontosan tudni, mert ahhoz kellene igazítani a kapcsolást)
Igen, ha az úszó mozog, akkor a kimenet is fog változni ugyanúgy a két állapot között. De akkor úgyis fogod tudni, hogy az a rázkódás miatt van, és azt is, hogy közel van az alsó szinthez a tankban az üzemanyag.
Sajnos nem tudom, hogy, hogyan van bekötve...
az a biztos, hogy két vezeték megy az úszóhoz.,Jelenleg elvágtam mindkét vezetéket, közé raktam egy 20 ohmos ellenállást, így teli tankot mutat.(csatolva) Viszont, ha billeg az úszó, akkor lehet, hogy már 10 liternél is jelez, holott nekem nem kellene bele csak 5 liter.Mivel gázzal megyek fölösleges cipelni. Nem beszélve arról, hogy a szemem előtt fog ingázni a mutató.Lehet, hogy hosszú távon idegesítő lenne. Nem lenne egyszerűbb, ha maradna a fix 20 ohm bekötve, és egy másik elektronika az úszóra kötve egy leddel lejezne, ha 300 ohm az érték.Ha az villogna nem lenne annyira zavaró... Megvalósítható lenne ez? Bocsi a kavarásért...
Az áramkör maradhat az előző, csak a relét kell elhagyni.
Csatoltam a módosítottat. Az R5 ellenállással kell a LED áramát beállítani. Értéket nem írtam, mert ez az alkalmazott LED -től függ. Számolása Ohm törvénye alapján történik (R=U/I) U=11 I = a LED árama Amperban megadva (katalógusban utána kell nézni) R = az R5 értéke Ohm -ban.
Óó, nagyszerű!Ez lesz a jó.
Tehát akkor ez most 300 ohmra van "belőve"? Ha másik autóba is építenék egy ilyet, mit kell változtatnom, hogy , mondjuk 400 ohmnál világítson a led? (meg lehet, hogy az én autómnál is pontosítani kell, beletöltök 5 litert, és akkor fogom az úszó ellenállását megmérni.)
Elvileg elég a P1 -es trimmert más értékűre állítanod.
Vagy a trimmer minden változatban ugyanaz, és a feszültségosztó (R2/P3) felső tagját változtatod, kiszámolva az osztási arányt. A trimmer értékét egyszerűbb számolni, direkt úgy csináltam a rajzot: 300 Ohm -hoz 3 k Ohm 400 Ohm -hoz 4 k Ohm , stb.. Plusz rákell hagyni egy kicsit, hogy ne végállásnál legyen a beállítandó érték. (Meg persze, nincs mindenféle értékű trimmerpoti, úgyhogy a számolthoz legközelebb eső nagyobb értékűt javaslom)
De szerintem nem is a potméterek beszerzésével lesz a gond, hanem a komparátor ic -vel. Nem kommersz alkatrészekhez való körülmények között kell működnie, a kommersz félvezetők működése -25..80 fok között garantált általában.
Autóba pedig kell a -40 foknál is működőképes alkatrész. Az LM 139, LM139A üzemi hőmérséklete -55 -től 125 fokig terjed. Az LM2903 -65...150 -ig. Kérdés,hogy ezeket be lehet-e szerezni.... Vagy hasonló paraméterekkel bíró komparátorokat. Át kell bogarászni a kereskedelemben kapható komparátor ic -k kínálatát, és az adatlapjaikat. Ja.. és javaslom az emelt fényű (100x) LED -et.
Mégegyszer köszönöm szépen a rajzot!
Majd az infókat átadom egy olyan embernek aki jobban ért hozzá mint én.Majd ő megépíti. Ha még kérdésem lesz, kereshetlek? Üdv
Most látom, hogy a rajzon LM 193 as komparátor van, de te meg LM 139-esekről beszéltél...
Akkor melyik is kell bele?
A rajzokon LM139 van. Előrébb pár hsz -szel meg írtam pár helyettesítőt, meg hogy meg kell nézni a forgalmazóknál, hogy mi kapható.
Megint én vagyok...Néztem a rajzot:LM193...
Vagy rosszat nézek? De akkor az a lényeg, hogy LM139 kell,vagy a helyettesítői... (Tényleg bocsi...) Ehh, ezek a számok...Ugyanaz a kettő, csak az LM139 Quad, 4 db komparátor áramkör van egy tokban, az LM193 pedig Dual, abban 2 áramkör van. Neked csak egyet kellesz használni belőlük. De akihez viszed a rajzot, az úgyis tudni fogja elvileg. Okés.Már odaadtam az emberemnek a rajzot..Beszélt nekem valami testről..., hogy az úszó le volt-e testelve a kasztnival. Szerintem nincs jelentősége, mert úgy is el van vágva a vezetéke... Az elektronikát és az úszót is simán köthetem a karosszéria testjére, és a +12V jöhet az akkuról, igaz?
Nos a komparátor...
Főleg kombinációs hálózatoknál fordulnak elő,mikor 2 értéket kell megkülönböztetni(antivalencia függvény,ha a 2 érték egyezik kimenete 0 ha különböző akkor 1) Analóg áramköröknél műveleti erősítővel tudunk komparátort létrehozni.Kössünk be egy műv. erősítőt szimmetrikus + és - tápfeszre kimenetére kössünk műszert. Alapállapotban(jó offset kiegyenlítéssel) ilyenkor a kimenet 0V. Ha a nem invertáló bemenetre rákötünk mondjuk +1V-ot akkor a kimeneten megjelenik a Pozitív Ut tápfeszültség. Ha az invertáló bemenetre kötjük az a feszkót akkor a kimenet -Ut tápfeszt fog kiadni. Ezután lehet kísérletezni ha az invertáló lábára mondjuk rákötünk 2V-ot a nem invertálóra 1-et akkor -Ut jelenik meg Ha invertálóra 1V-ot, a nem invertálóra 2V-ot akkor +Ut lesz a kimeneten. AZAZ meg tudja állapítani hogy melyik feszültség nagyobb a másiknál. Wikipédián van egyéb alkalmazásra példa: Wikipédia Amire neked van szükséged azt Feszültségkövetőnek hívják(vagy impedanciaváltónak) és pont nincs a magyar Wikipédián,de még az angolon se. Viszont a németen fenn van,sőt külön oldalt szenteltek neki: Impedanzwandler. A szöveg nem lényeg,a kapcsolást figyeld. Lényege: Itt is komparátorként viselkedik,ha a nem invertálóra rákötünk valamekkora feszültséget elmenne +Ut-ig,de mivel a kimenetet visszakötöttük az invertálóra,elkezd a kimenet +Ut felé közeledni de mikor eléri a nem invertáló bemenetre kötött feszültség értékét megáll.Miért?Tegyük fel továbbmenne ekkor a invertáló bemenet nagyobb a nem invertálónál,elindulna -Ut felé. Tulajdonképp nem tud a kimenet túlhaladni a nem invertáló bemenet potenciálján.Beáll az egyensúly,nagy bemeneti impedanciával fogadja a jelet és kicsivel kiadja(impedanciaváltó). Így csináljak egyszerű audió erősítőt is,nekem ilyenem van itthon,ezt találtam benne: 8.oldalon látod is mire gondoltam Remélem kielégítő választ adtam. Üdvözlettel: Szupervigyor
Szia!
Nagy nehezen kész lett a nyák.Sajnos sokkal nagyobb trimmer került bele. Próbáltam az úszó helyett egy fix ellenállást bekötni (mérés alapján 304 ohmos), tekergettem a trimmert, sajna nem villant fel a led.Kisebb értékű trimmer kellene? És ez a kapcsolás csak akkor villantja fel a ledet, ha fix 300 ohm az ellenállás, vagy 300 ohm fölött folyamatosan világít? Mert ugye nekem az lenne a jó, hogy fölötte is világítson.Tehát a teli tank 20 ohm, az üres 320 ohm. Ha 20 ohmtól nő az ellenállás akkor fogy a benzin,300-nál csak 5 liter van benne, innentől kellene, hogy folyamatosan világítson...
A bemenő részen jók az értékek, úgyhogy ott nem kell változtatni.
Ahhoz viszont, hogy biztosan be lehessen állítani a 300 Ohm -nál történő kapcsolást, az 5kOhm -os trimmer az ajánlott. Milyen IC -vel lett megépítve? Úgy nézem, átsiklottam egy apróságon, most néztem a komparátor IC katalógusában a belső kapcsolási vázlatát, az IC Open Collectoros kimenetű, vagyis egy plusz ellenállással fel kell húzni tápfeszültségre a kimenetét. Csatoltam a módosított rajzot, csak annyi a teendő, hogy egy plusz ellenállást rá kell forrasztani a nyákra, az IC kimenete és a +12V közé. (A rajzon R6, 1 kOhm) A biztos kapcsolás érdekében a tranzisztor bázisosztójának alsó tagját növelni kellene szintén 1 kOhm -ra (R4), de elvileg az eredeti értékkel is működnie kell. 300 Ohm felett állandóan világítani fog a led. Még egy hibát találtam, sajnos, ezt nem vettem észre, pedig ordas hiba, az IC tápfeszültsége rosszul lett bekötve a rajzokon. Viszont lábszámozást nem írtam, úgyhogy remélem, aki csinálta a nyákot, az a nyákterven helyesen kötötte be az IC -t, és rájött a rajz hibájára. Az IC pozitív tápfesz lába nem mehet a GND -re. Hogy nem vettem észre... Elvileg helyes mostmár a rajz.
Köszi, hogy még mindíg foglalkozol a problémámmal!
LM193-al lett építve..Az új rajzodon már más IC van.., a 193-asra is kell az R6 ellenállás, vagy csak a TLC393-asra?(a kettő egyforma tulajdonsággal bír?) Meg fogom kérdezni az építőt, hogy figyelt-e a rajz hibájára.Ha rajz alapján csinálta, gondolom az IC-nek annyi.
Mivel a rajzon nem volt lábszámozás megadva az IC -hez, ezért gondolom, katalógusadatoknál megnézte a panel készítője, hogy melyik a pozitív tápfesz lába az IC -nek, és úgy tervezte meg a nyákot.
Ha viszont ennek ellenére fordítva kötötte be a nyákterven, akkor nem ért hozzá. Az elenállás kell a 193 -as IC nél is, annak is olyan a kimenete, meg a 393 -asnak is. Ezek dual IC -k, egy tokban 2 komparátor van, úgyhogy csak az egyik felét kell használni. Itt egy adatlap, a 8-as láb a +12V, a 4-es pedig a GND az IC -nél.
No, megnéztem, végülis LM139N-es IC-vel van szerelve.Lefotóztam, nézz már rá légyszi, hogy jól van-e benne?
Én is megnéztem az adatlapját, amennyire láttam, helyesen van... A trimmerre ez van írva: 4K7 815M Akkor ehhez az IC-hez is kell a plusz ellenállás?
Igen, jól van bekötve. Adatlap: Bővebben: Link
Igen, ehhez is kell az ellenállás. Az 1-3 lábak közé kell forrasztani. (Vagy az azokra menő fóliákra, alkatrész-lábakra... Az a lényeg, hogy visszakövetve az 1-3 lábak között legyen. Elvileg úgy jó lesz, már működnie kell. A trimmer 4,7 kOhm, az is jó lesz.
Oké.Csak sajna most annyi időm sincs, hogy kipróbáljam..
![]() Tesztelni tudnám úgy is, hogy az úszó bemenetre egy fix 310 ohm-os ellenállást kötök, mintha az úszó lenne, (végül is annak az ellenállása is 310 ohm lesz, ha fogy a benzin) és aztán a trimmer potit tekergetném, hogy mikor villan fel a led? |
Bejelentkezés
Hirdetés |








Ehh, ezek a számok...
Okés.









