Fórum témák

» Több friss téma
Fórum » Crystal radio - detektoros rádió
Lapozás: OK   135 / 156
(#) tnl hozzászólása Jan 10, 2020 /
 
Én egy nagy, lapos kartondobozra tekertem fel (szigetelt lágyvas) drótot,
és elég jól működött.


Arra gondoltam, egy farost, vagy akár karton lapra is fel lehetne ragasztani, a vezetéket,
így egy nagyon lapos antenna jönne létre, amit könnyen el lehet rakni, mondjuk a szekrény háta mögé
(#) Atis57 válasza tnl hozzászólására (») Jan 10, 2020 / 1
 
Szia!

A farost v műanyag lemez nemrontja le nagyon a körjóságot .?
Mert Pe 4mm " lemezem" van .

s ezt akár ki is lehet rakni az erkélyen kivülre.-----?
de akkor ezta rajzot kéne átszabni ?
A hozzászólás módosítva: Jan 10, 2020

SupKrissc.jpg
    
(#) Kera_Will válasza Atis57 hozzászólására (») Jan 10, 2020 / 1
 
Se a fa se a műanyag , azok szigetelnek(nedves fa nem annyira . lakkozd le, nem csak véd hanem díszit is ), eleve jobb esetben zománcozott a huzal ami szigetelő.
Ferromágnenses jellemzője nincs a fának és a műanyagnak amik módosítanák a jellemzőket.
(összetartó szegek/csavarok miatt lehet , de ha enyvezed / ragasztod akkor azok se)
(dia és para mágneses jellemzők itt nem számítanak jelentősen a hosszú-középhullámú tartományban)
(#) Gyantáscin hozzászólása Jan 10, 2020 / 1
 
Én meg egy UTP kábeldarabból az erek sorbakötésével készítettem egy kísérleti darabot, hát jószerivel csak a helyi adót sikerült vele venni. Lehet, hogy újra nekifutok, mert most már tudok induktivitást mérni, így ha akarja akár a solti adót is veheti is Miskolcon, bár az önkapacitása jó nagy lehet.
(#) tnl válasza Atis57 hozzászólására (») Jan 10, 2020 / 2
 
A keretantenna a rezgőkör tekercse volt nálam,

szerintem detektorosnál is úgy kell. Igaz
én nem detektorosat csináltam, hanem a keretantenna és
forgó által alkotott egyszerű rezgőkört egy kéttranzisztoros
erősítőre kötöttem.
A hozzászólás módosítva: Jan 10, 2020
(#) Atis57 válasza tnl hozzászólására (») Jan 19, 2020 /
 
Szia!

Én is ilyenben gondolkozok --az első tekercs keret ,az erkélyen kivül 90 fokban forgatható--
a második tekercs meg bent a többivel .
A csatlakozó meg 2 eres.
(#) tnl válasza Atis57 hozzászólására (») Jan 20, 2020 /
 
Szia!

Szerintem lehetséges hogy jó lesz, de minél nagyobb a távolság ahova
szállítod, az rontja a működést. Ha az előző rajzot nézzük, dupla forgó kell,
és mind a két rezgőkört hangolni vele. A külső tekercset bevezető két drót
ne legyen szerintem nagyon közel egymáshoz, mert az plusz kapacitás.
(#) Kera_Will válasza tnl hozzászólására (») Jan 20, 2020 /
 
Nem biztos kell a 2 drót ... elég 1 szálat levezetni.
Akkor a sok méter drót 20-30 méter a keretre van feltekerve és nem kihúzva a térbe.
A vezetékvége belógatva a szobába, másik a szabadba lóg.
Aztán mehet a rezgőköri tekercsre (wcpapír guriga) és az 1 db forgóra mint párhuzamos rezgőkörre.

Ki is próbálhatod csak mint hosszú drótként bekötni az egyik szálát a belső rezgőkörödre.
Földelés kelleni fog a párhuzamos rezgőkör másik "hideg" végére.

Így igaz a villámvédelmi gondok jobban előjönnek, ebből a megfontolásból sokkal jobb a viszonylag nagy keretantenna az épületen belül.
Keretantennában esetlegesen a másodlagos indukció okozhat károkat , jobb esetben a forgó lemezei átütnek a hegyesebb élei között, rosszabb esetben a félvezető is átüt.
(#) tnl válasza Kera_Will hozzászólására (») Jan 20, 2020 /
 
Én arra gondoltam, mivel tekercs induktív antenna, alacsony fesz, nagyobb áramerősség,
célszerű két vezeték, de lehet hogy egy-el is megy.
(#) Kera_Will válasza tnl hozzászólására (») Jan 21, 2020 /
 
1 szalat bekotve mint hosszu drot mukodik ... csak fel van tekerve keretre persze erdemes valamekkora kozoket is hagyni a menetek kozott 5 10 mm kissé el kulonuljenek egymastol a menetek drotok.
A hozzászólás módosítva: Jan 21, 2020
(#) Kera_Will válasza Atis57 hozzászólására (») Jan 21, 2020 / 2
 
Itt a topik regebbi csatolmányai között erre is találsz megoldást :

a klasszikus Boriszov könyvből mellékelve.
Van ide feltöltve többször is könyvei (ebbe a topicba) .
Az információkat a jelenkori lehetőségekhez kell adaptálni.
A fizika azóta nem sokat változott .
A hozzászólás módosítva: Jan 21, 2020
(#) Kera_Will válasza Atis57 hozzászólására (») Jan 21, 2020 / 2
 
Boriszov könyv itt található

Alatta meg egy másik klasszikus Makai könyv.
A hozzászólás módosítva: Jan 21, 2020
(#) fgyj hozzászólása Ápr 15, 2020 / 5
 
Kedves Fórumtársak! Ha ismer valaki olyan törekvő diákot, aki detektoros rádióval szeretne kísérletezni, hívja fel a figyelmét erre: nekiadnám a legendás Boriszov-könyvet. Üzenetben jelentkezhet. Komlón veheti át, vagy a postadíj megtérítése után elküldöm.
(#) madzagos válasza fgyj hozzászólására (») Ápr 15, 2020 / 1
 
Jó könyv nekem is megvan.
(#) fgyj hozzászólása Ápr 16, 2020 / 5
 
A felkínált könyvet le is lehet tölteni az internetről, de a papírkönyv varázsa más, ne haljon el az sem! Egy gyereknél még évtizedekig megmaradhat, gyermeke, unokája is használhatja. Jó lenne, ha mindig lennének kísérletező fiatalok, akik tisztelik a régi, kezdeti technikát. Ezért gondoltam arra, hogy mi öregek találhatunk a környezetünkben ilyen gyerekeket, és maradék anyagainkkal segíthetnénk őket. (Rászoruló gyereknek saját költségemen is elküldöm a könyvet.)
A hozzászólás módosítva: Ápr 16, 2020
(#) norbertv99 hozzászólása Ápr 19, 2020 / 2
 
Sziasztok!

Egy kis segítséget szeretnék kérni rádió ügyben
Készítettem egy detektoros rádiót, az alábbi paraméterekkel:

-Kb. 3 cm átmérőjű papírhengerre 150 menet zománcozott rézhuzal (nem a hajszálvékony változat, annál kicsit vastagabb, kezelhetőbb)
-OA 1160 dióda
-Radiátor cső földelés (panel lakás)
-Valamnennyi kábel antennának
-Hangszórónak/fejhallgatónak még nem találtam alkalmas eszközt

Több kérdésem is lenne:

Szeretnék egy forgókondenzátort bele építeni a hangolás miatt, ezzel kapcsolatban a kérdésem, hogy mekkora kapacitású kellene, illetve sorosan vagy párhuzamosan érdemes bekötni? A neten mindkét változatot láttam. Illetve megköszönném ha valaki dióhéjban elmagyarázná a kettő közti különbséget, mert a neten annyi mindent olvastam, hogy már kifolyik az agyam Valamint azt is, hogy pl. mi alapján lehet kiszámolni, hogy mekkora kondi kell hozzá, és lehet-e mérni, vagy kb-ra megsaccolni, hogy éppen melyik frekvencián áll?

A másik dolog pedig, hogy - bár tudom, hogy így elveszíti igazi detektoros rádió hangulatát - de szeretnék egy lehető legegyszerűbb erősítőt készíteni hozzá, mivel sajnos nem rendelkezem nagy impedanciájú fejhallgatóval, és így nem igazán használható az eszköz. Szóval ehhez kérnék kis segítséget, kapcsolási rajzot, stb.

Előre is köszönöm a segítséget!
Szép napot mindenkinek!
(#) _BiG_ válasza norbertv99 hozzászólására (») Ápr 19, 2020 / 2
 
Börzén, ócskapiacon lehet venni régi rádióroncsokat, esetleg táskarádiót, ami régi, mechanikus hangolású. Abból lehet forgókondit kiszedni, de ferritmagos tekercset is. 400-500 pF körüli kapacitású jó, de lehet 320-350 is, ekkor nagyobb tekercs kellhet. A forgó kezdő és végkapacitásából számolható az induktivitás (a legkisebb frekvenciához (500 kHz, ha a középhullámot célzod meg) tartozik a legnagyobb kapacitás és ehhez kell számolni induktivitást). A neten vannak számolgatós oldalak, ahol a tekercs paramétereit a kívánt induktivitás (meg az átmérő, huzalvastagság) ismeretében meghatározhatod.

A kondenzátort érdemes a tekerccsel párhuzamosan kötni (párhuzamos rezgőkör). A tekercset meg leágazásokkal elkészíteni, hogy a terhelést (dióda-hallgató) és az antenna ráköthető legyen, hogy illesztést biztosítson. Vagy legalábbis az antennát egy 100 pF-en keresztül csatolni a rezgőkörre. Különben nagyon lapos lesz a rezonanciagörbe, romlik a szelektivitás.

Normál kisimpedanciás hallgató is jó, de tegyél a hallgató és a rádió közé egy kicsi dugasztáp-trafót, ilyen 230/12V-os is jó, csak az a lényeg, hogy a primer jó sok menetből álljon.

Kicsit lejjebb/feljebb meg ott a Boriszov könyv linkje, érdemes elolvasni.

A párhuzamos rezgőkör (a föld és az antenna a párhuzamosan kötött tekercs és kondi kapcsolódási pontjaira kötődik, egy ide, egy oda. Ennek a rezonancián a legnagyobb az ellenállása, tehát párhuzamosan rátéve a terhelést, ekkor lesz a feszültség a legnagyobb rajta.
Ha a tekercs és a kondi sorba van kapcsolva és mondjuk a tekercs szabad végére megy az antenna és a kondenzátorra a földelés, ekkor soros a rezgőkör, a rezonancián ekkor legkisebb az ellenállása, tehát ahova hangoljuk, na az nem fog szólni róla Mármint ha a soros kapcsolás két végére kötöd a terhelést. Viszont a tekercsen-kondin legnagyobb lesz a feszültség, külön-külön. Amúgy ezt a soros kapcsolást nem használják vételre, de hullámcsapdának - a nem kívánt adó kiszűrésére - viszont igen.
A hozzászólás módosítva: Ápr 19, 2020
(#) fgyj válasza norbertv99 hozzászólására (») Ápr 19, 2020 / 2
 
Kedves norbertv99, ha visszalapoz néhányat ezen a fórumon, máris több választ talál gondjaira (és úgy érdekesebb is a található sok variáció). Érdemes lenne fokozatosan végignézni az oldalakat.
(#) bigrobi válasza norbertv99 hozzászólására (») Ápr 19, 2020 / 2
 
Erősítőnek lehet ez megfelel Bővebben: Link használhatsz kis fehér forgókat is azok legtöbbször 150pF értékűek de láttam már 300pF is. Ha párhuzamosan kötöd a két KH részét kaphatsz így 300-500pF-ot. Nekem a lengyel rádióból származó áttételes forgók a kedvenceim 320 és 380pF rész evan.
(#) pucuka válasza norbertv99 hozzászólására (») Ápr 19, 2020 / 2
 
Idézet:
„illetve sorosan vagy párhuzamosan érdemes bekötni?”

A soros rezgőkörként használt kapcsolást hullámcsapdának nevezik, a feladata az erős helyi adó hatásának csökkentése, a detektoros rádió antennája, és a földje közé kell kötni. A vételi állomásra a párhuzamos rezgőkörrel hangolod. A 3 cm átmérőjű, 150 menetes tekercsre érdemes több leágazást készíteni a föld felőli oldalra, kb 10 menetenként néhányat, és erre kötni a diódát.
Ha nem tudsz, vagy nem akarsz forgókondit szerezni, készíthetsz variátort, ami azt jelenti, hogy a tekercset két részletben készíted el, és sorba kapcsolod azokat. Egy rögzített nagyobb átmérőjű (8 - 10 cm) tekercs belsejébe készítesz egy kisebb átmérőjűt, és azt mechanikailag forgathatóra készíted úgy, hogy keresztbe legyen forgatható a nagyobb tekercs belsejében.
A nagyimpedanciás fejhallgató helyett használhatsz telefonkagyló hallgató betétet, nyekeregni az is fog.
(#) norbertv99 hozzászólása Ápr 19, 2020 / 2
 
Köszönöm a válaszokat!

Forgókondit sikerült egy rádióból kioperálnom, kb 350-400pF-os, érezhetően segít valami használható hangot kicsikarni a rendszerből Mivel a tekercs már kész volt, amikor ide írtam, így sajnos leágazások nélkül készítettem el, viszont az antennát 100pF-on kötöttem a rendszerre, de nem hallok lényegi különbséget akkor sem, ha nem azon keresztül van bekötve.

A Borviszov könyvet már letöltöttem, olvasgatom
A telefonkagyló hallgató sajnos nem működik vele, egy CB76MM tárcsás telefonból szedtem, de meg se moccan. Jelenleg egy JBL Go hangszóró van rákötve, azzal hallgatható, de persze nem ezzel szeretném használni

Ha jól gondolom, akkor a csatolt képen lévő megoldás a leágazásokat hivatott helyettesíteni? Érdemes akkor ezt megcsinálnom, ha már a leágazások kimaradtak? Ennek állítása pontosan milyen célt szolgál?
A hozzászólás módosítva: Ápr 19, 2020

s-l400.jpg
    
(#) pucuka válasza norbertv99 hozzászólására (») Ápr 19, 2020 / 2
 
A detektor a rezgőkör számára terhelést jelent, amivel rontja a rezgőkör jóságát, ezzel a rajta megjelenő feszültség nagyságát, valamint a szelektivitását. A több leágazással kiválaszthatod azt az állapotot, ahol a kicsatolt feszültség már elég nagy, de a rezgőkör terhelése még nem túl nagy, mert azzal is csökken a kicsatolható feszültség. Szóval optimumot kell keresni.
Az antennával (a földeléssel is) sorba kötött kondenzátornak elsősorban galvanikus leválasztó szerepe van, ha a kapacitás értéke elég nagy.
Persze kihangolhatod vele az antennát a rezgőkör induktivitásával együtt a vételi frekvenciára, ezzel némileg növelhető az érzékenység, de jelentős hatásra ne számíts. Jelentősége külső hosszú antenna esetén van.
A hozzászólás módosítva: Ápr 19, 2020
(#) norbertv99 válasza _BiG_ hozzászólására (») Ápr 19, 2020 /
 
Idézet:
„dugasztáp-trafót, ilyen 230/12V-os is jó”


Jobb híján egy csengőreduktor volt kéznél, azonban nem akar működni vele. Multimeter is tök nullát mutat, de ha a trafó nincs bekötve, csak simán a rádióból jövő kábelen mérek, akkor szépen mutatja a millivoltokat. Valami tipp esetleg, hogy mit rontok el?
(#) _BiG_ válasza norbertv99 hozzászólására (») Ápr 19, 2020 / 3
 
A rádióból jövő vezetéken a brummot méred. A trafó jó?
A reduktor primerjét kösd a rádióra, a szekunderre meg a hallgatót. És az antennával ne spórolj.
(#) bigrobi válasza norbertv99 hozzászólására (») Ápr 19, 2020 / 2
 
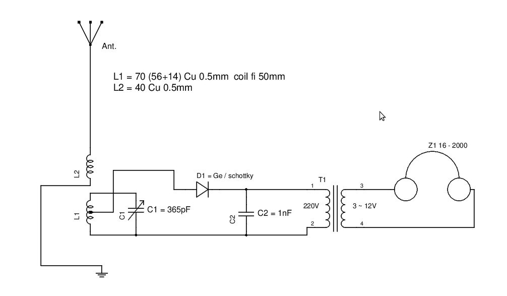
Kb így
(#) norbertv99 válasza _BiG_ hozzászólására (») Ápr 19, 2020 /
 
A trafó jó, kettővel is kipróbáltam, de semmi. Próbaképp a trafóból jövő kábelt rákötöttem a JBL-re, mert ugye trafó nélkül eddig azzal "hallgattam", de így trafóval még a JBL sem szól.
(#) norbertv99 hozzászólása Ápr 19, 2020 /
 
Helyesbítek, egy sima fülhallgatóval teljes csöndben egy hangyányit hallani, hogy valami mintha lenne, de semmi értékelhető
(#) pucuka válasza norbertv99 hozzászólására (») Ápr 19, 2020 / 2
 
Valamit nagyon elrontottál. A bigrobi rajzán levő trafós megoldás többszörösen bizonyított működőképes megoldás.
(#) Kera_Will válasza norbertv99 hozzászólására (») Ápr 19, 2020 / 2
 
Ha visszább olvasol , akkor én a piezzo hangszórókat szoktam preferálni minden most kezdő detektoros építőnek.
Nem véletlen , mivel azok garantáltan nagy impedanciásak (közel végtelen ha a sima pár 10 ohmos füleshez viszonyítod).
Persze nem éppen ideális a hangzása , mert van pár kiloherzen rezonanciájuk ,kiemelésük.
DE olcsó, minden alkatrész boltban kapsz (lényeg hogy passzív legyen ne legyen benne aktiv hanggenerátor benne) , ha nem ott akkor "ócó csájniz" játékokban , bármi csipogóval rendelkező eszközben benne van.
ilyesmi
ez ház nélkül erre 2 drót van pont heggesztve, ha leszakad akkor már felejtős.

Antenna minél hosszabb legyen 20 30 40 méter de fontos a szigetelt kikötési pontjai is.
Ha nincs elég helyed akkor keret antennával is kísérletezhetsz.
Elég csak a topic képei között visszalapoznod , nem egy ilyen konstrukciót fogsz találni.
e topic képeinek szűrt listája
keretant1
keretant2
(#) norbertv99 hozzászólása Ápr 20, 2020 / 2
 
Köszönöm ismét a válaszokat!

Sajnos két piezzot is kipróbáltam, ellenállással is bekötve, de semmi. Felraktam képet az én rádiómról, lehet tegnap a fáradtságtól már nem vettem észre valami szembetűnő hibát. Esetleg az antennára gyanakszom még, az elég rövidke, bár ugye a JBL-el működött, igaz, abban van erősítő. Szóval a keretantennás megoldás eléggé tetszetős
Következő: »»   135 / 156
Bejelentkezés

Belépés

Hirdetés
XDT.hu
Az oldalon sütiket használunk a helyes működéshez. Bővebb információt az adatvédelmi szabályzatban olvashatsz. Megértettem