Fórum témák
» Több friss téma |
Fórum » Muzeális készülékek-alkatrészek restaurálása
Témaindító: Kutyuli, idő: Márc 29, 2008
Témakörök:
Most már tisztább a dolog
Ma is tanultam valami hasznosat Végülis tudok vele és egy vevőcsővel rádiót is csinálni. Egyszer ezt is kipróbálom. Van jó pár csövem csak nem nagyon vagyok még teljesen ismeretes abban hogy melyik mit tudhat. Mire lehet jó. Majd egyszer fény derül mindenre. Van még mit tanulni...Köszönöm szépen a segítséget!
Az EBL 21 2-2,5W-ig nagyon szép hangú cső. Ha jól emlékszem, a "csöves erősítő" topicban valaki már csinált ilyen erősítőt.
Üdv!
Sziasztok! Elég nagy a pangás itt, úgyhogy ezt ellensúlyozni itt a tegnapi szerzeményem, egy Orion 882. Hatalmas nagy rádió, még a 442-nél is nagyobb minden irányban. Egész szép állapotban van, működik is, csak a skálahúrozást kell helyrehoznom, és a port kiszednem belőle. Valaki nem tudja véletlenül, hogy balról a 2. gomb mire való? Ez egy 3 állású kapcsoló, de a kapcsolási rajzról számomra nem derült ki a funkciója. Kapcsolgatva a hangerő változik elég jelentősen, de nem hiszem hogy ezt a célt szolgálná. Még egy érdekesség: Olyan EM4 van benne, aminek a közepe is zölden világít. Sosem láttam még ilyet.
Nagyon szép rádió! Látom tele van rimlock csövekkel!
A Rimlock nem fém aljú, hanem üveg (ugyanúgy, mint a novál), csak 8 lába van. Szimmetrikus, de az üvegen van egy kis pozicionáló "dudor", ami a helyestől eltérő behelyezést meggátolja. Ez Loktál sorozat, pl: EBL21, ECH21, stb.
Hoppá... Tévedtem. Jó pap is holtig tanul!
Akkor is szép darab!
Örülök, hogy tetszik a rádió! Akkor mellékletnek egy kép: rimlock cső alja. Ezután már biztos nem téveszted össze mással. "Csöppet" koszos, de a lényeg látszik. Azt olvastam róla, hogy nem volt egy sikeres csőtípus, mert sérülékeny volt a bütyök miatt, és a bütyök ellenére is be lehetett néha rosszul helyezni a foglalatba. Nem sok rádió készült ezekkel a csövekkel, legalábbis olyan pláne nem, ami csak ilyen csöveket tartalmaz. De ilyen pl. az Orion 418A is.
A háromállású kapcsoló a középfrekvenciás fokozat sávszélességébe szól bele. Ha a sávszélesség keskenyebbre van állítva akkor magashang átvitel kissé csökken de a szomszéd állomás okozta interferenciás fütty csökken.
Jocó, köszönöm a választ! Így már értek mindent. Kipróbálom ebből a szempontból is.
Az a kapcsoló firnyákos dolog:a 2 KF fokozat erősítését változtatja 3 fokozatban- a sávszélességgel együtt. Szerintem ezzel segítette a konstruktőr az AGC-t. Ugyanazt az állomást hallgatva persze, hogy változik a hangerő, de ez azt jelenti, hogy ez a rész jól működik. Szóval irigykedek!
Üdv!
Köszi! Na ennyivel is okosabb lettem!
Én nem különben okosabb lettem, köszönöm ezeket az infókat is!!
Üdv ! Ez igazán szép . A húrozása nem egyszerű !Öreg T
Egy TA 117-essel már megbírkóztam, szerintem menni fog ez is. Ebben azért jobban el van dugva.
A #738777 hozzászólás meg valami rendszerhiba eredménye, a gépem sem volt már akkor bekapcsolva... Valahogy lecsípte a #738665 hsz elejét, és iderakta.
Üdvözlök mindenkit!
Terta típusú filmvetítő gép ingyen elvihető.Muzeális darab működő képes.
Üdv mindenkinek!
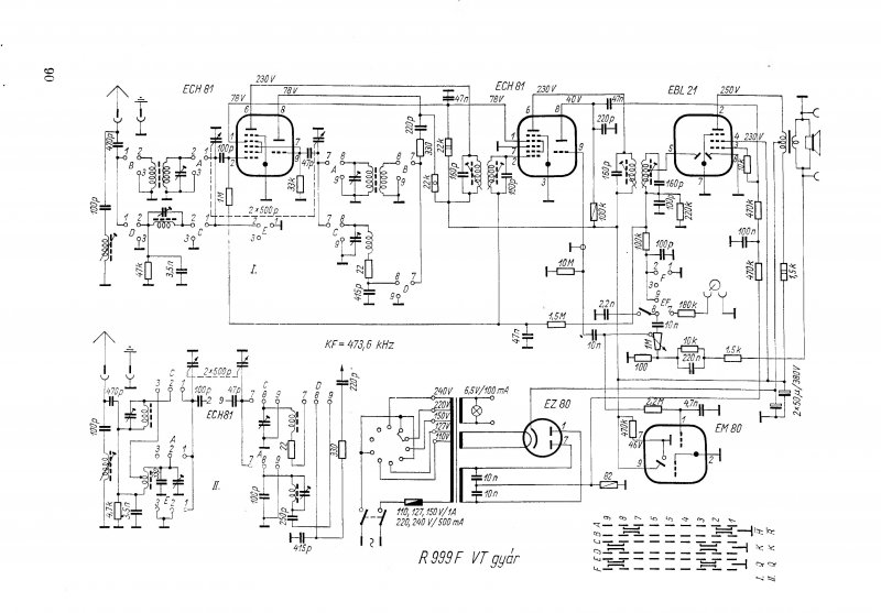
Ismét egy kéréssel fordulok hozzátok:ha valakinek megvan a Kádár Géza sárga szinű könyve és be tudná scannelni az R999F tipusú Orion rádió rajzát,és még el is küldené ,nagyon megköszönném.Hozzá jutottam egy jobb sorsra érdemes példányhoz,de az egerek és az idő maradandó károkat okoztak benne.Szeretném feléleszteni,és ha segítenétek néhány tanáccsal kissé hejreállítani.Előre is köszönök minden segítőkész hozzászólást. Papimanó
Az Orionnak szerintem nem volt rádiója R jelű, csak AR jelű, szerintem.
Azért találtam valamit:
Az Orionnak volt (-40-es évek)"Orion999" tipusa. Kapcs.rajz és kép "Kádár" 1.kötetben.
Üdv!
Az volt, de nem R 999F, csak egyszrúen 999.
Az Orion csak számozott az ötvenes évekig, utánna pedig AR xxx.
igen van de ott sajnos valami technikai hiba lehet mert nem küldi el a hirdetést sajna. én sem ide akartam de hát a szükség nagy úr. Ugye..
Igen Ő az (a képen a jobboldali).
Hálásan köszönöm. Pista
Köszönöm a gyors segítséget mindenkinek.
Papimanó
Találtam egy régi blaupuntk granada 2330-as rádiót és azt szeretném megjavítani. Szerintetek foglalkozzak vele?
A hiba: bekapcsolom kivílágít az eleje de nem szól. Hallok vmi kiss hangot a hangszóróból vmi búgás szerűség. A hátulján van egy bemenet amire rá lehet kötni bakelitlejátszót, oda rákötöttem egy kis zenét a számítógépen keresztűl, akkor hallatszott a hangszórókon, de nagyon halk volt, alig lehetett hallani.
Szép "kis" rádió az 57-58-as évből. Szerintem érdemes, bár csak dísznek is szép.
Nahát!
Megnéztem ezt a kapcsolási rajzot és a csőkészlet 100%-ban Terta T328. A kapcsolási rajz is nagyon hasonló.
Arádió hátulján volt egy papír cimke azon volt az Orion embléma,az tévesztett meg.Mivel más márkajelzést nem találtam rajta,-azt hittem hogy orion.
De hála nektek,tisztázódott a tévedés.Amúgy a rajzot a Kádár könyvből vetted?
Budapesti Rádióamatőr Börze
A Puskás Tivadar Távközlési Technikumban Budapest, 1097 Gyáli út 22. Időpontok: 2010 második félév Június 26. szombat Július 10. szombat Július 24. szombat Augusztus 7szombat + noszt. Szeptember 11. szombat Szeptember 25. szombat Október 9. szombat Október 30. szombat November 7. vasárnap November 27. szombat + noszt. December 11. szombat 2011. január 8. szombat |
Bejelentkezés
Hirdetés |




Ma is tanultam valami hasznosat
Végülis tudok vele és egy vevőcsővel rádiót is csinálni. Egyszer ezt is kipróbálom. Van jó pár csövem csak nem nagyon vagyok még teljesen ismeretes abban hogy melyik mit tudhat. Mire lehet jó. Majd egyszer fény derül mindenre. Van még mit tanulni...






De hála nektek,tisztázódott a tévedés.Amúgy a rajzot a Kádár könyvből vetted? 