Fórum témák
» Több friss téma |
Köszi a kimerítő választ. A TL stab biztos jó lenne, bár mint írtam nem kell feltétlen stabilizáltnak lenni mert elektroncső anódfeszét adná. Ott meg az áram nem nagyon változik. A 2x30v trafófesznél arra gondoltam, hogy egy feszültség kétszerezőt alkalmazok de nem tudom ez mennyire válhat be és nem kellenek-e túl nagy kondik hozzá. Jelenleg három tápfesszel használom sorba kötve. 2db a 2x30 voltból és plusz egy másik 30 voltos trafó, táppal. Ez így elég vicces de mivel tudom fokozatonként kapcsolni (terheletlenül 41+41+41 v) ezért a tápnak nem kell akkora feszültségű elko, elég 3 db kisebb is. Azon kívül a harmadikat egy 317- el tudom szabályozni és így nem kell annyit disszipálnia. Azért egyszerűbb volna egy táp szabályozva, ezért tettem fel a kérdést! Nem tudom, hogy a 317 mivel rövidzár védett ez a tulajdonsága érvényesül-e akkor is ha sorban van vele még két táp. Én inkább az elektroncsövekben vagyok jártas, ezért kérdek ennyi hülyeséget! De lenne még egy hülye kérdés! Ha egy trafom van, egy adott feszültséggel,akkor ha ugyan arról a szekunderről táplálok több Graetzet lehet-e így feszt kétszerezni, háromszorozni, ha sorba kötöm őket?
Nem. Ha felrajzolod magadnak, rögtön látni fogod.
Amúgy mindkét váltó ággal sorbakötött kondin keresztül táplálva az egyik graetz-et, annak kimenőfeszültsége már sorbaköthető a direktbe köttöttével, de nagy áramok esetén nagy kondi méretek adódnak. Szintúgy a feszkétszerezőnél - bármelyik típusát is választod. Én rátekernék a 2x30V-os trafóra még 10V-ot - ha lehetséges.
Köszönöm a választ, megpróbálok hozzá tekerni. Üdv! :yes:
Sziasztok.
Lenne egy gondom A 47V 8A szeretném egyenirányítani LM 317K -val. Azt mondták ,hogy ha ezt akarom akkor többre lesz szükség.Namost ezt a rajzot ,hogyan lehetne átírni a megfelelő feszre és áramerőre?Valaki le tudná rajzolni ? sokat segítene :eek2:
Szia. Egyenirányítani nem LM317 el kell .Ez egy változtatható feszültségű stabilizátor. Az egyen irányítást diódákkal vagy készen kapható grécz hidal lehet megoldani.
jó bocs elírtam akkor stabilizálni.
van ötleted?
Köbüki eldugta a válaszom, ezért megismétlem:
„ Amúgy vagy LM338K -t használsz, az tud 5A-t, abból már csak kettő kell, vagy a 317-ből egy marékkal, hogy elvigyen 8A-t. Harmadik lehetőség, hogy teljesítmény tranzisztorral rásegítesz. Az adatlapon van rajz, ha több IC-t kötnél össze, vagy ha tranyósat akarsz. Az LM317 max 40 V-ot szeret a ki- és a bemenet között ! A 47 V sok neki, ha rövidrezárod, akár csak véletlen is, megpurcan.” Kiegészítve két rajzzal:
Jogos, ha az a 47 még váltó fesz. De ezt a trafó-letekerést én nem ajánlgatnám kezdőknek. Ha ez egy normális gyári trafó, akkor le van impregnálva. Azt csak cincálni lehet, abból már trafó (szigetelés) nem lesz. Még nekem sincs új szigetelésem hozzá, pedig én tekertem már egy-két trafót régebben. Arról nem beszélve, hogy ha gőze sincs, mit csinál, még meg találja rázatni magát az elégtelen szigetelés miatt.
ez egy régi orosz kézzel tekert trafó.De úgy be van impregnálva ,hogy az egész egy nagy kocka
köszi a választ.találtam még egy maroknyi Bd 250C-t és Bd 249C-t Régebben már láttam feszfelezőben. Stabilizálni nem jók?
lehetséges hasznosítani őket?
Igen lehet hasznosítani.Pl: áteresztő tranyóknak amit vezérelhetel zénerrel,vagy stab ic-kel.
sziasztok vettünk egy újj gépet aminek a tápegysége 250 es de ez nem elegendő a videókártya meghajtásához! kivettem a régi gépemből egy codegen 350 est és bele raktam bedugtam mindent de valamiért nem kapcsolt be vele! ez miért van??? előre is kösz
Szisztok
Segítségeteket kérném . Lenne egy gyári tápegységem amire 12V 2A kimenő dc van írva de sajna 17V-ott add le . Szétszedtem egy trafó és egy egyszerű egyenirányító, 1db kondival , 1db ellenállás az összetétele. Mit módosítsak rajta hogy a kimenetén 12V legyen de maradjon a 2A? stabi 7812 ic azt hiszem 1A-ig jó de ott is jelentős a melegedés terhelésnél. Köszönöm a segítséget.
Szia! Az ártatlanság vélelme alapján a 2A-es terhelésre a feszültség épp 12V-ra fog leesni. Ha stabilizálni szeretnéd, akkor a 7812 3-5A-es változata jöhet szóba, a megfelelő hűtéssel, bár ahhoz épp elég a feszültségtartalék. Ha a melegedést el szeretnéd kerülni, akkor kapcsolóüzemű tápot kell használnod. Ilyen megoldást a "stabkockák" adatlapjain találhatsz.
a leirasaid alapjan igy nem lesz stabil tapod,tudni illik ha novekszik a terhelles csokken a voltod..keress vmi stabil tap rajzot es azt epitsd meg.vannak szabajozhato labor tapok amivel erdemes foglalkozni.
Helló!
Hogyha egy 15000 uf-es kondenzátort akarok akkor 15 db 1000 uf-es kondit kötök sorba az úgy jó lenne? Kösz
Szia!
Párhuzamosan kösd, mert úgy adódnak össze a kapacitások.
Nem sorba hanem párhuzamosan kell kötni őket, úgy adódik össze a kapacitásuk!
Na, lemaradtam.
Sziasztok!
Mellékeltem egy +-12 +-5 és +3V-os egyszerű tápegység NYÁK tervét. A kérdésem csak az lenne, hogy nem okozhat-e gondot, zavart a kimeneteken, hogy a GND ág eléggé "körbeveszi" a trafót (földhurokra jelenségre gondolok). Vagy itt még nincs túlzott jelentősége? Ki lesz még egészítve áganként 1-1 biztosítékkal, komolyabb áramkorlát sajnos egyelőre nem lesz benne mert gyorsan kellene a cucc és még (ki) kell találnom valami jó áramkorlátozó kapcsolást. Köszi!
Sziasztok!
Most próbáltam ki a szimmetrikus tápomat amit készítettem. Egyszerű kivitel, 78xx és 79xx IC-ken alapul. Meghajottam vele egy műv. erősítőt és a +-12V-os ágat használva valami csúfság látszik a szkópon míg a +-5V-os ágat használva tápként egy tiszta jelalak. Mi okozhatja a torzítást? Valami gond a negatív ággal lesz szerintem mert kipróbáltam úgy is, hogy a +12 és a GND volt a táp és úgy is rendben volt a kimeneti jel. Csak ha a -12V-os ágat is használom akkor van gond. Aki tud valami tippet kérem segítsen! Köszi!
Hello!
A 79-es stabilizátorok sokkal gerjedékenyebbek. Az IC-hez legközelebb ajánlatos a ki és bemenetere szűrőkondit tenni. A 78-asnál általában elég a 100nF, de a 79-nél, inkább 470nF-os kondit használj. üdv! proli007
Szia!
Köszi az értékes tippet! Van egyébként kondi a 7912 után is de csak 100nF-os mint a 05-ös után. Reméljük egy kondicsere valóban megoldja a problémát! Még egyszer köszönöm!
Hello!
Legtöbbször egy sima feszültség mérés is árulkodó lehet a gerjedésről, mert nem pontos a kimenő feszültség. Tehát ha nem annyi mint rá van írva, akkor gyanakodni kell, hogy gerjed. (Esetleg kevés a pufferkondi, ha kisebb a fesz.) üdv! proli007
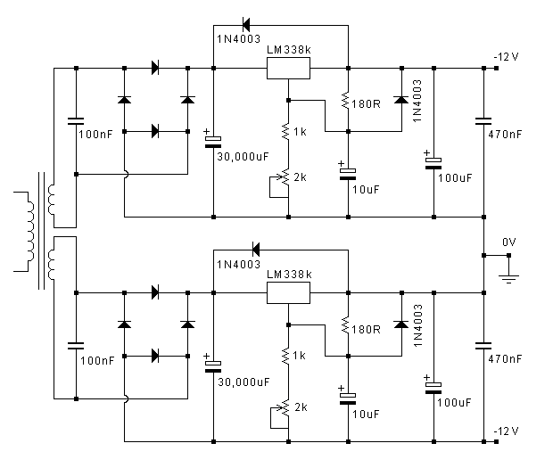
Sziasztok
Megépítettem a mellékelt tápegységet. Teszteltem (logikusan csak az egyik felét) valóban le tud-e adni 3-4 ampert; ezt az LM338K-nak tudnia kell. Természetesen hűtőbordára rögzítettem, a trafónak pedig tudnia kell ennyit. 2 db 12V 21Wattos autó izzót kötöttem párhuzamosan, ez 3,5 A 12 volton. A trafóra kötve a két izzót, 12,65 voltra esett vissza a 14 voltos szekunder (közvetlenül a szekunderre, egyenirányítás nélkül) Határeset, de megfelelő. A tápegységet terhelés nélkül a trafóra kötve szépen be tudtam állítani a 12 voltot a kimeneten. Viszont ha rákötöttem a két izzót, ez kb. 2,6 voltra visszaesett (!) és így 1,56 ampert lehetett "kivenni belőle". Az izzószálak éppen csak izzottak. Ellenben ha csak 1 izzóval terhelem, semmi probléma nem jelentkezik; normálisan tartja a 12 voltot, 21 wattos izzóról lévén szó: az 1,75 ampert... A táp IC bemenetén ~14,6 V-ot mértem, mikor a két izzóval terheltem és katalógus szerint kb. +2,5 V elég a be és kimenet között, hogy üzemszerűen, akár 5 amperrel terhelve stabilan működjön az IC. Hol keressem a probléma okát? Sajnos szkópom nincs... Köszönöm a segítséget.
Hello!
Lehet nincs semmi baj, csak az izzók hidegellenállása viccel meg. Próbáld meg akkor rátenni a másik izzót, mikor az egyik már világít. Vagy amikor "éppen csak izzottak" ez egyiket egy pillanatra megszakítani. Ekkor már felfűtve kerül vissza a terhelés. Igazából ellenállással kellene terhelni nem izzóval.. üdv! proli007
Üdv!
Nos egy kondicsere szerencsére valóban megoldotta a problémát! A -5 V-os ágon egyébként -7V körüli értéket mérek terheletlenül de ha rákötök valamit akkor szépen beáll az is -5V-ra, úgy tudom ez még normális 79-es szériánál.
Hello!
Szerintem nem normális, de egyes negatív stabilizátorok (gyártótól függően) "rendelkeznek eme kellemes tulajdonsággal". Bár én ég nem találkoztam ilyennel. üdv! proli007 |
Bejelentkezés
Hirdetés |







köszi a választ.








