Fórum témák
» Több friss téma |
Fórum » Inverteres hegesztőtrafó
Az ott 2 db. 2,2nF /1000V smd kondenzátor,a 4,7nF/1000V kondi jó helyette.
Sziasztok!
Szeretnék egy 160A-es hegesztőt építeni. Találtam itt a topicban egy rajzot ami szimpatikus. A véleményeteket szeretném kérni, hogy érdemes-e megépíteni. Esetleg tapasztalat a géppel kapcsolatban. Hány százalékban lehet kihasználni pl. 100A vagy 130A-en. Köszönöm. Üdv.
Bár mostanság már nem vagyok oly aktív inverteres "fórumtag", de ha emlékeim nem csalnak itt régebben az Erdgab és Tubi56 fórumtárs által orosz alapokból kitervelt masina volt uralkodó. (amit jó lenne, ha végre be tudnák én is fejezni) Most meg a Colt1300 (szintén Tubi56 "tollából") Szerintem akár mindkettő tudhatná a 160A-t. Az általad linkelt rajz is szerintem Tubi56 alkotása, és ha jól emlékszem meg is építette. Amúgy nagyjából a "Maci" FET-esített kicsit "megturbózott" verziója.
Amúgy végre ma megjött a DC lakatfogóm a Deal-ról. Végre tudom fojtatni a "Blackbear"-t.
Szia.Rég óta figyelem a fórumot,valamikor hozzá is szóltam.de most a Colt1300 hozzászólnék.Senki nem vette figyelembe TUBI fórumtárs készűlékét,ami vetekszik a macival,vagyis inkább veri működésileg.Ebben minden megvan mint ami a gyári készülélékben.(aceforsz,antistck)Én 160A kivettem a készülékből.Remekül működik,igazavan vottarnak,most már lépni kellene.
Ha most állnék neki, én is a Colt-ot építeném meg nagy valószínűséggel. Tudom, hogy megélt pár utánépítést itt a fórumtagok által, de azért a Maci (amiben Tubi56-nak szintén nagy érdemei vannak), még valószínűleg vezet készülékszámban és egyszerűségben.
De tény, hogy a Colt "modernebb és többet tud a vezérlése.
sziasztok.norby vagyok...nemtudom tudnátok e segiteni...a jövöben valószinü hozzájutok egy régebbi tipusú 380v co hegesztöhöz.hogyan fogom tudni használni 240v-on?milyen átalakitás kell?áttekercselés?vagy valamit átkötni rajta?esetleg freki váltó?köszönöm
Idézet: „Senki nem vette figyelembe TUBI fórumtárs készűlékét,ami vetekszik a macival,vagyis inkább veri működésileg.Ebben minden megvan mint ami a gyári készülélékben.(aceforsz,antistck)Én 160A kivettem a készülékből.” Van "újabb" megoldás,verzió is a Colt 1300 géphez,legalábbis nekem ,a többivel egyetértek.
Szerintem a kérdésedre mpisti kolléga tud érdemben válaszolni vagy nézz át ebbe a topikba
T. Gábor !
Nemakarod "közkincsé" tenni az ujabb verziót ? Biztos nemcsak engem érdekelne.
Szia Gábor.Felcsigázod az embert.A rajz mikor lesz publikus?
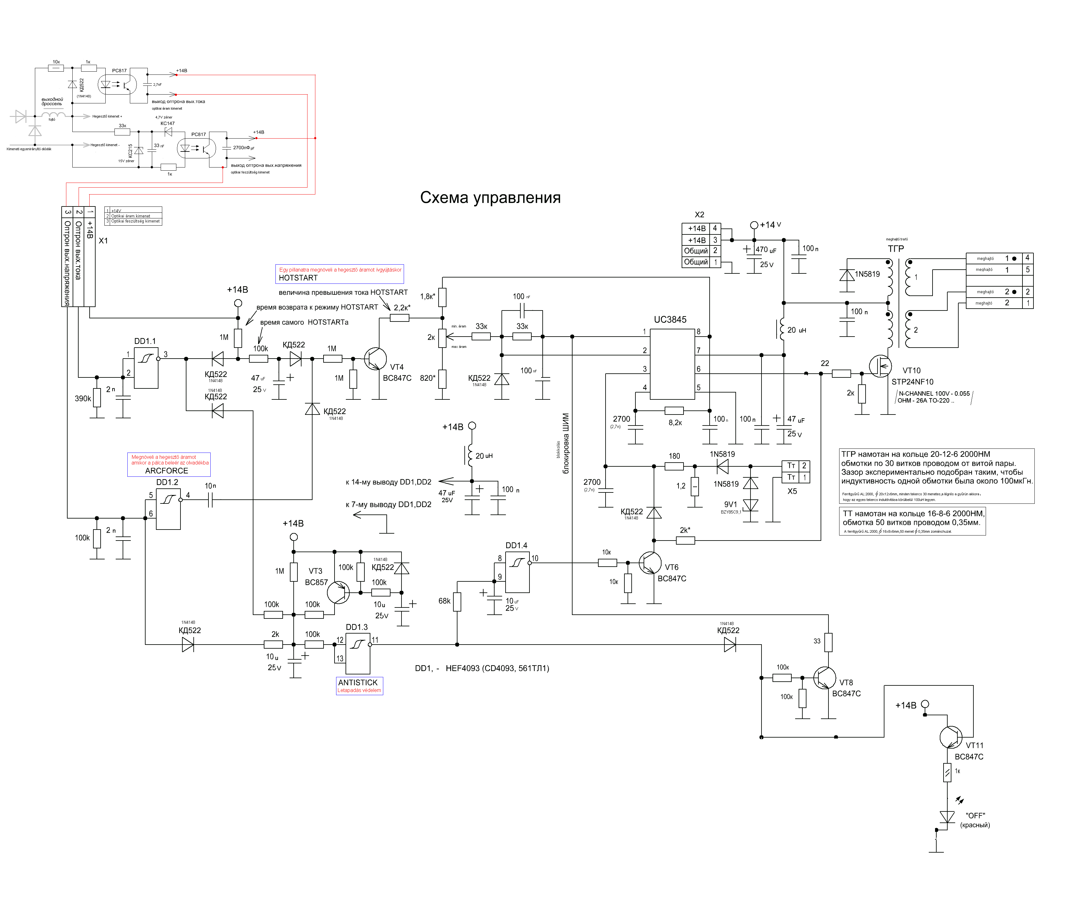
Idézet: „Nemakarod "közkincsé" tenni az ujabb verziót ?” Miért is ne. Idézet: „A rajz mikor lesz publikus?” Bármikor,hiszen nem én alkottam,csak találtam itt. Csak megjegyezném,hogy semmivel sem tud többet mint a "Maci",hiszen ahhoz is megvannak dara barátom által említett plusz kényelmi funkciók,mint a Colt 1300 gépben,meg is írtam anno többször is a T.fórumra,senkit nem érdekelt egyetlen építő kolléga kivételével s aztán már nem reklámoztam tovább.Íme a Colt 1300 újabb rajz.
Erdgab mester! Akkor ég a képem, de én az Arcforce megvalósítására a Maciban nem emlékeztem.
Ha megvan ez még valahol neked nem közölnéd le ismét. Beépíteném, ha ez későbbiekben lehetséges. Amúgy mivel én maximum heftelni tudok, csak Tubi56 fórumtárs leírására tudok hivatkozni. (Ő profi a hegesztésben, ha jól tudom.) Ha jól emlékszem az általa épített módosított Colt1300-ast még a Macinál is könnyebben használhatónak írta.
Kérésed parancs! Anno még Tubi56 (Sanyi) barátommal kezdtük összekalapálni.Ő az egyik én a másik felét találtam meg s abból alkottuk a mellékletben szereplő kapcsolást (fólia rajzolat) elhagyva az eredeti kapcsolásból a felesleget.Én ki is próbáltam s írtam is róla akkoriban.Összehasonlítani a Colttal nem tudom,azt nem építettem meg mert a 4 gépből itthon van 3,mind működik,20 rongyért nem adom el inkább legyen talonban,egy 5. felesleges lenne.Azon csodálkozom,hogy dara (Sanyi) barátom sem emlékszik rá,vagy mégis!?
Köszönöm! Holnap kinyomtatom és összesasolom a régivel.
Sajnos így gyors szemrevételezés után sem emlékeztem erre a módosított rajzra. Valahogy biztos átsiklottam felette anno.
Üdv!
Van esetleg méretesebb rajz ebből a colt-ból? Nehezen kivehető, s a linkelt helyen sem találtam! Köszi!
Jól hangzik ez a kiegészítés. Lehet, hogy összedobom, amint időm lesz. Szerintem van is itthon minden hozzá.
Szia Gábor.De emlékszem a rajzra,meg is csináltam több példányban,remekül működik.Úgy emlékszem emlitettem neked.Mindenkinek ajánlom utólagos beépítésre.Ez a kép tényleg nem a legjobb valami más formában nem tudod felrakni?
A link a fórumra mutat,mely nagyon terjedelmes.Talán így jó lesz a rajz.
Üdvözlet!
Nézzétek el nekem ,hogy kicsit vissza kanyarodok a témában,de szeretném pontosítani a topikból össze ollózott ismereteimet a javítással kapcsolatban. A leg célszerübb magát a vezérlő kört külön tápról indítani (fetek nélkül).Greatz DC lábaira a stab.kockának megfelelő fesz.t kapcsolva. Ideális esetben a vezérlés elindul és mérhetem a fetek helyén a gate és source közti jelalakot. Nem ideális esetben tilt a vezérlés a kimeneti feszültség hiánya miatt (hiszen hiányoznak a fetek).Átverem a vezérlést,és az elindul. Ha minden fet helyén ugyanazt a jelet mérem akkor betehetem a feteket mert a vezérlés nagy valószínüség szerint jó?
Nagyjából így van,ahogy leírtad. A legtöbb inverter viszont tartalmaz valamilyen tápfesz kontrolt, néha többfélét is. Ezt meg kell keresni, és szimulálni a meglétüket. A FET ;IGBT helyét nem üresen hagyni,hanem egy akkora kapacítású impulzustűrő kondit kell a Gate-re kötni, mint az egy ágban levő kapcsolóelemek eredő kapacitása(katalógusadat!) A vezérlőkör tápfeszültségét mindenképpen egy külső, áramkorlátos szabályozható tápról kell adni,mert ha bibi van a vezérlőkörrel áramkorlát nélkül egy csomó elfüstölt vezetősáv és penetráns szag lesz az eredmény. Minden esetben először az engedélyezések ellenőrzését kell elvégezni, akaratlagos tiltásokkal ellenőrizni a működésüket. A PWM kör feszültségeit összevetni vagy a szervíz adatokkal(ha van)vagy az adott vezérlő IC gyári felhasználói útmutatójában található értékekkel.
A legvégén kell az IGBT vagy FET megfelelő lábai közt a jelalakokat vizsgálni, ha van rá lehetőség,akkor áram szimulációval. Így ellenőrizhető a PWM kör korrekt működése is. Természetesen a letapadásvédelem, hot start áramkörök ellenőrzését is illik elvégezni. Optimális esetben mindezekhez rendelkezésre áll a megfelelő dokumentáció, amit már egy korábbi alkalommal végzett javítás során elláttunk megfelelően informatív széljegyzetekkel.
Tehát akkor a gate és a source közé betenni egy katalógusban meghatározott értékű kondit.
Ez milyen adatként találom meg?Bemeneti kapacitás néven futó adat?(imput capacitance) Drain és source helye közé nem kell semmi?vagy oda meg egy output capacitance jelölésű kondi?
Kérlek ne vedd sértésnek, de úgy látom nem vagy eleresztve a térvezérlésű tranzisztorok elvi működésének tudományával, no de sebaj, a tudást megszerezni sohasem késő.A bemeneti kapacitást kell figyelembe venni, az elméleti leírásokban ez a kondi szimbólum csak virtuális,ami az adott kapcsolóelem rétegkapacitását szimbolizálja. Ez a kondi a G-S elektródok között van, IGBT esetén a G-E között, mivel az adott kapcsolóeszköz vezérlése is e két elektródapár között történik. Tehát a kapcsolótranzisztor(ok) bemeneti kapacitásának helyettesítésére szolgáló kondit is e két kivezetés közé kell beforrasztani.Majd a vizsgálat során a szkóp mérőcsúcsát a Gate; a szkóp testpontját pedig az Source(Emitter) kivezetésre kell tenni a jelalak vizsgálatához. "Élesben" azaz hálózatról táplálva soha ne csinálj semmiféle mérést szkóppal a gépben, mert azon felül hogy tönkreteszed a szkópot és a vizsgált gépet is- még életveszélynek is kiteszed magad. Az éles mérések elvégzése nem amatőr kategória, emiatt aztán azt nem részletezném. :hide:
eszem ágában sincs hálózatról működtetett készülékben szkóppal mérni,leválasztás nélkül nem is igen lehet,mivel a csipesze a föld potenciálon van....
Amit írtál arról beszéltem én is,miszerint a gate és a source közé kell beforrasztani a kondit .Ha jól értem.Tudom,hogy ez csak szimbolikus jelentés és nem valódi kondenzátorról van szó hanem ez az alkatrészünk egy paramétere. Valóban nem vagyok egy nagy mágus a térvezérelt tranzisztorok világában de mivel Te az vagy ezért kérdezlek Téged.
Dolgoztam hegesztő gép szervizben,és javítottam különböző gépeket,de ilyen mélységekig sosem merültünk bele...
Elérkezettnek láttam hát az időt,hogy jobban megismerjem a kapcsoló üzemű rendszert.
Van erről az egyik könyvben egy jó kis leírás, ha jól emlékszem a kapcsolótápos topikba be is linkelt belőle valaki néhány oldalt. Azért ez egy kicsit bonyolultabb mint az elsőre látszik, a vezérlés a teljes gate töltést "látja"(total gate charge az adatlapon) és nem csak a FET bemenő kapacitását kell tölteni-kisütni. Egy hegesztőben persze ez nem akkora gond mint mondjuk egy pwm erősítőben.
A szkóppal való primer mérésekről meg annyit hogy bizony néha nem lehet elkerülni. Nekem gyárilag egyik szkópom sem földelt, simán szoktam méricskélni vele a primer oldalt is. Mérés közben meg nem kell a szkópot tapogatni, ennyi. Vagy leválasztótrafót kell használni.
Igen, igazad van az input kapacitás nem minden, de a FET vezérlőkörének tesztelésére beépítendő kondi meghatározásához bőségesen elég. Kettős szigetelésű ,vagy szigetelt hidegpontú szkóppal,és szigetelt mérőzsinórral természetesen lehet mérni hálózati feszültség alatt,hiszen a veszélyes szintű feszültség el van szeparálva a mérést végző emberkétől.
De egy I. érintésvédelmi osztályú (védővezetős)védelemmel rendelkező szkóppal ez a munka sokkal nagyobb körültekintést, és elszigetelt táplálást kíván. Az amatőr műhelyek legtöbbjében a szkóp I.érintésvédelmi osztályú, olcsón beszerzett használt műszer.Kevesen engedhetik meg maguknak a százezer vagy akár több százezer forintos korszerű kettős szigetelésű szkópot. Mérés közben viszont szinte mindig kell tapogatni a szkópot, ha másért nem, azért hogy a jelszintet vagy a fűrész frekvenciát beállítsd. Tehát én emiatt nem javaslom annak,aki hobbi szinten foglalkozik efféle gépek javításával hogy a méréseket direkt hálózatról táplált gépen végezze. Bár én az inverterek(és egyéb hegesztőgépek)javítását nem hobbiból űzöm, azért mint a vizsgált gépet,mint a szkópot szigetelt feszültségről táplálom. Biztos ami biztos. :yes:
Mondjuk ha van olyan műszer ami kettős szigetelésű (pl fluke scope meter) akkus gép ,akkor maga a mérés kivitelezése megoldható hálózati táplálásról is,csak érintés védelmileg nem veszélytelen.
Leválasztó trafó nagyon drága dolog,dolgozom egy használt beszerzésén,nem egyszerű...
A mellékletben egy könyv található Djvu formátumban. Lehet hogy erre gondoltál?
Mivel a könyvet a neten találtam - egy, a FET-ek működésével kapcsolatos információ keresése közben - így gondolom nem sértek szerzői jogot azzal,hogy itt is elérhetővé válik.
Neked még szükséged van információra a FET-ekről?
Igen. Ugyanis a fejlődés nem áll meg. Mindig újabb és újabb ismeretek szükségesek ahhoz,hogy ne maradjunk le.
|
Bejelentkezés
Hirdetés |





Végre tudom fojtatni a "Blackbear"-t.
,a többivel egyetértek.



