Fórum témák
» Több friss téma |
Fórum » Inverteres hegesztőtrafó
Szia
Ezeket találtam de nem tudok választani, hogy melyik legyen Melyiket ajánlod? Bővebben: 01 Bővebben: 02
Nem az én véleményemre vagy kíváncs - csak javaslat- a COLT 2.változatát nézted ?
Kicsit nagyobb méretben esetleg?
Méretezést kapcsold ki feltöltésnél.
Ez egy orosz oldalról származó rajz, - ha viszamézel - Tubi vagy Erdgab föltette nagyobban-nesokkal hátrébb -ott zalálsz utalást az eredeti orosz oldalra - érdemes azt is megnézni!
Sziasztok!
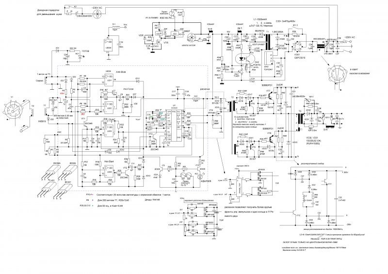
Megtudnátok mondani az újabb Colt rajzon a T1-es trafónak az adatait. Sajnos a rajzon nagyon elmosódva látható. Nincs belőle jobb minőség? Amit erdgab a 211. oldalon belinkelt orosz oldalt átbogarásztam, de nem találtam meg a rajzot. Köszönöm. Üdv.
Erdgab 211.oldalon föltett orosz oldalnak a 381. oldalán majdnem legalul találod az eredetit .
Köszi ! nekem nemjött össze.....
A két rajz nem teljesen ugyan az. Feltettem a rajzot és bekarikáztam. A U1-nél pl. két trimmer van, a jobb minőségű rajzon meg ellenállás.
Üdv.
Egypár oldallal előrébb mpisti foglalkozott ezzel a témával-olvass utánna.
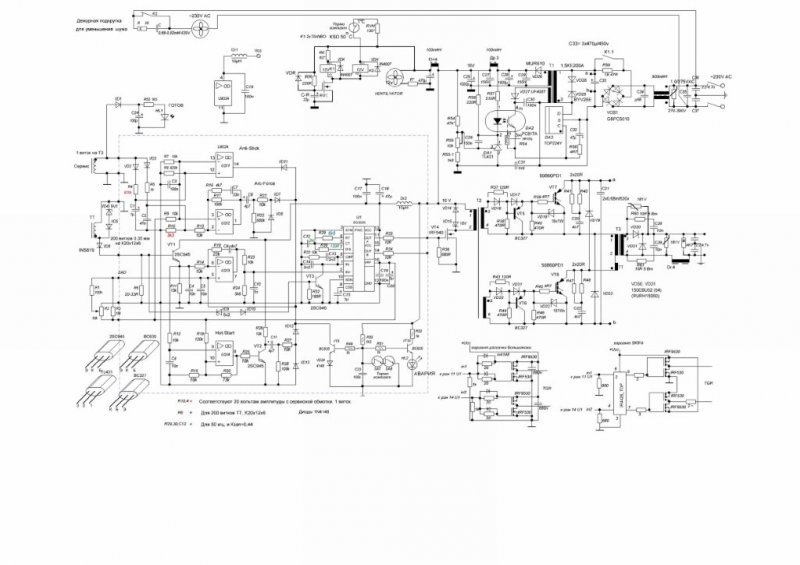
Nézegetem a fet-es meghajtórészt: nem kevés oda 100V/12A-es fet páros? (IRF530/IRFR9530 - vagy csak a hiányos orosz tudásom miatt nem tudom, hogy mi van odaírva a +Ucc-s részekhez - külső tápfeszültségre utalna?)
Nem a 16V-os segédtápra csatlakoznak?!
A két rajz között nincs lényeges eltérés,a PWM IC-nél a javasolt ellenállás értékeket látod más színnel jelölve a többi bekarikázott rész a trafók,fojtók és szűrők elkészítéséhez ad támpontot.
Értem. Támpontot csak akkor adna, ha olvashatóak lennének a feliratok. Tudom, olvassak vissza és megkapom a választ.
Üdv.
Igazad van,megpróbálok segíteni.
Szintén örülök néked!
Sajnos,nagyon sok elfoglaltságom van mostanában,de igyekszem az oldalt minden nap megnézni és hozzászólni,ha tudok.Nem reklámozni szeretném,de anno jól választottunk még ott a másik fórumon,hogy azt a bizonyos gépet építettük meg veled és másokkal,nekem azóta is sokat bizonyít a masina.Biztosan van jobb,szebb,stb.,de ragaszkodó típus vagyok. Mostanában inkább csak nézelődök,külhonban is,gyűjtögetek és "tervezgetek egy valamikori építésre, talán ...........
Én is így vagyok vele! Talán ebben is hasonlítunk! Majd meglátjuk mi lesz én is tervezgetek új gépeket, de a terminal fórumon tényleg jó helyre tapintottunk. remélem ez jobb és csak jobb lesz a fórum társakkal közösen. Egységben az erő!
Azt hiszem a jó választást én is elmondhatom az enyémről. Viszont most szembesültem vele hogy a hűtése jócskán alul van méretezve. A diódákon egy tenyérnyi méretű borda van, és az IGBT-ken sincs sokkal nagyobb. A levegőt 2db PC táp ventillátor hajtja kb. 10,5V-ról amik így nagyon kevés levegőt szállítanak. Fater hegesztője nem volt otthon így az enyémet nyúzta szombat délelőtt, fej felett is hegesztett sokat, a pálcát sokszor leragasztotta. Ha lett volna benne hővédelem biztosan lekapcsolt volna. Rögtön kikapcsolás után kihúztam és leemeltem az oldalát hogy áttapogassam. Elég csúnya szag jött belőle, az IGBT bordája majdnem sercegett mikor hozzáértem, de forró volt szinte minden.
Ennek ellenére bírta.
Sziasztok!
Múltkor erdgab feltett egy kiegészítést/javítást a macihoz. A kép csatolva. Nos itt a kimeneti fojtó a pozitív oldalban van, a maciban pedig a negatív oldalon. Az lenne a kérdésem, hogy befolyásol-e valamit, hogy a fojtó a pozitív, vagy a negatív oldalban van?
Elvileg nem,hacsak az eredeti funkcióján kívül nem kell neki más funkciót betöltenie-mint pl.ebben az áramkörben.
Itt sokkal kézenfekvőbb a pozitív körben elhelyezni. A gyakorlatban -alapfunkció esetén- bármelyik póluson elhelyezhető a fojtó. A gyártók is általában oda teszik,ahol könnyebben elhelyezhető, vagyis a nyák-on hol könnyebb a vezetősáv kialakítás a legrövidebb vezetőhosszt figyelembe véve.
Rendben, köszönöm a választ. Akkor majd ha elkészül a kiegészítés, akkor átrakom a másik oldalra.
Szia. .....öööö mit is csináltam az eredeti Miller belsővel, ja tényleg eladtam, pont Neked
Te voltál?! Abban volt a lemezes fojtó és finom"békebeli"alkatrészek azóta a rajza is megvan.
Szia András!
Nem emlékszem pontosan, itt a fórumon fent van? Mert ha nincs, közkinccsé tehetnéd.
Szia István! Én egyszer-nemrég-föltettem a Te kézirajzodat.
|
Bejelentkezés
Hirdetés |





Méretezést kapcsold ki feltöltésnél. 


Mostanában inkább csak nézelődök,külhonban is,gyűjtögetek és "tervezgetek egy valamikori építésre, talán ...........






