Fórum témák

» Több friss téma
Fórum » Inverteres hegesztőtrafó
 
Témaindító: Gabi, idő: Aug 12, 2005
Lapozás: OK   219 / 567
(#) dara válasza mpisti hozzászólására (») Aug 17, 2011 /
 
Szia.Én nem azt írtam hogy fel 300V,le 24,hanem azt hogy hány amper kell 24V használat esetén mint ahogy te is megsaccoltad.A fel,le átalakítást a trafó áttételre gondoltam.
(#) Ricsi89 válasza Temela hozzászólására (») Aug 17, 2011 /
 
Engem érdekel a dolog, lementettem a rajzot, csak időm nem volt még átnézni. Ahogy elsőre megnéztem csak a megfelelő frekvenciájú és kitöltésű jellel kellene meghajtani és működne is.
(#) Temela válasza Ricsi89 hozzászólására (») Aug 17, 2011 /
 
Hát igen, azt kellene tudni, hogy az milyen, mekkora!
Gondolom a mikrovezérlő programjából aki tudja, az kitudja olvasni eezenadatokat, ill. amit régen feltettem TIG projektet, azt vissza fejtve minden könnyebb lenne. A projektben sokan sokallták az alkatészt, de valóban van olyan része, ahol pl két kapu is követi egymást, de minek?- na ehhez már nem értek, magas mint lónak a farzseb.
(#) dara válasza dara hozzászólására (») Aug 17, 2011 /
 
Na mindegy,most akkor leírom készítek egy hálózati invertert,24V230V.A 320V remekül működik. A kivehető teljesítmény,E65 vassal,a meghajtó fetek áramátóll fügöen,meg az akksiktól ,Kb 2-4Kw kivehető az áramkörből.Még tesztelés alatt.Most 1KW tartok,de a cél min 4KW.Szóval lehet ilyen invertert készíteni,de nem gazdaságos.

Ja a válasz nem egyértelmű,a 24V való hegesztésre gondoltam.
(#) Ricsi89 válasza Temela hozzászólására (») Aug 17, 2011 /
 
A leírásból, ahogy kihámoztam, a freki az 20-200Hz között állítható, a kitöltés meg talán 25-75%. Ebből már ki lehet indulni és akár 555-össel is lehetne ilyen áramkört készíteni, potis állítási lehetőséggel.
De ez a gép, amiből a szaggató van, az sem lehet rossz. Talán érdemes lenne utánépíteni egyszer.
(#) mpisti válasza dara hozzászólására (») Aug 17, 2011 /
 
Kedves Sanyi!
Ahol dolgozom, ilyen inverterek viszik a vészvilágítást 14 éve, igaz,48V-os táplálással. 2kW teljesítményűek. Nagyon kedves ismerősom volt a tervezője és kivitelezője (Isten nyugosztalja) tőle tanultam meg a kapcsolóüzem alapjait. Azt hiszem megérdemli hogy nevén nevezzem, úgy hívták: Pluhár János
Bocs a kitérőért , de mindezt csak azért írtam le, mert ma már nem kunszt akármekkora konvertert építeni,hiszen gyakorlatilag bármilyen félvezető beszerezhető ami minden igényt kielégít. Csak gondolj az autós erősítőkre, amelyikben akár 6-8kW-os táp van, és 12V(!)-ról megy. Igaz, hiper-szuper akksi+sok Farados kondi + karnyi vastagságú tápvezeték. De gyakorlati haszna csak a kivitelezhetőség bizonyítása.(Mondjuk az is valami...)
Ezzel csak arra akartam kilyukadni,hogy amíg a piacon beszerezhető valamivel 100000Ft felett egy kínai hegesztő-áramfejlesztő,amelyikkel jól(!) lehet hegeszteni,addig a 24V-ról működtetett , hegesztési célzattal létrehozott átalakítóknak nincs létjogosultsága. Még akkor sincs,ha az akksik ingyen lennének hozzá, mivel a kapacitásuk rohamosan esik a névleges terhelés felett. Kísérletezni persze szabad, -kell is, de én személy szerint efféle átalakítóra a saját pénzemből egy forintot sem költenék. Pont azért, amit írtál; "nem gazdaságos" .
(#) Temela válasza Ricsi89 hozzászólására (») Aug 17, 2011 /
 
TIG welder projektet tanulmányoztad már?
(#) dara válasza mpisti hozzászólására (») Aug 18, 2011 /
 
Szia Pisti.Teljesen igazad van,de térjünk vissza a hegesztőkre.Beleütköztem egy problémába.A maci gépet fetesre akarom átalakítani,megy is vele,de kb 60-70A felett bekerreg a főtrafó,mintha a meghajtás kihagyna a hálózatról felvett áram meg drasztikusan megugrik.Ilyenkor a segédtápon a fesz leesett,ezért kicseréltem 1,5A re.A főtrafó primerjére raktam 10ohm 20W+4,7n snubert,valamit használt,kb20A rel fejjebb tudtam menni.A feteken is van 10ohm10W+2,2n.A segéd tápon már nem esik a fesz,de még mindig bekerreg.Ezek a fetek nagyon sokat kibirnak,mert a hálózatról mért áram néha 50A beleugrott,kerregés közben,hegesztés közben.Valakinek ötlete,tapasztalata hogy mi lehet a probléma?
(#) dara válasza dara hozzászólására (») Aug 18, 2011 /
 
Még egy kérdés.Az IRGP50b60PD1 kb60khz mekkora áramot tud,mert az adatlapjából nem tudom kibogarászni,nincs freki áram diagram.
(#) (Felhasználó 46585) válasza dara hozzászólására (») Aug 18, 2011 /
 
Valószínű, hogy túl nagy a feteken a kikapcsoláskor a drain-source feszültség meredeksége. Ezzel az a baj, hogy a fetek Miller kapacitásán keresztül egyrészt újra be tudja kapcsolni a feteket, - olyan, mintha megint vezérlőáramot kapnának a gate-k, de most nem a meghajtásból, hanem a drain felől, - másrészt ez az áram a gate meghajtó trafó szekunder-primer kapacitásán keresztül visszalátszódik a vezérlésbe. Ha ez az áram elég nagy, akkor a vezérlő ic hibát is csinálhat. Ezt támasztja alá az is, hogy a feszültség meredeksége a drain-source körben a növekvő árammal nő. Lassítani kellene a fetek kikapcsolását. Egyrészt próbálj meg nagyobb gate-ellenállásokat használni, ezek ne legyenek áthidalva diódával. Meg lehet tenni nagyobb snubbert is a fetekre, bár ez a veszteséget jócskán megnöveli. ( nagyobb kondi, nagyobb ellenállás ) Ha a vezérlésbe látszik vissza az áram, az ellen kisebb kapacitású gate meghajtó trafót kellene használni, ami abból áll, hogy a primer- és szekunder tekercseléseket minél messzebb teszed egymástól. Mondjuk feltekered a primert, aztán viszonylag sok szigetelőanyag, hogy legyen távolság tartva, aztán a szekunderek. Ezzel jóval kisebb lesz a primer-szekunder közötti kapacitás, de jócskán megnő a trafó szórási induktivitása is, ami azt jelenti, hogy lassabb lesz a gateeken a feszültség felfutási meredeksége, azaz, lassabban kapcsolnak be fetek. Egy adott értéknél lehet, hogy ez már problémát jelent.
( Ezért jobb az IGBT, az nem tud ennyire gyorsan kikapcsolni, tehát a generált zavaráramok is kisebbek. )
(#) kralikandras válasza (Felhasználó 46585) hozzászólására (») Aug 18, 2011 /
 
Ilyenből menyit javasoltok a Macihoz oldalanként?:
(#) dara válasza (Felhasználó 46585) hozzászólására (») Aug 18, 2011 /
 
Szia.Pontosan az van amit leírtál.Visszalátszódik a vezérlésbe azért esett a segédtápon a fesz.Mekkora gét ellenállást lehet max rakni ami nem okoz még problémát?A gate meghajtó trafó most e-20 van,elég kicsi az ablak keresztmetszete,van e-25 ös akkor arra megtekerem.
(#) mpisti válasza kralikandras hozzászólására (») Aug 18, 2011 /
 
Ha nem mész 140A fölé,szerintem 2-2db elég.
(#) mpisti válasza dara hozzászólására (») Aug 18, 2011 /
 
Nem húztad nagyon fel a frekvenciát?
A másik kérdésedre (IRGP50B60PD1) majd a tudós fórumtársak talán választ tudnak adni. Én csak annyit látok,az adatlapon,hogy nem szerepel a javasolt alkalmazások között a welding supplies.
(#) dara válasza mpisti hozzászólására (») Aug 18, 2011 /
 
Szia.40Khz megy.Most megpróbálok E-25 re tekerni gét trafót katt javaslata alapján,ezen nagyobb az ablak messzebb tudom rakni a tekercseket.A gét ellenállást megemelem,de nem tudom meddig mehetek el.Vagy addig ameddig jó nem lesz?Csoda hogy nem punnyadtak meg a fetek.Tip:IRFP23N50L 2-2 oldalanként.
(#) kralikandras válasza mpisti hozzászólására (») Aug 18, 2011 /
 
Köszi IstvánErröl a változatokról mi a meglátásod?:
(#) mpisti válasza dara hozzászólására (») Aug 18, 2011 /
 
A Gate ellenállás értékének megállapításához nézd meg a gyári ajánlást az adatlapon. Lehet,hogy nem frekvenciában lesz a viszonyítási érték megadva,hanem időben(ms;us;ns) abból vissza kell számolni. Kísérletileg elég nehéz lesz megállapítani.
(#) kralikandras hozzászólása Aug 18, 2011 /
 
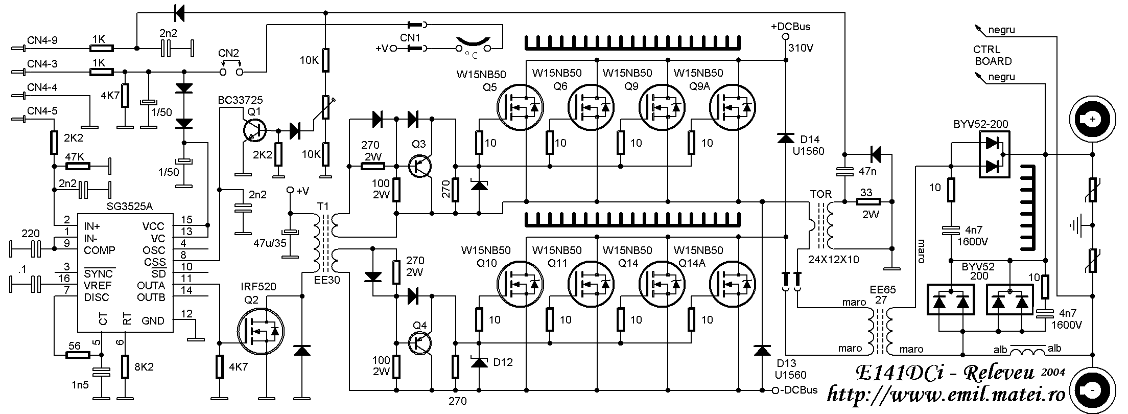
Vagy ez a megoldás a KOLT 2 meghajtással és kiegészítőkkel?:
(#) mpisti válasza kralikandras hozzászólására (») Aug 18, 2011 /
 
ismerős a kapcsolás. A meghajtó áramkörét már korábban tárgyalták itt a fórumon,emlékszem valamilyen hibára hívta fel a figyelmet egyik fórumtársunk.(Azt hiszem valamilyen félvezető van fordítva rajzolva. Rég volt már, csak rémlik valami) Nem vagyok benne biztos,de azt hiszem valami Merkle inverter kapcsán került terítékre,mintha annak a koppintása lenne.
(#) mpisti válasza kralikandras hozzászólására (») Aug 18, 2011 /
 
Építési próba, aztán vagy
(#) kralikandras válasza mpisti hozzászólására (») Aug 18, 2011 /
 
Igen-románul sem tudok-onnan származik - arra gyanakszom,hogy azon a bizonyos oldalon viszarajzolt gépek is vannak énis fölfedeztem egy 2db E55 fötrafós gépet "STEL" fölirat van a nyákon.Ha kiváncsiak vagytok rájuk teszek föl képet is.
(#) (Felhasználó 46585) válasza dara hozzászólására (») Aug 18, 2011 /
 
Sajnos, a gate ellenállásoktól nem sokat függ ez a dolog, de azért az is számít. A gate ellenállás lehet még 33 ohm is, legfeljebb jobban melegszik a fet, ha kicsi a szórása a főtrafónaK, mert akkor gyorsabban emelkedik bekapcsolásnál a feteken az áram. De nem hiszem, hogy veszélyes lenne. A másik dolog, hogy az sem mindegy, hogyan vannak bekötve pl. a vezérlés tápfeszei. Végül is arról van szó, hogy a főkör egy jó nagy négyszöggenerátor, ami a szórt-, meg szerelési kapacitásokon keresztül mindenfelé folyat áramot a fetek átkapcsolásának pillanatában. Ezek az áramok a különféle hozzávezetések induktivitásain feszültséget ejtenek és ezek a feszültségek belelátszódhatnak olyan helyekre is, ahol meghülyítik a vezérlést. Vannak olyan elrendezések, amik ilyen szempontból annyira szerencsétlenek, hogy nem is lehet mit csinálni velük, akkor jönnek az olyan trükkök, hogy pl a vezérlés GND-je egy kis fojtón keresztül csatlakozik a főkör negatívjára. Vagy ha nincsenek összekötve, akkor célszerű leföldelni a dobozt, a vezérlés GND-jét ( már ha az teljesen potenciálfüggetlen ), hogy a zavaráramoknak legalább egy része ellenőrzött helyeken folyjon el. Ha sehogyan sem megy, akkor kell növelni a snubbert, persze az komoly veszteséget okoz. Na, ezért nem szeretem a hardswitchet, meg a túl gyors eszközöket. Ezért ( is ) jobbak pl. a ZVS elrendezések, a rezgőkörös tápok, stb. ( ott meg más problémák vannak... )
(#) mpisti válasza kralikandras hozzászólására (») Aug 18, 2011 /
 
"2db E55 fötrafós gépet "STEL" fölirat van a nyákon.Ha kiváncsiak vagytok rájuk teszek föl képet is." Bölcs döntés lenne...
(#) kralikandras válasza mpisti hozzászólására (») Aug 18, 2011 /
 
Ime a képek:
(#) kralikandras hozzászólása Aug 18, 2011 /
 
Itt a másik:
(#) mpisti válasza kralikandras hozzászólására (») Aug 18, 2011 /
 
Köszi a képeket. Most már legalább biztosan tudom hogy kivitelre nem azonos a MILLER GOLDSTAR-ral , még ha kapcsolástechnikailag egyformák is.
(#) kralikandras válasza mpisti hozzászólására (») Aug 18, 2011 /
 
Nagyon hasonlóak ami nekem van GOLDSTAR abban dupla E55-ös (két mag egyben)a főtrafó és ebben is van a kimeneten egy "sönt"amiről a rajtaeső feszt a vezérlőkártya "fogadja".
(#) dara válasza (Felhasználó 46585) hozzászólására (») Aug 18, 2011 /
 
Szia.Na végre működik rendesen.A gate ellenállás 22 ohm a fő trafó primejéből kivettem a 10ohm 20W ot,snubernek maradt 10ohm5W 4,7n.Meg a trafót áttekertem ahogy mondtad.110A re állítottam,3,25 ös pálcát toltam neki végig,remekül működik.Mivel a hővédelmet szeretem ha korán bekapcsol,kb 60foknál jelzett,de még nem kapcsolta le a vezérlést,1db 2,5 és 1db 3,25 pálca után,110A nál.Megvárhattam volna,tudom hogy kapcsol mert kipróbáltam.A környezeti körülmény itt a szobába kb 30 fok.
Köszönöm katt,mindenki nevében aki a fórumot olvassa,meg aki nem.Ha valaki át akar térni a fetekre,mivel olcsobb,javaslom az átalakítást.
(#) (Felhasználó 46585) válasza dara hozzászólására (») Aug 18, 2011 /
 
Örülök a sikerednek!
(#) kralikandras válasza (Felhasználó 46585) hozzászólására (») Aug 18, 2011 /
 
Gratula az átépités sikeréhez !Ahogy nyomon lehet követni a leírásból megpróbálom koppintani-nekem 47A FET-ek vannak.
Következő: »»   219 / 567
Bejelentkezés

Belépés

Hirdetés
XDT.hu
Az oldalon sütiket használunk a helyes működéshez. Bővebb információt az adatvédelmi szabályzatban olvashatsz. Megértettem