Fórum témák
» Több friss téma |
Kösz !
És mekkora teljesítményűek legyenek ? Mert mindegyiken 5 A folyna keresztül , ugye ?
(Bár hivatalosan max. 2.5W amit elfűt egyenként)
A mai ellenállásokat kézbe véve kb én is kétszeres teljesítményűt raknék mindenhova... A régiek a ráírtat tudták is eldisszipálni, az újabbak - mivel apróbbak - hamarabb tönkre mennek. (tervezett avulás)
Na megvannak az alkatrészek , az ellenállások 5 W-osak.
Kíváncsi vagyok mennyire fognak melegedni .
Na megépítettem , de valami nem jó , mert nem stabilizálja a feszültséget és alig lehet állítani rajta , nem tudom mi lehet . lehet hogy mégse jó hozzá az NE5534 ?
Itt a nyákterv :
És ez most forrasztási oldal vagy beültetési?
"A 7-es láb be van kötve?" - igen
"És ez most forrasztási oldal vagy beültetési?" - a beültetési itt van pár kép:
Fordítva forrasztottad be az LM338-asokat! S a _kivezetések_ is fel vannak cserélve...
Pontosabban az IN és GND kivezetéseket kell egymással felcserélni. Kis szerencsével nem mentek tönkre az LM338-asok.
hogy
igazad van . Meg se néztem a lábkiosztást mert azt hittem hogy ennél is úgy van mint a L78xx -asoknál : in , adjust out
( . kicsit fáradt vagyok . ) Minden láb rossz helyen van.
Az LM338-ad adatlapja szerint helyre tudod hozni a kapcsolást. A tokokat majd el kell szigetelni a hűtőbordától.
még nem tudom , majd mindjárt megcsinálom
hmm elég érdekes, ingadozik a feszültség , kb. 4-5 V -ot ,vagy még többet másodpercenként kb. 3x
és úgy látom , hogy csak a jobb oldali IC megy mert csak az melegszik , a többi nem.
Ja és hogy ha növelem a bemeneti feszültséget akkor a kimeneti is annyival nagyobb lessz.
De mért szaggat ? Össze vissza ingadozik a feszültség . Tehát valami nagyon nem jó.
Valami még mindig el van kötve vagy tönkrement valamelyik félvezető.
Valaki megépítette már ezt a kapcsolást ?
Miről táplálod a stabilizátort? Szűrt egyenfeszültségről, labortápról? Mi a tranzisztor típusa?
Most csak labortápról próbáltam , de majd 24 V -os trafóról fogom . Szerintetek a NE5534 romlott el vagy a stabilizátorok ?
Bár a rajz nem jelöli, azért én mindhárom stab kimenetére tennék 100nF-os kondikat. A bemeneten sem árthat legalább egy db.
Szia! El kellene kezdened a szisztematikus hibakeresést!
Vagyis az LM338-asokat kell egy próbakapcsolással ( Lehetőleg az adatlap által ajánlott kapcsolással. ) ellenőrizni, hogy egyáltalán életképesek-e. A kusza bekötés szerintem tönkretette őket. Ha az LM338-as stabilizátorok jók, akkor a 2N2905-ös tranzisztor kell kimérni. Ha van rá lehetőség akkor HFE ( Béta jelerősítés.) mérést is. Ha van kedved, akkor az OPA-nak is építs egy egyszerű áramkört. Legalább kicsit ismerkedsz az OPA-k lelki világával. Nem kell nagyon bonyolult kapcsolásra gondolni. ( Majd lerajzolom ha kell... ) Ha a tranzisztor és az OPA is rendben van, akkor legalább egy működőképes LM338-assal összerakhatod az áramkört. ( Lehetőleg az LM308-hoz közelebbit építsd be mert az táplálja közvetlenül az LM308-as OPA-t. Bár lehet, hogy az a pár tized OHM nem számítana sokat. ) Elvileg így már működnie kell az áramkörnek. Az OPA invertáló (-) és neminvertáló (+) bemenetén közel azonos feszültséget kellene mérni. S a kimeneten is csak KB 0.6V-al alacsonyabb feszültséget kellene mérni. A potenciométerrel a neminvertáló bemenet feszültségét módosítod. S ezt a feszültséget igyekszik az IC az invertáló bemenetén is elérni. Bocs! Egy kicsit ismét hosszúra sikerült. De remélem sikerül behatárolni a hibát. Az áramkör elméletileg működőképes az NE5534-el is. De lehet szerencsésebb lenne egy LM308-as beszerezni. Szerencsés hibakeresést!
Remélem a tápegységből nem felejtetted ki a puffer kondenzátorokat!
1A * 1000µF a minimum! ( 15000µF !!! Vagy több. )
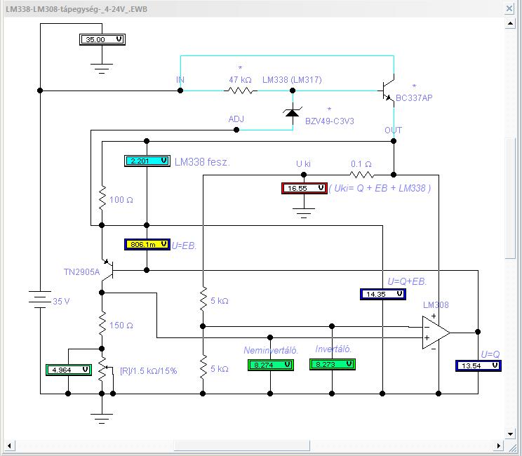
Bár én nem építettem még meg, de összedobtam egy szimulációt. Az értékek csak tájékoztató jellegűek. Az LM338-ast egy sima zénerdiódás áteresztő tranzisztoros feszültségszabályzóval helyettesítettem. S még így is sikerült elfogadható feszültségértékeket előhozni. Mint látható a rajzon, az invertáló és neminvertáló bemenetek feszültségértékei alig térnek el egymástól. A kimenő feszültség pontos értéke meg elsősorban az áramkör alkatrészeinek paraméterétől fog függeni. De két fix érték azért lesz. Az egyik az OPA utáni tranzisztor EB feszültsége. A másik az LM338-as IC (ADJ és OUT közötti) kimenő feszültsége. Ezek a feszültségek kimérhetők és vagy adatlapból kikereshetők.
Üdv.: _jani_
Itt egy videó a működéséről :
Bővebben: Link |
Bejelentkezés
Hirdetés |










) Elvileg így már működnie kell az áramkörnek.





