Fórum témák
» Több friss téma |
Fórum » Csöves erősítő készítése
Ne feledd betartani a fórum viselkedési szabályait, és a topik megmaradásának feltételeit. [link]
A téma átmenetileg fagyasztva lett, hozzászólni nem tudsz!
Sziasztok!
Épített már valaki itt a fórumon OTL erősítőt 6n13sz csővel? Mik a tapasztalatok, hogy szól, érdemes megépíteni?
Én most attól a futtermanos rajztól 1 órányira vagyok, de lusta voltam még feléleszteni, részben a -100V előállítása miatti kényelmetlenségből. 90%-ban kész a deszkamodell. Majd ha lesz fejlemény, beírom az OTL topicba. Egyébként Ecopityu csinált és szét is kapta. Olvasd el a topicot.
Igen félreérthető voltam. Emiatt bocsánatot kérek. Az előfeszültségem egyen van irányítva (hű de szép kerek magyaros lett).
A CHZ-féle kapcsolási megoldás mindenről gondoskodott. Viszont lehet, hogy sok a 14,5X1,41=20,44Volt egyen feszültség.
Az nem baj, ha sok. Viszonylag kis áramú osztóval az jól kezelhető. Én legtöbbször 1mA-es osztót szoktam kivitelezni (1k Ohm , 1V), Neked egy 10k-s poti jó lesz. Már nem rémlik CHZ megoldása (Laci Picassája meg már nem publikus), de talán ott szimmetrizáló, és beállító poti van.
Emeld föl a feszt legalább 15 Volt -ra de több lenne az jobb , 30 mA már jó lenne .
Nem váltóról megy a nyákon minden kialakítva és ITT ebben az esetben AC a bemenő az összes többi a nyákon helyt kapott így nincs semmi gond !
Idézet: „Laci Picassája meg már nem publikus” Miért ne lenne az ?
Van egy 6.5 voltos váltófesz a hálózati trafón ami felesleges. sorba kössem a 14,5 voltos szekunderrel? De itt már 20 volt feletti váltó feszről beszélünk ami egyenirányítás után majd 30 volt.
[OFF]Elnézést Lacikám, csak a sor elejét néztem. Most, hogy mondod, tényleg az.
Kösd csak sorba nyugottan, a többől mindig egyszerűbb kevesebbet csinálni, mint fordítva.
Üdv! Pár hete kértem el84 kapcsolást. Kis leállás után amit az időjárás okozott, mostanra majdnem kész az el84-es erősítőm. A régi ecl86-osom dobozát alakítottam át abban kapott helyet 3 csővel megy ez81, ecc82 és el84. Gyönyörűen szól. Papír szerint 4és fél wattos de fülre ítélve úgy 2watt vagy 3 körül jelentősen letorzít. Ami jelen esetben kb a hangerőszabályzó 3/4 állása. Egyéb gondja nincs. Hál istennek brumm és gerjedésmentes. Csak trafótakarót miből készítsek? Fémhez nincs eszközöm csak fához :S Színben a trafótakarókat tervezem kékre, valamint elől ahogy illeszkedik a teteje, az a rés elé okker színű takarólemezt. Ha valakinek van ötlete trafódobozra az kérem segítsen köszi!
Köszi a válaszod. Sorbakötöttem a 14,5 és a 6,5 voltos szekundert a hálózatin és ezt kapja az előfeszültség rész. Így sikerült beállítanom a nagyjából 30mA nyugalmi áramot. Most rájöttem hogy csak üzemmeleg csövet érdemes állítgatni mert folyamatosan kúszik. 15 perc után sem állt meg teljesem 29 és 32 mA között ingadozik. A poti is nagyon érzékeny lehet hogy nem 50 kilóssal kellene állítgatni. Van kis gerjedés de ezt betudom a drótkupacnak. Majd jelentkezem ha valami nem stimmel. Az eddigiekért köszi mindenkinek.
én is csöves lettem.
Fülre szinte lehetetlen vállalkozás kimenő teljesítményt meghatározni. Egyébként én a 3,5W-ot tartom reálisnak, ez megfelelő tápfeszültségek esetén feltétlenül elérhető.
Persze én sem mondom hogy így határoztam meg csak az ecl86 az 2w-os volt azt lemértük és fülre hasonlítottam ahhoz. Egyébként a hálózati trafója elég nagy szerintem 2 csövet is elbírna, ez81 van rajta. De az ez80-nak sem okozott gondot így egymagában. Az első 2 órás üzemen túl van a trafók talán a langyos hőmérsékletet ha elérik. Így megkockáztatom hogy a trafóra takarást akár fából (pl farost lemez) is lehetne készíteni. A festék sem jelenthet gondot mert 200 fokig hőálló. Visszatérve a témára annyira nem érdekes mert úgysem hajtom maxon az erősítőt, de szerintem lehet elég lenne neki a tápfeszültséget emelni 300volt fölé megpróbálni.
Közben látom a Pista válaszolt de én is megerősítem , kösd sorba és máris jó lesz .Ez az ingadozás nem számit 29-32 közt ez semmi , egyéb iránt csak érdekesség képp említeném nálam egy kosár csőből lett kiválogatva az a 4 darab cső ami most is bent van az erősítőben .
A nyugalmi áram beállítását természetesen érdemes véglegesíteni akkor amikor már üzem meleg az egész , egy fél óra már annak mondható akkor véglegesítsd .
Sziasztok.
Nekikezdtem a második ECL86 SE erősítőmnek. Egy régi videoton R4900 végfokát építettem meg kíváncsiság képen. 160ohm helyet csak 150ohmot tudtam belerakni. Bekapcsolás után szépen feléled, szól szépen, de 2 perc után hirtelen halkabb lesz és furcsán izzik a cső. Mi lehet a probléma?
Lehet hülyeség de nekem akkor csinált ilyet amikor gerjedt... Igaz akkor hallani is lehetett de a végeredmény erős anód izzás volt. Nekem torzítás volt anno az ecl86-nál akkor azt mondták emeljem meg a katód ellen állást. Én azt javaslom azt a 150 ohm ot cseréld nagyobbra. Lehet a kapcsolás nem pontosan az mint az én erősítőmbe de én javaslok 270 ohm-ot de a nálam jobban hozzáértők majd adnak jobb tippet ha nem ez a gond. Vagy keress egy huzalpotit pl 500 ohmosat, lődd be 160 ohmra, és onnan haladj felfelé szép lassan hogy van e változás. Én így állítottam be amikor javasolták a katódellenállás-emelést.
Elsőre nekem is ez ugrott be, már túrtam is egy 500 ohmos potit.
Gerjedni nem gerjedhet, mert nagyon szépen szól, mikor a hiba bekövetkezik akkor sincs torzítás csak izzás és halkulás.
Igen, közben sejtettem, hogy mi lehet a mondat mögött, de ahogy elolvastam, hogy váltó megy az előfeszre, meg hogy elmászkál, rögtön beírtam.
Ma du mind a két oldalát beállítom a kis PCL 86 PP-nek majd járatom őket pár óráig és ezerrel folytatom a dobozolást.
Remélem az idén is lesz AAET. Ott megmutatom a cuccot. Bár a szerkezet nem egyedi de de a kivitel az lesz.
Hmm hát nem tudom ilyen problémám még nem volt így lehet használható tanácsot sem tudok adni de megpróbálom. Érdemes megnézni illetve megmérni a tápfeszültséget hogy mennyit ad le a tápod azt tudom hogy a pentóda anódra max 250 volt mehet, arra gondoltam hogy érdemes még megnézni 1-2 ellenállást nem e melegszik, nincs e zárlat, esetleg ha a pentóda katódkörben van elkó az nem e zárlatos, mert bár konkrétan nem itt de már sok helyen okozott gondot zárlatos elkó. Szóval szerintem valamiért elcsúszik a munkapont (gondolom ellenállás vagy valami melegszik és ez okozza vagy pl túlfesz.) Még érdemes másik csővel megpróbálni, minél kevesebbet használt példánnyal. Remélem segítettem valamit egyenlőre tőlem ennyi telik.
Esestleg még ezeket nézd át:
R107: 1kohm/ 2watt ; R89: 160ohm/0,5 watt valamint a trióda anódon R50: 220kohm/0,5 watt. Ezeknek a felsorolt ellenállásoknak érdemes megnézni, hogy nem e kisebb teljesítményű lett betéve. Mert ha az melegszik akkor ugye az értéke is változik olyankor ami már okozhat gondot.
Az elkó,ellenállás minden új benne.
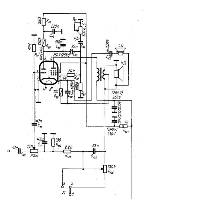
A hibát szerintem az okozhatja, hogy a pentóda rácsára 250V max mehet, én most 311V-ot mértem.
Hát ha azt közvetlen a segédrácson mérted az tényleg nem jó. Anódra és segédrácsra 250 volt mehet. Tégy rá egy olyan trafót ami váltóba 230 volt -ot ad le(mint a rajzon) a lényeg hogy 250 volt -ot adjon le a tápod terhelt állapotban egyenirányítás és szűrés után körülbelül (azaz mikor be van kapcsolva az erősítő) mellé Kádár Géza: Rádió és televízió vevőkészülékek 1967-1969 c. könyvében a 44.oldaltól kezdődik a Melodyn rádió aminek a végfokát építed itt fel vannak tüntetve a feszültség értékek is érdemes átméregetni.
Az adott könyv összes példánya egyébként megvan djvu formátumban.
A saját trafójával használom. A könyvek ekem is megvannak. Fenti hozzászólásomban csatolt rajzon is fel van tüntetve a fesz érték.
13k-s ellenállást beiktatok a rács és táp közé. Kívánci leszek mi lesz.
Nekem saját trafójával mikor a rádiót csináltam 265 volt jött ki. Egyébként érdemes megpróbálni. Az anódon is olyan magas a táp?
A 160 Ohm -os ellenálláson (katód) mérheted a feszültséget, ez alapján jó közelítéssel tudod számítani az anódáramot (levonsz belőle 5mA-t) Ia=Uk/Rk-5mA. Az anódon mérhető feszültségből levonod az előbbi értéket, majd szorzod az anódárammal. Ez ECL86 esetében nem lépheti túl a 9W-ot.Ha a segédrácsfeszültséget csökkented, vele arányosan csökken az anódáram is. Az ide épített ellenállás kb. 5V-ot ejt k Ohm -onként. Ha nem hidegíted a segédrácsot, az ellenállás növelésével csökkenő erősítést kapsz. A katódköri ellenállás növelése ugyanilyen hatást vált ki. Azonfelül lehet (szűrő)ellenállással is valamennyi feszültséget "elfogyasztani" a tápból, a teljes cső kb. 45mA-t fogyaszt, ezáltal egy 470 Ohm -os 2W-os ellenállás nagyjából 20V-al csökkenti a táp feszt, fél terhelés mellett (érezhetően melegedni fog).
Idézet: „Bekapcsolás után szépen feléled, szól szépen, de 2 perc után hirtelen halkabb lesz és furcsán izzik a cső. Mi lehet a probléma?” Ennek a csőnek jó pár gázos példányával találkoztunk már (a PCL-ből is), ami teljességgel hasonló "tüneteket" produkál. |
Bejelentkezés
Hirdetés |









