Fórum témák
» Több friss téma |
Mielőtt kérdezel, a következő két dolgot ellenőrizd!
I. A helyes tápfeszültségek megléte.
II. A kimeneten van-e egyenfeszültség.
Élesztés.
12A tud és 200V-t de elég lesz
![]() Mégvalami: csatolom hogy milyen tápot akarok csinálni. Olyat lehet csinálni hogy az egyik graetz ezekből a duokból áll a másik pedig 4 db byx42ból? Azok 10A és 300V-ot tudnak.
Ha ilyen szimmetrikus tápot szeretnél, jobb lenne ha a diódák (is) egyformák lennének.
Most őszintén. Ezek mellett a dióda, ill. Graetc árak mellet, érdemes ötletelgetni?
Értem. Most az erősítőbe 4db byx-ből van graetz de javasolták hogy mivel a trafómon 2 tekercs van és nem megcsapolás így csináljam meg a tápot 2 graetz-el a földhurok elkerülése végett. Összesen 6 db byx-em van akkor abból veszek még 2-t és olyan lesz az össze. Ezek meg jók lesznek máshova
A reduktorfeszültségek mellett, fontos adat a tekercsek áramterhelhetősége. Az összteljesítmény a 110VA ez megoszlik a tekercsek között. Mérj huzalátmérőt, abból következtethetsz.
A BUK kapcsoló tranyó tudtommal. A híd az olcsó manapság. Az elkók közzül a magasabb fesz.tűrésű használható, főleg ha 2-2 van belőle.
Rakd össze nyugodtan felemás graetz-ekkel, próbáld ki megfelelő mértékben csökken-e a búgás. Siker esetén ruházz be esztétikailag is elfogadható egyenirányításba.
Az a két byx már nem fog földhöz vágni. Jelenleg 6db-om van veszek még 2 -t és azokból csinálok 2 hidat.
Jo estet.
Van egy 400Va trafom ami lead 2*31Vac. Az lenne a kerdesem hogy nekem ehez valaki tudna ajanlani egy erositot ami lead korulbelol 2*150w teljesitmenyt. Azt mondtak hogy ez a trafo nemjo ket tda7294 nek. Valami otlet? Koszi a valaszt.
A TDA7293 hasonló tulajdonságokkal bír mint a 94 csak nagyobb tápfesszel is hajtható.
Ajánlok egy Vf2-őt: Bővebben: Link
Sziasztok.
Az az ötletem támadt hogy jó lenne konstruálni valami kütyüt ami bír drc (dynamic range compression) magyarul (éjszakai üzemmód) funkcióval. Aminek vagy toslink/coax vagy sima analóg hangbemenete lenne , bár azt hiszem hogy erre a drc képes erősítők is csak digitális bemeneten képesek. Az a nyűgöm hogy van egy stb-m amivel ha hbo-ra kapcsolok akkor elképesztő nagy a dinamikatartomány , beszéd érthetetlenül halk de a hangeffekteknél meg kiszakad a tv hangszórója és ezek közé szeretném betenni ezt a cuccot. Ötlet valakinél? vagy hadjam a fenébe mert baromi bonyolult?
A huzalátmérőt nemnagyon fogom tudni megmérni, de megpróbálkozok vele.
Az elkókból mind kettő kettő van, az semmilyen uton módon gondot nem okoz. Az hogy a BUK típusú FET kapcsoló tranyó, azt tudom, megnéztem az adatlapjukat. Csak erre a célra használhatók? Mi ennek az oka, ha igen?
Szia!
A Google lesz a te barátod. Itt egy passzív: Passzív kompresszor Itt egy aktív: Aktív kompresszor Egyébként meg itt mazsolázhatsz: Google
Üdv! Mennyi egy erősítő maximális hőmérséklete? Hány °C-ig egészséges és mi az amit még elviselnek? (tervezek beiktatni egy hőbiztosítékot a bordára csak nem tudom mekkorát kéne)
Szia! A határértékek a félvezető lapkájára vannak megadva, a borda ettől biztosan hűvösebb. ~70°C-nál biztosítsd.
80°C-os biztosítékom van itthon, az is megteszi?
(am szerintem nem fog túlmelegedni, nem tervezem neccesre a borda méretét, inkább kis ráhagyással)
Biztosan jó lesz. Ez ott érdekes igazán, ahol kényszerhűtés van és megáll a venti, vagy valami elfedi a szellőző nyílást.
Sziasztok!
Tudnátok nekem ajánlani valami nagyon jó erősítőt, ami nem igényel túl sok alkatrészt, vagy ha igen akkor van hozzá nyákterv meg beültetés és alkatrész lista. Teljesítményben 250w ra gondoltam. 2.1 es hangrendszert szeretnék építeni. Kéne még egy 400w os, de max 450w os erősítő, ha lehet akkor mindjárt szubwooferes, de ha nem az se baj. Most pedig, hogy miért kérdezem a profikat? Miért nem keresek saját magam? Én nem vagyok nagy szakértő, nem látom még úgy, hogy melyik működik biztosra és melyik nem. Nem próbáltam még ekkora teljesítményűt soha, de soha. Továbbá tudom, hogy ha itt kérdezek akkor kielégítő választ kapok.
Szia! Figyelemmel kísértem a DoZ építésedet. Súlycsoportodnak a TDA7294-et tartom megfelelőnek. Pár kiegészítő alkatrésszel nagyon ütős erősítőt lehet belőle fabrikálni. A wattokat nem kell túlságosan hajszolni. 100-200W-tal, pláne 3 csatornából ijesztő hangnyomást lehet kihozni.
A részlekért látogass el ide.
Zen erősítőt kezdtem el összedobni, ha én egy 220! voltos 200 wattos izzón 10 ohm-ot mértem kezdeti ellenállásként akkor azzal mekkora erősítésre számíthatok 24, 48, 80 volton ? Az aktív elem egy darab mosfet. (ha tehetném akkor JFET-el építeném meg)
Sziasztok!
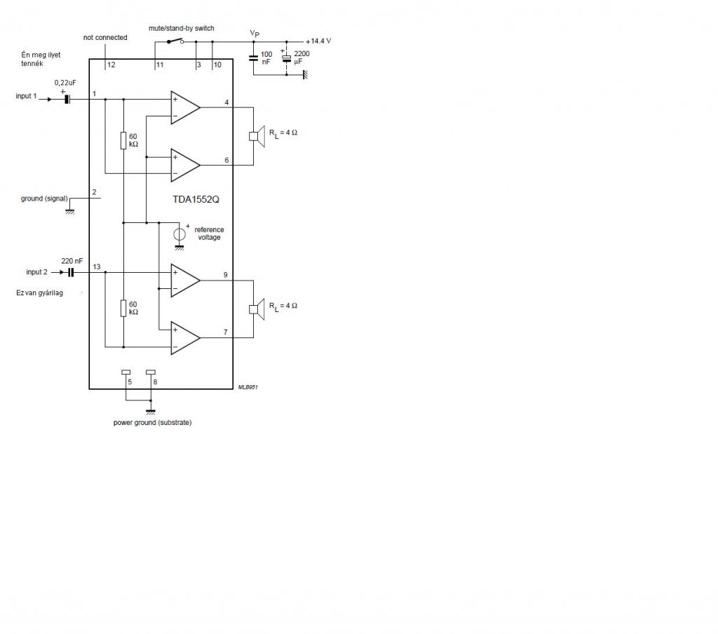
Van egy tda1552q tipusu ic a bemenetnél 220nF fólia van ki lehetne cserélni 0,22µF elkóra?
Mert nincs kerámia kondim csak elkóm
Igen van polaritása itt a kép
Köszönöm.
Lenne egy kérdésem van a gundig erősitőm rá tetem a disckmant és nem szól a disckman nen a hangerő koppon van az erősitőt is kopra kel hogy tekerjem hogy egy kicsit szoljon. mit lehetne vele tenni hogy jó legyen? Próbáltam a lemezlejátszó bemenetére kötni kis hangerővel de oda sok.
Az erősitő bemenete jó mert a számitógép müködik róla a vezetékeim mind gyáriak. A disckman nek gyenge a kimeneti jele.
Csak egy kimenete van a disckmanak a füles.
Szia
Találkoztam már olyan Sunyi meg Panaszkodik diskmannel ami csak akkor volt hajlandó rendes jelszintet kiadni, ha legalább 100 ohm-al terhelve volt a kimenete.
Értem, akkor azt hiszem ideje lesz egy másik után nézni, ami talán jobban kielégíti a felé támasztott elvárásokat.
Köszi! Tudom nem ide tartozik, de a logaritmikus LM 3915-9s ic-vel megvalósított jó lehet erre a célra?)
Hello! Olyan erősítőre lenne szükségem ami 70 és 100w közötti teljesítménnyel bír. Igazából kis klubbokban játszunk a zenekarommal és énekhangosítási célokra lenne. Eddig néztem TDA1562Q és a TDA7294 ic-s erősítőket, valamint a stereo an17830a ic-s erőssítőt. Ezkkel a bajom csak annyi volt, hogy 1562Q-ba nagyon drága lett volna az IC, a 7294-hez nagyon nagy tápfeszültség kellett volna, az an-es erősítőt pedig meg is építettem, működött is de kb fél óra használat után felmondta a szolgálatot, pedig csak zenehallgatás céljára használtam. Tehát ha lehet ilyet mondani, egy olyan ic-s erősítő kellene ami max 25 voltról elmegy, strapabíró, és nem olyan drága. És még egy kérésem ha lehet, hogy mivel a nyáktervezésben nem igazán vagyok otthona, egy beültetési és egy nyákrajzot is szeretnék hozzá kérni. Előre is nagyon szépen köszönöm a segítséget!
|
Bejelentkezés
Hirdetés |











