Fórum témák
» Több friss téma |
Fórum » Inverteres hegesztőtrafó
Ez igaz lenne, ha egy Maci szinuszos áramot venne fel a hálózatból. Sajnos, nem azt vesz fel, hanem jó nagy csúcsáramokat. Miután 3 f van, ezek a csúcsáramok 120 fokra egymáshoz képest még el is vannak tolva. Vagyis nagyon ronda, felharmónikusokkal terhelt áram fog folyni a nullavezetőn.
A lakosok persze, hogy nem törekednek a 3 f szimmetrikus terhelésére. Erre az Elmű kényszerül rá, különben az erőműben a generátorok erősen aszimmetrikusan lesznek terheve. Ennek az az eredménye, hogy csillagponteltolódás lesz, nem lesz egyforma a 3 fázis feszültsége, stb. Ezt nagyon nem szeretik a generátorok.
Ha már 3f lenne a batáp, akkor meg lehetne próbálkozni a következővel:
Egy háromfázisú graetz-cel egyenirányítjuk a hálózatot, a plusz/minusz kapcsokra rátesszünk két sorbakötött kondit, mondjuk ugyanakkorát, mint a Maciban szokásos. A kondik közepére bekötjük a 3f-ú betáp nullavezetőjét. Ekkor, a nullavezetőhöz képest lesz egy plusz 320 V és egy -320 V-os tápfeszültségünk. Mindegyik tápfeszre ráteszünk egy komplett Macit. A Macik kimeneti fojtótekercse közösen dolgozik a munkakábelre, vagyis mondjuk 2 x 150=300A kimeneti áram lesz. Ennek a megoldásnak csak egy igazi hátránya van: kell hozzá a hálózat nullavezetője. A nullavezető fogja nagyjából kordában tartani a Macikat, ha nem egyformán viszik a terhelőáramot, akkor némi egyenáram fog folyni a nullavezetőn. Ez elég sok problémát okoz, de azért ez az egyenösszetevő nem lesz akkora, hogy ez gondot jelentsen, mondjuk az utca végében levő oszloptrafónak. ( biztos ki lehet rá találni valami szabályozókört, ami ezt az egyenösszetevőt igyekszik nullán tartani ) A másik probléma, hogy elég ronda, felharmónikusok áramok fognak folyni a nullavezetőn, de hát eddig is ugyanolyan ronda áramot vett fel egy Maci. Ahhoz, hogy ez szép szinuszos legyen, elég sok mindent meg kellene csinálni, de ez már nem a hobbikategória lenne. Ráadásul, a gyári, egyfázisú gépeknél sem tesznek semmit a jobb teljesítménytényező érdekében. Ezzel nem kell foglalkozni... A Macik szabadon mehetnek a saját frekvenciájukkal, mindegyiknek ott a saját áramkorlátja ( áramszabályozója ) legfeljebb egy kicsit összevissza hangja lesz az ívnek, ahogy interferálnak az áramok. ( egymáshoz képest biztosan változnak egy kicsit a frekvenciák, ezt biztosan lehetne hallani. ) Ehhez tényleg kettős poti kellene, hiszen az áramot egy poti állítja, ami úgy működik, hogy az áramváltó jelét leosztja és ezt érzékeli a vezérlő ic. Ezzel csak az a baj, hogy a kettőspotik együttfutása nagyon roszz. ( ami jó sztereóra, az ide kevés ) De meg lehet csinálni azt, hogy egy poti legyen és a szimmetrikus kimeneti áram beállítható legyen. Igazából az lenne a jó, ha a Macik együttfutnának frekvencia szempontjából, vagyis valahogy össze lennének szinkronizálva, de úgy, hogy 90 fok fáziseltolódás legyen közöttük. Ennek az lenne az értelme, hogy az ív kétszeres frekvencián menne, tehát, ha azt akarjuk, hogy a kimeneti áram hullámossága ugyanakkora legyen, mint egy szimpla Maci esetében, akkor fele akkor induktivitású fojtók elegek lennének a kimenetre. Ehhez sajnos hozzátartozik az, hogy a tranyók csúcsárama nagyobb lesz... Lehetne a segédtápjuk közös. Nagy előnye lenne, hogy elég a 600V-os IGBT is.
Hello
kaptam sok jó alkatrészt amiből lehetne építeni egy inverteres hegesztőt. Igazából a kihívás miatt szeretnék építeni ilyen nagy tápot. Ki is néztem egy rajzot. Ezt milyennek találjátok? A különbség nálam az lenne, hogy nem IGBT-t hanem Fet-et használnék (mert az van). A nagy trafó szekunder oldalán mekkora feszültség elfogadható? Azért kérdezem, mert az én nagy trafóm szalaggal van megtekerve és örülnék ha bele férne a szórásba és nem kellene át tekerni. A másik a védelem kérdése. Gondolom a legfontosabb a hővédelem és a túláram védelem. Erre milyen megoldást tudtok javasolni?
Remélem rajtam kívül más is válaszolni fog. Milyennek találom? Egyszerűnek és nagyszerűnek.
A szekunder feszt két dolog határozza meg. Az egyik hogy mekkora áramot szeretnél, a másik pedig az ívfogás. Ha 55-60V-ra tekered picivel nehezebben tudsz ívet fogni, de brutális áramot vehetsz ki belőle. Ha pedig 80-85V-ra, akkor könnyebb lesz az ívfogás de kisebb áramot vehetsz ki belőle, mert nem terhelheted túl a feteket, illetve a 16A-es automatát (ha az van). A védelmek hozzáépítése roppant egyszerű. Az IC FB lába jelenleg a földön van. Ha oda 2V-nál magasabb feszültséget kapcsolsz, akkor leáll. A túláram védelem pedig maga az áramkör, mivel a csúcsáramra szabályoz. A gyakorlatban ez azt jelenti a méréseim alapján, hogy a beállított áram maximum kb. 20-25%-ot hajlik ki. Tehát ha beállítasz a potival mondjuk 100A-t, akkor 125A-nél több biztosan nem folyik a kimeneten zárlat esetén sem.
Nem kellene 2db teljes MACI. Elegendő lenne 2db maci végfok (+trafó, stb) közös vezérléssel. A nulla eltolódása nem lesz gond - sőt be sem kell kötni (vagy csak ellenálláson keresztül)! Ugyanis amelyik oldal nagyobb árammal akarna menni annak picit lecsökken a tápja (a másiké pedig növekszik emiatt) és máris kiegyenlítődik az áram.
Ezt egyszerüen a kimenet párhuzamos / bemenet soros kapcsolása meg tudja oldani! Amúgy pedig a 2db maci végfok akár közös trafóra is dolgozhatna, csak két primer tekercs kell rá - és közös vezérlés! Ez esetben szintén nem lenne számottevő asszimmetria.
Azt írtam, hogy közös lehet a segédtáp, ebből következik, hogy a vezérlésük is közös lehet.
Az a baj, illetve tapasztalat, hogy csináltunk pár darab ilyen jellegű tápegységet, ahol hasonlóan meg volt felezve a betáp. Igaz, hogy csak DC volt, de rövidzárban nem volt stabil. Vagyis, rövidzárban a kondik felezőpontja elmászott, nem tudta tartani a középpontot. Egy trafóra dolgozott, tulajdonképpen két db förward volt, két primerrel,teljes hidas vezérlő ic-vel, így meg lehetett csinálni, hogy a trafó mindkét irányban volt mágnesezve. Szerencsére akkutöltőnek kellett, tehát nem kellett kibírnia a rövidzárat. ( A fura az a dologban, hogy szimulátorban viszont nagyon szépen megy, akármilyen üzemben... ) A másik dolog, hogy ez a rendszer már nem a hobbielektronikába való... ezért gondoltam, hogy legyen a Maci, kicsi átalakítással, mert annak az építése itt már egész jól megy. Bemérni is egyszerű, mert nem kell rögtön a 3 f-ú táp, a primer oldalon párhuzamosan lehet őket kötni, aztán lehet egyformára állítani, stb.
Jogos.
Manapság trafós IGBT meghajtás esetén viszont lehetne akár 1000V-.os IGBT-t is használni, és akkor nem gond a nagyobb (akár 640V-os) táp sem, és egyúttal kisebb áramok folyhatnak primer oldalon. Ez mehetne egy fázis+nulla -ról kétszerezővel, de akár 2 fázis+nulla -ról, vagy 3 fázisról is! Éppen elgondolkoztam, hogy az önrezgő tápokat is lehetne kétszerezőről próbálgatni, és akkor pl. PCtrafóval is lehetne 2x48...50V-os tápot építeni áttekercselés nélkül. 800V-os FET ma már könnyen beszerezhető.
Eszembe jutott, régen tanították , hogy az asszimmetrikus terhelések (pl. lakossági leágazások) esetén zegzug kapcsolású a trafó szekunder oldala, illetve a nagyfesz oldalon a többszörös csillag-delta transzformálás is egyenletesebbé teszi a terhelést.
Kiváncsi lennék a HE-n (rajtad kívül) vajon hányan tudják milyen az a zegzug kapcsolás?
A szekunder tekercsek valamilyen speciális (talán kettébontott) csillagkapcsolása. Annak idején tanultuk elektrotechnikából, de ki emlékszik már arra...
Sziasztok!
A hegesztőmben elszállt a meghajtó trafónál lévő 1N5819-es dióda. Ez van a 4-es tekercsnél. Gondolom bármi más schottky jó ide. Sajnos nem találtam itthon ugyanolyat és ennyiért elmenni a boltba nagyon nem éri meg. Érdekes dolog az is, hogy miért szállhatott el. Egyszer csak bekapcsoltam és nem indult el, semmi led nem világított. Szétszedtem és segédtápnál zárlat. Végigkövettem, hogy hol lehet a gond, végül ráakadtam erre. Ezt kivéve zárlat megszűnt, dióda átment vezetőbe. A hozzászólás módosítva: Szept 28, 2012
Idézet: „Kiváncsi lennék a HE-n (rajtad kívül) vajon hányan tudják milyen az a zegzug kapcsolás?” Hüm.....
Trafós gatemeghajtás? Hm... be kell vallanom, még sosem használtam IR ic-t ilyen célra. Még D osztályú erősítőbe is diszkrét alkatrészekből csináltam ...
Zeg-zug? Hát valamikor tanultam, de sosem kellett. Viszont nem olyan bonyolult kitalálni, ha ilyesmire van szükség. De a DC összetevőt az is utálja, úgyhogy csak óvatosan vele. Azért biztosan vannak itt, akik nálam sokkal jobban értenek hozzá. Nekem ez csak periféria. A nagyobb fesszel nagyon sok probléma kerül előtérbe. Már eleve a bemérőtáp. Kell ugye egy toroid... ha nagyteljesítményű a kütyü, akkor ez egy elég drága dolog. Ugye, nem baj, ha van szigetelőtrafó is... a szkóphoz kell egy 100-as mérőfej. Ez is nagyon drága. A kütyüben a kapacitásokon a nagy du/dt miatt jó nagy áramok mehetnek, emiatt zavarérzékenyek lesznek... szóval, vannak gondok. Ha kell egy segédtáp, mondjuk egy olyan, ami 400...900V-ig megy, hát, nem egyszerű eset. Szóval, nem szeretem a nagyfeszt...
Nézz vissza pár oldalt.Én beleraktam egy pc táp dobozába.Ott le van írva a hővédelmet,hogy lehet meg oldani.Áramvédelem?Az nincs,mert itt áram szabályzás van,védelemnek be raksz egy kismegszakítót,bár semmit nem jelent a gép védelmében.Csináld meg.Ennél egyszerűbb gépet szerintem nem találsz,köszönhető,GeLee fórumtársnak.Fetek mehetnek bele,nekem 80KHz megy,E55 vason.65V kimenő fesz,100-110A.A 3,25 pálcát még el tudom gyalulni vele.
A Kemény magnak mondom.Nekiálltam a pic kes gépnek.
Méregesd meg inuktivitásmérővel, és ki fogod tudni számolni a frekit amire kell állítani az IC-t. Az IC adatlapban benne van minden. Megjegyzem brutál a masina...
Sziasztok
Egy kis adalék a 3fázisu egyenirányítóitokhoz. A hozzászólás módosítva: Szept 29, 2012
Sziasztok!
A macihoz épített kiegészítő panelt javítgatom éppen, mivel eddig nem ment a leragadásvédelem rajta. Most sikerült életre keltenem, de annyira leszabályoz, hogy a kimeneten szinusszá alakul a négyszögjel. Nem is ez a lényeg, mert arra is megvan az orvosság. ![]() A kiegészítő panelon van némi hiba. A DD1.2 és DD1.3 között lévő dióda katódjának a DD1.2 felé kell néznie, pont fordítva, mint most. A DD1.2-es 5-6 lábához csatlakozó 100k-s ellenállást csökkenteni kell 47k-ra, hogy működjön a letapadásvédelem. Ezután pedig a meghajtó fet gate-jére csatlakozó 2k-s megcsillagozott ellenállást kell változtatni(ha kell) úgy, hogy pont annyira szabályozzon vissza, hogy a kimeneten még szép jel legyen. Nos épp ezt fogom én is csinálni, mert ezzel az értékkel annyira visszaveszi a kitöltést, hogy a kimeneten már csak torz szinuszjel van. Az ellenállás növelésével lehet csökkenteni a visszacsatolást, és ezzel növelni a kitöltést addig, hogy a kimeneten már rendes négyszögjel legyen. Én még a vezérlő IC 1-es lábára csatlakozó 33Ohm-ot is cseréltem az eredeti macis rajzon lévő 1,2k-ra.
Dobd már fel a rajzot mert így nem tiszta hogy mit csinálsz.Én nem tudok olyan rajzról ahol az egyes lábra 330ohm megy.
Itt a rajz. Még régebben Erdgab tette fel, de nem igazán foglalkozott vele senki. Bővebben: Link
Sajnos sikerült ellőnöm mind a 4 IGBT-t. Csak az okát nem tudom. Szépen összeraktam a gépet, minden jó volt, bekapcsoltam ment is, kimeneten 50V. Na akkor nézzük munka közben. Már az első érintésnél feltűnt, hogy csak szikrázik, mintha nem lenne elég áram, olyan volt, mint amikor a tápegység két végét szikráztatom. Áramot fentebb tekertem, egyszer fogott is ívet, de nagyon gyenge volt. Második kísérletnél viszont minden elhallgatott. Saját megszakítóját is leverte és a házban a bejövőt is. Főpanelt kivettem, az összes IGBT zárlatos. Most megyek és szétlakom jobban a gépet, megnézem nincs-e valami hiba még valahol.
A hozzászólás módosítva: Szept 29, 2012
Mit is mérjek meg induktivitás mérővel? A primer és a szekunder induktivitását? Ahhoz tudni kellene a menetszámot, vagy a pontos Al-t. Erre a magra csak az van írva, hogy M2TN semmi más. Nincs hozzá sehol ilyen adatlap.
Azt tudom, hogy E55 ös dupla trafó a keresztmetszete 7cm2 Ez egy 2 tranyós forward tápban volt, aminek a primer feszültsége 300-310V körül lesz. A szekunder feszt csak egy félhidas táppal tudtam kipróbálni azzal durván 100V jött ki. Tehát ha ezt a trafót ráteszem a fullhidas tápra akkor 200V lesz a kimenetén. Ez nem jó. Csak át kell tekernem. A táp amiből ez való 54KHz-en ment szerintem ezt veszem alapul, de ki fogom próbálni a mag terhelés nélkül mit szól hozzá. A hozzászólás módosítva: Szept 29, 2012
Most olvasom, hogy más hegesztőhöz használnak kiegészítő áramkört.
-Indításkor megnöveli az indító áramot. -Vagy megnöveli a hegesztő áramot, ha bele ér a pálca az olvadékba. -Vagy meggátolja a letapadást. A Te cuccod nem érzékeny és nem kell hozzá? Vagy ezt később rá ér mindenki tuningolgatni? Azt szeretném még meg tudni, hogy terhelés alatt mennyire esik vissza a primer DC fesz a tápban? A nagy teljesítményű trafónál mekkora áramsűrűséggel számoljak?
Sziasztok !
Egy kis segítség kellene. Kaptam ajándékba egy hegesztőtrafónak látszó tárgyat. Semmilyen kimenetre nincs ráírva hogy mit kell odakötni. Hová kell a 220, és hogy tudok erősséget váltani ? Köszi a segítséget.
Valóban egy hegesztőtrafónak néz ki.Szerintem a szekundere a 2 kivezetéses (M8 csavarok) tekercs.A primer kiméréséhez kellene műszer,a legnagyobb ellenállású kivezetés lesz a tekercs két vége s egyben a legkisebb fokozat.Ha a "logikát" követném akkor a 4 csavar egy sorban a fokozatok,alattuk az egyes a tekercs vége.Tehát a 230V AC az egyedüli csavarra és valamelyik fokozatra kötendő,az M8 csavarokra pedig a hegesztőkábelek.Tessék vigyázni,érintésvédelemre odafigyelni! Ajánlott egy zárt doboz építése és fokozatkapcsoló beszerelése,természetesen,szellőzőlyukakat lehet fúrni a dobozra.
Ritka a telepatikus kolléga,de ha vaki az majd válaszolni fog,hogy melyik kivezetést hova kösd.Na jó,a két vastagabb kivezetés a munkakábel,a vékonyabbak a tápfesz,erősséget meg a potival tudod szabályozni.
Nekem ilyenekre eddig nem volt szükségem, de ehhez is lehet hasonlókat csinálni csak másképp kell megoldani mint az együtemű esetében. A rajz adott, felőlem addig bonyolítod ameddig akarod, akár számítógépet is tehetsz bele.
Hegesztés közben a DC olyan 270-275V körül van, 2-3db 470µF-al. A huzalt inkább csak saccoltam, olyan 7-8A/mm2 simán mehet. Ha jól emlékszem akkor 4db 0,8-as a primer.
Helló mindnkinek
Nos elkészültek az új paneljaim Tubi kolléga tervei alapján.Egy pár apró változást eszközöltem,mivel nekem ksebb áram kell.A szabályzó potira 1 kilós ellenállást tettem kezdésnek.A freki beállításhoz 3.3 nano került a rajz alapján,mivel nekem 35 khz körül kéne menjen a gép.Az igbt-k 20n60a4d 2-2 darab oldalanként.Hfa diódákat vettem újakat.A kimenő diódákat kimértem nem zárlatosak.A graetz híd is jó.A főtrafót és a kimenő folytót egyenlőre nem háborgatom.A leválasztó trafót és az áramváltót ujratekertem.Ha sikerűlt bedobozolnom a cuccost ujra megpróbálom életre kelteni a kicsikét
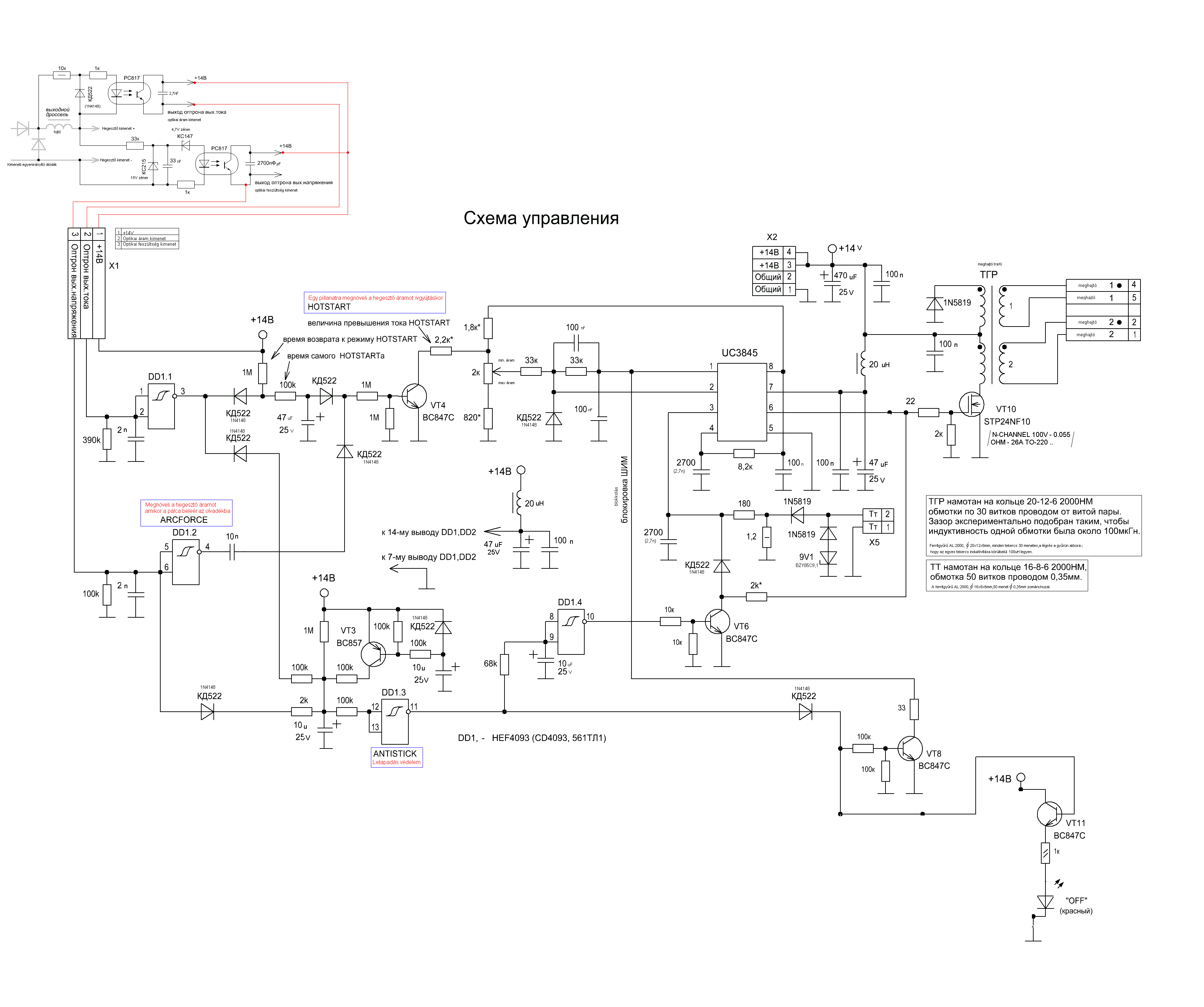
Az a kapcsolási rajz amit ide tettél nem egyezik meg azzal a géppel amit én csináltam! A drossel nek a + ágban kell lennie, ha azt a vezérlést használod amit én terveztem! a kisegítő áram körök miatt! ARC-FORCE, HOTSTART, ANTISTCKING
Ez a kapcsolása!
|
Bejelentkezés
Hirdetés |





A szekunder feszt két dolog határozza meg. Az egyik hogy mekkora áramot szeretnél, a másik pedig az ívfogás. Ha 55-60V-ra tekered picivel nehezebben tudsz ívet fogni, de brutális áramot vehetsz ki belőle. Ha pedig 80-85V-ra, akkor könnyebb lesz az ívfogás de kisebb áramot vehetsz ki belőle, mert nem terhelheted túl a feteket, illetve a 16A-es automatát (ha az van). A védelmek hozzáépítése roppant egyszerű. Az IC FB lába jelenleg a földön van. Ha oda 2V-nál magasabb feszültséget kapcsolsz, akkor leáll. A túláram védelem pedig maga az áramkör, mivel a csúcsáramra szabályoz. A gyakorlatban ez azt jelenti a méréseim alapján, hogy a beállított áram maximum kb. 20-25%-ot hajlik ki. Tehát ha beállítasz a potival mondjuk 100A-t, akkor 125A-nél több biztosan nem folyik a kimeneten zárlat esetén sem.














