Fórum témák
» Több friss téma |
Annyit sejtek, hogy ahonnan van ott nagyon komoly műszereket gyártottak,ezek is egység csomagba vannak
Hello! Ezt egy mikrohullámú triódának nézem. üdv! proli007
BAT760-assal szerinted érdemes lehet próbálkozni? az viszonylag könnyen beszerezhető
Nem jó helyette, mert ez a BAT csak 20V-ot visel el, míg az eredeti 40V-ot.
t*aláltam SD103AWS-7-F típusút a neten. gondolom az lesz az
* T A hozzászólás módosítva: Jan 3, 2013
Igen, az lesz az.
Sziasztok!
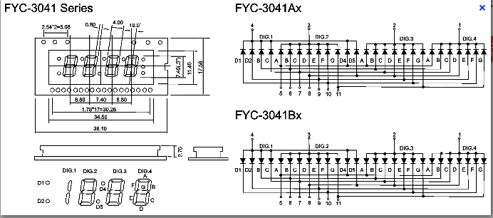
Meg tudnátok mondani, hogy ez milyen kijelző lehet. Szeretném programozni, persze ha lehetséges. Az oldalára ez van írva: E1 - 4039AHR10 bocsi a kezdetleges rajz miatt
köszönöm a segítséget
ja, azt nem írtam oda, hogy 12 lába van
Sziasztok!
A következő kérdésem szerintem belefér ebbe a témába, még pedig a képen látható tranzisztorpárról (2sc3281, 2sa1302) mi a véleményetek? Személy szerint 1302-őt csak zöld színben láttam, fehér írással, nem tudom, hogy létezhet-e fekete tokban is, arany betűkkel? A forrasztáson nem látok semmit. A 3281-nek pedig kék színűek a lábai, ilyennel sem találkoztam még. Sajnos csak a tranyók miatt kellene ezt az erősítőt megvennem, de tanácstalan vagyok. Köszönöm előre is A hozzászólás módosítva: Jan 3, 2013
Nem tudom mennyiért árulják ezt az erősítőt, de a tranyókat lehet kapni. 400.-Ft/ db.
A hozzászólás módosítva: Jan 3, 2013
Hello!
Ez egy digitális óra kijelzője, ami elég speciálisan van bekötve a cél a minél kevesebb láb alkalmazása, négy digitre. De itt a multiplexelt vezérlést, a hálózati trafóra bízták és a vezérlést ahhoz is szinkronizálják. Általában a mellékelt bekötés szerint vannak a szegmensek összekötve. üdv! proli007 A hozzászólás módosítva: Jan 3, 2013
40000 Ft.
Ilyen számú tranzisztort lehet kapni, csak ezeket az eredetieket nem. Szinte csak hamisítvány van belőlük amiben a kristány 2*2 mm, az eredetiben 4*4 mm és gondolom párba is lettek válogatva ami egy erősítőnél (class A, 2*40w) nem elhanyagolható szempont.
Csak hát ugye te sem vagy biztos a vásárlandó tranzisztorok eredetiségében. a HQ több fajtát is árul, többek közt TOSHIBÁT is. Én csak segíteni akartam. A döntés a tied.
Sziasztok!
Kezembe akadt egy alkatrész, 76A50G a száma, de nem találok róla semmit. Mire jó tudjátok?
Lehet, hogy egy 5V LDO? Milyen tokozás? Képet mutass!
Igen, pontosan ezekkel a Motorola tranzisztorokkal raktam össze még tavaly, ráadásul egy-két ellenállás ami mellettük elszállt, ugye azokat is cserélnem kellett és a túloldalon is
tükörképére cseréltem ugyanazokat a ellenállásokat, pedig ezek jók voltak. Ezekből is Riken Ohm ellenállásokat vettem, darabja majdnem egy ezres volt. Egy oldalon 2 pár tranyó van és a munkapontjukat nem lehet egyforma értékre beállitani gondolom azért mert nincsenek párban. Egyszóval nem olyan hangja, mint volt.
Helló! Valaki tud nekem abban segíteni, hogy milyen dióda lehet az, amire ez van írva:
RL 36A C544 ? Ezekkel az értékekkel nem is találtam hasonlót, esetleg mivel lehetne kiváltani? Am ez egy fűtés vezérlő paneljében van, és elfüstölt :S Előre is köszi!
Üdv!
Érdeklődöm,hogy valakinek elfekvőben akadna-e esetleg STA540SA típusú végfok IC-je??? Karácsonyra vásároltam nagyfiamnak egy tip-top állapotú SAL Stereo aktív HF-párt.Ha meg lett volna hajtva, akkor azt mondom,okés-leégett.De alig,kis hangerőn el kezdett torzítani és vége lett.Szétszerelés után láttam,hogy még a pedről is lesült a lakk egyik lábnál.Mielőtt vettem az előző gazdája sem hajtotta,csak PC-hez használta.Kerestem több üzletben (net-en is),de "kifutott termék",vagy nincs . Előre is kösz a segítséget!
"Itt-ott" elvileg kapható, 3-6 USD körüli áron...
Itt például egy, a kérdezett alkatrésszel kapcsolatos "találat": http://elektrotanya.com/?q=hu/content/sta540sa-vegfok-ic-keresese
Miért nem használsz LINK gombot?
Előbbi irományomat javítva a dióda 1.5 KE 36A C544
1.5KE36A
Tranziens suppressor, egyirányú, 36V/1500W. Kiváltani pont ilyennel lehet. Rendesebb helyek azért árulnak ilyet (Lomex, RET kínálatában van ilyen, "1.5ke36a" szövegre kell keresni).
Egyet értek exorcist hozásszólásával, talán ez SG6516-os táp ic.
Üdv: Feco
Üdv. Segítséget kérnék erről a dióda sorról. Hegesztő trafóból kiszedett CCCP B200 típusú diódák. Valaki tudja az adatait? A neten elvétve találtam néhányat de azért megkérdezem itt is. Azt írták, hogy 200A / 400V . Ha minden jól megy, akkor autó bikázóba lenne használva. Szerintetek megállná ott a helyét? Köszönöm előre is.
nekem is a kezembe kerult (lasd a kepet), tapnak nez ki , de nem tudom mi az , ha valakinek mar jart a kezebe egy ijen segitsen megfejteni a 2 tejesitmeny tranyo buv47
Bővebben: Link
Idézet: „CCCP B200 típusú” Az a "CCCP", az nem a típusa... hanem a gyártó ország neve (volt)... ![]() Szóval a "megfelelő" karakterekkel kell keresni: Bővebben: Link Némi cirillbetű-ismerettel a találatokból ki lehet silabizálni, hogy 200A, és többfajta feszültségszintű verzió volt belőle (a -7 végű pl. 700Voltos).
Egészen biztosan. De ha ideírtad volna a rajt lévő jeleket az oroszos mágusok pontosabban is meghatároznák. Vagy fotó, amin láthatók.
|
Bejelentkezés
Hirdetés |


















