Fórum témák
» Több friss téma |
Az emitterekkel sorba szokták kötni őket. Akkor amelyiken nagyobb áram folyik, azon nagyobb feszültség esik, ami viszont zárni akarja azt a tranzisztort, így próbálják lecsökkenteni a köztük levő erősítésbeli különbségeket, magyarán egyenlőbben oszlik meg köztük a teljesítmény, mint ellenállások nélkül.
sziasztok én szeretnék csinálni egy Dc - Ac invertert 50Hz-re. 9-12V egyenáramból 9-12V váltóáramot kellene csináljon ha tudtok légyszi segítsetek rajzzal vagy infoval
Négyszög vagy szinusz jelel működjön?
Sziasztok,
Szeretnek egy 1-2 kw kozotti invertert kesziteni napelemekhez. Na most ehhez kernek tanacsokat. Az input mennyi legye? 12-24-36-48V Hogyha konnyebb kisebbet csinalni akkor lehet olyat csinalni amit majd lehet parhuzamositani a teljesitmeny erdekeben? Egyelore ennyi ![]() Udv, Bandi
Lehet, csak az már szabályozástehnika témaköre. Úgy kell csinálni hogy közös alapjelről menjen.
Minél nagyobb az input feszültség azonos kimenő teljesítménynél, annál kisebb az áram, annál kisebbek a veszteségek, jobb a hatásfok. A feszültség felső határát a beszerezhető aktív elemek áram, és feszültség tűrése korlátozza, ami az árakban is megjelenik. Jó kompromisszumnak tűnik a 48 V (az átvitel technikában elterjedten alkalmazzák) ezért sok aktív elem, viszonylag olcsón kapható. Persze ez nem szentírás, de ha eltérsz tőle bármely irányban, lehet sok problémád lesz.
A hálózati feszültséget előállító inverterek párhuzamos kapcsolása meglehetősen problémás, nem egyszerű dolog. A hozzászólás módosítva: Okt 4, 2012
Nem biztos, hogy elegendő az alapjel egyezősége. A kimenet feszültségének, frekvenciájának, és fázisának kell pontosan megegyeznie, és ezt csak szinkronozó áramkörrel lehet megvalósítani, ami tényleg a szabályozás technika témaköre.
A hozzászólás módosítva: Okt 4, 2012
Helló! Ezt próbálta már valaki? Mi a véleményetek róla?
Hasonlo boost konverter mar csinaltam, mas IC-vel, meg anno a csöves torzitomhoz.
Zajosnak talaltam, ezert egy felhidas tapegyseg lett a vegleges megoldas, IR2153 ic-vel. Az anod tapoknak joval a hallhato freki felett kell menni, az enyem 85 kHz- en megy.
Sima boost konverter, én anno 555-össel csináltam, meg valami random nagyfeszültségű fettel, végső soron nem emlékszem zajra. De az határozottan rémlik, hogy nagyon nem volt terhelhető. Egy max két kettőstriódát még talán ki tud szolgálni, de egy pcl86-ot már nem bírt, ott lett vagy 80V feszültségesés...Persze korrekten kéne a tekercset meg a kondikat is az áramhoz méretezni, de hát...Akkoriban a lelkesedés nagyobb volt...De szólt persze.
Kipróbálni ki lehet szerintem, nem tudom az az IC mennyire beszerezhető, de én egy szimpla 555-öt javasolnék oda. De az tény, hogy Bassmester félhidas megoldása korrektebb és jobban kézben foghatóbb, ott is egy IC, pár alkatrész meg 2 fet, trafó, egyenirányító..ámen! Bonyolultságra még egyszerűbb is! Zs.
A trafót szeretném elhagyni, ezért nem tetszik annyira az a megoldás :S
Miért zavar a trafó? A belinkelt kapcsolásodba nem trafó kell, hanem helyette egy combos tekercs. Szép nagy áramra szép nagy tekercs kell...
Erről mi a véleményetek? Kb 15W kimenő teljesítményt tud, és állítható.
Keres valami IC-est ezeket meg hagyd a fenébe...
Üdv
olvasgattam az itteni dolgokat de nekem viszont mégse épült fel a megoldás a bajomra, szóval nekem csupán olyan inverter kellene amiről autóban 12V-ról 35-50V ot és kábé 200VA-t tudnék előállítani ez is csak trafókkal oldható meg?Bármien megoldás érdekelne 4 csatornás erősítőhöz készítenék feszemelő-t mert keveslem a 20 W zenei teljesítmény na meg a hangszórók is min 80W-on éreznék jól magukat ![]() Előre is köszönöm a segítséget
Üdv. Építettem egy 555-el hajtott inverter kapcsolást amiben annyi változtatást tettem hogy hogy a kapcsolgató tranyók tip40-41 helyett bd243-44C-t tettem. A trafó primerén 140v körüli érték jön ki az aksi feszültségi szintjétől függően. Annyit nem értek hogy mért nincs meg a teljes fázisfeszültség? Viszont a célnak megfelel a dolog mert egy verseny simsonba lessz aksis gyújtásnak. Annyit elmondok hogy a trafó primerjét ha beterhelem 20w-al akkor a feszültség leesik 98v környékére ami már súrolja a lélektani határaim viszont a motor elmenne még vele, nem méregettem mekkora teljesítményt emészt fel egy 14ezret forgó simson gyújtása de remélem a 20w-os határt nem nagyon éri el
Azon gondolkodtam hogy valamivel a duplájára kellene emelni az 555 kimenetéről jövő kb 4.33v-os feszültséget és akkor már meglenne legalább a 200v a trafón. A hozzászólás módosítva: Nov 2, 2012
Üdv mindenkinek! Megépítettem a mellékelt kapcsolás, de nem úgy működött ahogy kellett volna. A trafó az 16V-os, és a hálózat felőli kimenetén nem volt meg a stabil 230V, vagy is nagyon nem is tudtam mérni mert ingadozott.
Köszi!!!
Ha 16 V-os a primered és 12 V-ot adsz neki, hogyan vársz el 230 V-ot a kimeneten? Gyanús a rajzban, hogy miért egyforma mindkét kimeneti meghajtó tranzisztor. Sokat semmiképpen ne várj el tőle.
Helló! Bocsi rosszul fogalmaztam. A kimeneten valóban nem várok 230V-ot, hanem jóval kevesebbet, de az sem volt stabil. A két tranyó meg azért egyforma mert Darlingtonba kötöttem.
Az lett volna a csoda ha úgy működött volna ahogy kellene. Ellenüteműt kell használni, és a tranzisztort el kell felejteni ilyen alkalmazásban. Ez egy gyári autóstáp rajza, nem nagy durranás de kb. 250W kijött belőle. Itt 28kHz-en megy, de menni fog 50Hz-en is.
Sziasztok! Találtam egy vissza csatolt pwm inverter kapcsolást és meg szeretném építeni. A kérdésem az volna hogy én a 2n6277 helyett irf 3205 alkalmaznék ebből 2-2 darabot 1000Wattosra tervezem. az irf rendesen kapcsolna vagy a tip122 helyett valami más megoldást alkalmazzak?Köszönöm előre is És még annyi hogy a D1,D2 helyére elég lenne egy 1n4007 diófa?
A hozzászólás módosítva: Nov 29, 2012
A 2N6277 egy BJT, az IRF3205 meg egy FET. Ha FET-et akarsz egy BJT helyére rakni, akkor a kapcsolást át kell alakítani. Ha nem igazán értesz hozzá (valahogy ez jött le a kérdésedből), akkor javaslom, keressél inkább olyan kapcsolást, amiben FET van.
(További probléma, hogy egy pár IRF3205 nem is biztos, hogy üzembiztosan elég lesz a feladathoz.)
Köszi a választ!gondoltam hogy kell valami fet meghajtó még hozzá,de most már így biztos vagy.Találtam a hestornál egy MJL21194 típust 250V 16A 200W az akkor jó lesz gondolom. És meg kérdezhetem miért nem jó amúgy az irf az ilyen kapcsolásokra? Amúgy ha tudnál valami egyszerű megoldást az irf meghajtására azt is meg köszönném mert már meg rendeltem és nem volt valami olcsó
amúgy jó ez a kis kapcsolás nem de?
Az IC emitter kimeneteit lekötöd a földre egy 330-470 ohmos ellenálláson keresztül. Ezután beteszel mindkettőre egy komplementer emitterkövetőt, mondjuk BC327-337-ből, vagy 639-640-ből. Ezekkel már közvetlenül meghajthatod a feteket, egy ellenálláson keresztül.
Helló annyi kérdésem lenne még hogy a bc337 collektorát az ic emiter 1-2 re rakjam vagy a 12v/24v bemenetére?.
Úgy látom eléggé kihalt a rendszer,pedig olcsóbban össze lehetne rakni egy komoly áramátalakítót mint egy boltit.Pontosabban egy olyan invertert ami 50év múlva is inverter lesz, nem úgy mint a gyári ami ki van élezve, ezáltal könnyen tönkre mehet "tapasztalat és nem csak saját" Kamionos ismerősömnek csináltam már egyet és 4éve tökéletesen üzemel,24Volton és 12Volton is. Itt a hobbielektronikán és a hozzászólásokban is találkozhattatok a kapcsolással annyi különbséggel hogy én irf-et alkalmaztam.Előző hozzászólásomban raktam ki egy kapcsolást ami szerintem jó és a segítségnek köszönhetően kijavítottam egy komplementer emiter követővel egy bc337 és mivel hogy nem volt bc327 ezért egy 2n2905el. Tökéletesen működött, hozzáteszem 1-1 irf1405-öt használtam teljesítmény kapcsolásra és 1-1Kohm kötöttem a gate-re. 750Watos fúrót faszán vitte, sőt még a dekopírt is + az 500Wattos 100forintos flexet is
ez komoly. Frekvencia stabil. Érdekesség az hogy kb max 80VA-es trafó lehetett 220V/2x9V trafó melegedett de kevésbé mint 1 nagyfrekvenciás "bolti" transzformátor. 1óra 40percet ment róla egy 150Wattos hagyományos izzó ami egy 55Ah/12V-os akku hajtott meg.
Ja és a problémám!!Kicseréltem a transzformátort 1000VA 230/2x12 elvileg 5000Wattig stabil a rendszer. 150W eredeti /1-1/ irf1405 150W kimeneti terhelés /hagyományos izzó/ tökéletesen működik.A vissza csatolással van problémám. pl ha bedugok egy töltőt vagy az LCD tévét akkor ki-be kapcsol.Tudom miért szóval aki ért egy picit hozzá az is biztos tudja miért.Hogyan tudnám megoldani azt hogy az impulzus üzemü készülékeket is tudja úgy használni hogy nem rázódikbúgzümmög röviden zavaró,plusz amikor nincs terhelés a transzformátoron akkor nagyon hangos.
Megtisztelnétek a segítséggel, még ha minimálisan is.
Sziasztok.
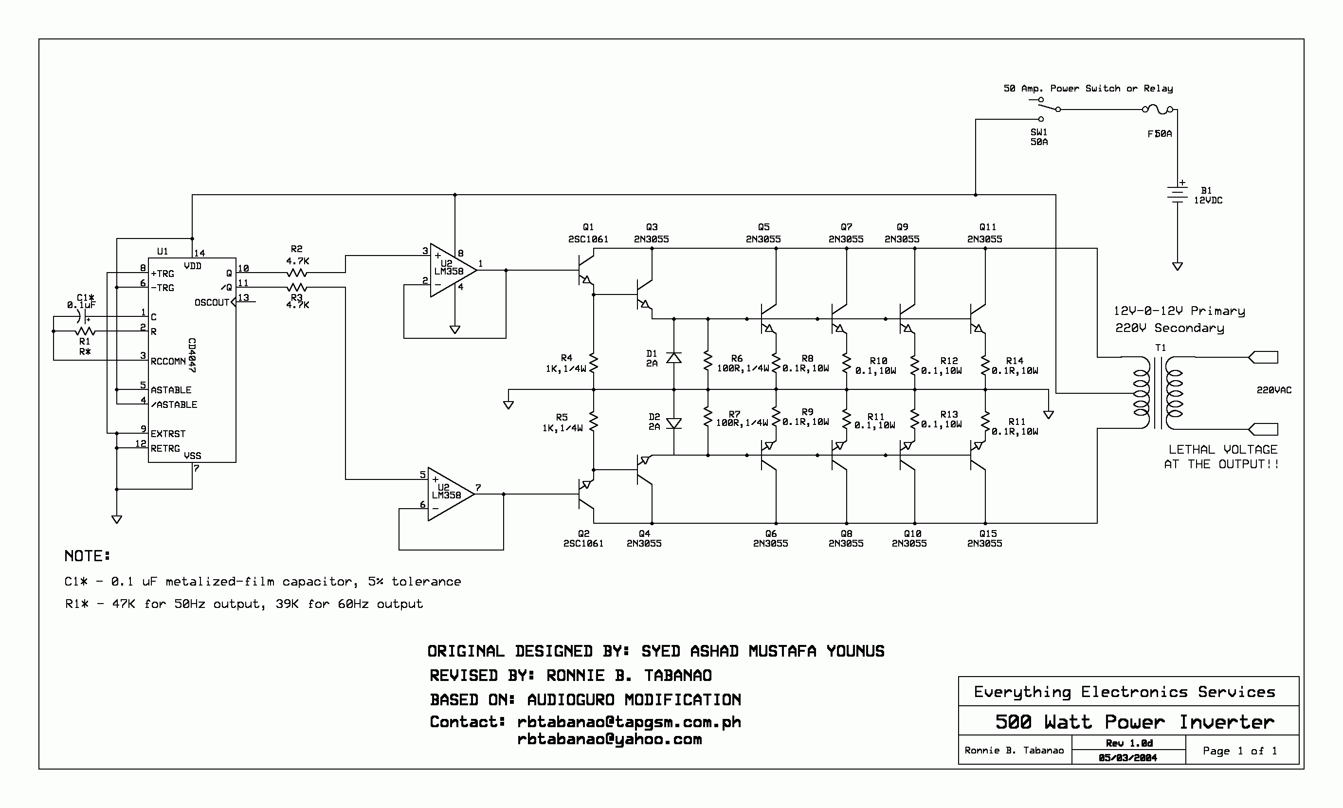
Azt szeretném kérdezni hogy valaki épített-e már ilyen invertert, mert a segítségét szeretném kérni.
|
Bejelentkezés
Hirdetés |






Kipróbálni ki lehet szerintem, nem tudom az az IC mennyire beszerezhető, de én egy szimpla 555-öt javasolnék oda. De az tény, hogy Bassmester félhidas megoldása korrektebb és jobban kézben foghatóbb, ott is egy IC, pár alkatrész meg 2 fet, trafó, egyenirányító..ámen! Bonyolultságra még egyszerűbb is! Zs. 





amúgy jó ez a kis kapcsolás nem de? 




