Fórum témák
» Több friss téma |
..csak nem elegge gyorsan, mert mas mar reg elkeszult volna vele, de koszonom szepen.
Sziasztok a barátom munkahelyén kapott egy elektromos robogót ami egy éve nem volt használva és nem tudjuk hogy kell fell tölteni van rajta egy pc-táp bemenet de hogy oda 220v vagy külön töltő megy e hozzá nem tudjuk és nem merem tanács nélkül rádugni a 220ra ha valakinek van tapasztalatja segitsen ja és nincs rá se márka se model irva
Hello! Kellett hogy kapjon hozzá töltőt is. Ha pedig nem,akkor én már sokat láttam,de még olyannal nem találkoztam,amelyikbe 220 Voltot kellett volna dugni. Szerintem ez négy akkus,tehát 48 Voltos töltő kell hozzá.De le kell mérni műszerrel a bemenetelen a feszültséget.A két szélső villán kell mérni.De szerintem ha nagyon lemerült,és kevés feszültség van rajta,akkor azt már fel sem lehet tölteni,mert a töltő nem indul meg.Én egyszer így jártam,azért mondom.
Jaj isten őrizz hogy rádugj 230-at! Az lehet 48V-os os de inkább 36V vagy 24V-os.Töltőt kell hozzá vásárolni ami nem olcsó.kb 15k. Etm kolléga jól mondja, mérjetek feszültséget a két szélső villán.Ezután kell beszerezni megfelelő töltőt.Polaritásra vigyázz ha rádugod a töltőt,mert cserélgetik a gyártók.
Üdv! Ez egy Tornádó TRD-033-as kecó, 48V-os. Több módon is menézheted hány voltos, először is az akkupakkot kiveszed és megnézed hány akku van benne, db x 12V, második verzió, az első maszkot le lehet venni, ha kitekered a két csavarját és a maszkot felfelé emeled, ott találod a vezérlőt, arra rá van írva, hogy hány voltos a gépezet.
Üdv: Frici
A TRD 033- az 36V-osban is van és 48V-osban is!!
A hozzászólás módosítva: Nov 4, 2012
Mik vannak
, ezért írtam tovább hogyan nézheti meg pontosan.
Sziasztok köszönöm a válaszokat. Tegnap én is utánna néztem és már tudom hogy trd033-as és azt is hogy 48V meg 300W ez van irva vezérlőre meg kivettem az aku pakot és 4db 12v aku van benne
Ja és olvastam hogy valami csepptöltős ésezt nem tudom hogy milyen ha tudjátok küldjetek valami linket vagy hogyha lehet csinálni megnéznék valami rajzot
Bővebben: Link
Javítva! A válaszablakban a LINK gomb erre való. A hozzászólás módosítva: Nov 5, 2012
Megmértem az akupak feszültségét ami 21v szerintetek lehet még tölteni? Ja és lehet töltőt hozzá készíteni esetleg trafóból?
Meg is lennék.
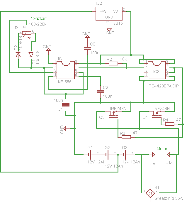
Működik is szépen frankón. ![]() Tud ám gyorsulni, bár még csak állóhelyzetben próbáltam ki, és egy métert sem mentem vele a poti helyzetet miatt, majd esetleg holnap kipróbálom, úgy, hogy felteszem a "gázkar" közelébe, és ott csavargatom, de még nyereg is kell.. :/ Mindent egybevéve, nagyon frankón működik, szépen, nagyon finom, folyamatosan lehet szabályozni,(nekem egyébként 250k-s poti volt, így azt tettem be a kapcsolási rajzon javasoltak ellenére)de semmi rosszat nem tudok elmondani a kapcsolásról, nem is melegszik semmi, nem szaggat, nem darabos, szóval pöpec. A MOSFET meghajtó sem vesz fel nagy áramot, mert a stabkocka sem melegedett fel, szóval attól sem kell félnem, hogy nem egyenletesen terhelném az akkukat, mivel meg kellett csapolnom a packot, és 24V-ot levettem a 15V-os stabkockának(a max bemenője 35V), amiről az 555, és a MOSFET driver "ketyeg". A legtöbb kici, occó bicikli csak szép folyamatosan gyorsul fel, de erre állóhelyzetből rátudtam adni a maximális feszültséget, így indulásnál jó lesz, de ettől függetlenül szép folyamatosan is el tudnék vele indulni. ![]() 1 kép: A FET-ek, a meghajtó, ami nem látszik, az 555 vezérlő panel, és azon a kis hűtőbordán pedig a 7815 van, biztos, ami biztos. ![]() 2. Ideiglenes "gázkar". ![]() 4. Látszik a greatz híd, ami védődióda gyanánt szolgál(erről Ecopityu irt egy hsz-t), és az ideiglenes, dugaljas(konnektoros), akkukábel csatlakozás, mivel csak ilyen hálózati PC kábelem volt itthon, de veszek rá rendes dugót.) Ha ráérek összedobom a kapcsolási rajzát is. A hozzászólás módosítva: Nov 5, 2012
...jah és nem csak állóhelyzetben"sztendren" próbálgattam...
Rajta ültem, amolyan csomagtartó félén, és úgy megmozdított,(de az utcában nem mentem vele) ráadásul nem gyengén, de nem is olyan erősen, ez csak 300W-os. Megkockáztatom, hogy lehet, hogy a hűtőborda sem kellene, de tudom, hogy akkor nagyon mérges lennék, ha át kéne alakítani, így pedig túl van biztosítva, ami nem is árt. ![]() Csatoltam a ma már kipróbált vezérlő áramkört is. Ránézésre hihetetlen, hogy mennyit tud, és milyen egyszerű a felépítése.
Az utolsó pillanatban sikerült törölni, mert lefelejtettem róla a védő greatz-et, de most itt van:
A hozzászólás módosítva: Nov 5, 2012
..közben kiderült, hogy HALL elem van a gázkarnál..
![]() Szóval nem csináltam semmit, de van egy ilyen kapcsolásom is. ![]() Viszont a skori féle levitront már megépítettem, amiben úgy szintén hall elem van, szóval lehet megint összeházasítanom a dolgokat.
Gratula!
![]() Akkor lehet száguldozni,vigyázz a hangsebességgel ![]() És köszi,hogy feltetted a kapcsolási rajzot!! Tényleg egyszerű,talán az én tudásommal meg is csinálom ![]() Csak legyen rá időm. A hozzászólás módosítva: Nov 5, 2012
"És köszi,hogy feltetted a kapcsolási rajzot!!"
Ez alap. ![]() Egyébként a kék, piros alapú kapcsolási rajzot nem én tettem fel, szóval abból én utána gondoltam, dehogyha azt nem teszik fel, még itt sem tartanék, szóval ha annak a "szerzője" feltette, és ezzel nekem is segített, hogy ezt kigondoljam, akkor miértne tenném fel én is?
Bocsánat a helytelen link közlésért! Akkor ott már felére esett a feszültség,szerintem abból már rendes akku nem lesz.Annyi voltnál nálam nem indult meg a töltés. Én szét kötöztem őket,és külön külön mindegyiket felnyomtam 12 voltos egyszerű töltővel 12 voltra,de csak addig volt rajta az a töltő mig elérte a 12 voltot,aztán újra összekötöttem őket és akkor már ment a töltés a saját töltőjével.Ezeket nem jó trafós töltővel tölteni,mert fel bir robbanni! 1.2 Amperral a legjobb,és ezt a töltő szabályozza,aztán 0.4 Ampernál átvált csepptöltésre,ekkor leesik az áram nullára,majd ujból felszalad 0.2 amperig,utána lassan esik vissza nullára,és ekkor van maximálisan feltöltve. Ezt én lemértem. Ezeket a töltő elektronikája szabályozza,ezért kell a neki való töltő. Megjegyzem,azok a lemerült akkuk nem sokáig bírták.Ezek a töltő értékek új akkuknál lettek mérve. SOK SIKERT!!!
Még jó, hogy pont ez a típus az ami nem fog felrobbanni.
Köszönöm a választ akkor tehát trafós ki lőve. És a hozzá való töltőt nehéz megépiteni, vagy legaláb van hozzá rajz, mert szivesen meg néznék egy pár olyat.
Az általam használt MOSFET vezérlőt itt találod, bár én a chipcad-tól vettem, erre most találtam rá, de ez is tök ugyanaz a fajta, csak nekem EPA van, de ez is jó lesz.
Hello!
Tudom, hogy működik úgy is, hogy gratz hidat használsz védődiódának, de nem egy szép megoldás. Oda gyors dióda kéne. EBU 150-et lehet rendelni ingyen mintában. üdv.:Matyko
Nem illik kiegészíteni egy kitörölt hozzászólást.
A saját, eggyel lejjebbi hozzászólását egészítette ki az most is ott van.
A kapcsolás maga működik, de per pillanat sehol nem tartok..
![]() Szóval hiába van nekem ilyen-olyan védődiódám.. :/ Megnéztem a gázkart, és ott hall elem van, mert amit én raktam össze ott potival lehet szabályozni, de nekem át kell gondolnom a dolgokat, hogy a hall elemmel vezéreljek, ne a potival. Nem a pénzzel van a baj, ilyen hídból van még itthon 4-5 darab...de azért köszönöm. A hozzászólás módosítva: Nov 6, 2012
Köszi!
Lehet fogok faggatózni mit hogy....nem vagyok nagy szaki ![]() Minden tanács jól jöhet ![]() Üdv:Tibi!
Rendben, szívesen segítek/segítünk.
Üdv!
Én csak azt próbáltam elmagyarázni, hogy a csepptöltés és a szintentartó töltés között különbség van. Természetesen mindennapi használat esetében ez majdnem felesleges. De hogy kerek legyen a válasz, a csepptüöltés nem az önkisütésből származó áram kompenzálására szolgál, hanem arra, hogy az "amúgy gyors" töltés miatti nem teljesen töltött állatpotból teljes töltöttségi szintre hozza az akkumulátort. Összegezve a csepptöltés szükséges és elengedhetetlen még napi szintű akkuhasználat esetén is, hiszen az akkumulátort ez hozza teljesen töltött állapotba. Ennek a töltési fázisnak a kihagyása = az akku folyamatos romlásának előidézése önként és dalolva. Üdv: Frici A hozzászólás módosítva: Nov 9, 2012
|
Bejelentkezés
Hirdetés |












