Fórum témák

» Több friss téma
Fórum » Rotary encoder, inkrementális jeladó
Lapozás: OK   4 / 11
(#) oxygen válasza mrn hozzászólására (») Aug 8, 2012 /
 
Szia

Ránézésre EC-11-nek tűnik, lomexnél 56-02-61 cikkszámon találod. A mellékelt adatlapon találod a rajzát.
(#) helektro válasza oxygen hozzászólására (») Aug 8, 2012 /
 
Én a lomex-es rotary encoderrel igencsak megjártam.
Kettőt vettem belőle, de mind a kettő rossz volt. Nem 90 fokkal eltolva adta a jeleket, sőt volt, hogy egyszerre változott a két jel (PIC-re kötve használtam). Teljesen rapszódikusan működött.
Lehet, hogy én fogtam ki 2 rosszat, de vszínű nem véletlenül kerül ~100Ft-ba, mikor egy közepes minőségűt is 1000Ft körül mérnek inkább.
(#) orcika70 válasza helektro hozzászólására (») Aug 8, 2012 /
 
Az adatlapokon valóban nem 90 fokos a kimenet.

cl11graph.gif
    
(#) helektro válasza orcika70 hozzászólására (») Aug 8, 2012 /
 
Azzal még nem is lett volna baj, de teljesen összevissza adta a jeleket.
PIC-el megszakításban dolgoztam fel, és volt, mikor a két kimeneten az él egyszerre futott fel, vagy le.

Annyit lehetett észrevenni ebből, hogy tekerés közben emiatt nem növekedett (vagy csökkent) a számláló. Látszólag nem nagy ügy, mert csak 1-1 maradt ki, de napi használatban rém idegesítő volt így használni.
Végül lett bele normális encoder és minden a helyére állt.

De ki kell próbálni. Be kell rakni a régi helyére, és ha működik, akkor jó.
(#) mrn válasza helektro hozzászólására (») Aug 8, 2012 /
 
Hát igen, ennyi pénzért kell venni kettőt, és belepróbálni... De sajnos nekem nem jó ez a típus: egyrészt az enyémben nincs nyomógomb (ez még nem lenne akkora baj), másrészt nem recézett, hanem lapolt tengelyű.

Egyébként a selejtes Lomex-eseket nem próbáltad javítani? Én régebben egy Sony mini-hifiben találkoztam 2db beteg encoder-rel (hangerő és CD track skip), mindkettőnek az volt a baja, amit írtál. Volt, hogy hiába tekertem, állt a számláló, volt hogy oda-vissza ugrált két érték között, vagy ellenkezőleg számolt, mint ahogy tekertem. Szétszedtem, letöröltem az érintkezőiket denaturált szeszes fültisztító pálcikával, a mozgó érintkezőket kicsit kihajlítottam, hogy erősebben nyomódjanak az álló érintkezőknek, és adtam neki szilikonzsírt. Ennek már 5-6 éve, azóta is tökéletesek. Az volt a gond, hogy az a zselés anyag, amit a tengely "megszorításához" használnak, hogy nehezebben, lágyabban tekerhető legyen (magnók kazettaajtajának lassító áttételében szokott lenni ilyen trutyi), kitüremkedett a csapágyból és összekente az érintkezőket.

Köszi az ötleteket! Akkor szerintetek próbáljam meg a 24-es Alps EC12E2420404 típusút a HQ-nál? Mennyire biztos, hogy az enyém 24-es, illetve ha ugyanúgy 90 fokos, akkor működhet eltérő PPR értékűvel is, csak más sebességgel fog léptetni?
(#) mrn válasza oxygen hozzászólására (») Aug 8, 2012 /
 
Köszi! Sajnos nem lesz jó ez a típus, mert az enyémnek lapolt a tengelye, és nyomógomb sincs benne.

De ha a 24 PPR-es mivolta bebizonyosodik, akkor szerintem Alps EC12E2420404 lesz belőle, 620 pénzért.
(#) DonJoker hozzászólása Szept 18, 2012 /
 
Sziasztok!
Egy kis segítséget szeretnék kérni. SHARP R-24STM mikrónk van, aminél az időt állítom RVR-BA018WRE0 jelű encoderrel. Szerintem ez sajnos tönkrement, mert nem reagál semmire. Rém idegesítő, mert csak az idő beállítása után tudnék változtatni a teljesítményen. Ezért most maxon megy mindig.
Az eredeti encoder ára 5600 HUF. A minap megörültem, mert láttam, hogy a Lomex-ben is meg a HQ Elektronikában is 500.-Ft környékén lehet kapni encodereket, de nem igazán értek az elektronikához. Viszont 3 lábat azért be tudok forrasztani!
Szerintetek a fenti típust melyikkel tudnám helyettesíteni?
Nagyon köszönöm!
(#) greeneye válasza DonJoker hozzászólására (») Jan 26, 2013 /
 
Szia, úgy gondolom ami tengely méretben (átmérő+hossz) és lábtávban/lábkiosztásban jó az megfelelhet a célra. Nem kapcsol nagy áramot.
(#) TGer hozzászólása Feb 13, 2013 /
 
Sziasztok!
Abszolút nem értek az elektronika témához, ezért bocs ha valami hülyeséget írok, de úgy alakult hogy egy rotary encoder-t kell használnom.
Találtam egy IC-t ami a forgásirány függvényében két kimeneten beállítható szélességű impulzusokat küld. (CW esetén az egyiken, CCW esetén a másikon)
Ez az LS7183-as IC, a párja pedig az LS7184-es, ami abban különbözik hogy az egyik kimeneten mindig ad impulzust (a forgásiránytól függetlenül), míg a másik kimenet állapota jelzi a forgásirányt magát.

Adatlap: http://www.lsicsi.com/pdfs/Data_Sheets/LS7183_LS7184.pdf

Viszont nem találtam sehol a "közelben" hogy kapható lenne, szóval ha valaki megtalálja akkor legyen szíves szóljon. Köszönöm.
(#) Szpisti válasza TGer hozzászólására (») Feb 13, 2013 / 1
 
A közelben én sem találtam, de egy variánsát lehet kapni azEbayen.
De 4ezret kicsit sokallnék érte.
Meg lehet azt oldani két darab 50 Ft-os IC-vel is, nézd meg ezen az oldalon.
A hozzászólás módosítva: Feb 13, 2013
(#) Paso hozzászólása Feb 14, 2013 /
 
Sziasztok !

A kérdésem az lenne hogyan lehet illeszteni AVR-hez olyan optikai forgási jeladót,
mely 12VDC-24VDC feszűltségen üzemel.
Probáltam optocsatolóval, de tévesztett.

ITT van egy cikk, de ez 5VDC-ről működik igy direkt bemenetre van kötve.
(#) dB_Thunder válasza Paso hozzászólására (») Feb 14, 2013 /
 
Próbáltad 5.1 voltos zenerrel vágni a jelet (ellenállást ne felejtsd ki) ?
A hozzászólás módosítva: Feb 14, 2013
(#) TGer válasza Szpisti hozzászólására (») Feb 15, 2013 /
 
Köszi. Az első kapcsolással már találkoztam, annál az a gond hogy csak minden második "klikket" érzékel. De megnézem a többit.
(#) Paso válasza dB_Thunder hozzászólására (») Feb 15, 2013 /
 
Csak optocsatolóval próbáltam (CNY17, 4N35).
Vagy valami iszonyat gyors optocsatoló kellene vagy nem tudom, hogy sima 1db kapcsoló
tranzisztorral elég gyors lenne e ?
Az enkoder fizikai felbontása 1024 és elég magas fordulaton forog, így nagyon gyorsan jönnek
a jelek !!!
(#) _vl_ válasza Paso hozzászólására (») Feb 15, 2013 /
 
A felsorolt optocsatolók pár 10kHz-ig működnek. Gyorsabb optocsatolóval próbálkozz (pl. 6N137). Esetleg valami rendesebb tranzisztorral is működhet, érdemes szimulátorban megnézni, hogy milyen ellenállások mellett nem fog telítésbe menni a tranzisztor.
(#) Paso válasza _vl_ hozzászólására (») Feb 16, 2013 /
 
Ez már luxus lenne a feladatra ???
(#) _vl_ válasza Paso hozzászólására (») Feb 16, 2013 /
 
Ha nem elég a 10MHz, meg a 150 Ft-os optocsatoló, miért ne...
(#) Paso hozzászólása Feb 18, 2013 /
 
Jól számolok ???

Az optikai enkóderem maximális fordulatszáma 12.000 1/min.
Fizikai felbontása 1024.

Tehát : 12.000 / 60 = 200 fordulat/másodperc * 1024 = 204800 bit/sec

Igy a 6N137 bőven elég nekem !?
(#) Stemp hozzászólása Feb 20, 2013 /
 
Sziasztok!

Az alábbi problémára keresek megoldást:

Adott 3db inkrementális jeladó TTL kimenettel.
Ezen jeladók kimeneteiből kellene egy közös inkrementális kimenetet csinálni, amin valós időben a 3 jeladó elmozdulásainak átlaga jelenne meg, tehát a következő feldolgozó egység számára úgy tűnne mintha csak 1db jeladó lenne.

További nehezítés, hogy ez a kimenet már nem TTL, hanem szinuszos kellene legyen, de első körben a jól működő TTL is nagy előrelépés lenne.

Jelenleg odáig jutottam, hogy csináltam egy mikrokontrolleres áramkört, ami egy külső 3 csatornás számlálóból (amit a jeladók hajtanak) beolvassa az aktuális értékeket majd számítással képzi az átlagot, utána az átlagnak megfelelő számú inkrementális jelperiódust generál a két vezetékes (A, B) kimeneten.

Sajnos ez két okból sem az igazi megoldás:
1. nem valós idejű (a számlálólánc két mintavételezése, feldolgozása alatti változások nem jelennek meg a kimeneten)
2. a kimeneten nem folyamatos (ezáltal nem 50%-os kitöltési tényezőjű) a jel , hanem az aktuálisan kiszámított átlagértéknek megfelelő inkrementális impulzus sorozatokból áll, a két sorozat közötti "csend"-del. Ezzel szemben egy "szép", folyamatos, 50%-os kitöltési tényezőjű jelre lenne szükség, amiben persze a bemeneti jelek sebességétől függően az inkremens jel periódusideje változhat.


Igazából azt is jó lenne tudni, hogy egyáltalán megvalósítható-e a feladat elméletileg...

Az 1. pontra lehet megoldás egy nagyon gyors mintavételezés vagy mikrokontroller nélküli, "egyszerű" számlálós hardveres megoldás, az átlagképzésre 3-as osztóval.
A 2. pont tűnik nekem a legnagyobb nehézségnek: az 50%-os kitöltéshez tudni kellene előre, hogy az átlag mikor "ugrik" a következő értékre, hogy a jelet meddig kell "kitartani" High-ban, hogy meglegyen az 50%. Ez egy kis jövőbelátás lenne

Van valakinek tapasztalata hasonló problémával ?
üdv.
(#) Toroco hozzászólása Feb 20, 2013 /
 
Sziasztok!

Egy kis segítséget szeretnék kérni. Van nekem egy ilyen encoderem, ami szeretnék felhasználni. Ezt a datasheet-et találtam hozzá, de nekem ez semmit sem mond a működéséről.
SRGP40
Arra lennék kíváncsi, hogy adja ez ki a jeleket. Egymás utánban bizonyos lábakon? PICel szeretném figyeltetni a jeleket, hogy a tekerés irányától függően a PIC növelje vagy csökkentse az értéket.

IMG_6763a.JPG
    
(#) _vl_ válasza Toroco hozzászólására (») Feb 20, 2013 /
 
Az oldalon, amit belinkeltél, van egy ábra. Az ábrán karikában meg vannak jelölve a lábak (1, 2, C). Az ábra jobb alsó sarkában találsz egy rajzot, hogy tekerés közben a két kimeneten (1, 2) milyen jelformát fogsz látni. ON állásban az adott kimenetet összezárja a közös (C) lábbal.
(#) Toroco válasza _vl_ hozzászólására (») Feb 20, 2013 /
 
Aha, Kezdem érteni. Akkor ez négy lépésben ad ki egy bináris kódot valahogy így ha jól értelmezem:
Láb:1 2
T1: 1 0
T2: 1 1
T3: 0 1
T4: 0 0

És akkor nekem elég összesen 3 lábat használnom? C-n megy be a fesz 1,2-n ki jön amit a pic figyel és a program tudja merre tekerem, és a másik 1,2 lábbal nem is kell foglalkoznom ha jól értelmezem.
(#) MrBrown hozzászólása Jún 19, 2013 /
 
Sziasztok,
Rotary encodert szeretnék használni a 16F887-es pic-em két nyomógombjának (set / advance) kiváltására ha lehetséges. Olyan kiegészítő áramkört keresek ami minden egyes pozícióváltásra lehúzza a pic lábait GND-re. Például ha balra forgatom akkor a SET lábat, ha jobbra forgatom akkor az ADVANCE lábat.
Néhány hozzászólással korábban szó volt az LS7183-ról, ez alkalmas volna a feladatra?
köszönöm, barna
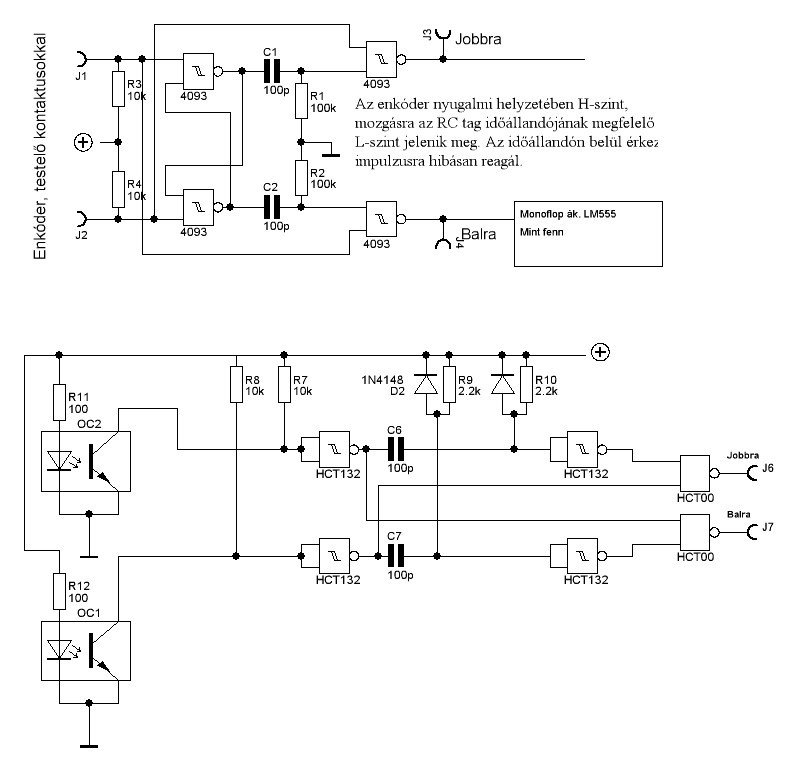
(#) Medve válasza MrBrown hozzászólására (») Jún 19, 2013 /
 
Hello, íme kétféle lehetőség.

enc.JPG
    
(#) _vl_ válasza MrBrown hozzászólására (») Jún 19, 2013 /
 
Én inkább a szoftvert írnám át, és közvetlenül kötném be a rotary encodert.
(#) MrBrown válasza Medve hozzászólására (») Jún 19, 2013 /
 
Köszönöm szépen! Szimpla kis kapcsolás. A változtatható időállandóval gondolom a prellezést is ki tudom küszöbölni. Ha ugyan arról a tápról hajtom mint a 16F887-et akkor esetleg megoldhatom úgy, hogy a pic lábai nem kapnak felhúzóellenálláson keresztül tápfeszt, hanem közvetlenül a 4093-tól kapják a H szintet illetve encoder forgatásra a kapcsoláshoz szükséges L-szinet?
Köszönöm.
(#) MrBrown válasza _vl_ hozzászólására (») Jún 19, 2013 /
 
Nincs ezzel gond, ha szépen működik a Medve által javasolt kapcsolás a 4093-al boldog leszek! Alapvetően nyomógombos megoldásra terveztettem a pic-et, de ha kell az encoder szívesen bevállalom a kiegészîtő kapcsolást!
(#) Peter65 válasza MrBrown hozzászólására (») Jún 20, 2013 /
 
Ha elolvasod a rajz melletti szöveget, és végiggondolod az áramkör működését, láthatod, hogy sajnos pont a hibás prellezésekre érzékenyek ezek a kapcsolások. Szerintem hallgass _vl_ fórumtársra, és írd meg inkább szoftverből. A programmal megoldhatod a prellmentesítést, a hibás váltások kiszűrését, és elérheted az általad megfogalmazott 4x-es feldolgozást (minden élváltásra egy impulzus generálása), amit a fenti kapcsolások nem tudnak.
(#) Medve válasza MrBrown hozzászólására (») Jún 20, 2013 /
 
Ha jól értem kérdésed: igen...Amúgy valóban, a kapcsolás eleinte tévedett úgy 10%-ban, majd amikor később próbáltuk, tökéletesen működöt. Vagy az enkóder volt jobbfajta, (A megrendelő erre gyanakodott) vagy a táplálás, vagy a környezete.
(#) rainchey hozzászólása Okt 20, 2013 /
 
Sziasztok!

A következő lenne a kérdésem:
Ezzel a "Rotary Encoder"-el meg lehet oldani, hogy egy bemenő feszültség az egyik irányba való tekeréskor egy A kivezetésen jelenjen meg, a másik irányba való tekeréskor pedig egy B kivezetésen? Valamint ha nem tekerem akkor egyiken se?
Jó lenne, ha a PIC nem kéne hozzá mert annak a programozásához nem nagyon értek.

(Ha a rotary encoderrel nem lehet akkor esetleg valami más amivel meg lehetne oldani?)
Következő: »»   4 / 11
Bejelentkezés

Belépés

Hirdetés
XDT.hu
Az oldalon sütiket használunk a helyes működéshez. Bővebb információt az adatvédelmi szabályzatban olvashatsz. Megértettem