Fórum témák
» Több friss téma |
Tessék egy!A 1875-höz való.
Gyakorlatilag szerintem az IC bemeneti kapacitásával alkot egy alul áteresztő szűrőt, így a bemeneti jel, jelemelkedési sebességét tudja "határolni". Valahogy úgy gondold el, hogy "nem enged" gyorsabb jelet (megfelelő méretezés esetén) az IC bemenetére, mint amivel el tud bánni (ez is pongyola megfogalmazás persze). Zs.
Köszönöm ezt ki fogom próbálni!
3875-el épített amugy már valaki?
A 3875-höz is van egy,az eredeti Gaincard topológiát követő terv.Nekem bevált.
Értelemszerűen a piros alkatrészek felül,a sárgák a fóliaoldalon vannak. Eccerűen naccerű.
Elég érdekes nyák, legalábbis számomra.
Egy próbát megér, van még 3875-öm. Köszönöm a segítséget mindenkinek, majd jelentkezem a fejleményekkel.
Igen érdekes,de közel áll az eredeti gc-hez.
A hozzászólás módosítva: Feb 28, 2013
Zolika! Amit építettél stab. tápost, ott a soros áteresztő 911-912-eseken kívül a 139-140-esek is rákerültek a hűtőfelületre?
No, átterveztem. Találtam itthon 40db 1000u/63V-os LOW ESR kondit.
![]() Van fényképed róla?
Üdv!
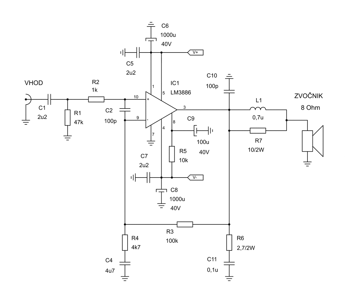
Meg tudná e nekem valaki mondani, magyarázni, mi szerepe van, mondjuk a linkelt kapcsolásnál a tekercsnek? Mivel járhat annak elhagyása? Előre is köszönöm!
Szia! A hangsugárzó hangváltójának kapacitív terhelését csillapítja. Többnyire elhagyható.
Értem, köszönöm!
Még egy kérdésem lenne, a 2db 100pF értéke, jelenléte mennyire kritikus. Sajnos itthon nincs, a legutolsó rendelésemből lemaradt, rendelni meg majd csak később akarok motyókat, a lakóhelyemen meg nem lehet kapni. Esetleg helyettesíthető nagyobb (10nF) értékkel?
Mindkét 100pF opcionális jellegű. 10nF egyik helyett sem jó. A C2 sávszűkítőt azért idővel pótolnám.
Találtam 100pF-t egy hibás autós erősítőben, be is építettem, szól is szép tisztán, de kb 1-2watt ha kijön belőle. +/- 36 voltról szól, nem melegszik semmi, de valami nagyon nem stimmel. Minden alkatrésznál törekedtem, hogy normális legyen, a két 100pF kivételével minden új.
Holnap átnézem, ma már nincs hozzá türelmem.
Legalább az nyugtat, hogy a már általam itt felvetett 3875 napok óta tökéletesen üzemel.
Erről lenne szó Igaz a 2db p600 dióda külön nyákon van, 4db 4700µF-el együtt, az ic-k mellett csak 2-2 1000µF van. Tökéletesen csendben van, sima egyszer 24 voltos lemezes trafóról megy, a kétszer egyutas egyenirányítás és puffer után kb 72voltról. Sajnos a toroidom megadta magát, pedig ipari felhasználásra készült, egyszer csak elment a primer. Még azt sem tartom kizártnak, hogy az okozta a nem kívánt búgást. A hozzászólás módosítva: Ápr 2, 2013
Egyenlőre még csak deszka, de már alakul a küllem és a többi belbecs. Már csak egy csini lapos trafó kellene.
A toroidon ha kizárható a menetzárlat, vagy leégetés, akkor keresd meg a hőbiztosítékot. Valószínűleg a szekunder alatt lapul. Ilyen a külleme.
Ő.. igazából nem jól fogalmaztam, nem ment el a primer, hanem korábbiakhoz képest jobban búg, nagyobbat "pislan a lámpa" amikor bedugom a trafót, és az eddigi 24 helyett 18-19 volt jön csak ki belőle. Én primer zárlatra tippeltem. 2x110 voltosak a primerek, sorba vannak kötve. Eredetileg molex csati volt rajta, attól megszabadítottam, nem igazán szabályos módon simán beledugva a hálózati kábel a két szélsőbe, a két középső meg összekötve. Amióta nálam volt így ment rendesen. Aztán egyszer csak menet közben, pattantak egyet a hangszórók, és csend. Utána megcsináltam rendesen a bekötést, de már ilyen rendellenesen indult el. Ezek után nem szívesen kísérletezek vele.
A hozzászólás módosítva: Ápr 2, 2013
Ez az! úgy látom T1-4 nincs termikus kapcsolatban a 911-12-vel. Akkor jó lett a nyáktervem hozzá, csak nem tudok pdf-et kreálni belőle.
Lalalalala!
Tessék mire vágytál, egy világító ágytál.
Most kerestem rá hogy hogyan kell. Ha már megvetetted velem az alkatrészeket anno.....
A hozzászólás módosítva: Ápr 13, 2013
Sokan áradoznak róla, úgy mondják estékáverő a kis monolit. És a 3875-ös állítólag jobb hangú is mint a sorozat többi tagja. Mondjuk ha a Genelec-ekbe megfelelt aktív végfokoknak, akkor az már nem lehet olyan rossz. Mondjuk engem most a stabilizált tápegység hatása a hangra jobban izgat. Ezért készítem el ezt a verziót. Ráadásul megadva a módját, LOW ESR kondibankkal.
A hozzászólás módosítva: Ápr 4, 2013
Ebbe fogom belerakni a kék korszakos pio VFD-d.
Megkérdezhetem, hogy mi a különlegessége ennek a kapcsolásnak?
Üdv!
Elkészítettem a (3875, 3886 projektekkel párhuzamosan) a linkelt kapcsolást. Bővebben: Link Köszönöm mindenkinek az eddigi segítséget! Nagyon szép hangja van, zajmentesen kapcsol be és ki. Viszont nem volt annyi diódám, hogy kifutotta volna mint a két nyákot, így egyikről a másikra átkötve a 3 tápvezetéket próbáltam ki. 3A diódákat tettem bele. Ami kérdeznék, hogy nem lesz kevés az összesen 4x1000uF, nem vettem észre hogy torzulna a hangja a mélyeknél, bár csak +/- 18 voltot kap, ennyit tud a trafóm. Nyilván így nem is fogja leadni a max teljesítményt, de egyenlőre nem tudok másik trafót keríteni neki. Szóval elég az a 4000uF, vagy esetleg érdemes még rásegíteni többel?
Ha nem érzed a hangján hogy gond, akkor elég. 20W-ra bőven elég a 4000µF-os szűrés.
Az én verziómban 17V AC-ről megy ,+/-24V (ami majdnem a max. táp)és rendben van a hangja 4000µF-al.Esetleg a gyors dióda fontos lehet.
Meg ha már Gainclone...-az eredetiben is ennyi van.
No majd holnap beültetem.
Üdv!
Összeraktam "deszkára", sajnos nincs egynlőre időm asztaloskodni, meg anyagom sem sok van, majd idővel. Úgy vettem észre kevés a 4000uF, 70% fölött már torzul a hangja. Sony asztali cd a jelforrás audio lemezzel. Lehet hogy az lm1036 felelős érte, meg azért is, hogy az amúgy koppanásmentes végfok mégis koppan bekapcsoláskor. Az első próbánál lm1036 nélkül nem volt ilyen. Ha így marad akkor a koppanásgátló relébe be fogom kötni a előfokot is. Meglepően dinamikusan hajtja a sal2610 frontokat. Nem tudom előtte hagyjam-e az lm1036-ot, jó azért, hogy lehet szabályozni ezt azt, csak ha ez a hang rovására megy akkor meggondolandó. |
Bejelentkezés
Hirdetés |
















Ez az! úgy látom T1-4 nincs termikus kapcsolatban a 911-12-vel. Akkor jó lett a nyáktervem hozzá, csak nem tudok pdf-et kreálni belőle.








