Fórum témák

» Több friss téma
Fórum » Ki mit épített?
 
Témaindító: Dióda, idő: Jan 26, 2006
Ez a téma ha úgy tetszik a mi "kiállítótermünk", nem pedig a ki mit csinált volna másképpen, mások helyett, és legfőképpen nem javítós téma. Minden készüléknek van saját témája, ott kell kitárgyalni a részleteket!
FONTOS! A kapcsolási rajzok keresésére is van saját téma, ott keressetek rajzokat!
Lapozás: OK   1036 / 1712
(#) Zoli_bácsi válasza kameleon2 hozzászólására (») Máj 6, 2013 /
 
Köszönöm. Képes. ITX alaplapot, 1,6Ghz Atom processzorral, vinyóval, táppal beletömtem a dobozba. Ezzel abszolút célgép lett.
(#) sector99 válasza kkornell hozzászólására (») Máj 6, 2013 /
 
Látom, hogy Neked is Hakko klón pákád van. Melyik kapcsolást építetted meg hozzá ?
(#) nagy hoho válasza Zoli_bácsi hozzászólására (») Máj 6, 2013 /
 
Az vezérlés nagyon penge lett. De most jön a neheze.
(#) Szammer válasza Zoli_bácsi hozzászólására (») Máj 7, 2013 /
 
Szia!
Szép és gusztusos lett.
Külön erre a célra épített (vagy beépített) PC-vel maximálisan egyetértek.
Az elején egy műhely PC-vel próbálkoztam, azon futtattam a MACH3-at és mikor marás közben beindult a háttérben valmai progi (valószinűleg a víruskereső), fogta magát a MACH3 és elfelejtett tovább vezérelni, pontosabban a "Z és X" irányú vezérlést egyidejűleg kiakasztotta és az éppen marandó LCD előlapomnak vége lett. Természetesen kézi vészstoppom nem volt (csak a program sajátja), de mire leegereztem annyi volt a munkának és a marószárnak.
Üdv:
Zsolt
(#) Szammer válasza (Felhasználó 13571) hozzászólására (») Máj 7, 2013 /
 
Bocsi.
(#) Gabó hozzászólása Máj 7, 2013 /
 
Hétvégi alkotás. Még nincs kész, mert kellene rá valami bevonat, de ezen kívül megvan. Egy videoton DC 2550 doboza volt az alany. A hangszórók nem voltak benne, azért másmilyenek vannak benne. Valaki nem bánt vele tisztességesen, és szét fúrkálta, meg meglocsolta. Ezek lettek javítva. Esetleges ötleteket is jöhetnek a burkolatra.
Mod: Ja és a két alsó erősítő is saját építés, csak a ház meg a trafó a gyári.
A hozzászólás módosítva: Máj 7, 2013
(#) Szammer válasza (Felhasználó 13571) hozzászólására (») Máj 7, 2013 /
 
Rendben, legközelebb így próbálom.
(#) enree válasza Gabó hozzászólására (») Máj 7, 2013 /
 
"Rücsifestékkel" kend le!
(#) Szammer válasza enree hozzászólására (») Máj 7, 2013 /
 
Láttam már ilyet, de mi is az alapanyag?
(#) kameleon2 hozzászólása Máj 7, 2013 /
 
Sziasztok! Igazán ez nem mai termés, de ígértem és az ígéret szép szó: A videón a Parallax Propeller demoboardja látható, amibe a saját microSD olvasómat dugtam, amit CNC-n faragtam ki. Nem szépségdíjas, de tesztnek jó. Kénytelen voltam készíteni egy ilyet, mert a gyárit máshoz beépítettem. A másik panel sem életem büszkesége, de kellett egy olcsó erősítő. Ez kici occó LM386-al, itthoni alkatrészekből válogatva. A táplálásában van egy kis csavar, mivel 7805, mégis 6V-ot ad ki (megfejtés: a 7805 gnd lába 2db 1n4007-el meg van emelve 1V-nyival). A lényeg - a szoftver. Én házasítottam össze a microSD és a GM szoftvereket. Ami a videón nem látszik, mert a tesztekhez kiikatattam: a GM player képes midi0 formátumú fájlok lejátszására. Annyira amennyi csak a microSD-re fér. Ezeket PS2 billentyűzetről lehet VGA monitoron kiválasztani. Majdnem lemaradt: video a midiplayerről
A hozzászólás módosítva: Máj 7, 2013
(#) enree válasza Szammer hozzászólására (») Máj 7, 2013 /
 
Valami műgyanta alapú festék, ha jól tudom, van róla leírás valahol itt is... pontosan nem tudom. Nekem csak a végeredmény tetszik, valaki rakott fel ide egyszer egy szobai mélyládát, amit azzal festett és nagyon szépen nézett ki.
(#) Abukodonozo válasza slogan hozzászólására (») Máj 7, 2013 /
 
Hát csak rajta! Akkor már megérte felrakni ezt a tákolmányt ide.
A hozzászólás módosítva: Máj 7, 2013
(#) Gabó válasza enree hozzászólására (») Máj 8, 2013 /
 
Hát szobai használatra kellene, oda meg inkább illene valami fa mintás cucc. Ilyen öntapadós famintás tapétára gondoltam, de amit láttam az nagyon vékony, és minden meglátszana rajta :S Ami rajta volt fekete, az kb 1mm vastag volt, csak olyat nem leltem még.
(#) sirály12 hozzászólása Máj 8, 2013 /
 
Pár napja készen lett as DMF612-es kijelzőt kezelő vezérlőm HD61830B ic-vel.
A felbontás 480*64 pixel.
Grafikus és szöveges módokban is tökéletes.
A háttérvilágítás még nem működik, mivel még keresgélem hozzá a legegyszerűbb meghajtási módot. A háttérvilágítás EL fóliával van megoldva, ami kékeszöld árnyalatú.
(#) papus51 válasza sirály12 hozzászólására (») Máj 8, 2013 /
 
Ez nagyon sirály, minden értelemben.
(#) sirály12 válasza papus51 hozzászólására (») Máj 8, 2013 /
 
Kösz.
(#) papus51 hozzászólása Máj 8, 2013 /
 
Építettem egy 7,2kW-os, három fázisú, hálózatra visszatáplálós napelemes háztáji erőművet.
A lakóterületem 130m2, amit egy hőszivattyús, padlófűtéses + fancoil-os rendszer fűt-hűt. (Ja, ezt is építettem.)
A rendszer teljes egészében lefedi a ház teljes energia igényét.
A napelem modulok ( 3x24db összesen 72db) 100W-os Mitsubishi amorf szilícium panelek. Az inverter blokk 3 x SMA3000 inverter + mindenféle túlfeszültség, villám és egyéb védelmek.
Az egész saját tervezés és kivitelezés.
Képek:
(#) (Felhasználó 46585) válasza papus51 hozzászólására (») Máj 8, 2013 /
 
Gratulálok, nagyon meggyőzőeka képek.
Azért volna egy kérdésem, ha nem titok: mibe került mindez?
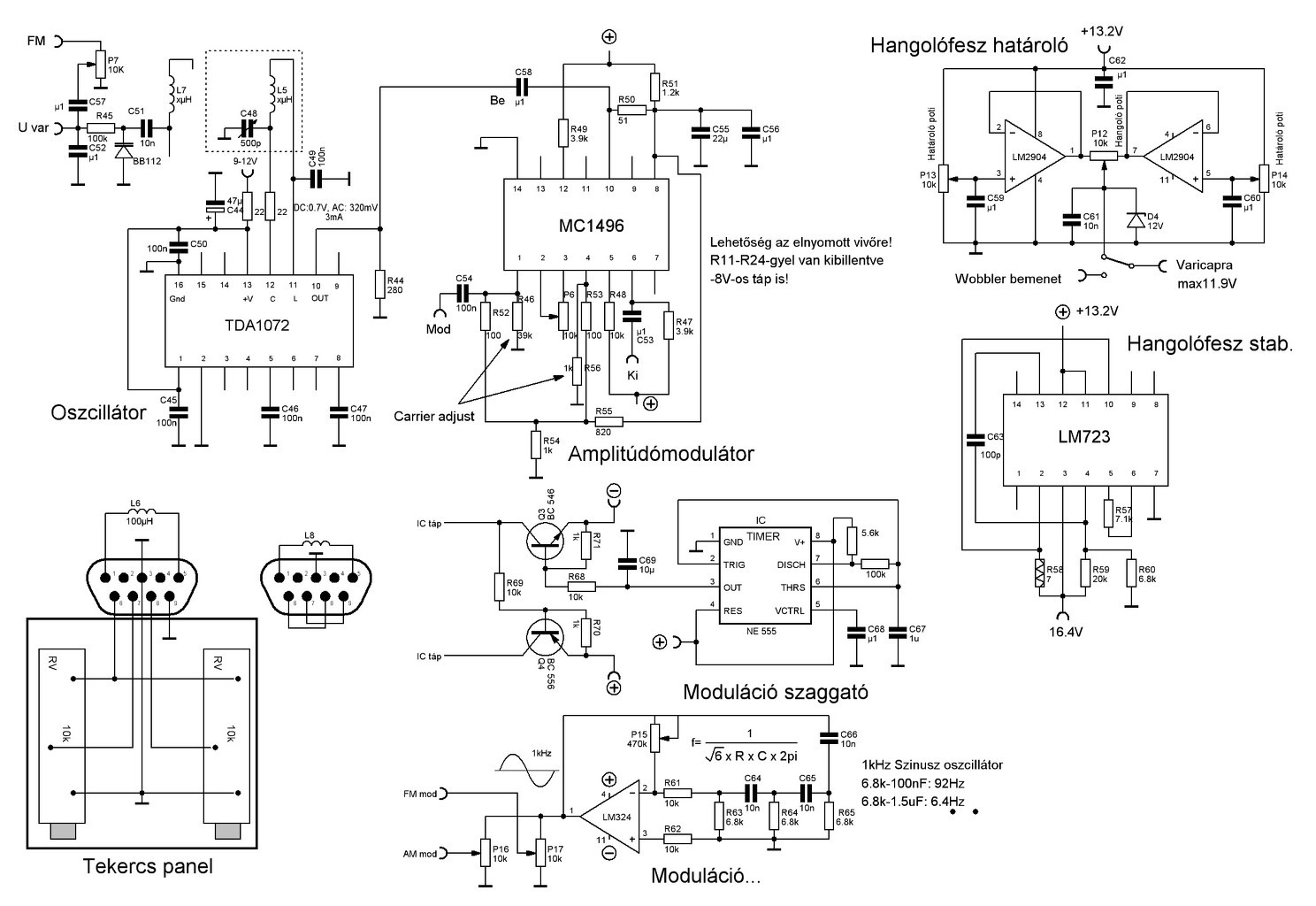
(#) Medve hozzászólása Máj 9, 2013 / 1
 
Üdv, készült egy szignálgenerátor. Az alapja a TDA1072-es IC-ben rejlő lokáloszcillátor. 22kHz-től kb 60MHz-ig működik, a tartományokat az előlapi csatlakozóra helyezett tekercsekkel lehet választani. Itt van még két trimmer, azzal a frekvenciahatárokat lehet pontosítani, vagy a sávot széthúzni. Az amplitúdómodulációt egy MC1496-os intézi, ezzel történik a kimeneti szint szabályzása is.
(#) pjg válasza Medve hozzászólására (») Máj 9, 2013 /
 
A frekvencia mérőről tudnál több infót adni?
(#) Medve válasza pjg hozzászólására (») Máj 9, 2013 / 1
 
Hogyne: innen készült, ügyes szoftver, rádióskálának is jó. Tetszik a méréshatár váltása, ha kHz a mértékegység, azt a villogó tizedesjeggyel jelzi. Frekvencia eltérés, elhangolódás is mérhető. Hanem a hardver nem vált be, nálam az ötödik (LSB) digit meghajtása nem működött ezért egy négy bemenetű nem-vagy kapuval intéztem inkább. Bemeneti erősítőnek a mellékletben láthatót használtam, eddig ez vált be, ezzel a jelszinttel 30MHz-ig működik
A hozzászólás módosítva: Máj 9, 2013
(#) pjg válasza Medve hozzászólására (») Máj 9, 2013 /
 
Köszi.
(#) papus51 válasza Medve hozzászólására (») Máj 9, 2013 /
 
Gratulálok, ez szuper. Nagyon igényes kivitel.
(#) vicsys válasza (Felhasználó 13571) hozzászólására (») Máj 9, 2013 /
 
Jó kis cucc! Milyen jó lenne ha a dobozt CNC-vel tudnád megmunkálni...
(#) pjg válasza (Felhasználó 13571) hozzászólására (») Máj 9, 2013 /
 
Mikró trafója?
(#) Szammer válasza (Felhasználó 13571) hozzászólására (») Máj 9, 2013 /
 
Szia!
Kb. mennyi idő kellett az első kép szerinti ponthegesztéshez?
(#) zenetom válasza sirály12 hozzászólására (») Máj 9, 2013 /
 
Szia!
Először is gratula!
Az LCD-n csak szegmensmeghajtók vannak?
Nekem is van egy hasonló LCD-m (csak szegmensmeghajtók vannak rajta), csak vezérlő IC nélkül hajtottam meg, direktbe, PIC-kel. Hát kellett neki a sebesség rendesen.
Apropó, milyen MCU-val vezérled?
(#) zenetom válasza papus51 hozzászólására (») Máj 9, 2013 /
 
Ez példa értékű, csak gratulálni tudok!
(#) papus51 válasza zenetom hozzászólására (») Máj 9, 2013 /
 
Köszi zenetom.
(#) slogan hozzászólása Máj 9, 2013 /
 
Mondjátok már el nekem légyszi ,hogy kell ezeket a képeket megnézni?
Hogy lehet nagyítani ?
Következő: »»   1036 / 1712
Bejelentkezés

Belépés

Hirdetés
XDT.hu
Az oldalon sütiket használunk a helyes működéshez. Bővebb információt az adatvédelmi szabályzatban olvashatsz. Megértettem