Fórum témák
» Több friss téma |
Fórum » Elektromos kapásjelző
Témaindító: hohohorgász, idő: Nov 28, 2006
Témakörök:
Nekem nem derül ki, de gondolom átraktad egyikből a másikba és a másik kerékkel sem ment ez a reed, vagy a másik reed ment ennek a tárcsájával?
Lehet, hogy csak a pozícióján kell változtatni, kicsit közelebb nyomni, de nagyon óvatosan, mert könnyen törik az üveg! Egy másik mágnessel ellenőrizhető a reed működése.
Alábbiakban olvastam,elektromos kapásjelző szett meghibásodásáról.( proli007,patric92 ).
Az én szettem is elromlott,de a jelzők külön külön működnek(hang,fény van,ki-be kapcsolható). A vevő készülék nem veszi a jeleket egyiknél sem.Itt is külön ki-be kapcsolható,állítható a hang. Már elemet is cseréltem. Nem tudok róla ,hogy beázott volna. Segítsetek,vagy kuka lesz! Köszönöm.
Gagyi kínai.Carp Zoom szett. 3+1 a készlet.(hord táskában)
Azt kellene megtudni, hogy az adók, vagy a vevő a rossz...
Mivel egyiket sem veszi én hajlanék a vevőre. Az adókat (amennyiben szabványosak) a 433MHz-en megkeresheted egy TV-vel, az autóriasztós topicban le lett írva, hogyan. Ha azok mennek, akkor a vevőben kell keresni valamit. Megnézni, hogy eljut-e a feszültség mindenhova, nincs-e eloxidálódott érintkező, vagy elkorrodálódott vékony fólia, esetleg törött forrasztás, vagy alkatrészláb (bár a nagyja valószínűleg SMD).
Köszönöm Inhouse!
Szerintem is a vevő lehet a rossz,mert a harmadik jelzőt is kivettem a dobozból és annak a jelét sem vette, ami még használva sem volt.Tök hülye vagyok ezekhez.A jeleket (kapásokat jelző) az az adó szerintem. A vevő, amit a zsebben ,vagy távol tartom. Ez lehet,a rossz. Bár, ki-be kapcsolható,hangot is tudok változtatni, néha (vakriasztást is csinál).Az adó felől jövő jelet nem veszi,mert akkor az 1,2 vagy 3 számnak pirosan kellene villogni. De volt olyan is hogy mindhárom szám pirosat jelzett egyszerre,és nem villogott! No ezt jól megírtam...
Akár az is lehet hogy valaimi igencsak zajos környezetben próbálod. Ha kicsi az adó teljesítménye, nem tudja különválasztani az adók jelét a környezeti "zavaroktól". A zavarok itt természetesen nem a hagyományos értelembe vett zavarok, hanem az egyéb közel vagy azonos frekvenciákon dolgozó egyéb készülékek jelei értendők.
Annak idején én is csináltam rádiós adatátvitelt 433MHz-en. Hát mit ne mondjak.... vért izzadtam mire sikerült valami érdemleges dolgot kicsikarni belőle. A vevő csak úgy ontotta magából az értelmetlenneé értelmetlenebb jeleket akkor is amikor az adók be sem voltak kapcsolva. Ha pedig AM jelet sugároz (ami nagyon valószínű) ha nem elég hosszú az indító szinkronizáló jelsorozat, nem fogja felismerni. Erre vall a sok vakriasztás is. Vesz valamit, ami hasonlít az adók jelére, csak épp az azonosító adat nincs meg benne hogy melyik, vagy valami teljesen fals dolog és mindet riasztja. Javaslom próbáld meg a vízparton, hátha ott kevesebb a e-szmog.
Sziasztok!
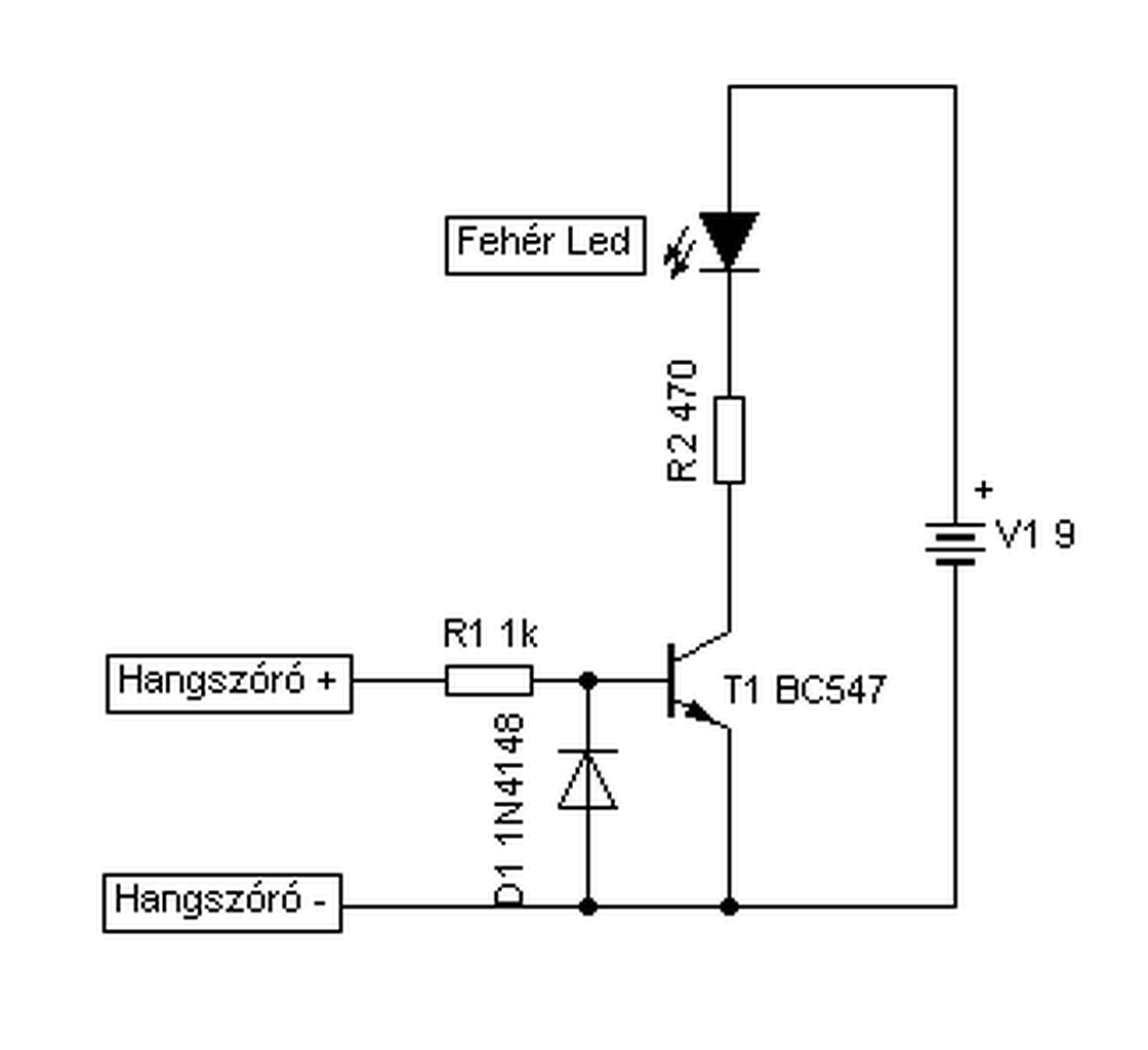
Kellene egy olyan kis eszköz, áramkör amely ha a bemenetére egy kb. 3V (egyenfesz.) nagyságnyi pillanatnyi feszültség kerül (elektromos kapásjelzőből kimenetén jön kapás idején )akkor egy ledszalag (kb. 10cm-es darab) világítani kezd (kb. 30-tól 90-sec-ig). Természetesen ez egy külön tápról menne, nem magáról a kapásjelzőről. A táp egy 7, 4V vagy 11,2V-os akksi lenne.
Olvasd el, amit írtam a másik topikba, mert cseppet elbénáztam, de jó lesz az.. üdv!
Az a baj,hogy éppen a vízparton történtek az események. Ha az adóról jött a jel (kapáskor),akkor a vevőn, az 1 es a kettes vagy a hármas számok jeleztek(villogtak) . Mikor jó volt!
Most (villogó) jel nincs a vevőn ,hang is csak ha hozzáérek a vevőhöz! Vevő baj lehet,mert külön az adók villognak,hangot adnak (kapáskor).Össze kellene "hangolni" őket? Most elvitte egy telefon szerelő gyerek,hátha tud valamit csinálni vele.
Sziasztok!
Némi segítséget szeretnék kérni! Adott 2db kapásjelző swinger kimenettel + egy 85mhzen működő adó vevővel. A vevő jelen esetben egy tescós rádió amit sikerült erre a frekire hangolnom. A jelzők küldik is a "hangot" (kis kattogás) csak az a bajom vele hogy nagyon halk a vevő. Hogy lehetne megoldani hogy hangosabb legyen? A rádió típusa : Tesco rad 306 az adó meg mh 2001 típusu vezeték nélküli fülesé. Köszönöm!
Hello! Ha "csak kattog", akkor várhatóan az adó nincs modulálva, csak a vivőt sugározza ki. Egy kis oszcillátorral hangjelet kell előállítani, és azzal vezérelni az adót. Akkor elvileg hallani kell a jelet, ne csak a kapásjelző kapcsolgassa ki-be az adót. (De nem ismerem a füles áramkörét. De a füles adójának bemenetén kell lenni valami csatlakozónak.)
Kszi proli007! De alapvetően azért kattog mert a swingernek áramot küld. A vevőben ami egy rádió úgy hallatszik hogy kattog. Na azt a kattogàst szeretném felerősíteni! Igazából működik a rendszer csak halk.....
Esetleg akkor a vevő "kattogásával", bekapcsolsz egy monostabil multit, ami egy astabil hangkeltőt működésbe hoz, és az sipol, nem a rádió pattog.
Ez hàny volton műxik? Bocsi de nem igazán vagyok otthon ebbeb a témàban! Köznyelvre lefordítanád ha megkérlek
az igazat megvalva nem igazán tudnák megépíteni 1ilyet.. gondolom készen nem lehet kapni. A hozzászólás módosítva: Ápr 17, 2014
Már mint a tápfeszültségre gondolsz, vagy az indításra. Mert egy CMOS IC-vel megoldható a dolog (monostabil-astabil), egy tranyóval a hangszóró meghajtása. A kattanás detektálása meg lehet egy tranyó is, ami kb. 600mV-ra már kapcsol. A tápfesz meg leget 3..12V között. stb. De akár más megoldás is lehetséges.
Milyen megoldásra gondolsz? Amatőr szinten nehéz megépíteni?
Nem nehéz, ha cseppet értesz hozzá, meg tudsz nézni/mérni valamit és el tudsz készíteni egy áramkört.
Azok alapján amiket írtál... szerintem menne.... esetlegesen összetudnál dobni nekem egy kapcsolási rajzot? Igaz ami igaz... egy cnc programot lemezalkatrészre előbb megírok
Előre is Köszönöm! A hozzászólás módosítva: Ápr 17, 2014
Mondjuk sok mindent nem írtál.
- A rádiót rádiónak is használod, vagy csak erre a célra? - Mekkora a rendelkezésre álló tápfesz? - A hangszóróból szóljon a "csippanás", vagy valami aktív zümmer lesz? - De elsőként ezt a kis egyszerű kapcsolást kellene összetákolni, és megnézni, felvillan-e a Led, mikor a hangszóród koppan.
A rádiót csak erre szeretném használni. 3v áll a rendelkezésünkre. Van egy kis zümmerem..... de ha a rádió hangszórója eggyszerűbb akk azt is használhatjuk.
Oké, de a kapcsolást elfelejtettem feltenni.. (Egyébként a 3V épp a működési határ..)
A hozzászólás módosítva: Ápr 17, 2014
Akk megvárom
Én inkább azt javallanám, hogy rádiós átjelzőnek használj pl. egy vezetéknélküli kapucsengőt, vagy 433 MHz -es rádiós modulokat, enkóder dekóderrel.
Amiről írtál, az elég gyatra dolog lehet, egy rádiós kapcsolat nem tud átvinni statikus jelet. A kattanás is csak a statikus jel kezdetét és végét jelzi. Egy ilyen feladatnak vannak korrekt megoldása is. Olvass utána itt a fórumon, hogy egy pici átalakítással lehet egy kapucsengőt használni erre a célra. Bővebben: Link Helyedben nem partizánkodnék műsorvevő áthangolásával, mert könnyen összeakazkodhatsz derékszíjas emberkékkel. A hozzászólás módosítva: Ápr 17, 2014
Ne várj, ha ezt akarod megvalósítani, próbáld ki a kis kapcsolást, villog-e a Led, mikor kattog..
Nekiesek holnap..... mamár zárva a boltok :'( írok ha megszülek a dolog!
Proli az a v1 9 az a bemeneti táp ha jól értelmeztem ugye?
Igen az az elem jele.
Hmmmm már kész is
müködik de! A vevő jele nyenge hogy érzékelje. Vagy lehet h az adó amit sugároz jelet az gyenge....
Na, most már ideje lenne megtudni ki kivel van. Mert működik is meg nem is?
![]() Leírhatnád egyszerű szavakkal, mi hogy működik, mit szeretnél tenni mivel. Mert én úgy értettem, hogy a kapásjelzőnek van kimente a Swinger felé. Erre dugsz Te valamit, ami 85Mhz-en ad, és ezt veszed a rádióval? Vagy mi is az igazság? |
Bejelentkezés
Hirdetés |





az igazat megvalva nem igazán tudnák megépíteni 1ilyet.. gondolom készen nem lehet kapni.
Előre is Köszönöm! 

