Fórum témák
» Több friss téma |
Fórum » Csöves erősítő készítése
Ne feledd betartani a fórum viselkedési szabályait, és a topik megmaradásának feltételeit. [link]
A téma átmenetileg fagyasztva lett, hozzászólni nem tudsz!
Utoljára ezt csináltam: Bővebben: ECL86PP
Így néz ki belűlről: Bővebben: ECL86PP szerelés Most ezen ügyködöm: Bővebben: 6L6G PSE
Én is csináltam egy előfokot ECC83-al, és egy nagyon egyszerű AB-osztályú végfokot (BD245-246) tettem utána. Ahogy azt az "Audiofil erősítők építése c. könyvben olvastam, csak én külön nyákra tettem őket és a cső lapjára tettem a tápegységet is. A fűtésnek fogtam egy kis 9V-os trafót és letekertem 6.5V-ig. Az anódfesznek pedig szembekötöttem 2db nyákbaforrasztható 240/11.3 V 2W-os trafót. Az ECC83 úgyis csak max 1W körül vesz fel. Ez így nagyon szépen szólt! Sokkal jobban mint ha nem lett volna benne a cső.
Ja! És olyat is csináltam amit nem szabad! Beforrasztottam a csövet a nyákba. Sajna nem volt foglalatom. De asszem be kell vásárolnom pár darabot.
Na, hogy ne tunjek annyira lustanak, utanaolvastam:
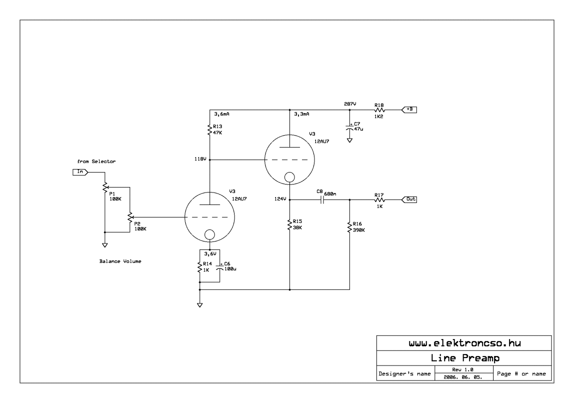
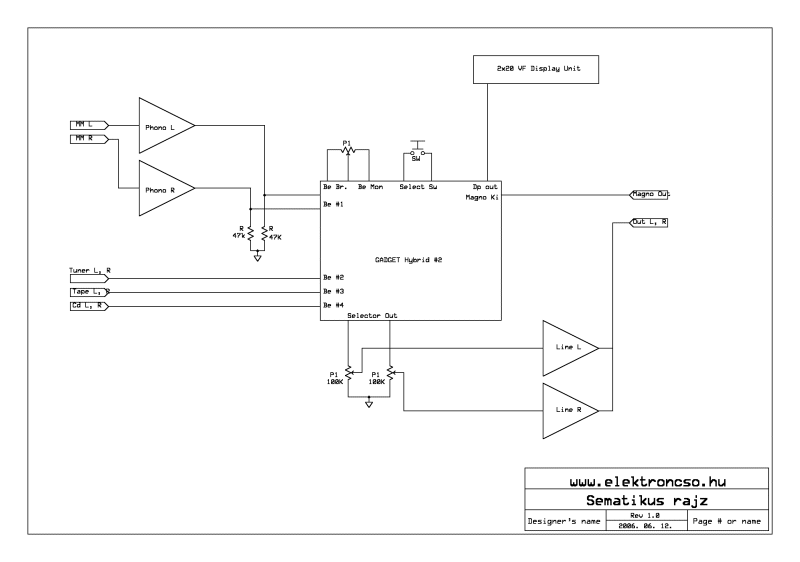
Idézet: „In general, the function of a preamp is to amplify a low level signal to line-level. A list of common sources would include a pickup, microphone, turntable or other transducer. Equalization and tone control may also be applied. In a home audio system, the term 'preamplifier' may sometimes be used to describe equipment which merely switches between different line level sources and applies a volume control, so that no actual amplification may be involved. In an audio system, the second amplifier is typically a power amplifier (power amp). The preamplifier provides voltage gain (about: 10millivolts to 1volt) but no significant current gain. The power amplifier provides the higher current necessary to drive loudspeakers.” Azaz, egy eloerosito lehet sima bemenetvalaszto hangero- esetleg hangszin-szabalyzoval; aztan lehet olyan feszultsegerosito, ami a nehany milivoltos jelet 1V-ig (vonalszintre) erositi (pl. LP, mikrofon). A vegerosito pedig leginkabb aramerositest valosit meg utana. Namost. Marad a kerdes: a www.elektroncso.hu oldalon bemutatott vonal erosito pontosan mi celt szolgal? Az LP-hez ott a phono fokozat 2db ECC83/csatornaval, ami RIAA szurest is vegez, meg erosit is. Ezek utan minek egy csatornankent 1db ECC82-es csovet hasznalo eloerosito fokozat? Pl. a tombvazlat szerint a CD jele, ami alapbol mehetne a vegerositore, minek menjen meg at az eloerositon? Itt lennenek a kepek is: (Bocsi, de csinalnek egy rendes cuccost, nem csak olyat mint most van otthon, s szeretnem vilagosan latni a mukodest, a mierteket!)
Udv,
A vonali erositok leggyakrabban azt a feladatot latjak el hogy minimalis (nehany x-os vagy csak 1x-es) erosites mellett impedanciaillesztest hajtsanak vegre a hangeroszabalyzas es a vegfok kozott. Erre leginkabb akkor van szukseg ha az elofok (es vele egyutt a hangeroszabalyzo is) kulon dobozba van a vegfoktol. Ezesetben a hosszunak szamito IC kabeleken igen sok zavar keletkezhet foleg ha a vegfok bemeno impedanciaja viszonylag magas (a csoves vegfokoknak pedig magas szokott lenni a bemeno imp.-juk). Ezert a hangeroszabalyzo utan egy un. buffer (vagy vonali meghajto) fokozatot szokas betenni ami magas bemeno impedanciaval rendelkezik (azert hogy a hangeroszabalyzot ne terhelje) es alacsony kimeno impedanciat kepvisel, hogy a hosszu IC kabel+nagy erteku vegfok bemeno impedancia minel kevesebb zavarjelet szedjen ossze. Remelem erthetoen irtam le
Akkor két kérdésem még akadna:
1. Akkor építhetem úgy, hogy hangerő állító poti csak az előerősítőbe kerül, s a végfok megy fixen? 2. A potméterek ilyettén (melléklet) történő elrendezése mi célt szolgál, ill a gyakorlatban hogy valósul meg? Gondolok arra, hogy ugye két csatornáról van szó. 2 db kettős (sztereo) potméter kell? De mit állítok p1-gyel, ill. p2-vel? Azt sem vágom, a balance hogy jön ide! Köszi!
Sziasztok!
Sikerült hozzájutnom egy Orion 520A típusú rádióhoz, aminek szeretném kipróbálni a végfokját, hogyan is szól egy csöves erősítő. Benne a végfokcső: EL41. Megvan a kapcsolási rajza, de nem tudom kisilabizálni, hogy hova kell kötni a CD lejátszóm kimenetét, hogy ne essen benne kár, és meg is szólaljon az erőlködő. Felrakom a kapcsrajzát. Légyszi segítsetek! Előre is köszönöm.
Szia!
a rádió hátulján banánhüvelyekre ki van vezetve egy ilyen bemenet, amivel csak az erősítő része hazsnálható kristályhangszedős lemezjátszóhoz. Ez kb vonali szint, ide csatlakozhatsz közvetlenül CD lejátszóval!(a rajzon pirossal bekarikáztam) de ha ez nem megfelelő, a hangerő szabályozó potméter felső csúszkájához is csatlakoztathatod ( zöld nyíl ), de sztem jó lesz a lemezjátszó bemenet! A rádió hátulján olyan banánhüvelypárt, (de lehet, hogy tuchel dugó ) keress, ami mellett olyan jel van, mint a kapcsolási rajzon, vagy az van mellé írva, hogy PU (pick up = hangszedő )! Ja és a hullámváltót PU állásba kell tenni! Remélem tudtam segíteni! Üdv : Kócos
Köszönöm a gyors választ, valóban van rajta bemenet, csak én nem láttam a fátol az erdőt.
Bekapcsoltam minden csővel, valami gond lehet, mert az AZ 41-es csőben lilás fény mászkál. Kivéve azt, halk búgás hallatszik a hangszóróból, a poti csavargatására nem reagál. Most nekiálok kiszedem a fém blokkot belőle, vagy leveszem az alját, hogy rátudjak csatlakozni a bemenetre banándugó megléte híjján. Üdv: Zsolt.
Gázos egy kicsit a cső (szerintem), attól világít! Ettől még lehet, hogy működik, végcsövek szoktak ilyesmit! Rádió sem jön be rajta, mármint zaj, vagy valami adó? Mert PU állásban, ha nem kötsz rá semmit akkor tényleg csak búgás van, gondolom már kiszáradtak a táp szűrőelkói!
Utolsó mondatodat nem értem : akkor most nincs rajta banándugó, vagy tuchel a lemezjátszó bemenetnek? mert a kapcsolási rajzon! Bekapcsolt állapotban ne nyúlj bele, és ha kiszeded, akkor különösen vigyázz az anódfesszel . 250 V !!!
Egy darabig világított lilásan, valami alaphangja is kezdett lenni a hangszórónak, elkezdtem lehalkítani, mire ő elkezdett hangosodni, majd kilehelte a lelkét és már nem is melegszik a cső. Pedig semmi elszineződést nemlátni a csövön, olyan mintha új lenne.
Hát az nem mindig látszik hoyg rossz-e .
És egyáltalán nem is fűt? a többi viszont igen? mert akkor tényleg kuka
Sajna nem fűt (AZ41)
A végfok jó langyos , és izzik rendesen(EL41) a többi alja halványpiros, és a csövek hidegek (2 db. EAF42, 1 db. ECH42)
ecc83 helyett lehet ecc85-öt használni? Meg tudja valaki mondani?
Én is kíváncsi voltam erre, de ahogy megnéztem az adatlapjaikat, eléggé eltért a két cső karakterisztikája. Így letettem róla. Például az sem mindegy, mire kell. Egyes esetekben okés lehet... Akár...
Üdvözletem mindenkinek!
Sikerült hozzájutnom kb. 400 Db. elektroncsőhöz, és most rajzokat gyüjtök hozzájuk, hogy megszólaltassam őket. Ha valaki tud segíteni benne, kérem tegyen fel rajzokat a következő csövekhez: 6P45Sz (orosz) PL500 PL504 PL82 PL36 EBL21 PCL82 PCL84 PCL85 PCL86 SE és PP rejzok is jöhetnek, bár én inkább SE-t szeretnék építeni, legfeljebb sorbakötöm őket. Előre is köszönöm a segítséget.
Hogy az AZ 41 nem fűt?
az egyenirányító cső! A fűtőfesz megvan , csak nem fűt? akro szakadt a fűtőszál -> kuka! A hideg csövekre is mérj már rá, hoyg rajtuk van-e a fűtés! A foglalaton! De mi az, hoyg hideg? ha izzik, akár haloványan is hideg nem lehet? Ezt nem telejsen értem .... A halott egyenirányító csövet helyettestheted szilíciumdiódákkal + egy soros ellenállással, bár ekkro egyből lesz anódfesz, ami a csövek élettartamának nem kedvez ( rövidül ) de amíg nem szerzel be egy új AZ 41-et addig OK!
Mindjárt jön egy moderátor, s nagyon nagy ejnye-bejnyét kapsz!
1. Google a barátod 2. Jópár kapcsolás ebben a topicban is akad...
el84-et szeretnék hajtani az ecc85-el. asszem izmosabb mint az ecc83 és más a beállítása de gondolom hangfrekin mükszik. szerintetek?
Add kettő csővet, már le is van zsírozva :hehe: :hehe:
Idézet: „Sikerült hozzájutnom kb. 400 Db. elektroncsőhöz” De szrenecsés vagy... Idézet: „akro szakadt a fűtőszál -> kuka!” nem kuka, ha nemkell ne dobd ki add nekem
Jó lesz, az csak szerintem nem lábkompatibilis, az ECC83-mal, meg a munkapontbeállító elemeket a csőhöz kell igazítani! egyébként a csőkatalógusban táblázatosan megvan adva nagyon sok beállításhoz való alkatrészek adata!
Oké, rá fogok mérni, de már csak holnap, ma már túl fáradt vagyok hozzá. A mérőműszer csak 600 volt dc -ig mér, remélem kibírja.
Na berajzoltam a kapcsolási rajzba, hogy lehet kiváltani Si diódákkal az AZ41-et! Remélem nem rajzoltam el semmit! (bocs a paintes bénázásért
a diódák után kell sztem egy néhány kiloohmos ellenállás, mert a csöveknek sokkal nagyobb a belső ellenállásuk, és nélküle a fezültsége felmenne akár 300V vagy az fölé is!Javítson ki valaki, ha tévedtem
ki fogja bírni, nem lesz benne nagyobb feszültség !
|
Bejelentkezés
Hirdetés |


Sajna nem volt foglalatom. De asszem be kell vásárolnom pár darabot. 







