Fórum témák
» Több friss téma |
Fórum » NYÁK terv ellenőrzése
Gyakorlat teszi a mestert, gyakorolj .. Ne mondd hogy
Idézet: Ha mindig megtervezi valaki helyetted sohasem tanulsz meg nyákot tervezni . „nem tudom jobban megervezni!!!” A hozzászólás módosítva: Máj 21, 2014
Szia!
Direkt nem tettem oda, mert gondoltam 4 alkatrészt odatenni még neked is menne, de rájöttem rajtad nem lehet segíteni.. Mellesleg ha már idetaláltál feltehetőleg tudsz olvasni, és el tudod olvasni a topic címét, de segítek ismét: "NYÁK-rajzban segítség, ellenőrzés kellene" Ami mi felénk azt jelenti, hogy csak elakadáskor egy kis lökés kell a jó irány felé, amit szerintem meg is kaptál sőt sokkal többet a terv 95%- os szintjével. De ha neked ez nem elég akkor legközelebb ne ide írja hanem kattints a linkre Bővebben: Link és ott egy ilyen rajzért legközelebb egy ezresért segítünk, ami 100%-os lesz! A hozzászólás módosítva: Máj 22, 2014
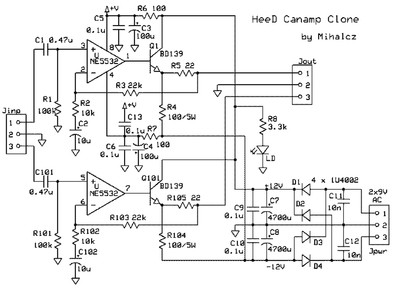
Elkészítettem a Heed Canamp füleserősítő nyáktervét az ezen az oldalon talált kapcsolási rajz alapján.Ha valaki vetne rá 1 pillantást és átnézné megköszönném
Szia!
Így első ránézésre középen 3 kondi nincs bekötve (ic táp). Ezenkívül az erősítő táp kondik elrendezése se az igazi mert a 4 kondiból felül csak 2 fog dolgozni alól meg csak 1. Én a 2 tranyót kitenném a nyák szélére ezáltal rengeteg hely felszabadulhatna ami most a hűtés miatt elvész, és a nyák kb fele ekkora lenne.
Köszi a tanácsokat
![]() Átnézetem és javítottam. A tarnyó pedig direkt van ott ahol van. Mert így van a gyáriban is és azt szeretném ha arra hasonlítana. Remélem így már jó ?
Szia! Az 5w-os ellenállásokat is rá kell kötni a -12-re, a C13-at nem találom, a diódák nincsenek bekötve...
A hozzászólás módosítva: Máj 26, 2014
Attól hogy valami "gyári"-nak tűnik még nem biztos, hogy jó is..
A mellékelt képen ugyanez van csak kicsit másképp
És ezt nem tudnád elküldeni lay formátumban ?Ha nem nagy kérés?
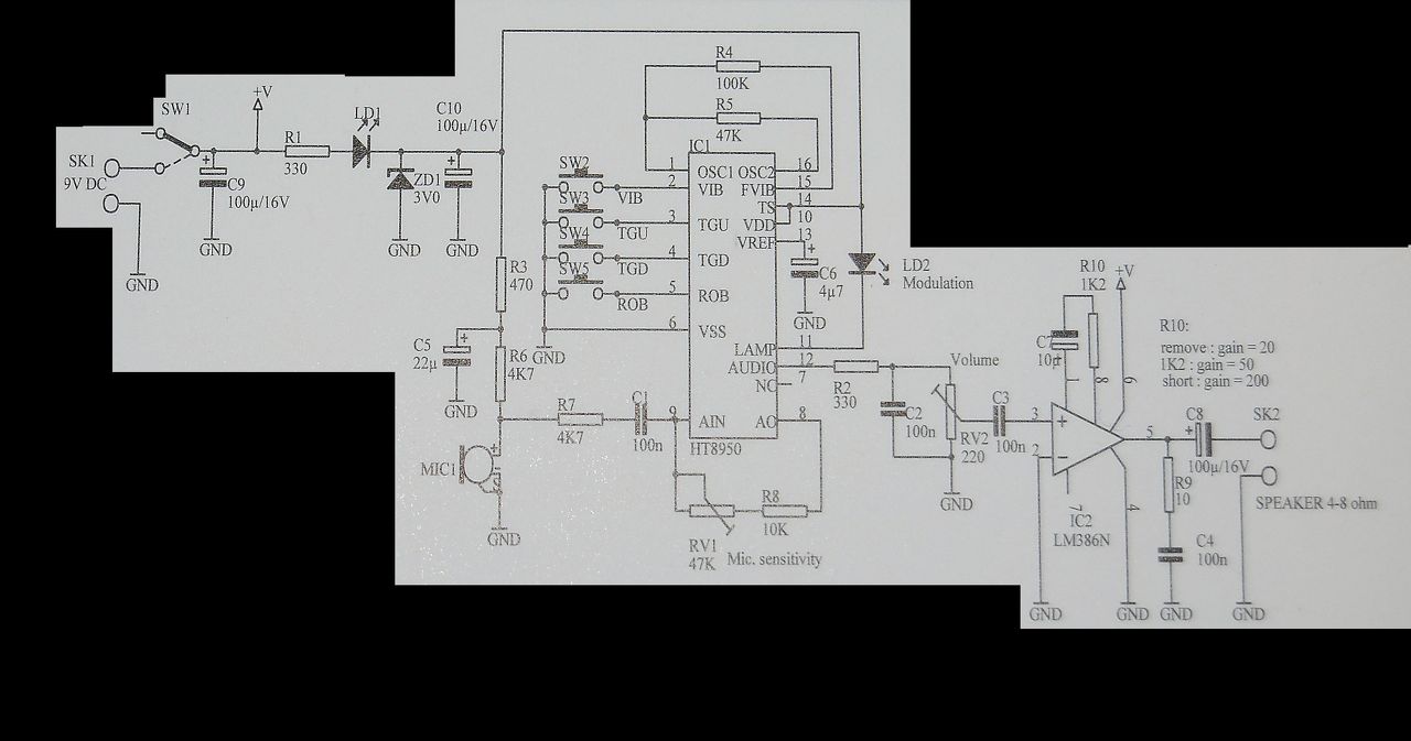
Azt szeretnem kerdezni hogy le birnatok-e csak ellenorizni, hogy jol megterveztem!!!!!!!
Szia!
Őszinte leszek..Ronda és nem is jó.. Pl a C5 hol van? Mikrofon feletti 470 ohm utáni átkötés zárlatos, és azt se értem minek kell ennyi átkötés.. A HT8950A jobb oldali alkatrészeket miért kellett lefelé eltolni amikor simán elférnének egyenes vezetékkel is? És ezek a túl húzott vonalak.. Ezeket nem lehetne elfelejteni? ha már csinálsz valamit legalább addig húzd a vonalakat ameddig kell ne egy centivel tovább. Mellesleg ha a kapcsolókat 90°-al elforgatnád 1 vonal elég lenne nem kellene 10 görbe
Tessek kijavittotam(az atkoteseket huzalal gondoltam!)!
Itt egy kép elindulunk szépen lassan a jobb felső sarokból és lépésenként kijavítgatjuk
Ilyenre csináld meg első lépésben.
Amit megtalaltam kijavittottam de nembirnad bekarikazni amit kijavitottal???
Kosziszepen!!!
Alakul.. Most kijavítjuk a mikrofon résznél azt a káoszt..
A lilával bekarikázott részből csinálunk egy kicsivel szebbet. ( Bal oldali képhez hasonlót)
Kicsit javittottam rajta es megcsinaltam amit mutatal most johet a kovetkezo lepes!!!
Nem tudom mi ez de teliföldes tervezéssel sokkal egyszerűbb lehetne a vonalvezetés.
A hozzászólás módosítva: Júl 5, 2014
Itt a következő végleges javítás, ahol a táprész és az erősítő rész van javítva, ha jól megnézed a tiéden egyik ic sem kapta meg jól a tápot, így hogy áttekinthetőbb már látszanak is a hibák.(lila karikák)
Kosziszepen mindent de elkuldened layoutba???????
![]()
Sajna layba nem tudom feltölteni, mert demo verzióm van és csak képként tudom lementeni. De addig is gyakorolsz amíg lemásolod.
Nincs mit, ez se tökéletes még, ezen is lehetne még csinosítani. Mutatok egy régebben készített rajzot ugyanerről kicsit másképp néz ki
Ja. Arra nem kellett mert a dobozon volt a kapcsoló és a ledek is ki lettek vezetve, ezért csatlakozó helyettesíti.
Esetleg beültetési rajz alapján vezető sáv megrajzolással. Bővebben: Link Bővebben: Link
Sziasztok! Van egy kis problémám egy Sub szűrővel, erősítőre kötve olyan mint egy oszcillátor, "rángatja" a mélynyomót. Többször átnéztem a NYÁK tervet, de nem találtam a hibát. Segítséget kérnék a hiba megtalálásában! Kapcsolási rajz
Szia! Helyi tápszűrés nélkül ez egyáltalán nem meglepő eredmény. A végfoktól legalább független a tápja?
Hello!
Lehet, hogy tápfeszültségen keresztül gerjed össze a végfokkal. Próbáld ki úgy, hogy külön adsz a szűrőnek tápfeszültséget. Én hiányolom a tápfeszültség szűrését a kapcsolásból. A bemenetre kettes osztás után szűretlenül rámegy a tápfeszültség felől érkező zavar. (1 MOhm -os tápfelező osztók) A fél tápfeszültséget beállító osztó ágat mindenképpen ajánlott jól megszűrni, főleg alacsony frekvenciás erősítő fokozat esetén. Ezen kívül lehet még akár földhurok is a lengés oka... Mod: Reloop kolléga megelőzött. De úgy látom, azonos véleményen vagyunk... A hozzászólás módosítva: Júl 28, 2014
|
Bejelentkezés
Hirdetés |








Ilyenre csináld meg első lépésben. 





Reloop kolléga megelőzött. De úgy látom, azonos véleményen vagyunk... 