Fórum témák
» Több friss téma |
Aki meg akarja építeni, szerintem sokkal jobban jár, ha megveszi innen az egész kit-tet.
Bővebben: Link Sokkal olcsóbban kijön vele, mintha a mindenféle hazai cuccok után szaladgálna mindenfelé. Már az a 3 db. sztereo potméter maga többe kerülne itthon, mint ott a teljes, alkatrészekkel csomagolt kit! A hozzászólás módosítva: Feb 21, 2015
Sajnos most nem igazán tudom, milyen frekvenciákon brummog a már működő cucc, de néha olyannyira mélyen szól, hogy már-már szinte torzan.
A hangszóróm meg nem igazán viszi át, pedig egy eredeti mélynyomó. Már amennyire 100 mm-es átmérőbe persze mindez kategóriájában belefér. (Lehet, hogy valami nagyobb átmérőjű /és persze teljesítményű/ kellene???) A 39 kohm-okat pedig - ahogyan azt javasoltad - kicseréltem 10 kohm-okra, - s tényleg sokkal jobb lett. Most szemtelen vagyok - lehet, hogy valóban értessz hozzá? A kondik értékének felezése mennyire viszi majd feljebb az egészet? Kevésbé vagy nagyon sokkal? Mindenesetre - nagyon köszi az eddigi segítséget. Jót tett ....
A kapacitások felezésétől a szűrés egy oktávval kerül feljebb, ami a frekvencia 2-szeresét jelenti. Ajánlom a kipróbálását.
Kipróbáltam.
Nem éppen és kimondottan az ajánlásodat, de nagyon közelítettem hozzá. A 400 nF helyére 360 nF (2x180 nF) került, míg a 200 nF helyére 150 nF. Aztán hagytam járni egy nagy hangdobozomon (35W/4 ohm). És utána elmentem erre-arra. Most jöttem haza, megsasoltam - és végre igazán melegszik a hűtőborda! Ezeddig szinte semmilyen sem volt, úgy mint a hangereje. Lehet, hogy az a túlzott mélységű frekivágás a dinamikát és az erősítést nagyon visszaveszi? Azt hiszem, ez lesz majd a végleges kivitel. A TV mellé/alá csak elmegy ....
Most hallgatom. + - 12 voltos kapcsoló üzemű tápon van. 25 cm-es hangfalra van kötve. Jól szól az árához képest. Brumm nincs. A nyákon a magas és a mély fel van cserélve... mármint a felirat a LÖT STOP-on. Amúgy jól működik.
A hozzászólás módosítva: Feb 21, 2015
Ez mind szép és jó ... és a másik oldal? Magyarán - a LÉNYEG!
Béke és az erő legyen veled. Rajta van a telefonomon. Át is kell még rajzolnom sprintbe, utána felteszem. Most hallgatom. Átlagos hangja van. Ha nem tudnám, hogy ez az IC azt mondanám jó
.
Hallgatom. Igazából az ilyen IC-s erősítőkből az igazán jó dinamikát hiányolom. Ár teljesítmény viszonyban jó. Akkor a legjobb a hangja, ha a hangerő 80% -on van. Nincs elválasztva a lepke szabályzó és a hangerő ezért kicsit visszahat a hangszínre az állapota. Pár wattig kihajtva egész dinamikus. Én azt mondom összevethető egy 3 wattos csövessel.
Nagyobb teljesítményű IC-t bele!
Mondjuk a jelenlegi lábleosztás és beültetés simán csereszabatos a TDA2050-nel. Legfeljebb a tápfeszt kell kissé feljebb tolni - ±22V-ra, oszt akkor - "hadd szójjon ..." Akkor máris nem "egy 3 wattos csöves", hanem mintha 5 W-os ....
Ha már egyszer ilyesmi olcsó IC-kel vannak megalkotva a jelenleg lapos TV-khez a mindenütt drága pénzekért megkapható házimozis hangrendszerek - s oda nagyon megfelelőek és jók,
akkor mit kell kishitűen molyolni tovább azzal, hogy milyet szól? Szerintem pusztán hangforrás kérdése, hogy simán fahang jön-e belőle, vagy egy valóban jó dinamikájú térhatású (5+1 Surrround-os) zene ...
Nem mondtam, hogy elégedetlen vagyok vele
. Azért épült, hogy össze tudjam hasonlítani más kis teljesítményű erősítőkkel. A lényeg az, hogy amikor 14 Wattról beszélünk, akkor ez az IC maximum tű impulzus formájában az elfüstölés határán tudja. Aki többet vár tőle, az csalódni fog. Hiába tenném bele a nagyobb IC-t. Sem a táp sem a borda nem bírná. Amúgy a borda éppen langyos + -12 voltnál, így a következő teszt az lesz, hogy rákötöm egy megcsapolásos 24 voltos trafóra. Ezzel nyerek még a dinamikán. Megjegyzem, hogy gyári Yamaha 10 Wattos gitár kombóban volt ez az IC. A célnak teljesen megfelel, a fürdőben fog hajtani két 15 Wattos TESLA hangfalat. A kit megéri az árát... Ha fejlesztenem kellene valamin, elválasztanám egy műveleti erősítővel a lepke szabályzót.
Lehetséges, hogy már 2 tranzisztorral le lehet választani a lepke-szabályzót, hogy ne hasson a hangerőre vissza.
Mellesleg - én most egy katalógus szerint 32W-os TDA2050-nel rugózom, de szerintem az se tudhat 32 W-ot. Legfeljebb valami hanggenerátoros 1 kHz-es színuszjellel kivezérelve. De az átlagos szöveg vagy zene az sajna nem csak abból áll. Igaz, én nem a maximálisnak mondható ±22V-tal járatom, mert a tápom csak ±18,5V-ot tud, de nem is várom el, hogy nagyon döngjön.
Az lehet, de a TDA2050 egy újabb, kisebb zajú, torzítású, fejlettebb verzió. Nagyobb dinamikával is rendelkezik, mint a TDA2030A . Impulzus szerűen, ha jó a táp és van tartalék, 50 W is lehet, de ez csak pillanatnyi. Ehhez már kell a ±22V táp , megfelelő trafóval.
A hozzászólás módosítva: Feb 22, 2015
Van egy 2x24 V-os hálózati trafóm, de az egyenirányítva, + az elko-kondikkal felpufferolva már majdnem ±35 voltot adna le.
Nem merem rátenni, mert minden bizonnyal füstöt eregetne ...
Ha IC-s végfok, és teljesítmény is legyen: TDA7294 topic. Semmivel sem bonyolultabb megépíteni, mint ezeket a kis p.köszörűket.
Ebben teljes mértékben igazad van.
De nem akartam nagyon belebonyolódni sem ...
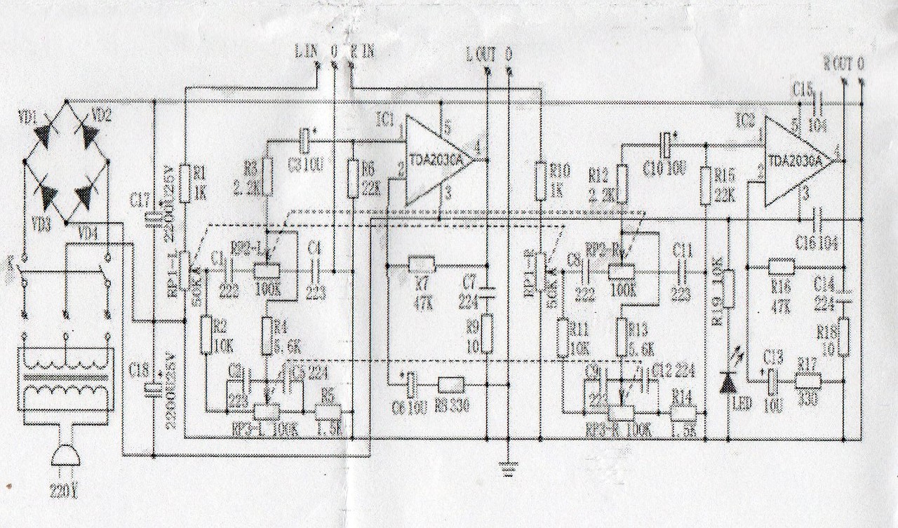
Íme az ígért képek. Ez alapján már át lehet rajzolni Sprintbe, és igény esetén megépíthető hazai alkatrészből is.
Ha lett volna szkennered, és egy az egyben abban másolod be, még csak Sprintbe se kellene majd újratervezni.
És azt mondod, egy lepke-hangszín van benne? Simán a bemenetek után? Hmm. Érdekes. Még csak egy elő tranzisztor se? Ehhez a KIT-hez valami értelmesebb kapcsolási/beültetési rajzot nem adtak?
Én találtam egy ilyent. Bővebben: Link
A hozzászólás módosítva: Feb 24, 2015
Előásom majd a rajzát is. Nincs semmilyen előfok, ezért kicsit visszahat a hangerő, de nem zavaró mértékben. Telhetetlen vagy ezzel a nyákkal kapcsolatban.
Simán behúzod a képet BMP-ben sprint alá. Ha a szöghiba zavar, az meg kompenzálható valamilyen fotó kezelő programmal. Ha tényleg meg akarod építeni beszkennelem így készen. Az szöghiba mentes lesz... de egyszerűbb megépíteni kit-ből.
Én linkeltem be korábban, és két hozzászólással hamarabb ezt látod megépítve otthonomban.
A hozzászólás módosítva: Feb 24, 2015
Köszi, de nem akarom megépíteni, mert van már egy hasonlóm, csak az kivételesen nem TDA-val készült, hanem valami egytokos IC-ben van mindkét oldal.
Jelenleg az van itthon a TV-hez kötve. Az egyik hangfalba van beleépítve a cucc, a másik meg csak úgy szól ... Teljesen az a megoldás, mint az olcsóbb számítógépes sztereó cuccok, nincsen külön dobozos erősítő.
Van ez az erősítőm. És újabban elég érdekes dolgot produkál.
Ha sokáig van bekapcsolva, egy idő után csendben elkezd búgni. Nem zavaró - de! Mintha valamelyik alkatrésze "bemelegedés" után fáradna. Lehetséges, hogy a Greaetz-ben valamelyik 1N4007 dióda engedi fel a hálózati brummot, de lehet talán az, hogy a szűrőelkó (2200uF) száradna csendben kifele?
Udv!
Osszeraktam az ebayes erositomet. Aznlenne a kerdesem higy a tapot higy kell bekotni? A tapom egy aksitolto. Annak ugye csakm2 kabele van de itt 3 nak van hely, james meg annyi hogy is van ac + gnd - ?
Szia! Sajnos az akkumulátortöltő nem alkalmas ennek az erősítőnek a táplálására. Szerezz be 2x12V szekunderfeszültségű transzformátort.
Es ha ezt beszerzem akkor mit kell vele tegyek mert ezekhez meg nagyon kezdo vagyok?
Íme a kapcsolási rajz, beültetési rajz, alkatrész jegyzék (kínaiul tudók előnyben
), és a nyák.Ma érkezett meg a csomag. A hozzászólás módosítva: Márc 12, 2015
|
Bejelentkezés
Hirdetés |






.
. Azért épült, hogy össze tudjam hasonlítani más kis teljesítményű erősítőkkel. A lényeg az, hogy amikor 14 Wattról beszélünk, akkor ez az IC maximum tű impulzus formájában az elfüstölés határán tudja. Aki többet vár tőle, az csalódni fog. Hiába tenném bele a nagyobb IC-t. Sem a táp sem a borda nem bírná. Amúgy a borda éppen langyos + -12 voltnál, így a következő teszt az lesz, hogy rákötöm egy megcsapolásos 24 voltos trafóra. Ezzel nyerek még a dinamikán. Megjegyzem, hogy gyári Yamaha 10 Wattos gitár kombóban volt ez az IC. A célnak teljesen megfelel, a fürdőben fog hajtani két 15 Wattos TESLA hangfalat. A kit megéri az árát... Ha fejlesztenem kellene valamin, elválasztanám egy műveleti erősítővel a lepke szabályzót. 


Simán behúzod a képet BMP-ben sprint alá. Ha a szöghiba zavar, az meg kompenzálható valamilyen fotó kezelő programmal. Ha tényleg meg akarod építeni beszkennelem így készen. Az szöghiba mentes lesz... de egyszerűbb megépíteni kit-ből. 












