Fórum témák
» Több friss téma |
Fórum » Csöves erősítő készítése
Ne feledd betartani a fórum viselkedési szabályait, és a topik megmaradásának feltételeit. [link]
A téma átmenetileg fagyasztva lett, hozzászólni nem tudsz!
Azt, hogy (szállításkor, zötykölődéskor, földrengéskor vagy nagy hangerőnél
) ne essen ki. ![]() Szerintem ez egyfajta rögzítőpecek. Rengeteg műszerben így vannak a csövek (igaz, nem pont spirállal, hanem egy rugós pánttal szokták megoldani). Biztos ez volt kéznél az adott üzemsoron. A rézdrótos másikra a magyarázat pedig az lehet, hogy aki bütykölte a rádiót, látta, hogy az egyiken van és hiánypótlást végzett azzal, ami kezébe akadt. A hozzászólás módosítva: Ápr 3, 2015
R5700.as típusszámmal jött ki sztereo csöves rádió (sztereo pacsirtának hívta a köznyelv.) A 2 db ECL86-os csövön gerjedésgátlónak van az a két spirál. De odaát a múzeális topic-ban Janóbácsi anno leírta a működését és a miértjét is. Azok NRK 5-10-20% tűrésű szénréteg ellenállások. Abban a korban ezeket használták.. Az összes rádió, televízió, EAG, BEAG erősítő, és mindenféle zajforrás alapelemeként.
Akkor jól sejtettem.
Linket esetleg tudnál hozzá, nem ismerem a keresőt
Üdv Pisti
Influenzás volt a gépem (4 nap ) , így csak most válaszolok . Küldöm a képedet . Pingáltam rá lehetséges testtelési megoldást . A fotón nem egyértelmű a vezetékezés , gondolok itt , és javaslom a 2 doboz részt összekötni pl 2.5 mm2 sodrott réz dróttal . Kérdésem az elkó 2x 50 mikró ? mert ha nem akkor a berajzolt láb a test (-) kivezetés általában , ha 2 x 50 mikró akkor azt hagyd ki , műszer megmondja . A másik oldalról fotó ? Üdv
A kereső sajnos nem olyan kiforrot még.. itt ülhetnék napestig, akkor sem lelném meg hogy hol volt tárgyalva.
Köszönöm, közbe teljesen átépítettem és hibátlanul működik. (fentebb már írtam)
Mivel már a helyére került, fotó sajnos nincs a beléről, de ha elolvasod mit csináltam szerintem simán el tudod képzelni, nem kell hozzá nagy fantázia... (A nagy kondi középen 47 és egyéb kapacitású, de csak a 47-et használtam, mert az egyencső nem visel el többet és a konti testje a fémváz...régi MM-es kondi) A megvalósítás nem pont ilyen lett, de szerencsére az is jó. A hozzászólás módosítva: Ápr 4, 2015
"de csak a 47-et használtam" Első lépésben rögtön az EZ után igaz? Utána kellene egy valamilyen 2W körüli 560ohm-1k közt valami , és ez után mehet a többi kondi.. és erről táplálni. Csak az egy szem 47µF nagyon-nagyon soványka. Ha csak az van akkor azért brummog. Csak az EZ után közvetlenül nem lehet 50µF-nál nagyobb, de egy fojtó, és/vagy ellenállás után már mehet és kell is. (ami van.. mondjuk a maradék 100uF+200uF)
A hozzászólás módosítva: Ápr 4, 2015
Pontosítanék, a tápkondi 47µF és után van 2db RC szűrő (1K+47u+100R+47u) de ez a képen is látszik (panel aljára aplikált komplxum)
Az átépítés után (47u+1k+47u+100n tápegység)+680R+47u (végfokon van) A hozzászólás módosítva: Ápr 4, 2015
Hát igen. Nem állítom hogy csak ezért brummog, de tény hogy kicsit szűken mérted a puffert.
Elég is lenne, ha a segédrácsokat szűrné.
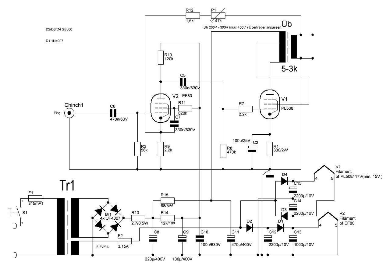
küzmös Gergely---Nagyobb puffert nem tudok az EZ80 után tenni, csak az utána lévő RC szűrőtagban tudom növelni a kapacitást.
mofesa---Kapcsolást ismét beteszem, ez van 1:1-ben csak a tápegység más: Velence trafó+EZ80+47u+1k+47u+100n és utána a linken található kapcsolás-tehát a rács szerintem meg van szűrve.
Esetleg egy villámgyors próba EZ80 helyett diódás egyenirányítás? ..s nagyobb puffer.. Csak a kísérlet kedvéért, hogy hogyan viselkedik a kütyü, s mi hogy változik. Az anódfeszültség tuti magasabb lesz egy kicsivel.
Sajnos már beépítettem, akartam még rá egy kivezérlésjelzőt is a kondik elé, de kihagytam, mert az is egy hibalehetőség.
Nem kicsit emelkedne az egész táp, szerintem felmenne az 340V fölé is (277*1,41=390). Nem rongálnám vele a csöveket, szerintem csinálok belőle másikat is, mivel ez már szépen megy nem bolygatnám meg. A következőt közös táptrafóval csinálom és tekertetek hozzá kimenőt is. Azt kipróbálom félvezrtővel is.
Felépítés és szűrés. Kulcsfontosságú mindkettő. Alapvetően, nem mindegy, hogy mit szűrsz, és hogyan. Ha nem a segédrácsot szűröd, ez édes kevés, de még ahhoz is elég gyengécskének tűnik.
Osztott RC tag a puffer után, esetleg nagyobb kapacitású kondik. A felépítése meg "titok".
Üdv. Találtam itthon pár 2ж27п csövet és az volna a kérdésem hogy erősítő áramkörökben fel tudom-e ezeket használni?
Miért ne? Hiszen arra készült, hordozható telepes rádiókba, adó-vevőkbe is.
A hozzászólás módosítva: Ápr 4, 2015
Köszönöm,az előző kérdésre is kaptam választ,az ECC82 helyett jó az ECC88 -is.
Nem értelek én titeket, ha leírom a pontos felépítés és linkelek kapcsolást, akkor ne talányokba írjatok már hanem konkrétumokat (mért nem teszel a 3-as lábra egy nagyobb elkót...).
Légyszives nézd meg a kapcsolást amit 3x linkeltem be és mondd meg mért nincs itt a segédrácson RC szűrés és mért is kevés az amit beletettem? Tudtommal az egyenirányítás utáni kondi a puffer és az RC tag kondija csak szűrőtag, nem puffer szerepet tölt be, ha igazam van akkor meg beláthatod, hogy az EZ80 után 50µF-nál nagyobbat nem tudnék használni. Mellesleg láttam már pár ennél bónagyobb végfokot is itt az oldalon és senkinek sem volt benne 1000-es nagyságrendő kondenzátor telep... De ha csak azon múlna van itton pár 10.000µF kondim 400V-ra. Esetleg tegyem bele mindet? Vagy még tehetek be stabilizált áteresztő fokozatos tápot is. Lehetne még benne lágyindító a fűtésre és anódkésleltető is... Ennek pont az egyszerűsége tetszett meg. Majd ha belekezdek a GU50 PP komolyabban lesz összerakva, mint az elején írtam ez egy gyors teszt volt, mert kellett valami erősítő a műhelybe és bővel felülmúlva a várakozásom. Mellesleg van olyan ember itt a fórumon akinek a végfokja full 0 zajú? (ha a fülünket a hangszóróba beletesszük akkor se hallunk semmit) Ez arra a célra amire készült még túl jó is, több lesz a keletkező környezeti zaj mint ami a rendszer hibája. Felesleges jobbat csinálnom, ha az igényemnek ez is sok... Még egyszer köszönöm a sok segítséget mindenkinek. (legfőképp Orbán Józsefnek aki megadta az ismételt lendületet és mofesa-nak aki folyamatosan adta a tippeket és a kritikát)
Nem talányokban beszéltem, csak nem fejtettem ki, nagy különbség.
Nincs ebben semmi bonyolult. Az EZ80 utáni a pufferkondi, ami 50µF lehet, ez igaz, de nem is ez a lényeg most, hanem az utána lévő RC tag(ok). Tegyük fel, hogy az egész tápot szűröd, amin rajta van az anódtáp, a segédrács, és az előfok tápja is, ekkor kell a nagyobb kondi 220-470uF. A másik verzió, hogy csak a segédrácsot szűröd meg. Akkor a pufferkondi után lévő szűrőkondira rákötöd az előfokot, és ezen van az anódtápfesz is. Erről külön viszel mondjuk egy 1K2 - 47uf - 1K2 - 47µF -s láncot, ami kizárólag a segédrácsot szűri (ez csak egy tipp). Én az első verziót szoktam használni, mert az-az egy kondi elintézi az egész oldal szűrését. Idézet: „Mellesleg van olyan ember itt a fórumon akinek a végfokja full 0 zajú? (ha a fülünket a hangszóróba beletesszük akkor se hallunk semmit)” Miért ne lenne?.
Ezt a kapcsolást djhans (Jani) fórumtárs fejlesztette. Nála ha jól emlékszem, még a táp részében is több kondi van. De nézzük Cirokl mester PCL86-os erősítőjét aki szintén ezt a kapcsolást valósította meg.
pisti89 nézz szét nála, mert sokat lehet tanulni tőle. Bővebben: Link
Akkor lehet, hogy fülészhez kell mennem, mert én ilyesmit nem sok erősítőmnél hallottam. Előfordul egy gitár, vagy phono erősítőnél, ahol igen kis jelről kell feltornászni vonalszintre a jelszintet. Azért 3-5cm még nem a világ, azt még a hálózatról is össze szedheti, főleg, ha egy üzem van a környéken, ami össze-vissza "rángatja". Ettől függetlenül meg lehet csinálni, még nyitott bemenetnél sem hallasz semmit.
Én nem vitáztam, csak tényeket közöltem. El tudnám fogadni, ha igazad lenne, de nem így van. Sajnos nem lakunk közel egymáshoz, hogy ezt be is tudjam Neked bizonyítani. Nem muszáj elfogadni, de ettől ez még tény marad, és az is, hogy nem csak én gondolom így.
Annyi minden mástól is "susoroghat", ilyen például a mikrofónia. Maradjunk a tényeknél, és erről én nem kívánok többet beszélni. Félvezetőknek is megvan a saját zaja, félvezetővel sem lehet készíteni MC előerősítőt ami 120dB tud, ha kis szintű jeleket erősítünk, itt jelenik meg igazán a sistergés, félvezetővel és csővel kivitelezve is.
Azért ennél lehet sokkal jobbat csinálni, ez abban au időben eléggé tömegterméknek számított, ahol nagyon fontos szempont volt az ár. Az akkori studió cuccok pl azért sokkal jobbak voltak és ott is sokféle egyéb szempont érvényesült....kompatibilitás, időtállóság, aránylag könnyű egyszerű összeköthetőség.....
Sziasztok!
Segítséget szeretnék kéni. Készítettem egy nyáktervet ECC85 és EL84 csövekkel, az alapanyagnak használt Terta T426 rádió eredeti kapcsolása alapján. Ez a legelső nyáktervem, így azt szeretném kérni, hogy valaki ellenőrizze le. Bízom benne, hogy helyesen értelmeztem a kapcsolási rajzot, de nem vagyok benne jártas. Csatolom a kapcsolási rajzot és a nyáktervet. Köszönöm!
Sziasztok!
Két kérdésem lenne. Az első hogy az alábbi kapcsolási rajzban a 6SJ7-et 6P9-el, a 6L6-ot 6L6GA-val tudom-e helyettesíteni? A másik kérdésem a másik képre vonatkozik, mely alkatrészek értékein kell változtatnom hogy változzon a mély és a magas?
Ez így nem lesz jó. Csak ha a foglalatokat vezetékkel kötöd a panelhoz. A foglalat bekötése alulról nézve: 1-es láb(7 óra), 4-5 láb(11-12 óra), 9-es láb(5 óra). Jelen állapotában ha a foglalatot ráteszed a panelra, akkor azok a panel két oldalán lesznek. Ez elég furcsa elrendezés.
Szia/Sziasztok!
Tegnap délután összedobtam a lágyindítót és a késleltetőt.Hónap végére lesznek tápok, csövek már dobozban. Lassan mint a Lucaszéke...
Szép napot mindenkinek.
Szeretném megkérdezni hogy a Spirnt -Layout programba van e elektroncső méretező .aljzat.
Szervusz!
Bármilyen pin-t tudsz csinálni. Rajzolsz egy kört és felrakod rá a lábakat, méretre persze.
Szia!
Van azért igényesebb módja is, felül az Extras menüben megkeresed a Footprint-Wizard-ot, és abban szépen lehet méretezni. |
Bejelentkezés
Hirdetés |


) ne essen ki. 








