Fórum témák
» Több friss téma |
Mielőtt kérdezel, a következő két dolgot ellenőrizd!
I. A helyes tápfeszültségek megléte.
II. A kimeneten van-e egyenfeszültség.
Élesztés.
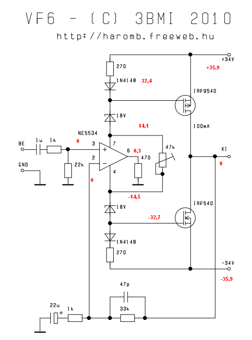
Ezt a végfokot a DJbörzén láttam és jónak hirdette az eladó. Mégsem működik?
Az a baj, hogy az alkatrészek szórása nagyon különböző. A szimulátorokban egy átlagérték van beállítva és majdnem biztos, hogy eltér a valóságtól. A nyugalmi áram beállítására alkalmatlan a szimulátor. Azt meg tudod nézni, hogy az áramkör működik, mindenfélét kipróbálhatsz benne büntetlenül ( nem megy tönkre semmi ), meg lehet tanulni, érteni az egyes áramkörök működését, de a nyugalmi áram beállítását csak akkor tudná megcsinálni egy szimulátor, ha pontosan olyan modellel dolgozna, mint amit a valóságban beépítesz. Ehhez meg kell mérni az adott félvezető, adott munbkapontbeli paramétereit, azt beírni a szimulátor modelkönyvtárába, akkor kapnál pontos értéket. Ez reménytelen...
A szimulátorban van szkóp ( vagy valami megjelenítő ), abban tökéletesen lehet látni az időbeli folyamatokat. Először a szimulátor működését, használatát kellene megtanulnod, mert így csak a sötétben tapogatózol...
A 2,5A-es gyors biztosítékok urai a helyzetnek, ezek az IRF tranyók pedig nem ijednek meg pár ampertől, pillants rá az adatlapjukra.
Először az ejtett gondolkodóba, hogyha valaki ennyi alkatrészt felrajzol, miért spórolja ki a koppanásgátlóból a DC védelmet. Hiányolom az R30, 31 wattszámának megadását, amatőr építőt meglepetés éri ha félwattosakat ültet be. A nagyjelű erősítő végén nincs korlátozva a jelváltozás sebessége, ez a gerjedés melegágya. A szimulátor nem jelzi, a gyakorlatban viszont kibukik. Amúgy nem kell feltalálni a csőbe a lyukat Gyári készülékek Service Manualjában működőképes rajzokat találhatsz.
Én összedobtam Tinában, nem lett rossz az eredmény.
Annyi eltéréssel, hogy CQY85 -ös piros ledet tettem bele, mert a sárgának nem akkora a nyitó feszültsége, amekkora kellene. A max kimenő teljesítmény 65W körül van 8 Ohm terhelésnél, kb. 1% körüli torzítással. Alatta hajtva szimulátorban 0,008% körüli torzítást kaptam. A feteket cseréltem IRFP240/9240 -ekre, azok nagyobb tokozásúak, jobban hűthetők. Kicsivel nagyobb a nyitófeszültségük, de az eredeti értékekkel ezekkel is beállítható a nyugalmi áram. Csatoltam a TSC fájlt, a trimmerek környékét nézd át, ha benyitod, mert nekem rövidebbre vannak véve a lábai, neked nem lesznek bekötve. A hozzászólás módosítva: Jún 26, 2015
Persze van benne szkóp. A programot ismerem, tanultam is, szóval tudom kezelni.
A DC védelem az nálam alap. Tudom nincs rajta a rajzon, mivel másik koppanásgátlót használok amin van dc figyelő. A lyukasat nem értem
. Részben azért is kezdtem el szimulálgatni hogy lássam az áramokat. Az ellenállások teljesítménye valóban nincs rajta, de azokat is figyeltem, meg számolgattam. A jelváltozás sebességéről rendelkező alkatrészekről tudnál még beszélni hogy mit hova kössek hogy jó legyen?
Köszi, nekem is ilyen értékek jöttek ki még
.
Az R3 és a C3 a várakozásommal szemben meglepően jól elvégzi a sávszűkítést, ezt most látom a szimulációt lefuttatva. Mindig aggállyal tölt el amikor ilyen hatalmas a nyilthurkú-erősítés. Az vele a probléma, hogy amíg töltődik a végtranzisztor gate-je, nem érkezik időre a visszacsatolás és a meghajtó fokozat rohan előre. A jelenséget a gyakorlatban a négyszögjel túllövésén illetve annak lecsengésén lehet tettenérni.
Tina szimulációban 200kHz szinusz tranziens analízisét szoktam megnézni. Ha az ábra kisebb amplitúdót mutat mint 1kHz-en és a rajzolat felismerhetően követi a hullámformát, akkor elfogadható erősítőre lehet számítani. A gyári készülékek rajzait a kidolgozottságuk miatt ajánlom. Tanulságosabb az egyes elemeinek a funkcióját felderíteni, mint egy DIY rajz felett azon meditálni mit spórolhattak ki belőle.
Oké. Akkor ez az áramkör így rendben?? Én is lefuttattam és kisebb az amplitúdó, és szépen ki is rajzolódik a szinusz. Végül is azért választottam ezt az áramkört, mert nincs nagyon agyon bonyolítva ( akkor ahogy mondtad ez nem előny ), meg FET-es áramkört is kiszeretnék próbálni, meg teljesítményben sem rossz. Régi videoton végfokára hasonlított, azért is tetszett még meg.
Érdemes még a visszacsatolási ponton is megnézni a jelet, négyszögjellel meghajtva az erősítőt. Sokszor ott bukik ki a probléma, annak ellenére, hogy a kimeneten szép a négyszögjel is. Én alapból 8kHz -en szimulálom az áramköröket. A problémásabbakat már ott ki lehet rostálni, mert 1kHz -hez képest azon a frekin már jóval magasabb pl. a torzításuk.
A hozzászólás módosítva: Jún 26, 2015
Rendben van, bár nagyon cirkalmas úton ér célba a pár voltos amplitúdójú gate vezérlő feszültség. Pláne ha egy VF6-ossal vetjük össze.
Oké, köszönöm szépen a segítséget mindenkinek
!! Ha minden jól megy akkor jövőhónap közepe fele nekiállok megépíteni, mert akkor tudok csak alkatrészt venni. Addig a nyáktervet megcsinálgatom. Az nem baj, nekem ez az áramkör teljes mértékben szimpatikus, legalábbis eddig .
Azért ha megvagy vele, pár sort írhatnál ide, milyen lett, csak úgy, hátha más is megtalálja a rajzot és meg akarja építeni......
Talán ez lehet.
Szeretnék egy erősítőt a mit én tervezek meg. Először egy bázis osztós egy tranyós erősítőre gondoltam. Számoltam az egyik ellenállás értek -160 ohm ra jött ki. Jó az az érték?
Kb. ilyen a kérdésed. Szeretnék hegyet mászni! Először a faluvégi ormot néztem ki. Vettem 12méter kötelet. Szerinted elég lesz?
Nagyon messze vagy attól, hogy magad tervezz erősítőt, remélem átérzed..
Sziasztok, kérdésem az lenne melyik a legmegfelelőbb kondenzátor típus audio jelek továbbítására, pl: fólia, kerámia...stb. Crossover építésbe fognék és kíváncsi vagyok kinek mi a véleménye.
Szia! Az elvárt értékpontosság, és szivárgásmentesség fóliakondenzátorral érhető el.
Akkor a legjobb minőséget is fóliakondenzátorral érem el?
Hangváltónál a minőség alapja az értékpontosság, ez már magában eldönti, hogy fóliakondit kell használni.
Sziasztok pákászok!
Előre közlöm nem vagyok penge egérrel rajzolásban így nézzétek el nekem a rajzot remélem a lényeg látszik. Nos a történet az hogy elkészítettem egy kis tda2030-as végfokot egy egytranyós hangszínnel úgymond nosztalgiázni vele (be ne rozsdásodjak). Sajnos a boltban olyan csillám lemezt tudtam venni ami nem csak elektromos de ebben az esetben eléggé hőszigetelő is .Az ic hűtőfüle forróm a borda meg még langyosnak is csúnya (paszta minden megvolt). Reloop-al beszéltük hogy talán nem ide erősítőhöz való, ergo vékonyabb kellene (ami nincs). Namost így kénytelen voltam kidobni belőle míg meg nem fől az ic. Így beugrott egy teljesen más huzalozási téma a testelődött hűtőborda miatt. A rajzon lévő két végfok összekötése és testelődése a hűtőborda lenne. Ez a jelenlegi felállás persze picit egyszerűsítve mert van egy isostat kapcsoló ami kapcsolja a jeleket hogy menjen a hangszínre így ahogy van vagy hangszín nélkül menjen a jel vagy egy érzéketlenebb leosztott jelet kapjon. Szerintetek megfelelő így ahogy van?
Átrajzoltam mert picit félreérthetőnek tűnt.
Épitettem egy sereg erösitöt a TDA2003-s áramkörrel. A hangszorok 4 Ohmos (3 sávos) autohagszorok. A szinusz generátorral az erösitök mind egyformán jól müködnek, azonban ha bemenetre valamilyen modern kütyü fejhallgato kimeneti jelét kötöm enyhe torzitás jelenik meg mindegyik erösitöben egyformán ( már nagyon alacsony szinten is). A bemeneti jelet 2 ( sztereo) 1 kOhmos ellenálláson egy 2k2 potira vezetem ( hangerö) majd innen az erösitö bemenetére ( gyári ajánlott kapcsolás).
Mi lehet oka ennek a torzitásnak?
Szerintem akárcsak én földhurokkal küzdessz. Tud érdekes jelenéseket művelni.
Persze, mert a fokozatokat sorba kell fűzni.
Nálad a jel útja közös egy ponton a tápárammal, amiben benne van még a kimenő áram is a hangszóró felé. Pirossal jelöltem a jel szempontjából problémás részt.
Az kizárt, de már ugy néz ki megvan a gond. Az egész cuccot egy 12V/3A kapcsitáprol táplálom és ugy néz ki annak a védelme vacakol. Most átkötöttem akkura, arrol jol megy. Érdekes a szinuszon nem lehetett semmit észrevenni.
A hozzászólás módosítva: Jún 28, 2015
Mivan ha azt a részt felemelem a sasziról?
Valószínű hogy az akkumulátornak nincs tápzaja amit egy földhurok be tudna vinni az erősítőbe.
|
Bejelentkezés
Hirdetés |




Gyári készülékek Service Manualjában működőképes rajzokat találhatsz. 
. Részben azért is kezdtem el szimulálgatni hogy lássam az áramokat. Az ellenállások teljesítménye valóban nincs rajta, de azokat is figyeltem, meg számolgattam. A jelváltozás sebességéről rendelkező alkatrészekről tudnál még beszélni hogy mit hova kössek hogy jó legyen? 







