Fórum témák
» Több friss téma |
Ha szkóp-képet teszel fel, legyen látható a kezelőszervek beállítása, vagy add meg a beállításokat!
Szia !
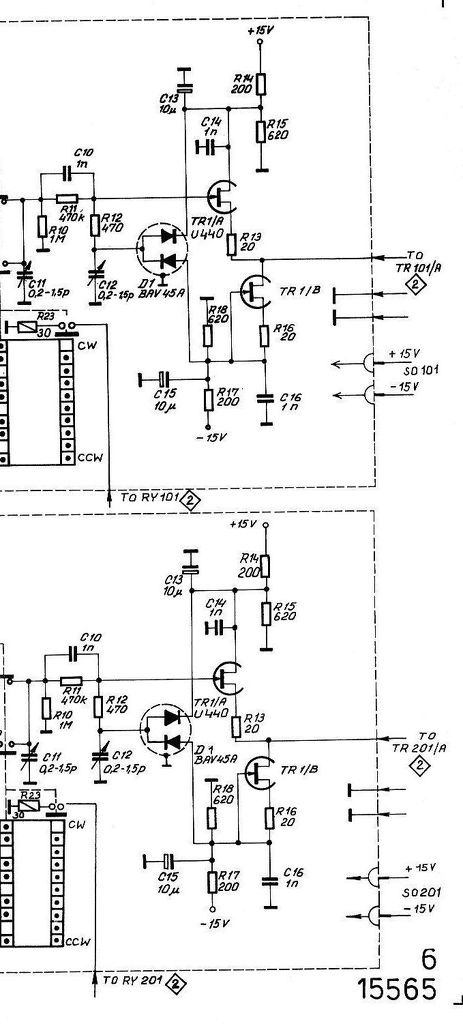
Az U440 nagy sebességű VHF/UHF dual monolitikus J-FET, a másik ha jól látom csak kapcsolóáramkörökben használatos. Nemrég volt hirdetve a fő licit oldalon, helyettesítőt nem tudok. EMG-1556 is alkalmazza az osztó után nagy impedanciás erősítőként.
Helló!
Közbe másik topikba segítettek helyettesítőt találni, de az is elég beszerezhetetlen M.o.-n, de talán mégiscsak tudok venni U440-et, igaz elég drága. Szerintem azért is hullámzik a 2. csatorna mert ez a fet nem igazán bele való ahogy említetted is, így amíg nem lesz másik a hullámzással nem foglalkozok. A másik két hiba keresésének a napokban neki fogok ugrani. Majd írok a fejleményekről hátha valaki hasonló hibával találja szembe magát.
Kritikus alkatrész, elég nagy áramú beállításban üzemel, fokozottan hűteni kell, legalábbis az
említett alkalmazásban. Kb. 15 mm-es hűtőcső van rádugva a tokra.
Az én hameg szkópomban semmi ilyen nincs csak natúron. Az a hűtőcső eloxált alu lenne vagy műanyag?
A hozzászólás módosítva: Jún 24, 2015
Itt egy 250 MHz sávszélességű Y erősítőben üzemel, valószínű a HAMEG jóval kevesebb lehet.
Biztosan valami nagyfeszültséggel agyon lett vágva az eredeti fet, ilyen ok miatt szokott tönkre menni. A probléma, hogy ezeket gyárilag válogatni is szokták, és ennek cseréje után valószinűleg a nagyfrekis átvitelt is be kellene állítani (a többi beállítás mellett). Ehhez spéci négyszögjel generátor kell, és hozzáértés. Bár 20Mhz -nél nem annyira kritikus a dolog, előfordulhat, hogy kapásból jó lesz.
Idézet: „Érdekes módon csak véletlenül a 2. csatorna 6 lábú tranzisztora fölött volt a multi kábele és a zaj rettentően megnőtt.” Nálam a FET (U440) teteje (fém burkolat), egy darab dróttal a mellette lévő földelt lemezre van forrasztva mind két csatornánál (Hameg HM 204-2). A hozzászólás módosítva: Jún 24, 2015
Idézet: Attól is függ mekkora nagyfeszt kap, de nem valószinű, hogy továbbmegy a rombolás, valószinűleg csak a fet károsodik. És még átüthet a bemenetnél lévő kondikon.„ha nagyfesszel kinyírták a 2. csatornát akkor az lehet hatással még másra?” Függvénygenerátor négyszögjelének felfutási sebessége jóval nagyobb-lassabb, mint ami ide kellene 5ns (vagy gyorsabb) a gyári ajánlás. Ezt csak spéci szkóp hitelesítésre készült generátor tudja. Nem tartom valószinűnek, hogy másik -nem oda tervezett- típusú fet miatt hullámozna. x-final amplifier nem okoz fel-le ugrálást, az a vízszintes végerősítő. Esetleg az y függőleges végerősítő okozhat ilyet, de ezt nem tudom mi okozza. A hozzászólás módosítva: Jún 24, 2015
Ha a "hullámzás" csak az egyik csatornára igaz, akkor a kétsugarasítási (r. elektronkapcsoló) előtti fokozatban kell keresni a hibát. Y végfokban nem lehet..
A hullámzás jellemzően a 2. csatornára, a vízszintes vonal fel-le mozgása (ugrálása) mindkettőre. Nem tudom ezek összefüggenek e vagy külön hibák.
Mivel rendkívül amatőr vagyok ez a "kétsugarasítási (r. elektronkapcsoló) előtti fokozatban" nekem nem mond túl sokat. Valószínűleg beletelik pár hétbe mire egyáltalán felfogom ezeket a kapcsolási rajzokat.
A hullámzást a FET okozza rövid úton kiderítheted, kiveszed a foglalatból és meglátod az eredményt. Ha tovább is fennáll a FET utáni fokozatokban kell kereskedni. Ha megszűnik
akkor a FET vagy áramköre illetve az ellőtte lévő osztó hibája.
Hello! Tisztította már közületek Valaki a szkóp kapcsolójait és potijait? Tisztítás után újra kell hangolni a szkópot?
Mit szeretnél "újra hangolni"? A kontaktusok, potméterek kontakthibái csak bizonytalanságot visznek a rendszerbe, ha ezt megszünteted, helyreáll a régi rend. Talán, ha az eltérítő generátori dőt, és a függ erősítést beállító eszközeinél, ha volt előzetes, javítás nélküli elállítás, akkor lehet, hogy újra be kell állítani. De ez minden.
Ha kiveszem a fetet nincs jel.
Szóval tovább nézegettem ezt a hullámzást 10mV/cm-nél és 5-nél látható igazán jól (de ekkor is kb. 1,5mm-nyi az amplitúdója). A 1. csatorna is csinálja de nagyon picit ha megnyomom az ac-dc-gd kapcsolót akkor szinte teljesen megszűnik az 1. csatornán, a kettesnél nem szűnik meg teljesen kicsit csökken és ac-dc állásban is ugyan olyan. GD állásban nincs hullámzás. Szerintem a 3 állású kapcsolók el vannak kopva vagy oxidálódva, ezen kívül a kettes csatornánál csak van még némi hullámzás, de az vagy a bemeneti osztótól jön vagy a 404-es fet miatt lehet. Legalább is a mai nap ezt figyeltem meg. Megpróbálok venni ilyen 3 állású kapcsolót hátha segít rajta és lehet meg kéne takarítani a többi kapcsolót is. Szerintetek érdemes?
Hello! Kipróbáltam a szkópot majdnem legnagyobb időre álítottam,és 50 HZ-t mértem.Föggőleges vonal ment végig a kijelzőn egyszer,és mikor végig ér nem kezdi újból. Eltűnik minden. Mitől van ez?
A triggerelés nincs véletlenül egyszeres állásban? Mert akkor fut le csak egyszer, az űjabb lefutáshoz kézzel kell indítani. Keress egy pici nyomógombot, ill. állíts be pl auto üzemmódot az eltérítés triggerelésére.
Lehet, hogy valamelyik trigger szintállító végállásban van, lehet szakadt a potmétere, akkor annak nincs is semilyen hatása. Méricskélni kellene az eltérítő generátorban. Ehhez kéne másik szkóp, akár kölcsön is.
Ha a trigger pótmétert(2-vel jelölve) közel a végálásához vagy teljesen végálásba tekerem,akkor nem tűnik el a jel,csak sétál vizszintesen. Nem tudom megálítani.Ha viszont távolodom a végálástól akkor egy ponttól már nem kezdi a sugár rajzolását a szkóp.Ha nem vizsgálok jelet,akkor üresben a vízszintes csík az hibátlanul meg van. TV szerelőtől vettem,aki átnézte.Vétel után jó volt 1 hónapig,majd ez a hiba jelentkezett. Aztán vissza vittem ,megbütykölte,és megint 1 hónap után újra jelentkezik a hiba.És jelentkezik ez a hiba a V/div kapcsoló elforgatásra is. Nem az amplitúdó nagysága változik,hanem eltűnik minden.( De ez nem azért,mert nem fér bele a képernyőbe az amplitudó) Nem akarom többet vissza vinni. Lehet hogy csak befújta WD 40-el a kapcsolókat,és még az ki nem szárad működik? Bajt okozom vele ha megpróbálom befújni a pótmétereket,és idő kapcsolóját(1-essel jelölve) belül? Erről a szkópról van szó
A hozzászólás módosítva: Jún 28, 2015
Sziasztok!
Sikerült szereznem egy szkópot alkatrésznek akartam, de talán mégis csak megpróbálkozok a javításával főleg mechanikai bajai vannak, kapott egy jó nagy ütést. A képcső egyben van nincs repedés, se karc, remélhetőleg még jó, bár mielőtt megvettem még működött valahogy szóval az némiképpen biztató. A fűtésnél fekete rész látható ami szinte belediffundált az üvegbe belülről mindkét oldalt. Ez mennyire normális? (Képen mellékelve.) A másik gondom, hogy a nyákra valamilyen trutyi folyt rá és rá is van száradva, mivel érdemes lemosni? Gyógyszertári alkohol (90%-os)? Gondolom más egyéb nem igazán jó, mert beissza a nyák. A hozzászólás módosítva: Júl 7, 2015
Az a folt a getter. Amíg fekete, addíg jó, addíg vákum van a csőben, megrepedve biztos nincs.
a trutyit érdemes letakarítani.
Kösz, amúgy mivel érdemes? Csak tömény alkohol jöhet szóba? (Fültisztító pálcika?)
A hozzászólás módosítva: Júl 7, 2015
Erre szokta volt mondani néhai főnököm: Ügyeskedjen Ferike.
Az alkoholos, sebbenzines + fültisztító. keményebb vékony ecset, szóval nincs tökéletes mindenre jó módszer, próbálgatni kell. Szerencsére nem látok SMD alkatrészeket, azoknál elég problémás a tisztítás. Mindenesetre, használatba vétel előtt alapos szárítás, esetleg nagynyomású levegő.
Mi ezzel szoktunk nyákot tisztítani, nagyon jó tisztító spray, nap mint nap használom. Kontakt LR/200
A hozzászólás módosítva: Júl 7, 2015
Kösz, bár ehhez a sprayhez most nem tudok hozzájutni.
Oldószerek közül mi jöhet még szóba? Aceton túl agresszív? Denaturált szesz? (Gondolom benzin, nitrohigító kilőve.)
Hi!
Esetleg a közönséges ULTRADERM nevű tisztitószer. Üdv.
A gyógyszertári alkohol az izopropil lenne? De csak 70%-os van az mennyire jó?
A hozzászólás módosítva: Júl 8, 2015
Az lemaradt, hogy a nyákon a védőfólia is hiányos, foltokban fel van hólyagosodva és nagyon könnyen lejön. Azzal mit lehet kezdeni? Akrillakk?
A gyógyszertári, az etilalkohol. (Amit a pálinkában is iszol.) Valamikor azt 95%-felett lehetett venni, de egyszerű desztillációval nem lehet elérni ezt a töménységet. Savval elnyelették, majd savtalanították. (Ha jól tudom, mert "nem mindenki vegyész, aki büdös"..) Ma már drága és csak csökkentett töménységben kapható, de az is jó lehet, ha szárítod. A denaturált, az metilalkohol. Ezt nem szabad meginni, ha nem akarsz megvakulni-megpusztulni. Ezért büdösítik is..
A denaturált is etilalkohol, csak adalékolják azért, hogy ne lehessen meginni. Viszont az igaz, hogy keverhetnek hozzá metilalkoholt is.
|
Bejelentkezés
Hirdetés |












