Fórum témák
» Több friss téma |
A 4 hangszórós rendszer elég sok problémát felvet, amik közül csak egy, hogy a térnek egy kis részén képes a kellő hatást kiváltani. Ehhez társul a tény, hogy quadro anyag nincs, tehát csak szimulálgatni lehetne.
Ezektől sokkal "meggyőzőbb" lehet egy olyan rendszer, amiben van két frontsugárzó, és hozzá egy SUB. Ez a klasszikus 2.1-es kiépítés, és nem véletlenül terjedt el. Ezekből távolról sem csak alacsony színvonalú hangzás érhető el. Megfelelő hangszórókat és erősítőt használva, az eredmény lenyűgöző (mostanában hallottam több ilyet is, és hiába számítottam eleve jó hangzásra, mégis meglepődtem mennyire nagyon jó). Fixen építs ki egy jó rendszert, és akkor nem kell semmit kapcsolgatni meg drótozgatni.
Rendben. Akkor tervezek egy SUB-ot. Biztos ami biztos. Ahhoz van itt az oldalon megfelelő kapcsolás. is. Bár ott csak a jelátvitellel lesz bajom...
Szia! Az eredeti kérdésednek ez a témája. Ez pedig egy egyszerű megoldása.
A 4db TDA7294-ből építhető 2.1-gyel kapcsolatban csak megismételném amit Alkotó írt.
Sziasztok!
Az lenne a kérdésem, hogy lehet-e biztonságosan, hosszú távon üzemeltetni egy ilyen erősítőt 2×45V-ról?
Szia! A adatlap Elektromos jellemzők első sora: maximális tápfeszültség ±40V. Egyéb kérdés?
Az ABSOLUTE MAXIMUM RATINGS-nál ±50V van írva.
igen az is a tda7293 adatlapja de ahogy ráadod ezt a feszültséget nyomban eladurranik.
Pláne ha a fentebb említett feszültség még egyenirányítatlan puffereletlen feszültség.
Tovább olvasva a sort: No Signal, tehát jel nélkül.
Alapvetően szűk az keresztmetszet, amit az IC hátán lévő lemezke hőátadás számára biztosít. Faragtam erről egy ábrát.
Egyenirányítatlan feszültségből elég nehéz ±50V-ot ráadni...
Na még egy watt mániás...
Minden további nélkül kapcsolhatsz rá 50V-ot, ha van pótalkatrészed és rögtön tudod cserélni! Mert kb felrobban a csipp benne! Már bocs érte, de mi a szösznek akarsz Te 45V-ot rákötni? Ha minden áron nagy teljesítményt akarsz, hidalj, vagy párhuzamosíts. És ne sal hangszórót használj, hanem valami jobb minőségűt! Nem méregdrága angil, vagy német sugárzókra gondolok, régi videoton, orion dobozakra leginkább. Hidd el meg fogsz döbbenni, 30V-on mit tud! És ezt abszolut nem kekeckedésből írom! Kb 10 éve egy akkori cimborám ezen felállással próbálta ki. Csodásan muzsikált. Az abszolut érték meg előjel nélküli érték matenatikában. Avagy akkor 50V^, azaz +/-25V és még így sem maradsz le semmiről 4 ohmmal és jó tápegységgel!
Egyáltalán nem vagyok watt mániás.
Mindössze arról van szó, hogy olyan trafót találtam amiből egyenirányitás után 45V körül lenne. De most találtam olyat ami 2x26V-ot tud. Talán az lesz a befutó. Egyébként mit értesz pontosan jó tápegység alatt?
Nekem is 2x26V-os trafóm van, egyenirányítva, pufferelve (oldalanként 3x4700uF) +-36V. Bőven tökéletes a TDA7294-esnek. Egy régi Pioneer HPM60-as hangsugárzó párt hajtok róla.
Idézet: „olyan trafót találtam amiből egyenirányitás után 45V körül lenne. De most találtam olyat ami 2x26V-ot tud.” Ez a 45V akkor abszolut 45V, vagy 2x45V? Mert amennyiben 1x45V az tökéletes kétutas egyenirányítással. Úgy lesz 2x22V AC és kb 30V DC. Ezzel már azért szépen elmuzsikál! Legfeljebb nem lesz nullpont a trafódon, csak a két kondi között. 26V AC=36V DC kb, de jól pufferelve. Én valahol valamikor úgy értesültem, 1A/1000uF. De nem rég reloop linkelt nekem egy számiitást, ami adott terhelő impedenciára kalkulál egy ajánlott feszültséget. Továbbra is azt mondomhagydd ezt a feszültség lutrit! Számolj utánna a te terhelő impedanciédra mekkora fesz kell, és az ahhoz legközelebb eső meglévőt választsd ki! Nagyobbat azért fölösleges, mert csaköelfűtöd, és a termikux torzítás is bezavar. Nem szereti egy félvezető sem, ha forralják. Alacsonyabb meg érthető okok miatt nem célszerű. Akkor meg leterheled, és limitál az ic. Egy adott szint felett vágni kezd. Számolj és mérj! ![]() A jó táp meg abból áll, hogy kellően jól méretezett trafó, amit úgy érdemes kalkulálni, hogy 3xP. Avagy a két oldali teljesítmény összege, ami 2x70W=140x1,5=210W Így oldalanként lesz 35W tartalékod. Oly fösleges 320W-os trafó, ha csak nem akarsz hidalni, mert ugyan ez duplázva. Összegezve egy 200-250VA 2x26V trafóval jól pufferelve, ami oldalanként 10000µF bőven elég, főleg ha egy kondiból áll! Javasolnám több kondiból öaszefakni. Legjobb lenne 10db 1000uF, de más tagolás is jó, de nagy lépcsőkben, mert bakapcsoláskor lugrik az erölködő az asztalról - szó szerint! - akkorát ránt a trafón. De tájékozódj tápegység témában is, mert a megfelelő feszültség kiválasztésa.egy dolog,.a.jó tápegység elkészítése egy másik.
Értem. Van itthon egy szép nagy 42V-os toroidom. Sajnos csak 1 szekundere van. Egyszer már próbáltam ha jól emlékszem olyan 2×27V-ot tudtam belőle kihozni. Lehet egyenlőre megpróbálom azzal.
Visszaolvastam pár oldalt és kiderült, hogy nálam is van egy példány abból a bontott cuccból ami neked is van. Éppen ezért is foglalkozom ezzel. Most is fent van az apróban a tápja, doboza az eredeti cuccnak. Az eladó nekem azt mondta, hogy a szimmetrikus 33 V-ról elég gyengén muzsikál.
Ne az eladóra hallgass!! Csináld meg az átkötést, mit reloop berajzolt, ragd össze a tápot, és próbáld ki! Ha megelégedésedre van, használd, ha nem, módosítsd. De aznelekro akkusztika főleg nagyon nem az a témakör, hogy jóska, pista azt mondta, hogy... Ezt felejtsd el! Én pár éve bementem a tecsóba. Bivaly basszus vágba képembe! Hú! Mi ez? Egy kb. 40 x 30 x 30 cm sub, egy genius 5.1 a drágábbik fajtávól. Akkor volt 30E . Még ma is jó ára van. Mikor megvettem, hazavittem, soha nem szólt úgy mint ott! Legszivesebben szétvertem volna!!!
Miért?? Hisz ugyan az, ami a polcon szólt! Rettentő sok dolog változott! A rendszer egy olyan komponense, ami nagyon nem mindegy milyen. A lehallgatási tér. Orákat lehetne regélni ezekrők a dolgokról. Hangszóró membrán felület tere, rezonancia freki hullámhossza, hányszor fér bele a lehallgatási térbe... de ez más topik. Nem csak a tápfesz fogja megszabni Neked, hogy hogy szól a rendszer. Ragd össze, hallgasd meg a kedvenc zenéd, és ha fedezel fel új hangokat, akkor jól szól! ![]() Mindamellett fentemkített sub mélysugárzója egy kétharmad akkora sub dobozban egy TDA2030 híddal szépen szól. Láthatod, hogy korántsem egzakt a dolog. A hozzászólás módosítva: Szept 11, 2015
Ó, töllem százszor rosszabbak is vannak, akik nem hogy a mondattagolást nem ismerik, de sok a nagy kezdő betűt sem, mégsincsennek megszólítva! Vagy igen ritkán. Meg moderátor függő... Vannaki szól, van aki javít, van akki mindkettőt.
Megértem, hogy kellemetlen, de a diszlekszia meg más dolog. Erre jön hogy mobilrók kapkodva írok... Javítsd ki kérlek akkor a hibáim, mert már nem szerkeszthető a hsz. Legközelebb átolvasom! A hozzászólás módosítva: Szept 11, 2015
A diszlekszia valóban kényelmetlen -nekem elhiheted-, sőt eltérő mértékei vannak. De jó eséllyel legtöbbjük ellen az egyik hatékony fegyver, ha a kapkodást elhagyod.
Igen tudom!
Meg hiába bombézzák a jónépet a colokkal, szöveg gépelésre még 5 col is kicsi! Csetelni, olvasni jó, de egy hosszú hsz begépelésénél sokat ütök mellé, és sokszor tényleg vissza sem olvasok.
a 42 v ~ feszültségből hogyan csináltál 2X27~et? Pláne 1 szekunderrel? Na mindegy is az egészséges toroid akár a hídnak akár a szimplának 2X24-25 v AC. Nem fog szétfőni mégis meggyőzően dinamikusan szépen szól. Persze a hűtésre és a megfelelő szigetelésre odafigyelve,ja! És a féltápra nyűgös!
Idézet: „42 v ~ feszültségből hogyan csináltál 2X27~et? Pláne 1 szekunderrel?” 42/2=21; 21×1,41=29,61. Ebből még levonod a diódákon eső feszültséget és meg is van a 27V.
Az egyutas egyenirányítást nem szokás "végfoknyi" terhelésnél használni.
Okkal nem találsz ilyenre példát egyetlen gyári készülékben sem.
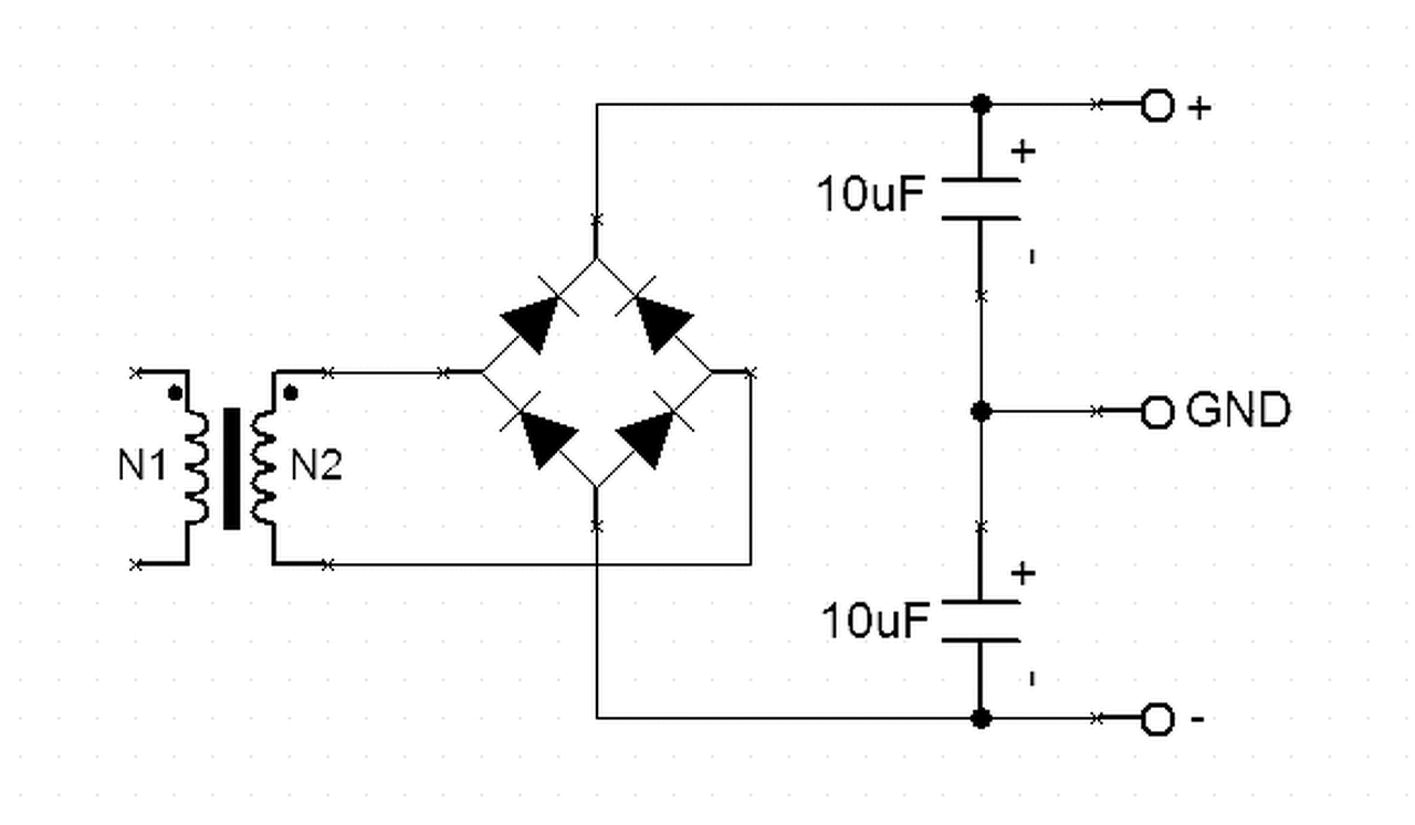
A mellékelt kép alapján állítottam össze és mértem meg.
Az a kapcsolás nem lesz jó nagy terhelésnél. Egy jó erősítő a jól megépített tápegységnél kezdődik.
A hozzászólás módosítva: Szept 12, 2015
Hát igen. Csak épp elszomorít a dolog, hogy még használtan is többe van egy normális trafó, minr maga az egész erősítő.
Nagyon elszaladtak itt, az egy szekunder tekercsből szimmetrikus tápfeszültséget előállító kapcsolások, viszont egy nagyon egyszerű megoldást javasolnék én is. Reloop kolléga készített itt olyan kapcsolást, és NYÁK tervevet is ami pont arra van kitalálva hogy egyszeres feszültségről járjon.
Annak a kapcsolásnak a tranzisztoros "virtuális GND" megoldása sokkal jobb megoldás mint ezt a feladatot 2 kondenzátorra bízni. Javasolom Reloop kapcsolását elkészíteni. Minden jót. Üdv.B
Igen ez sajnos így van
De ez a legjobb és járható út hosszútávon. A hozzászólás módosítva: Szept 12, 2015
Én is valahol itt az oldalon találkoztam vele először.
|
Bejelentkezés
Hirdetés |











