Fórum témák
» Több friss téma |
Fórum » VF2 végerősítő
Csak nem...
kb. 500mW lesz rajta, ahogy számoltam.
Szimuláltam régebben a kapcsolást, nekem 10V körüli tápfesz állt be az IC -n, azért számoltam 30V -tal.
![]() Persze, az csak szimulátor... A hozzászólás módosítva: Jan 14, 2016
Valóban 10V számítva is. A fórumtársak mérési eredményeire emlékeztem, mert szoktam méretni javítások alkalmával.
Sziasztok!
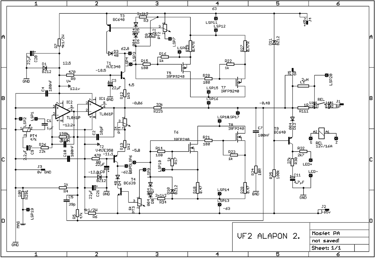
Kaptam egy Conductor V2-es erősítő nyákot kimaratva, valamint hozzá egy pár alkatrészt. Természetesen kapcsolási rajzot is kaptam csak épp a beültetési rajz hiányzik. Próbáltam visszarajzolni, azonban elakadtam. Első ránézésre erre a kapcsolásra hasonlít . Van esetleg valakinek beültetési rajza? Nekem mintha hiányozna az R14 és R17 220 Ohmos ellenállás a nyákról. Mellékeltem rajzokat amik nekem vannak.
Emlékeim szerint a tranzisztor lábakra lettek forrasztva közvetlen, és nem a nyákra. Vagy az egyik láb a tranzisztorra, a másik a nyákra.
Előzmények: Bővebben: Link Bővebben: Link
Köszönöm a segítséget! Elég nagy fejtörést okozott
Szia Tamás!
Látom elakadtál, egy kép többet mond ezer szónál. Ezek a testvérei azoknak a lapoknak amiket adtam. Amúgy be vannak üzemelve és használva is rendesen. Most látom, hogy a por kezd megtelepedni a félvezetőknél...
Sziasztok. Nem akartam senkit zavari mert azt hittem hogy a sok olvasás után nekem nem lesz gondom a nyugalmi áram beállítással de nem így van mert már két hete szenvedek vele de nem jutok sehova. A P1-es poti nem csinál majdnem semmit vagyis a kimeneti feszültség re igen de csak pár tized voltot. Viszont a nyugalmi áram az mindig nulla , olyan mintha nem lennének bekötve a fettek. Eléggé cifrán kellett megoldani az egész erősítőt mert a régi helyére kellett berakni úgy hogy nem volt szabad sehol új lyukat fúrni. Tavaly már működött csak halk volt és ezért készült egy új panel ahova beraktam még egy TL061-est. Ha valaki tud segíteni annak nagyon tudnák örülni. Be vannak a mért feszültség értékek írva.
A hozzászólás módosítva: Jan 28, 2016
Szia! Az MJE tranzisztorok bázis-emitter feszültsége csak egy P/N átmenetnyi lehet, azaz 0,6-0,7V. Jól vannak beültetve? Felcserélve esetleg?
Mintha a fejembe látnál mert amiket legutóbb vettem tranzisztorokat nem olyan a csomagolásuk mint ezelőtt volt . Valószínű hogy ezeket is keleten gyártják és szigeteltek . Lehet hogy fordítva raktam be mert már többször ki-be forrasztottam őket Na most megint kiszedem lemérem és ragasztok rájuk valamit hogy látszon melyik az eleje mert a feliratozást még nagyítóval is alig lehet felfedezni.
Kiderült a hiba forrása. Ha valaki EAGLE tervezőt használja vigyázzon mert az MJE340-nek van 3 fajta tokozása (attól függően milyen betű van a számok után) 1 fordított sorrendben van és a könyvtárban pont ez szerepel! Mörfi törvénye !
Sziasztok!
ha van itt olyan aki használ VF2 400w-os verziót, legyen oly kedves és ossza meg velem a tapasztalatait, hogy miként viselkedett neki a végfok clip közeli tartományban. Mit lát vagy hall olyankor? Köszi!
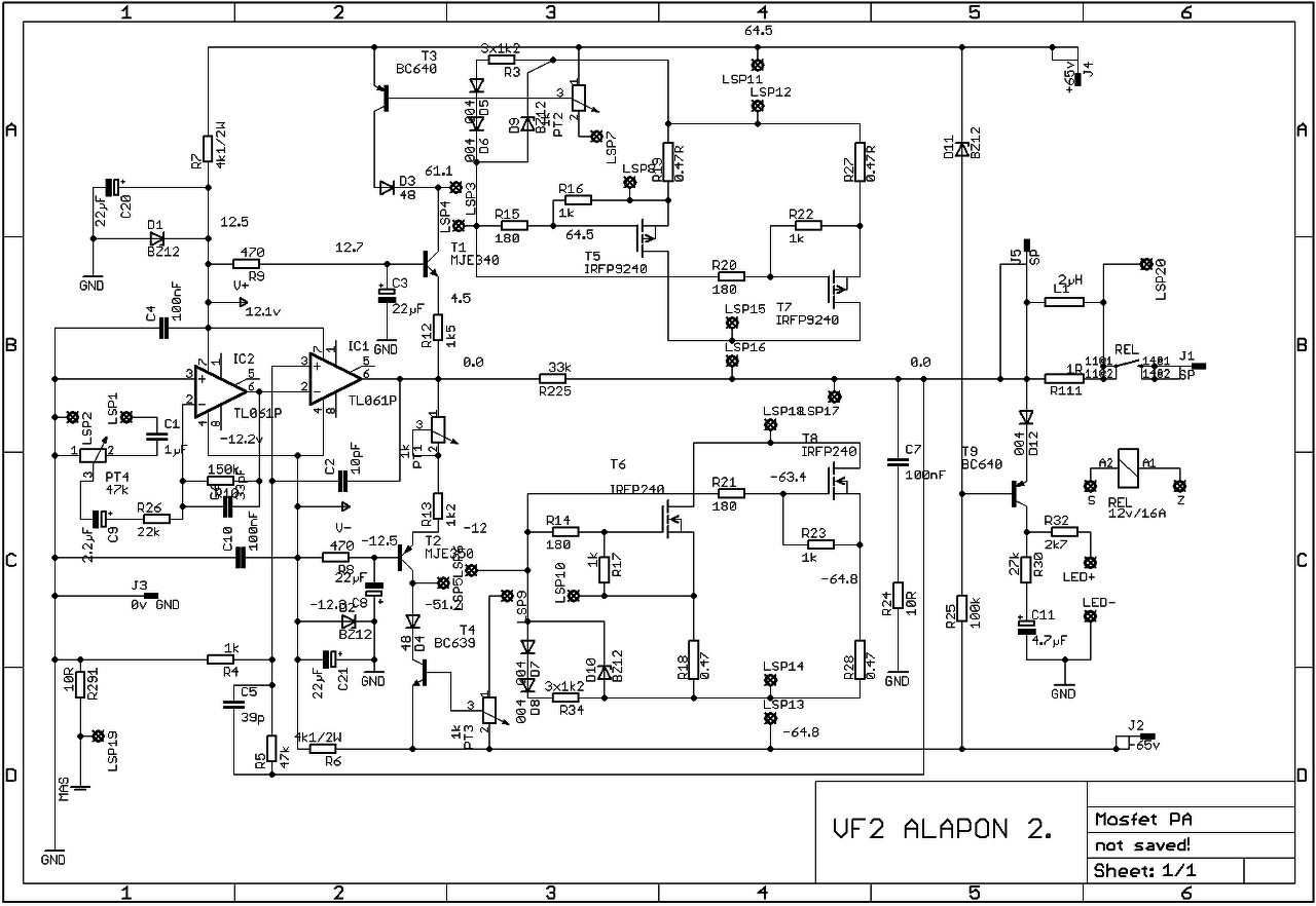
Van pozitív haladás.Viszont ki kellett venni az IC1-est mert amíg benne van megjelenik a kimeneten kb 0,2v 1 khz de nem színusz hanem annak torz alakja ami nem is stabil hanem rángatózik jobbra és balra. Na ez rángatózás kihat a hangszóró kimenetére is ami pár volt. Kiszedtem a IC 1-est és most a P1 működik de csak a null pontra hat ki. Leírom a feszültségeket a megfordított tranzisztorokon
T1 C 61,1v B 12,2v E 11,7v T2 C -61,2v B -12,5v E -12,0v A kimenet az 0,0 . Lehet hogy csökkenteni kellene az emitter ellenállásokat ?
Honnan származik ez a rajz? Nekem akar kijönni a nyugalmihoz tartozó Ugs, igaz csak fejben számolom.
GF 400 rajzon nincs az 1kOhmos lezáró ellenállás a Fetteken viszont a VF2-KDmod- 130Wés a dupla Fettes Alkotó és KD mester rajzokon van. Megpróbáltam élőben (tápágakban 40Wattos villanyégők) hát olyan 0,2 Watt-nyi ha kijön belőle de az is torz. A terheles 8 Ohm.
A hozzászólás módosítva: Jan 30, 2016
A tápágakban lévő izzókkal esélyed sincs arra, hogy normál üzemben jó legyen a hangja. Illetve meghajtva üzemszerűleg hasznosítható jele legyen normál terhelésen. Arról már nem is beszélve, hogy az a 40w izzó az ugye nem 230v-os? Ezek az izzós indítások, csak az első bekapcsolási durva hibák kivédése miatt kellenek, ha nincs első indításnál hiba, akkor ki kell őket venni. És inkább áramkorlátos tápegységről indítani...
Pontosan ez a problémám a rajzzal. A múltkor nem tűnt fel, hogy túl sok a párhuzamos ellenállás.
Mérj mindkét tápoldalon egy-egy gate-source feszültséget!
A hozzászólás módosítva: Jan 30, 2016
Igazad van de nem nagyon esik feszültség rajtuk .
Feltüntettem a rajzon a feszültségeket
A T1 sajnos még mindig nincs a helyén, a bázis-emitter feszültség 0.6V közelében kell legyen!
Az 1k-s ellenállásokat láthatóan el kell majd távolítanod a gate és a suorce-ok közül.
Megpróbálom mert mivel ezek nem a panelon vannak így nem is nehéz.
Na ez így nem jó. Felváltva gyulladnak az izzók kb fél másodperces ütemben. Szerintem teljes nyitásba van hol az alsó hol pedig a felső tranzisztor pár. Ja még annyit hogy a bemeneti poti is nullán van meg a P1-es is.
A hozzászólás módosítva: Jan 31, 2016
A T1 hibáját megtaláltad? Addig kár is folytatnod.
Az R3 illetve R34 értéke számításom szerint 250-310Ohm közé kéne essen, de nagyon szűk az így elérhető Ugs változás. Egy diódával ez a kapcsolást megbízhatónak nézem.
Én 2-2 diódát tettem ami rajta van a rajzon is csak nem igen lehet lekövetni de ott vannak a soros ellenállással.A diódák a hűtőre vannak ragasztva de van alattuk hővezető paszta.
|
Bejelentkezés
Hirdetés |





kb. 500mW lesz rajta, ahogy számoltam. 











